Студопедия

КАТЕГОРИИ:


Архитектура-(3434)Астрономия-(809)Биология-(7483)Биотехнологии-(1457)Военное дело-(14632)Высокие технологии-(1363)География-(913)Геология-(1438)Государство-(451)Демография-(1065)Дом-(47672)Журналистика и СМИ-(912)Изобретательство-(14524)Иностранные языки-(4268)Информатика-(17799)Искусство-(1338)История-(13644)Компьютеры-(11121)Косметика-(55)Кулинария-(373)Культура-(8427)Лингвистика-(374)Литература-(1642)Маркетинг-(23702)Математика-(16968)Машиностроение-(1700)Медицина-(12668)Менеджмент-(24684)Механика-(15423)Науковедение-(506)Образование-(11852)Охрана труда-(3308)Педагогика-(5571)Полиграфия-(1312)Политика-(7869)Право-(5454)Приборостроение-(1369)Программирование-(2801)Производство-(97182)Промышленность-(8706)Психология-(18388)Религия-(3217)Связь-(10668)Сельское хозяйство-(299)Социология-(6455)Спорт-(42831)Строительство-(4793)Торговля-(5050)Транспорт-(2929)Туризм-(1568)Физика-(3942)Философия-(17015)Финансы-(26596)Химия-(22929)Экология-(12095)Экономика-(9961)Электроника-(8441)Электротехника-(4623)Энергетика-(12629)Юриспруденция-(1492)Ядерная техника-(1748)

Генератор синусоиды на ППЗУ




ДЕЛИТЕЛЬ ЧАСТОТЫ

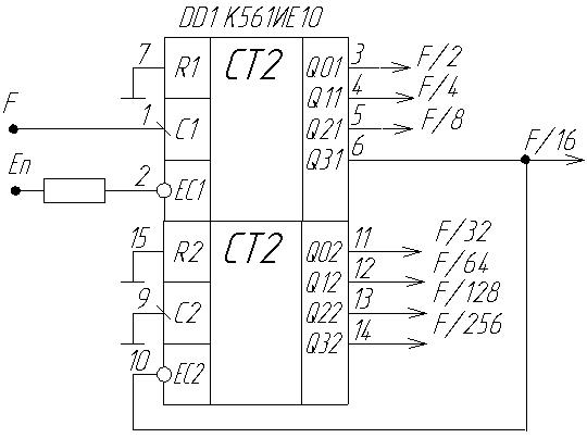
На вход счетчика ППЗУ необходимо подать импульсы с заданной частотой (m -требуемая разрядность счётчика ППЗУ). Для этого используем счетчик-делитель К561ИЕ10 [15]. Коэффициент деления частоты приведенной ниже схемы , где L=1, 2, …, 8. Принципиальная схема делителя частоты ДЧ имеет вид:

Рис.10.1. Принципиальная схема ДЧ

 

В случае, если 2-й счётчик ИМС К561ИЕ10 не требуется, то рекомендуется убрать все соединения этого счётчика. Для нормальной работы ДЧ не требуется проводить укорачивание цикла работы счётчика до требуемого L ( по входам R1, R2).


Блок-схема генератора синусоиды изображена на рис.11.1:

Рис.11.1

 

Usin=U , где .

Код синусоиды хранится в ППЗУ объёмом и преобразуется в напряжение с помощью ЦАП. На выходе ЦАП сигнал имеет ступенчатый вид (см рис 11.2):

Рис.11.2. График напряжения на выходе ЦАП

 

, где i = 0, 1, …;

, где L - разрядность двоичного счетчика адреса ППЗУ. Разрядность данных ППЗУ m определяет число уровней дискретизации синусоиды . Величины L и m определяют спектр сигнала на выходе ЦАП [21]:

 

Полосовой фильтр ПФ необходим для подавления кратных гармоник в составе напряжения на выходе ЦАП:

Рис.11.3. Подавление полосовым фильтром кратных гармоник

ПФ уменьшает амплитуды кратных гармоник до значений

и, тем самым, снижает значение коэффициента нелинейных искажений .

Чем больше L и m, тем меньше искажения . В таблице 11.1 представлены значения в зависимости от параметров L и m:

Таблица 11.1

L m
до ПФ после ПФ
    47.2 0.24
  47.2 0.25
  47.2 0.25
  47.2 0.25
  47.2 0.25
      0.060
    0.059
    0.059
    0.059
    0.059
    11.3 0.054
  11.2 0.054
  11.2 0.054
  11.2 0.054
  11.2 0.054
      6.11 0.053
  5.60 0.052
  5.54 0.052
  5.51 0.052
  5.50 0.052
      4.02 0.050
  3.15 0.050
  2.78 0.050
  2.76 0.050
  2.76 0.050
         

Выбирая m и L по этой таблице, мы обеспечиваем заданную величину .

На тактовый вход адресного счетчика СЧ2 подаются импульсы с частотой . Т.к. кварцевый генератор ГТИ рационально выполнить на

(0.5 1.5) МГц, то делитель частоты ДЧ должен иметь коэффициент равный

.

Делитель частоты ДЧ может быть реализован двумя способами:

- как двоичный счетчик ();

- как двоично-десятичный счетчик (),

где к - число разрядов (двоичный счетчик) или число декад (2-10 счетчик). Целесообразно применять двоичный счетчик: .

На рис.11.4 представлена одна из возможных схем включения ППЗУ и ЦАП для реализации необходимой функции. Для генерирования синусоидальной функции составлена таблица соответствия между входными и выходными кодами ППЗУ (прошивка ИМС ППЗУ) (см приложение Д).


 

 
 





Поделиться с друзьями:


Дата добавления: 2015-05-06; Просмотров: 2045; Нарушение авторских прав?; Мы поможем в написании вашей работы!


Нам важно ваше мнение! Был ли полезен опубликованный материал? Да | Нет



studopedia.su - Студопедия (2013 - 2026) год. Все материалы представленные на сайте исключительно с целью ознакомления читателями и не преследуют коммерческих целей или нарушение авторских прав! Последнее добавление




Генерация страницы за: 0.008 сек.