Студопедия

КАТЕГОРИИ:


Архитектура-(3434)Астрономия-(809)Биология-(7483)Биотехнологии-(1457)Военное дело-(14632)Высокие технологии-(1363)География-(913)Геология-(1438)Государство-(451)Демография-(1065)Дом-(47672)Журналистика и СМИ-(912)Изобретательство-(14524)Иностранные языки-(4268)Информатика-(17799)Искусство-(1338)История-(13644)Компьютеры-(11121)Косметика-(55)Кулинария-(373)Культура-(8427)Лингвистика-(374)Литература-(1642)Маркетинг-(23702)Математика-(16968)Машиностроение-(1700)Медицина-(12668)Менеджмент-(24684)Механика-(15423)Науковедение-(506)Образование-(11852)Охрана труда-(3308)Педагогика-(5571)Полиграфия-(1312)Политика-(7869)Право-(5454)Приборостроение-(1369)Программирование-(2801)Производство-(97182)Промышленность-(8706)Психология-(18388)Религия-(3217)Связь-(10668)Сельское хозяйство-(299)Социология-(6455)Спорт-(42831)Строительство-(4793)Торговля-(5050)Транспорт-(2929)Туризм-(1568)Физика-(3942)Философия-(17015)Финансы-(26596)Химия-(22929)Экология-(12095)Экономика-(9961)Электроника-(8441)Электротехника-(4623)Энергетика-(12629)Юриспруденция-(1492)Ядерная техника-(1748)

Самостоятельная работа № 27




« Анализ принципа работы дифференциального усилителя»

Дифференциальный усилитель (ДУ) имеет две входные и две выходные шины. Он предназначен для усиления переменного и постоянного сигнала на фоне большого уровня помех.

 

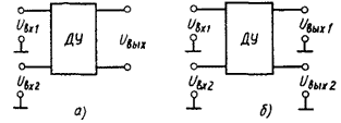
Различают симметричный выход ДУ, когда выходное напряжение снимают между выходными шинами (рис. 5.9, а), и несимметричный выход, когда выходное напряжение снимают между одной из выходных шин и «землей» (рис. 5.9, б).

Рис. 5.9.

Рис. 5.10.

При подаче на входы усилителя напряжений и выходное напряжение в общем случае определяется выражением, где — дифференциальная составляющая входного сигнала, определяемая как разность потенциалов между входами усилителя; — синфазная составляющая входного, определяемая как полусумма входных напряжений; — коэффициент усиления дифференциального сигнала, определяемый при. Для обеспечения этого условия на входы усилителя одаются одинаковые по величине, но разные по полярности наряжения; — коэффициент усиления синфазного сигнала, определяемый при.

Для этого на входы усилителя подаются одинаковые по величине и полярности напряжения.

Синфазный сигнал представляет собой различные помехи и наводки, действующие одновременно на обоих входах усилителя Поэтому при построении усилителя необходимо обеспечить условие

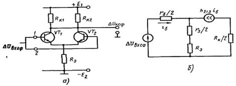
Простейший дифференциальный усилитель с симметричным выходом на биполярных транзисторах изображен на рис. 5.10 и состоит из двух типовых каскадов ОЭ, эмиттеры которых взаимосвязаны и имеют общий резистор. Входные напряжения подаются на базы транзисторов, а выходное снимается с их коллекторов.

Рис. 5.11.

Если схема полностью симметрична, т. е., а параметры транзисторов идентичны, то при транзисторы работают в одинаковом режиме. Их коллекторные токи и напряжения равны. Так как выходное напряжение определяется разностью коллекторных напряжений транзисторов, то их равенство означает, что

Изменения питающего напряжения или температуры окружающей среды, вызывающие дрейф выходного напряжения в обычном каскаде усилителя постоянного тока (см. рис. 5.7), для симметричного каскада (рис. 5.11, а) можно представить как заземленные ЭДС, действующие синфазно на каждом выходе 1 к 2 каскадов ОЭ.

Действие синфазных ЭДС приводит к одинаковому изменению коллекторных токов и напряжений транзисторов в одну и ту же сторону, т. е.

Равенства (5.21) и (5.22) показывают, что базы, а также коллекторы транзисторов усилителя можно объединить, не нарушая при этом работы схемы, и представить усилитель как параллельное соединение транзисторов, включенных по схеме ОЭ с отрицательной обратной связью по току, создаваемой резистором.

Эквивалентная схема для переменного сигнала, соответствующая принципиальной схеме рис. 5.11, а, изображена на рис.. Из эквивалентной схемы найдем коэффициент передачи синфазного сигнала на один из выходов усилителя, характеризующий изменение коллекторного напряжения при действии входного синфазного сигнала

Входное сопротивление схемы для синфазных сигналов

Полагая, что, будем иметь

Подставляя выражение (5.24) в (5.23), запишем

откуда найдем изменение коллекторного напряжения каждого транзистора при действии синфазного входного сигнала

В полностью симметричном дифференциальном усилителе не влияет на дрейф выходного напряжения, так как с учетом равенства (5.22)

Следовательно,.

В реальной схеме дифференциального усилителя (рис. 5.11, а) невозможно обеспечить полную симметрию, поэтому приращения будут неодинаковыми. В результате на выходе схемы появляется разностный дрейф, зависящий от. При разностный дрейф минимален. Как следует из выражения (5.26), для получения малых приращений коллекторного напряжения необходимо увеличить резистор обратной связи, что возможно только до некоторого предела, определяемого минимальным током транзисторов.

Поэтому в эмиттерную цепь дифференциального усилителя (см. 5.11, а) Целесообразно включить нелинейный элемент, обладающий большим сопротивлением по переменному току (для создания глубокой отрицательной обратной связи) и малым по постоянному току (для обеспечения номинального режима транзисторов).

 

 




Поделиться с друзьями:


Дата добавления: 2015-05-06; Просмотров: 372; Нарушение авторских прав?; Мы поможем в написании вашей работы!


Нам важно ваше мнение! Был ли полезен опубликованный материал? Да | Нет



studopedia.su - Студопедия (2013 - 2026) год. Все материалы представленные на сайте исключительно с целью ознакомления читателями и не преследуют коммерческих целей или нарушение авторских прав! Последнее добавление




Генерация страницы за: 0.01 сек.