Студопедия

КАТЕГОРИИ:


Архитектура-(3434)Астрономия-(809)Биология-(7483)Биотехнологии-(1457)Военное дело-(14632)Высокие технологии-(1363)География-(913)Геология-(1438)Государство-(451)Демография-(1065)Дом-(47672)Журналистика и СМИ-(912)Изобретательство-(14524)Иностранные языки-(4268)Информатика-(17799)Искусство-(1338)История-(13644)Компьютеры-(11121)Косметика-(55)Кулинария-(373)Культура-(8427)Лингвистика-(374)Литература-(1642)Маркетинг-(23702)Математика-(16968)Машиностроение-(1700)Медицина-(12668)Менеджмент-(24684)Механика-(15423)Науковедение-(506)Образование-(11852)Охрана труда-(3308)Педагогика-(5571)Полиграфия-(1312)Политика-(7869)Право-(5454)Приборостроение-(1369)Программирование-(2801)Производство-(97182)Промышленность-(8706)Психология-(18388)Религия-(3217)Связь-(10668)Сельское хозяйство-(299)Социология-(6455)Спорт-(42831)Строительство-(4793)Торговля-(5050)Транспорт-(2929)Туризм-(1568)Физика-(3942)Философия-(17015)Финансы-(26596)Химия-(22929)Экология-(12095)Экономика-(9961)Электроника-(8441)Электротехника-(4623)Энергетика-(12629)Юриспруденция-(1492)Ядерная техника-(1748)

Вопрос № 89




Вопрос № 88

Вопрос № 87

Вопрос № 86

Вопрос № 85

Вопрос № 84

Способ поддержания постоянным напряжения на зажимах генератора постоянного тока при увеличении нагрузки:

 

Вопрос не был задан

Правильный ответ:

· увеличение тока возбуждения генератора

 

 

Закон, лежащий в основе принципа действия трансформатора:

 

Вопрос не был задан

Правильный ответ:

· электромагнитной индукции

 

 

Приведенная схема сглаживающего фильтра:

 

Вопрос не был задан

Правильный ответ:

· Т-образный LC фильтр

 

 

ЭДС при холостом ходе генератора последовательного возбуждения определяется:

 

Вопрос не был задан

Правильный ответ:

· частотой вращения якоря и остаточной намагниченностью полюсов

 

 

Торможение АД, которому соответствуют механические характеристики, представленные на рисунке:

 

Вопрос не был задан

Правильный ответ:

· динамическое

 

 

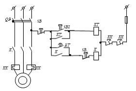
Приведенная схема это схема

 

Вопрос не был задан

Правильный ответ:

· пуска асинхронного двигателя

 

 




Поделиться с друзьями:


Дата добавления: 2015-05-06; Просмотров: 549; Нарушение авторских прав?; Мы поможем в написании вашей работы!


Нам важно ваше мнение! Был ли полезен опубликованный материал? Да | Нет



studopedia.su - Студопедия (2013 - 2026) год. Все материалы представленные на сайте исключительно с целью ознакомления читателями и не преследуют коммерческих целей или нарушение авторских прав! Последнее добавление




Генерация страницы за: 0.011 сек.