Студопедия

КАТЕГОРИИ:


Архитектура-(3434)Астрономия-(809)Биология-(7483)Биотехнологии-(1457)Военное дело-(14632)Высокие технологии-(1363)География-(913)Геология-(1438)Государство-(451)Демография-(1065)Дом-(47672)Журналистика и СМИ-(912)Изобретательство-(14524)Иностранные языки-(4268)Информатика-(17799)Искусство-(1338)История-(13644)Компьютеры-(11121)Косметика-(55)Кулинария-(373)Культура-(8427)Лингвистика-(374)Литература-(1642)Маркетинг-(23702)Математика-(16968)Машиностроение-(1700)Медицина-(12668)Менеджмент-(24684)Механика-(15423)Науковедение-(506)Образование-(11852)Охрана труда-(3308)Педагогика-(5571)Полиграфия-(1312)Политика-(7869)Право-(5454)Приборостроение-(1369)Программирование-(2801)Производство-(97182)Промышленность-(8706)Психология-(18388)Религия-(3217)Связь-(10668)Сельское хозяйство-(299)Социология-(6455)Спорт-(42831)Строительство-(4793)Торговля-(5050)Транспорт-(2929)Туризм-(1568)Физика-(3942)Философия-(17015)Финансы-(26596)Химия-(22929)Экология-(12095)Экономика-(9961)Электроника-(8441)Электротехника-(4623)Энергетика-(12629)Юриспруденция-(1492)Ядерная техника-(1748)

Генераторы LC- типа




Любой автогенератор LC- типа состоит из:

  • колебательного контура, в котором возбуждаются незату­хающие колебания требуемой частоты;
  • источника электрической энергии, за счет которого в контуре поддерживаются незатухающие колебания;
  • транзистора, посредством которого регулируется подача энергии, от источника в контур;
  • элемента обратной связи, обеспечивающего передачу переменного напряжения необходимой величины из выходной цепи во входную, для поддержания незатухающих колебаний в колебательном контуре.

Простейшая схема автогенератора LC- типа на транзисторе приведена на рис. 6.2, а.

Такая схема называется генератором с трансфор­маторной связью. Колебательный контур состоит из индуктивной катушки и конденсатора . Источ­ником энергии является источник постоянного напря­жения который отдает часть энергии в колеба­тельный контур в моменты, когда в его внешней це­пи, состоящей из колебательного контура и парал­лельно соединенного с ним транзистора, проходит ток. Регулятором служит транзистор, цепью обрат­ной связи- катушка , индуктивно связанная с колебательным контуром.

При включении источника питания в коллектор­ной цепи транзистора возникает ток коллектора, который заряжает конденсатор колебательного контура. После заряда конденсатор разряжается на катушку . В результате в контуре возникают свободные колебания с частотой которые индуцируют в катушке связи переменное напряжение той же частоты, с которой происходят колебания в контуре.

18. Вопрос: Генераторы RC-типа

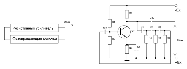
Ответ: Структур­ная схема -генератора изображена на рис.


Рис.а Рис.б

В этой схеме используется обычный резистивный усилитель. Для самовозбуждения усилителя его необ­ходимо охватить положительной обратной связью, т. е. на вход усилителя подавать часть выходного напряжения, превышающего входное или равное ему но величине и совпадающее с ним по фазе.

Для обеспечения необходимого фазового сдвига па частоте генерируемых колебаний применяют фазовращающие цепочки, которые имеют несколько RC-зв еньев и служат для поворота фазы выходного напря­жения усилителя на 180°. В связи с тем что одно RC -звено изменяет фазу на угол меньше 90°, минимальное число звеньев фазовращающей цепочки равно трем. Для того чтобы частота генерируемых колеба­ний зависела, главным образом, от параметров фазо­вращающей цепочки, а амплитуда колебаний остава­лась бы стабильной в заданном диапазоне частот, уси­литель должен обладать большим коэффициентом усиления по току, значительным входным сопротивлением и относительно малым выходным сопротивлением.

На рис. 6.5 изображена простейшая схема генератора RC -типа с трехзвенной фазовращающей цепочкой.

Работа автогенератора начинается с момента подачи на него напряжения . Делитель напряжений , обеспечивает открытие транзистора VT. При этом возникает импульс коллекторного тока, который содержит широкий спектр частот, обязательно включающий в себя и необходимую частоту генерации. Генерирование незатухающих колебаний требуемой частоты осуществляется за счет обеспечения фазовых и амплитудных условий самовозбуждения Обеспечение фазовых условий достигается с помощью подбора соотношений между резисторами конденсаторами. В результате получается фазовый сдвиг в 180° между напряжениями на коллекторе и базе. Для выполнения амплитудного условия коэффициент обратной связи должен быть равен ,где -коэффициент передачи тока транзистор включенного по схеме с O Э?.

19. Вопрос: Операционное устройство, технические характеристики ОУ. Инвертирующие и неинвертирующие ОУ.

Ответ: Операционным усилителем называется дифференциальный усилитель постоянного тока с большим коэффициентом усиления, предназначенный для выполнения различных операций над электрическими сигналами.. Обычно ОУ имеет 3-4 балансных каскада. В качестве выходного каскада в ОУ обычно используют бестрансформаторный услитель мощности.

Коэффицент усиления ОУ - достигает 106. Обычно ОУ изготавливают как интегральные микросхемы.

ОУ имеет два входа инвертирующий- И и инвертирующий - Н. (см. Рис1).

 

 
 

 


Электрическая схема приведена на рис., маркировка ОУ на рис.2 и в таблице 1.

Обозначение интегральных микросхем (ИМС) состоит из четырех элементов. Первый из них – цифра, означающая группу ИМС. Питание ОУ-ля обычно дву–полярное - / +. Она определяется конструктивно-технологическим исполнением и включает следующие цифры: 1,5,6,7- полупроводниковые ИМС; 2,4,8-гибридные; 3-прочие (пленочные,вакуумные, керамические). Второй элемент – две или три цифры (от01 до 99 или от001 до 999), указывает на порядковый номер разработки серии ИМС.

Первый и второй элементы образуют серию ИМС. Третий элемент- две буквы, соответствующие подгруппе и виду ИМС, определяющие основное функциональное назначение ИМС Четвертый элемент- число, обозначающее условный или порядковый в данной серии номер разработки. При необходимости разработчик ИМС имеет право после условного номера разработки дополнительно поместить букву (от А до Я), обозначающую отличие электрических параметров ИМС одного типа (например, 140УД1А, 140УД1Б). В начале обозначения ИМС, используемых в устройствах имеющих широкое применение, добавляется буква «К»(например, К140УД1А)

Основными характеристиками ОУ являются передаточные характеристики: амплитудная, частотная, фазовая. Амплитудная характеристика на микросхеме К140УД8 по неинвертирующему входу приведена на рис.3. Напряжение смещения Ucм = ±(1÷5)мв.

 
 

 

 


Обычно ОУ балансируют (т.е добиваются «0» на выходе ОУ при замкнутом входе) с помощью внешнего балансного потенциометра.

Параметры, характеризующие ОУ подразделяются на статические и динамические.

К статическим параметрам ОУ относятся:

1.Коэф-т. усиления по напряжению К. К = 104÷10

2. Входное сопротивление R вх , Ом Rвх = 104÷106

3. Выходное сопротивление R вых,Ом Rвых = 101÷102

4.Входное напряжение смещения U cм,мВ U= ±(1÷5)

Основные динамические параметры:

1. Частота единичного усиления f, Гц (при Кu=1) f c = 104 ÷106

2.Время установления выходного напряжения t уст,мкс t уст = 0,05÷2

В зависимости от того куда подается входной сигнал различают инвертирующие и неинвертирующие ОУ.

Для построения различных усилителей и улучшения стабильности работы ОУ применяется отрицательная обратная связь (О.О.С). Например, в неинвертирующем ОУ (рис.4) входное напряжение подается на неинвертирующий вход, а с выхода через делитель R1R2 часть выходного напряжения подается на инвертирующий вход. Обычно R2 значительно больше чем Rвых и R1, но меньше Rвх. Для идеального усилителя Rвх =00, Rвых=0, Кu=00. Коэффициент усиления неинвертирующего усилителя можно найти так:

Uвх =UвыхR1/(R1+R2) или К= Uвх / Uвых=1+R1/R2

Для инверитрующего усилителя (рис.) входное напряжение и напряжение обратной связи подаются на инвертирующий вход, неинвертирующий обычно заземлен.

 
 

 


Для идеально ОУ когда можно пренебречь входным током

(Rвх=00) входной ток усилителя i1 приблизительно равен току обратной связи i2, или с учетом направлений:

i1 = - i2.

Поскольку для идеального ОУ потенциалы входа и выхода одинаковы, то можно записать:

Uвх =R1*i1, Uвых =i2*R2.

Учитывая равенство токов i1, i2 и их знаки имеем: Uвх/R1= - Uвых/R2 или:

К = Uвых/ Uвх = - R1/R 2

Знак минус показывает, что фаза выходного сигнала противоположна фазе входного сигнала.

Таким образом, коэффициент усиления К обеих типов ОУ зависит только от отношения сопротивлений R1/R2 и не зависит от коэффициента усиления самого ОУ. Поэтому коэффициент К ОУ очень стабилен.

На основе ОУ можно создавать устройства, выполняющие различные математические действия: масштабные множители, сумматоры, диффиренцирующие и интегрирующие устройства, устройства нелинейных преобразований.

20. Вопрос: Решающие устройства на ОУ. Сумматор,

 

Ответ: на рис. представлен сумматор:

 

Несколько сигналов подаются через резисторы на инвертирующий вход ОУ. Обратная связь через R2 также подается на инвертирующий вход. Так как Iвх=0, то по первому закону Кирхгофа имеем:

i11+i12+i13= - i2

Учитывая что: i11 = Uвх1/R11, i12 = Uвх2/R12, i13 = Uвх3/R13

получим:

Uвых = -R2/R1(Uвх1+ Uвх2+ Uвх3) где: R1= R11= R12 =R13.

Следовательно данная схема производит суммирование.

 

21 Вопрос: Диффиренцирующие устройство на ОУ

Ответ: На рис. представлена схема диффиренцирующего усилителя. Для идеального ОУ

i1 = С *dUвх/dt, а i2 = Uвых/R, поэтому учитывая, что i1= - i2 имеем:

Uвых = R С *dUвх/dt т.есхема производит операцию дифференцирования над входным сигналом.

22 Вопрос: Интегрирующее устройство на ОУ




Поделиться с друзьями:


Дата добавления: 2015-04-24; Просмотров: 2666; Нарушение авторских прав?; Мы поможем в написании вашей работы!


Нам важно ваше мнение! Был ли полезен опубликованный материал? Да | Нет



studopedia.su - Студопедия (2013 - 2026) год. Все материалы представленные на сайте исключительно с целью ознакомления читателями и не преследуют коммерческих целей или нарушение авторских прав! Последнее добавление




Генерация страницы за: 0.012 сек.