Студопедия

КАТЕГОРИИ:


Архитектура-(3434)Астрономия-(809)Биология-(7483)Биотехнологии-(1457)Военное дело-(14632)Высокие технологии-(1363)География-(913)Геология-(1438)Государство-(451)Демография-(1065)Дом-(47672)Журналистика и СМИ-(912)Изобретательство-(14524)Иностранные языки-(4268)Информатика-(17799)Искусство-(1338)История-(13644)Компьютеры-(11121)Косметика-(55)Кулинария-(373)Культура-(8427)Лингвистика-(374)Литература-(1642)Маркетинг-(23702)Математика-(16968)Машиностроение-(1700)Медицина-(12668)Менеджмент-(24684)Механика-(15423)Науковедение-(506)Образование-(11852)Охрана труда-(3308)Педагогика-(5571)Полиграфия-(1312)Политика-(7869)Право-(5454)Приборостроение-(1369)Программирование-(2801)Производство-(97182)Промышленность-(8706)Психология-(18388)Религия-(3217)Связь-(10668)Сельское хозяйство-(299)Социология-(6455)Спорт-(42831)Строительство-(4793)Торговля-(5050)Транспорт-(2929)Туризм-(1568)Физика-(3942)Философия-(17015)Финансы-(26596)Химия-(22929)Экология-(12095)Экономика-(9961)Электроника-(8441)Электротехника-(4623)Энергетика-(12629)Юриспруденция-(1492)Ядерная техника-(1748)

Электрические схемы механизмов передвижения мостовых кранов




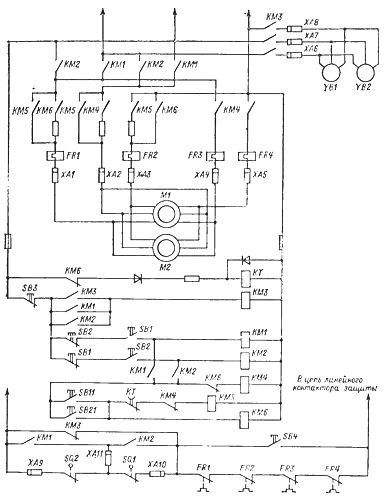
На рис. 1 представлена схема электропривода передвижения при управлении короткозамкнутым односкоростным двигателем.

Рис. 1. Схема электропривода (с односкоростным короткозамкнутым двигателем) механизма передвижения крана при управлении с пола: M1, М2— электродвигатели, YB1, YB2 — электромагниты тормозов или электрогидравлическне толкатели, КМ1, КМ2 — контакторы направления движения, КМ4, КМ5 — контакторы резисторов в цепи статоров, КМЗ — контактор тормозов, КТ — реле контроля времени пуска, FR1, FR2— тепловые реле, SQ1, SQ2 — конечные выключатели, SB1, SB2 — кнопки направления движения (двухходовые), SB11, SB21 — кнопки пуска, SB3 — кнопка прекращения свободного выбега, SB4 — кнопка шунтирования тепловой защиты, ХА1—ХА9 — контакты токопереходных троллеев

Эта схема предназначается для приводов тележек кранов грузоподъемностью 3—20 т и приводов мостов кранов грузоподъемностью 2—5 т. Обмотки статора короткозамкнутого двигателя получают питание от сети через две ступени резисторов. Механические характеристики электропривода приведены на рис. 2, а.

Управление электроприводом — от подвесных кнопочных постов. В управлении участвуют две основные двухходовые кнопки SB1 и SB2 дающие команду на движение в двух направлениях. Переход на положение без регулирующих резисторов осуществляется при подаче команд кнопками SB11, SB21.

При включении двигателя через контакты контакторов КМ1, КМ2 подается питание на привод тормоза YB через контакты КМЗ. После отключения электродвигателя привод тормоза продолжает получать питание и механизм имеет свободный выбег. Для отключения тормоза используется кнопка SB3, общая для механизма тележки и моста. При срабатывании конечных выключателей SQ1 и SQ2 происходит отключение линейного контактора защиты и накладывается механический тормоз.

Для обеспечения электрического торможения противовключением после свободного выбега используется реле времени КТ с выдержкой времени 2—3 с, задерживающее привод на положении с минимальным пусковым (тормозным) моментом.

На рис. 3 представлена схема электропривода передвижения мостового крана (тележки) с использованием двухскоростных короткозамкнутых электродвигателей. Электродвигатель имеет две отдельные обмотки с соотношением числа полюсов

Кнопкой SB1 или SB2 включаются контакторы направления KM1, КМ2, а также контактор малой скорости КМ4. После подачи питания к тихоходной обмотке двигателя через контактор КМЗ получает питание привод тормоза YB1, YB2. Для перехода на большую скорость двухходовыми кнопками SB замыкаются контакты SB11, SB21 (второе положение) и включается контактор КМ6.

Обмотка большой скорости подключается к сети через резистор одновременно с тихоходной обмоткой. Затем тихоходная обмотка отключается. По истечении выдержки времени реле КТ (2—5 с) включается контактор КМ5 и двигатель выходит на свою естественную характеристику быстроходного режима (рис. 2,б).

Рис. 2. Механические характеристики к схемам рис. 1, 3

При отключении двигателя от сети привод тормоза продолжает получать питание и имеет место свободный выбег. Электрическое торможение может быть осуществлено при переходе с большой скорости на малую. Для отключения тормоза достаточно нажать кнопку SB3.

При срабатывании конечной защиты за счет размыкания линейного контактора защитной панели происходит отключение электродвигателя и наложение механического тормоза. Механизм тормозится с максимальной интенсивностью.

Благодаря применению резисторов в цепи быстроходной обмотки осуществляется сравнительно плавный пуск под контролем реле времени КТ, однако тормозной момент тихоходной обмотки не ограничивается, и в этом случае плавность торможения может быть достигнута несколькими импульсными включениями кнопки SB1 или SB2.

Рис. 3. Схема электропривода (с двухскоростным короткозамкнутым двигателем) механизма передвижения крана при управлении с пола: M1. М2 — электродвигатели, YB1, YВ2 — приводы тормозов, KM1, KM 12 — контакторы направления движения, КМЗ — контактор тормозов, КМ4 — контактор малой скорости, КМ5 — контактор большой скорости, КМ6 — контактор резисторов в цепи статора, FRI, FR2, FR3 — тепловые реле, КТ — реле времени контроля пуска, SQ1, SQ2 - конечные выключатели, SB1, SB2 — кнопки направления движения (двухходовые): SB11, SB21 — кнопки большой скорости (второе положение кнопок SB1, SB2), SВЗ — кнопка прекращения свободного выбега, SB4 — кнопка шунтировании тепловой защиты, ХА1-~ХЛ11 — контакты токопереходных троллеев.

На рис. 4 представлена схема механизма передвижения мостового крана с использованием двухскоростного двигателя без свободного выбега. Схема отличается от рассмотренной последовательным включением тихоходной и быстроходной обмоток и некоторым ограничением тормозного момента при последовательном включении обмоток. Схема рекомендуется для мостовых кранов, эксплуатирующихся на открытом воздухе.




Поделиться с друзьями:


Дата добавления: 2015-05-08; Просмотров: 2246; Нарушение авторских прав?; Мы поможем в написании вашей работы!


Нам важно ваше мнение! Был ли полезен опубликованный материал? Да | Нет



studopedia.su - Студопедия (2013 - 2025) год. Все материалы представленные на сайте исключительно с целью ознакомления читателями и не преследуют коммерческих целей или нарушение авторских прав! Последнее добавление




Генерация страницы за: 0.013 сек.