Студопедия

КАТЕГОРИИ:


Архитектура-(3434)Астрономия-(809)Биология-(7483)Биотехнологии-(1457)Военное дело-(14632)Высокие технологии-(1363)География-(913)Геология-(1438)Государство-(451)Демография-(1065)Дом-(47672)Журналистика и СМИ-(912)Изобретательство-(14524)Иностранные языки-(4268)Информатика-(17799)Искусство-(1338)История-(13644)Компьютеры-(11121)Косметика-(55)Кулинария-(373)Культура-(8427)Лингвистика-(374)Литература-(1642)Маркетинг-(23702)Математика-(16968)Машиностроение-(1700)Медицина-(12668)Менеджмент-(24684)Механика-(15423)Науковедение-(506)Образование-(11852)Охрана труда-(3308)Педагогика-(5571)Полиграфия-(1312)Политика-(7869)Право-(5454)Приборостроение-(1369)Программирование-(2801)Производство-(97182)Промышленность-(8706)Психология-(18388)Религия-(3217)Связь-(10668)Сельское хозяйство-(299)Социология-(6455)Спорт-(42831)Строительство-(4793)Торговля-(5050)Транспорт-(2929)Туризм-(1568)Физика-(3942)Философия-(17015)Финансы-(26596)Химия-(22929)Экология-(12095)Экономика-(9961)Электроника-(8441)Электротехника-(4623)Энергетика-(12629)Юриспруденция-(1492)Ядерная техника-(1748)

Расчет минимального режима работы сети




 

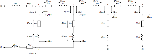
Составим схему замещения сети для заданного режима работы.

 

Рисунок 13.3- схема замещения сети с замкнутым контуром для минимального режима работы

Определим расчетные нагрузки:

 

 

На основании проведенных расчетов заполним таблицу 13.2

 

Таблица 13.2 – Потери мощности в трансформаторах в нормальном режиме

Номер п/ст │Sпст, МВА Кол-во тр-ров S номтр, МВА ∆Pкз, МВт Uкз, % ∆Sмтр, МВА ∆Pхх, МВт Iхх, % ∆Sст тр, МВА ∆S тр, МВА
  15,79     0,12 10,5 0,048+j1,05 0,027 0,7 0,027+j0,17 0,075+j1,22
  14,44     0,12 10,5 0,04+j0,876 0,027 0,7 0,027+j0,17 0,067+j1,04
  16,87     0,12 10,5 0,055+j1,195 0,027 0,7 0,027+j0,17 0,082+j1,36
  16,39     0,12 10,5 0,052+j1,128 0,027 0,7 0,027+j0,17 0,079+j1,30

 

После определения расчетных нагрузок схема замещения сети примет вид, представленный на рисунке 13.4 Расставляются направления потоков мощности в начале и в конце участков сети.

 

Рисунок 13.4 упрощенная схема замещения сети с замкнутым контуром для минимального режима работы

 

Определяем мощность в начале и в конце участков сети с замкнутым контуром для минимального режима.

Определяем мощность в начале и конце участков сети на радиальном участке 043.

Для головных участков сети с замкнутым контуром:

Произведем проверку вычислений, разница между правой и левой частями выражений должна быть не более 10%:

Поток мощности для промежуточного участка сети определим по первому закону Кирхгофа:

Определяем мощность в начале и конце участков сети:

Определяем напряжение в узлах сети:

Расчет напряжений в узлах сети начинаем с того узла, в котором известна величина напряжения, это напряжение источника питания.

; ;

 




Поделиться с друзьями:


Дата добавления: 2015-05-08; Просмотров: 429; Нарушение авторских прав?; Мы поможем в написании вашей работы!


Нам важно ваше мнение! Был ли полезен опубликованный материал? Да | Нет



studopedia.su - Студопедия (2013 - 2025) год. Все материалы представленные на сайте исключительно с целью ознакомления читателями и не преследуют коммерческих целей или нарушение авторских прав! Последнее добавление




Генерация страницы за: 0.009 сек.