Студопедия

КАТЕГОРИИ:


Архитектура-(3434)Астрономия-(809)Биология-(7483)Биотехнологии-(1457)Военное дело-(14632)Высокие технологии-(1363)География-(913)Геология-(1438)Государство-(451)Демография-(1065)Дом-(47672)Журналистика и СМИ-(912)Изобретательство-(14524)Иностранные языки-(4268)Информатика-(17799)Искусство-(1338)История-(13644)Компьютеры-(11121)Косметика-(55)Кулинария-(373)Культура-(8427)Лингвистика-(374)Литература-(1642)Маркетинг-(23702)Математика-(16968)Машиностроение-(1700)Медицина-(12668)Менеджмент-(24684)Механика-(15423)Науковедение-(506)Образование-(11852)Охрана труда-(3308)Педагогика-(5571)Полиграфия-(1312)Политика-(7869)Право-(5454)Приборостроение-(1369)Программирование-(2801)Производство-(97182)Промышленность-(8706)Психология-(18388)Религия-(3217)Связь-(10668)Сельское хозяйство-(299)Социология-(6455)Спорт-(42831)Строительство-(4793)Торговля-(5050)Транспорт-(2929)Туризм-(1568)Физика-(3942)Философия-(17015)Финансы-(26596)Химия-(22929)Экология-(12095)Экономика-(9961)Электроника-(8441)Электротехника-(4623)Энергетика-(12629)Юриспруденция-(1492)Ядерная техника-(1748)

Одноразрядный сумматор




Сумматоры.

Введение.

Моделирование работы комбинационных схем.

Лабораторная работа № 1.

Уфа 2011

По дисциплине

Лабораторный практикум

Вопросы.

 

1. Что Вы понимаете под проектом?

2. Что Вы понимаете под приложением?

3. Какие основные вкладки имеет конструктор проектов?

3. Как в проекте определяется главный модуль и что это такое?

4. Какие виды приложений Вы знаете?

5. Каким образом осуществляется модификация проекта?

 

 

«Электроника»

230105 – «Программное обеспечение вычислительной техники и автоматизированных систем»

 

 

Составитель:

___________ Иванова Л.Ш. ________2011 г

подпись ФИО дата

 

 

Рассмотрено на заседании кафедры

Вычислительной математики и кибернетики

«___»______________2011 г. (протокол №___)

Зав. кафедрой

_________ д.т.н., профессор Юсупова Н.И.

 

 

.

Рассмотрено на заседании научно-методического Совета подготовки дипломированного специалиста по специальности 230105 – «Программное обеспечение вычислительной техники и автоматизированных систем»

«_____»_________2011 г. (протокол № _____)

 

Председатель научно-методического Совета

____________ д.т.н., профессор Г..Г. Куликов.

 

 

В теории цифровых устройств комбинационной логикой (комбинационной схемой) называют логику функционирования устройств комбинационного типа. У комбинационных устройств состояние выхода однозначно определяется набором входных сигналов. Это отличает комбинационную логику от секвенциальной логики, в рамках которой выходное значение зависит не только от текущего входного воздействия, но и от предыстории функционирования цифрового устройства. Другими словами, секвенциальная логика предполагает наличие памяти, которая в комбинационной логике не предусмотрена.

Целью лабораторной работы является изучение принципов работы комбинационных схем: сумматоров, дешифраторов, мультиплексоров.

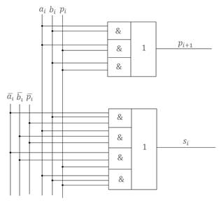
Сумматор – узел, выполняющий арифметическое суммирование кодов чисел, обычно представляющий собой комбинацию одноразрядных сумматорных схем.

При сложении 2-х чисел в каждом разряде складываются 3 цифры: цифра данного разряда 1-го числа, цифра данного разряда 2-го числа, сигнал переноса из младшего разряда.

В результате сложения для каждого разряда получается цифра разряда и сигнал переноса в старший разряд.

Таблица истинности работы одноразрядного сумматора имеет вид

 

Сигнал переноса из младшего разряда pi Первое слагаемое ai Второе слагаемое bi Сумма si Сигнал переноса в старший разряд pi+1
         
         
         
         
         
         
         
         

 

Пользуясь таблицей истинности составляем совершенную дизъюнктивную нормальную форму. После преобразований получим

Функциональная схема одноразрядного сумматора.

 

Условное графическое обозначение одноразрядного сумматора.

 

 




Поделиться с друзьями:


Дата добавления: 2015-05-09; Просмотров: 561; Нарушение авторских прав?; Мы поможем в написании вашей работы!


Нам важно ваше мнение! Был ли полезен опубликованный материал? Да | Нет



studopedia.su - Студопедия (2013 - 2026) год. Все материалы представленные на сайте исключительно с целью ознакомления читателями и не преследуют коммерческих целей или нарушение авторских прав! Последнее добавление




Генерация страницы за: 4.167 сек.