Студопедия

КАТЕГОРИИ:


Архитектура-(3434)Астрономия-(809)Биология-(7483)Биотехнологии-(1457)Военное дело-(14632)Высокие технологии-(1363)География-(913)Геология-(1438)Государство-(451)Демография-(1065)Дом-(47672)Журналистика и СМИ-(912)Изобретательство-(14524)Иностранные языки-(4268)Информатика-(17799)Искусство-(1338)История-(13644)Компьютеры-(11121)Косметика-(55)Кулинария-(373)Культура-(8427)Лингвистика-(374)Литература-(1642)Маркетинг-(23702)Математика-(16968)Машиностроение-(1700)Медицина-(12668)Менеджмент-(24684)Механика-(15423)Науковедение-(506)Образование-(11852)Охрана труда-(3308)Педагогика-(5571)Полиграфия-(1312)Политика-(7869)Право-(5454)Приборостроение-(1369)Программирование-(2801)Производство-(97182)Промышленность-(8706)Психология-(18388)Религия-(3217)Связь-(10668)Сельское хозяйство-(299)Социология-(6455)Спорт-(42831)Строительство-(4793)Торговля-(5050)Транспорт-(2929)Туризм-(1568)Физика-(3942)Философия-(17015)Финансы-(26596)Химия-(22929)Экология-(12095)Экономика-(9961)Электроника-(8441)Электротехника-(4623)Энергетика-(12629)Юриспруденция-(1492)Ядерная техника-(1748)

Электрические конденсаторы 1 страница




2.1. Общие сведения о конденсаторах

 

Конденсатор - это устройство, предназначенное для получения необходимых величин электрической емкости и способное накапливать и отдавать (перераспределять) электрические заряды.

Конденсатор состоит из двух (в ряде конструкций - более) проводников (обкладок), разделенных диэлектриком. Как правило, расстояние между обкладками, равное толщине диэлектрика, мало по сравнению с линейными размерами обкладок. Поэтому электрическое поле, возникающее при подключении обкладок к источнику внешнего напряжения U, практически полностью сосредоточено между обкладками.

Конденсаторы относят к числу наиболее широко применяемых радиоэлементов; на долю конденсаторов приходится порядка 25% компонентов радиоэлектронных устройств.

Как следует из определения, важнейшей характеристикой конденсатора является его емкость С, численно равная заряду q одной из обкладок при разности потенциалов между ними U, равной единице:

и измеряемая в СИ в Фарадах. На практике используются более мелкие единицы емкости: микрофарада (мкФ), нанофарада (нФ) и пикофарада (пФ): 1 мкФ= =10-6 Ф, 1 нФ = 10-9 Ф, 1 пФ = 10-12 Ф.

Емкость конденсатора зависит от диэлектрической проницаемости рабочего диэлектрика e, конструкции конденсатора и его геометрических размеров. Емкость плоского конденсатора, представляющего собой две проводящие плоские параллельные пластины, разделенные диэлектриком, равна:

где S - площадь обкладки, d - толщина диэлектрика, eo - электрическая постоянная, равная 8,85 ×10-12 Ф/м.

Емкость, значение которой указано на конденсаторе, называют номинальной емкостью. Номинальные значения емкостей стандартизированы и выбираются из определенных рядов чисел.

Фактические значения емкостей конденсаторов могут отличаться от номинальных в пределах допустимых отклонений (допусков на величину емкости), которые приводятся в нормативно-технической документации в процентах. Здесь речь идет о конденсаторах постоянной емкости.

Наряду с конденсаторами постоянной емкости существуют конденсаторы переменной емкости – их емкость существенно меняется в процессе функционирования РЭА, а также существуют подстроечные конденсаторы, служащие для разовой или периодической регулировки.

Наряду с номинальной емкостью на конденсаторе указывается значение напряжения, при котором он может работать в заданных условиях в течение гарантированного срока службы с сохранением параметров в допустимых пределах. Это значение напряжения называется номинальным напряжением.

Величина номинального напряжения зависит от физических свойств материалов, используемых в конструкции конденсатора, и самой конструкции. Оно устанавливается с необходимым запасом по отношению к пробивному напряжению диэлектрика, что исключает деградацию свойств диэлектрика в течение гарантированного срока службы.

К числу других основных характеристик конденсатора, приводимых в нормативно-технической документации, относятся следующие.

Тангенс угла потерь tgd, характеризующий рассеяние электрической энергии в конденсаторе, связанное с переходом этой энергии в тепловую (нагревом конденсатора) и рассеянием в окружающей среде.

В переменном поле Е = Е0 ехр(i ω t) через диэлектрик течет ток, плотность которого представляет собой сумму плотности сквозного тока jскв и плотности тока смещения jсм: j = jскв + jсм ,

где jскв= σ Е (здесь σ - удельная проводимость),

jсм = (здесь - электрическое смещение, )

В переменных электрических полях, в силу релаксационной (отстающей от поля) поляризации диэлектрика, диэлектрическая проницаемость ε представляет собой комплексную функцию частоты:

ε = ε *(ω) = ε׳ (ω) – i ε״ (ω),

где ε׳ - диэлектрическая проницаемость,

ε״ - фактор потерь (потери).

Физический смысл комплексной диэлектрической проницаемости состоит в том, что вектор имеет две составляющие , совпадающую

по фазе с , и , которая отстает по фазе от на угол π /2 (соs(-π /2) + i sin (-π /2) = -i).

Тогда плотность тока смещения:

jсм = =

и плотность полного тока: j = jскв + jсм = .

Таким образом, полный ток, протекающий через конденсатор, имеет две составляющие: активную jа = , совпадающую по фазе с Е и реактивную: jr = , опережающую Е на π/2.

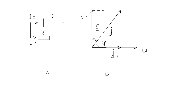
В случае, если переменное напряжение приложено к конденсатору с диэлектриком без потерь () (рис.2.1 а, б), то

.

Емкостное сопротивление

а) б)

Рис.2.1. Эквивалентная схема замещения идеального (без потерь) конденсатора (а) и соответствующая ей векторная диаграмма (б)

 

Конденсатор с диэлектриком с потерями можно представить следующей эквивалентной схемой (рис.2.2, а): идеальным (без потерь) конденсатором, шунтированным активным сопротивлением. Заметим, что возможна и последовательная схема замещения. Важно лишь, чтобы активная мощность, расходуемая в схеме, была равна мощности, рассеиваемой в диэлектрике.

Построим векторную диаграмму для конденсатора с диэлектрическими потерями (рис.2.2 б).

 

Рис.2.2. Эквивалентная схема замещения конденсатора (а) и соответствующая ей векторная диаграмма (б)

 

По определению, угол потерь d - угол, дополняющий до 90о угол сдвига

фаз между током j и напряжением U.

Таким образом, тангенс угла диэлектрических потерь .

В случае, если , то .

Отсюда видно, что активная мощность, соответствующая рассеянной энергии, то есть нагреву конденсатора , а величина tg d действительно характеризует рассеяние электрической энергии.

Как следует из сказанного, величина тангенса угла диэлектрических потерь определяется:

- сквозной проводимостью диэлектрика (σ)

- релаксационной поляризацией диэлектрика (ε״).

На величину тангенса угла потерь конденсатора на достаточно высоких частотах оказывает влияние сопротивление обкладок конденсатора.

Величину, обратную tgδ, называют добротностью конденсатора

Сопротивление изоляции конденсатора Rиз - сопротивление конденсатора постоянному току определенного напряжения. Для идеального диэлектрика Rиз→ ∞; у реальных диэлектриков Rиз конечно и определяется, главным образом, электроизоляционными свойствами рабочего диэлектрика (его удельным сопротивлением).

Произведение величины Rиз в МОм на емкость конденсатора в мкФ – это измеряемая в секундах постоянная времени , характеризующая быстроту установления (спада) тока при приложении к конденсатору напряжения (выключении напряжения).

Для ряда конденсаторов сопротивление постоянному току характеризуют другим, сопряженным с Rиз параметром - током утечки Iут, то есть током, проходящим через конденсатор при постоянном напряжении на его обкладках.

Полное сопротивление конденсатора (импеданс) Z - сопротивление конденсатора переменному синусоидальному току определенной частоты, обусловленное наличием у реального конденсатора наряду с реактивным (емкостным) сопротивлением также активного и индуктивного сопротивлений.

Индуктивность складывается из индуктивности самого рабочего элемента конденсатора, а также индуктивности внешних и внутренних соединительных проводников. Она оказывается важной при работе конденсатора на высоких частотах (ХL= ω L).

Представляя реальный конденсатор в виде последовательной эквивалентной схемы, учитывающей наличие всех трех сопротивлений, строим векторную диаграмму (рис.2.3).

Величина импеданса конденсатора Z:

.

 

 

R L C

 

 

 

Рис.2.3. Последовательная схема замещения конденсатора и векторная диаграмма

 

Частота, на которой ХL = ХС и Z = Zmin= R, называется резонансной частотой конденсатора fрез. Видно, что .

На частотах ниже fрез конденсатор ведет себя как емкостный элемент (с повышением f величина Z уменьшается), а на частотах выше fрез - как индуктивность (с повышением f величина Z возрастает). Как правило, конденсаторы используются в области частот ниже резонансной, где их индуктивность можно не учитывать.

Энергия W, запасаемая конденсатором при приложении постоянного напряжения:

Этот параметр используется для характеристики энергонакопительных конденсаторов.

Вопрос о применении конденсатора решается, исходя не только из его электрических параметров, но и массо-габаритных показателей. В этой связи для сравнения конденсаторов используют удельные характеристики, представляющие собой отношение основных параметров конденсатора к его объему V (или массе m).

Основными удельными параметрами низкочастотных конденсаторов являются удельная емкость: ;

и удельный заряд:

а высокочастотных высоковольтных конденсаторов - удельная реактивная мощность: tg δ

Для характеристики энергоемких накопительных конденсаторов используется удельная энергия:

где E - напряженность электрического поля в диэлектрике.

Требования к конденсаторным диэлектрическим материалам вытекают из условий их эксплуатации. Приведем несколько характерных примеров использования конденсаторов в электрических схемах.

1. Защита от постоянного тока (рис.2.4)

Назначение конденсатора здесь состоит в том, чтобы препятствовать прохождению постоянного тока в цепь В (идеальный конденсатор с Rиз → ¥ представляет собой разрыв цепи постоянного тока) и в то же время обеспечить беспрепятственное прохождение переменной составляющей сигнала, то есть конденсатор осуществляет в этом случае защитную (демпферную) функцию.

  сигнал Цепь А Цепь В   С

 

 

Рис.2.4. Включение конденсатора, предназначенного для защиты от постоянного тока

2. Фильтрация переменной составляющей напряжения (рис.2.5)

При включении конденсатора, показанном на рис.2.5, он служит фильтром переменной составляющей напряжения и, кроме того, позволяет сгладить изменения постоянного напряжения: любое резкое изменение напряжения не проходит из цепи А в цепь В. Учитывая, что реактивное емкостное сопротивление Xc=1/ωС, для выполнения указанных функций конденсатор должен обладать большой емкостью и / или способностью работать на высоких частотах.

Это означает необходимость использования диэлектрика с высокой ε и малыми потерями (малым tg δ).

Кроме того, очевидно, что конденсатор должен "выдерживать" приложенное к нему напряжение, то есть обладать достаточно высоким номинальным напряжением, что означает необходимость использования диэлектрика с высокой электрической прочностью.

    Цепь А Цепь В
       
   


С

 

 

 

Рис.2.5. Включение конденсатора, предназначенного для фильтрации переменной составляющей напряжения

3. Обеспечение резервного питания.

На рис.2.6 представлена схема включения энергонакопительного конденсатора. Разомкнутое положение переключателя К соответствует режиму зарядки конденсатора, а замкнутое - режиму разрядки конденсатора на нагрузку. В случае индуктивной нагрузки и соответственно образования колебательного контура в разрядной цепи будет протекать периодически (рис.2.7), либо апериодически меняющийся со временем ток в зависимости от соотношения C, L и R.

Ясно, что для такого применения конденсаторов важнейшим параметром является удельная энергия конденсатора Wуд и, соответственно, высокие диэлектрическая проницаемость и электрическая прочность рабочего материала.

 

 

К

 

Рис. 2.6. Схема включения энергонакопительного конденсатора

 

 

Рис.2.7. Зависимости напряжения () на конденсаторе и тока

(), протекающего через конденсатор в процессе разряда в случае индуктивно-активной нагрузки

 

Кроме того, поскольку конденсатор включен здесь в колебательный контур, то требуется высокая добротность, то есть малый tg δ, и высокая стабильность емкости в рабочем диапазоне частот и температур.

На все это накладывается стремление к миниатюризации элементной базы радиоэлектронной аппаратуры, что применительно к конденсаторам означает необходимость в первую очередь достижения заданной не только номинальной, но и удельной емкости (заряда). Этому в значительной степени способствует использование тонких слоев диэлектрика.

Исходя из сказанного, можно сформулировать требования к конденсаторным диэлектрикам. Основными из них являются следующие:

1. Большая величина диэлектрической проницаемости e;

2. Малая величина тангенса угла диэлектрических потерь tg d;

3. Высокое сопротивление изоляции (малая величина тока утечки);

4. Высокая электрическая прочность - кратковременная,

определяемая Епр = Uпр/d (Uпр - напряжение пробоя) и долговременная, определяемая с учетом снижения Епр диэлектрика вследствие деградационных процессов в течение гарантированного срока службы.

5. Высокая стабильность свойств диэлектриков в рабочем диапазоне температур и частот конденсатора.

6. Высокая временная стабильность функциональных свойств диэлектрика.

7. Возможность получения диэлектрического материала в тонких слоях на больших площадях поверхности.

Необходимый диапазон емкостей конденсаторов столь широк, а требования, предъявляемые к конденсаторам столь разнообразны, что обойтись каким-либо одним материалом или классом материалов не удается.

В зависимости от материала рабочего диэлектрика все конденсаторы постоянной емкости делятся на три класса.

· конденсаторы с неорганическим диэлектриком

· конденсаторы с оксидным диэлектриком (последний также является неорганическим, но конденсаторы на его основе обладают специфическими свойствами, что заставляет выделять их в отдельную группу)

· конденсаторы с органическим диэлектриком.

 

 

2.2. КОНДЕНСАТОРЫ С НЕОРГАНИЧЕСКИМ ДИЭЛЕКТРИКОМ

2.2.1.КЕРАМИЧЕСИЕ КОНДЕНСАТОРЫ

К конденсаторам с неорганическим диэлектриком относятся в первую очередь керамические конденсаторы, рабочим диэлектриком которых является керамика, получаемая посредством высокотемпературного обжига.

Керамические конденсаторы, рассчитанные на номинальное напряжение ниже 1600 В обозначаются К-10, а на более высокие напряжения (высоковольтные) – К-15.

Электроды (обкладки) керамических конденсаторов выполняются в виде тонкого слоя металла, вжигаемого в диэлектрик, или в виде тонкой металлической фольги. В качестве материала электродов конденсаторов используют тугоплавкие благородные металлы - палладий, платину и их сплавы друг с другом и с серебром. Необходимость применения дорогостоящих металлов вызвана тем, что в процессе высокотемпературного обжига керамики с уже нанесенными электродами или одновременного с обжигом керамики вжигания электродов, производимого в воздушной среде. Электроды из неблагородного металла в этих условиях неизбежно окисляются и теряют высокую проводимость.

По назначению керамические конденсаторы подразделяются на три типа.

Конденсаторы 1-го типа - конденсаторы, предназначенные для использования в резонансных контурах и других цепях радио­электронной аппаратуры, где принципиальное значение имеют малые потери и высокая стабильность емкости. Конденсаторы этого типа часто называют высокочастотными конденсаторами, хотя они могут применяться как при высоких, так и при низких частотах.

Классификационным признаком конденсаторов этого типа является температурный коэффициент емкости:

где C - емкость конденсатора, Т - температура.

Необходимость в компенсации температурных зависимостей параметров компонентов контуров (цепей) требует наличия боль­шого числа групп конденсаторов 1-го типа по ТКЕ.

В отечественной документации значение ТКЕ кодируется бук­вами П (плюс) или М (минус) в соответствии со знаком ТКЕ и цифрой, обозначающей номинальное значение ТКЕ, выраженное в миллионных долях обратных градусов. Последнее выбирается из предпочтительных чисел типа Е, а допускаемое отклонение от но­минального значения устанавливается в связи с классом точности конденсатора. Выпускаются конденсаторы с ТКЕ по группам М2200, М1500, М750, М470, М330, М220, М150, М75, М47, М33, МП0 (номинальное значение ТКЕ = 0), П33, П100. Наиболее широкое применение находят конденсаторы групп М1500, М750, М47, МП0, П33.

Исходя из известного выражения для емкости конденсатора, нетрудно показать, что ТКЕ = ТКe + al,

где ТКe = (1/e).(De/DT) - температурный коэффициент диэлектрической проницаемости;

al - температурный коэффициент линейного расширения.

Поскольку величина al у керамических диэлектриков не превышает 10 10-6 К-1, можно считать (за исключением группы МП0), что ТКЕ ~ ТК e и аналогичным конденсаторам 1-го типа образом классифицировать высокочастотные керамические материалы. Использование в качестве классификационного признака конденсаторных материалов определенного указанным образом ТКЕ обусловлено близостью температурной зависимости их диэлектрической проницаемости к линейной.

Общие требования, предъявляемые к высокочастотной керамике, включают необходимое значение диэлектрической проницаемости, низкие диэлектрические потери (на частоте 1 МГц тангенс угла диэлектрических потерь tg d £ 6×10-4), высокое сопротивление изоляции (удельное объемное сопротивление керамики rv > 1011 Ом см).

В качестве основного компонента керамических диэлектриков здесь используют соединения с упругой поляризацией – электронной и ионной. В их ряду обладающие сравнительно высокой диэлектрической проницаемостью (от 80 до 120) титаносодержащие соединения: ТiО2 (рутил), Са ТiО3, SrTiO3 (перовскит), барийлантаноидный тетратитанат ВаNdTi34O12.

Как правило, технические материалы – это бинарные или более сложные твердые растворы или механические смеси указанных соединений с различными значениями ε и ТКε. При условии, что ТКε входящих в состав керамики соединений имеют противопроложные знаки (для электронной упругой поляризации ТКε <0, для ионной упругой поляризации ТКε >0) удается достигнуть требуемой температурной стабильности емкости.

Конденсаторы 2-го типа - конденсаторы, предназначенные для использования в цепях фильтрации, блокировки или других цепях, где малые потери и высокая стабильность емкости не имеют существенного значения. Конденсаторы этого типа называют низкочастотными (хотя они могут применяться, в принципе, при любых частотах тока).

Для конденсаторов этого типа самым главным являются максимально возможные значения ε диэлектрика. Поэтому для изготовления конденсаторов 2-го типа применяют сегнетоэлектрики (сегнетокерамику) с высокими значениями диэлектрической проницаемости и немонотонной ее температурной зависимостью. Для этого класса диэлектриков характерны высокие потери (так как работает механизм спонтанной поляризации), так что данные материалы для конденсаторов 1-го типа непригодны.

Классификационным признаком для конденсаторов 2-го типа является температурная стабильность емкости

ТСЕ = (DC/C20°C)×100 %,

где DC - допустимое изменение емкости в рабочем диапазоне температур.

Значение ТСЕ кодируется буквой Н и соответствующим группе по ТСЕ числом. Выпускаются конденсаторы групп Н90, Н70, Н50, Н30, Н20.

На той же основе классифицируют в отечественной практике и сегнетокерамику для конденсаторов 2-го типа. Общие требования к сегнетокерамике состоят в необходимом значении диэлектрической проницаемости, tg d £ 3,5×10-2 и удельного сопротивления rv ³ 109 Ом см.

В последнее время осуществляется переход к принятой в промышленно развитых странах единой классификации керамических диэлектриков в зависимости от величины и температурной стабильности диэлектрической проницаемости. Используемая в мировой практике конденсаторная керамика относится к одному из следующих 4-х классов:

· NPO - материалы с диэлектрической проницаемостью до 75 и ТКe не выше 30×10-6 в температурном интервале от -55 до 125 0 C.

· X7R - материалы с диэлектрической проницаемостью в интервале от 1000 до 4000 и изменяющейся в температурном диапазоне от -55 до 1250C не более, чем на 15 %.

· Z5U - материалы с диэлектрической проницаемостью от 5000 до 8000, изменяющейся в температурном диапазоне от 10 до 85 0 C не более, чем на +22 ¸ -56 % от значения при 25 0 C.

· Y5V - материалы с диэлектрической проницаемостью от 10000 до 15000, изменяющейся в температурном диапазоне от -30 до 85 0 C не более, чем на +22 ¸ -56 % от значения при 25 0 C.




Поделиться с друзьями:


Дата добавления: 2015-05-09; Просмотров: 977; Нарушение авторских прав?; Мы поможем в написании вашей работы!


Нам важно ваше мнение! Был ли полезен опубликованный материал? Да | Нет



studopedia.su - Студопедия (2013 - 2025) год. Все материалы представленные на сайте исключительно с целью ознакомления читателями и не преследуют коммерческих целей или нарушение авторских прав! Последнее добавление




Генерация страницы за: 2.146 сек.