Студопедия

КАТЕГОРИИ:


Архитектура-(3434)Астрономия-(809)Биология-(7483)Биотехнологии-(1457)Военное дело-(14632)Высокие технологии-(1363)География-(913)Геология-(1438)Государство-(451)Демография-(1065)Дом-(47672)Журналистика и СМИ-(912)Изобретательство-(14524)Иностранные языки-(4268)Информатика-(17799)Искусство-(1338)История-(13644)Компьютеры-(11121)Косметика-(55)Кулинария-(373)Культура-(8427)Лингвистика-(374)Литература-(1642)Маркетинг-(23702)Математика-(16968)Машиностроение-(1700)Медицина-(12668)Менеджмент-(24684)Механика-(15423)Науковедение-(506)Образование-(11852)Охрана труда-(3308)Педагогика-(5571)Полиграфия-(1312)Политика-(7869)Право-(5454)Приборостроение-(1369)Программирование-(2801)Производство-(97182)Промышленность-(8706)Психология-(18388)Религия-(3217)Связь-(10668)Сельское хозяйство-(299)Социология-(6455)Спорт-(42831)Строительство-(4793)Торговля-(5050)Транспорт-(2929)Туризм-(1568)Физика-(3942)Философия-(17015)Финансы-(26596)Химия-(22929)Экология-(12095)Экономика-(9961)Электроника-(8441)Электротехника-(4623)Энергетика-(12629)Юриспруденция-(1492)Ядерная техника-(1748)

Логические элементы

РЕФЕРАТ

по дисциплине «Аппаратному обеспечению»

Тема: КОМБИНАЦИОННЫЕ СХЕМЫ И ЦИФРОВЫЕ АВТОМАТЫ

 

Выполнил студент

группы В-265

Чулембаева Баяна.

 

Проверил преподаватель

Граустин В.В.

 

Омск - 2011

Глава 1. КОМБИНАЦИОННЫЕ СХЕМЫ И ЦИФРОВЫЕ АВТОМАТЫ

 

Различают комбинационные схемы и цифровые автоматы. В комбинационных схемах состояние на выходе в данный момент времени однозначно определяется состояниями на входах в тот же момент времени. Комбинационными схемами, например, являются логические элементы И, ИЛИ, НЕ и их комбинации. В цифровом автомате состояние на выходе определяется не только состояниями на входах в данный момент времени, но и предыдущим состоянием системы. К цифровым автоматам относятся триггеры.

Логическими элементами называются элементы, выполняющие логические операции И, ИЛИ, НЕ и комбинации этих операций. Указанные логические операции можно реализовать с помощью контактно-релейных схем и с помощью электронных схем. В настоящее время в подавляющем большинстве применяется электронные логические элементы, причем электронные логические элементы входят в состав микросхем. Имея в распоряжении логические элементы И, ИЛИ, НЕ, можно сконструировать цифровое электронное устройство любой сложности. Электронная часть любого компьютера состоит из логических элементов.

Система простых логических функций, на основе которой можно получить любую логическую функцию, называется функционально полной.

Отсюда следует, что для построения логического устройства любой сложности достаточно иметь однотипные логические элементы, например, И-НЕ или ИЛИ-НЕ.

Логические элементы могут работать в режимах положительной и отрицательной логики. Для электронных логических элементов в режиме положительной логики логической единице соответствует высокий уровень напряжения, а логическому нулю - низкий уровень напряжения. В режиме отрицательной логики логической единице соответствует низкий уровень напряжения, а логическому нулю - высокий.

Для контактно-релейных схем в режиме положительной логики логической единице соответствует замкнутый контакт ключа или реле, а логическому нулю - разомкнутый. Светящийся индикатор (лампочка, светодиод) соответствует логической единице, а несветящийся - логическому нулю.

Логические элементы, реализующие для режима положительной логики операцию И, для режима отрицательной логики выполняют операцию ИЛИ, и наоборот. Так, например, микросхема, реализующая для положительной логики функции элемента 2И-НЕ, будет выполнять для отрицательной логики функции элемента 2ИЛИ-НЕ.

Как правило, паспортное обозначение логического элемента соответствует функции, реализуемой "положительной логикой". Логические элементы И, ИЛИ, НЕ имеют один выход, число входов логических элементов И, ИЛИ может быть любым начиная с двух. Логические элементы И и ИЛИ, выпускаемые в составе микросхем, обычно имеют 2, 3, 4, 8 входов. В названии элемента первая цифра указывает число входов.

Прежде всего, рассмотрим реализацию логических элементов с помощью контактно-релейных схем. Рассмотрим логический элемент 2И. Он выполняет операцию логического умножения. На рисунке 1.1,а приведена контактно-релейная схема логического элемента 2И для режима положительной логики.

Обозначение логического элемента 2И на принципиальных схемах показано на рисунке 1.1,б. Знак & (амперсант) в левом верхнем углу прямоугольника указывает, что это логический элемент И. Первые две буквы обозначения DD1.2 указывают на то, что это цифровая микросхема, цифра слева от точки указывает номер микросхемы на принципиальной схеме, а цифра справа от точки – номер логического элемента в составе данной микросхемы.

Функционирование логического элемента обычно задают таблицей истинности. Контактно-релейная схема логического элемента 2И (режим положительной логики) позволяет легко составить таблицу истинности этого элемента. Так как микросхема имеет для подачи входных сигналов два входа, то возможны 22=4 различных комбинации входных сигналов. Необходимо проанализировать состояние лампочки при различных положениях тумблеров Sa1, Sa2, т.е. рассмотреть 4 различных комбинации состояний тумблеров (рис. 1.1,в).

Введение понятия активного логического уровня существенно облегчает анализ функционирования сложных цифровых устройств. Активным логическим уровнем на входе элемента (логический нуль, логическая единица) называется такой уровень, который однозначно задает состояние на выходе элемента независимо от логических уровней на остальных входах элемента. Активный логический уровень на одном из входов элемента определяет уровень на его выходе. Уровни, обратные активным, называются пассивными логическими уровнями.

Активным логическим уровнем для элементов И является логический нуль. Пусть, например, имеем логический элемент 8И. Необходимо проанализировать 28=256 различных состояний для составления таблицы истинности этого элемента. Воспользуемся понятием активного логического уровня. Если хотя бы на одном из входов этого элемента будет активный логический уровень, то состояние на выходе элемента определено однозначно и нет необходимости анализировать состояния на остальных входах элемента.

Таким образом, таблицу истинности логического элемента 8И можно свести к двум строчкам: на выходе этого элемента будет логическая единица, если на всех входах будут сигналы логической единицы и на выходе будет логический нуль, если хотя бы на одном из входов элемента будет сигнал логического нуля.

Логический элемент 2ИЛИ выполняет логическую операцию логического сложения у=х1+х2. Контактно-релейная схема элемента приведена на рисунке 1.2,а, а его условное обозначение – на рисунке 1.2,б. Знание контактно-релейной схемы элемента позволяет составить таблицу истинности (рис.1.2,в). Лампочка будет гореть, если замкнуты контакты хотя бы одного тумблера, т.е. активным логическим уровнем для элементов ИЛИ является уровень логической единицы.

Логический элемент НЕ выполняет операцию отрицания, и для этого элемента проще составить сразу таблицу истинности, а не вычерчивать сначала контактно-релейную схему, а затем по ней составлять таблицу истинности. Для логических элементов И и ИЛИ проще сначала вычертить контактно-релейную схему, а уже потом составлять таблицу истинности.

Напомним алгоритм работы электромагнитного реле с нормально замкнутыми контактами: при отсутствии электрического тока через обмотку реле контакты реле замкнуты, а при протекании достаточного тока через обмотку реле контакты реле разомкнуты. Контактно релейная схема элемента НЕ приведена на рисунке 1.3а, а его условное обозначение – на рисунке 1.3б.

Проанализируем работу контактно-релейной схемы логического элемента НЕ (рис. 1.3а). Если контакты ключа Sa1 разомкнуты, то через обмотку К электромагнитного реле ток протекать не будет. Контакты К1.1 (цифра слева от точки указывает номер реле на принципиальной схеме, а цифра справа – номер контактной группы данного реле) будут замкнуты (электромагнитное реле с нормально замкнутыми контактами). Электрическая лампочка HL1 в этом случае будет гореть, что для режима положительной логики будет означать логическую единицу. При замкнутых контактах ключа Sa1 (на входе элемента логическая единица) через обмотку реле протекает ток, достаточный для размыкания контактов К1.1, поэтому лампочка перестает гореть (логический нуль). В результате анализа мы получили, что сигнал на выходе элемента противоположен сигналу на входе, т.е. если на входе элемента сигнал логической единицы, то на выходе элемента сигнал логического нуля и наоборот (рис. 1.3,в).

При анализе работы логических элементов следует помнить о режиме их работы (режим положительной или отрицательной логики). Логические элементы, реализующие для режима положительной логики операцию И, для

режима отрицательной логики выполняют операцию ИЛИ и наоборот. Решим следующую задачу.

Задача. Какую логическую операцию выполняет контактно-релейная схема, приведенная на рисунке 1.4.

Правильным ответом в этой задаче будет следующий. Указанная контактно-релейная схема выполняет операцию 3И для режима положительной логики и 3ИЛИ для режима отрицательной логики (решение обосновать самостоятельно).

В практической работе широко используются комбинации логических элементов и особенно элементы И-НЕ и ИЛИ-НЕ. Рассмотрим подробнее контактно-релейную схему элемента 2ИЛИ-НЕ, приведенную на рисунке 1.5,а. Условное обозначение элемента на принципиальных схемах показано на рисунке 1.5,б. Заполним таблицу истинности, приведенную на рисунке 1.5в. Если оба ключа разомкнуты (Х1=0, Х2=0), то лампочка HL1 горит, что соответствует логической единице на выходе элемента (Y=1). Замкнем контакты ключа Sa1 (Х1=1), оставляя ключ Sa2 разомкнутым (Х2=0). Лампочка HL1 в этом случае не горит (Y=0). Если замкнут хотя бы один ключ, то лампочка не горит. Следовательно, активным логическим уровнем на входе элемента ИЛИ-НЕ является уровень логической единицы.

Для двух аргументов логического элемента возможны 16 логических функций. В данном пособии рассматриваются логические функции: логическое И, логическое ИЛИ, логическое НЕ, логическое И-НЕ, логическое ИЛИ-НЕ, сумма по модулю 2.

В таблице 1.1 приведены условные обозначения элементов 2И, 2ИЛИ, НЕ, 2И-НЕ, 2ИЛИ-НЕ, исключающее ИЛИ (сумма по модулю 2), условные обозначения выполняемых этими элементами логических операций, таблицы их истинности и контактно-релейные схемы. При анализе контактно-релейной схемы элемента исключающее ИЛИ необходимо учитывать, что положения переключателей SA1 и SA2 в таблице 1.1 соответствуют логическим единицам (верхнее положение подвижного контакта переключателя соответствует логической единице), т.е. Х1=1 и Х2=1. Лампочка HL1 горит лишь в том случае, когда подвижный контакт одного из переключателей находится в верхнем положении, а подвижный контакт второго переключателя в нижнем положении. Из анализа работы данной контактно-релейной схемы получаем таблицу истинности элемента исключающее ИЛИ.

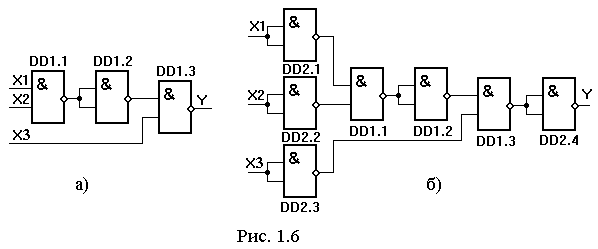
Рассмотрим решение следующей задачи: имея в распоряжении логические элементы 2И-НЕ, сконструировать устройство, реализующее операцию 3ИЛИ-НЕ для режима положительной логики. Эту задачу решим в два этапа. Сначала сконструируем устройство, выполняющее операцию 3И-НЕ для режима положительной логики (рис. 1.6,а), а потом на входах и выходе элемента 3И-НЕ установим логические элементы НЕ (рис. 1.6,б).

По мере развития вычислительной техники электронные логические элементы совершенствовались. Рассмотрим принципиальную схему логического элемента 2И (рис. 1.7,а), построенного на диодах и резисторах. Для простоты рассмотрения будем считать, что напряжение логического «0» на входе элемента равно 0 В, а напряжение логической «1» - 5 В. Внутреннее сопротивление вольтметра значительно больше сопротивления резистораR1.

Вспомним особенности вольтамперной характеристики полупроводникового кремниевого диода небольшой мощности. При обратном напряжении ток, протекающий через диод, составляет десятые доли микроампера. Напряжение на диоде при протекании через него в прямом направлении тока в десятки миллиампер, равно приблизительно 0,7-0,8 В. Определим примерно параметры логических уровней на выходах данного элемента, если на входе действуют логические уровни с указанными ранее параметрами. Если на оба входа поданы напряжения логических «1», то токи через диоды VD1 и VD2 не протекают, и напряжение на выходе элемента при условии, что сопротивление нагрузки значительно больше сопротивления резистора R1, будет примерно равно напряжению питания. Если хотя бы один из входов элемента соединить с минусовым проводом источника питания, то на выходе элемента в случае кремниевых диодов будет напряжение 0,7 - 0,8 В (зависит от сопротивления резистора R1 и напряжения источника питания).

Примечание: для рассмотренного логического элемента логическая «1» на входе будет, если вход никуда не подключен или подключен к плюсовому выводу источника питания.

На рисунке 1.7,б приведена схема простого и удобного в работе стенда для исследования диодно-резистивного логического элемента 2И. Светодиоды VD3 - VD5 являются индикаторами логических сигналов на входах и выходе логического элемента. Вольтметр V позволяет определить напряжения логической единицы и логического нуля. Для диодно-резистивного логического элемента 2И напряжение логического нуля на выходе примерно 0,7-0,8 В, а напряжение логической единицы чуть меньше напряжения на зажимах источника питания (определяется соотношением сопротивлений резистора R1 и нагрузки).

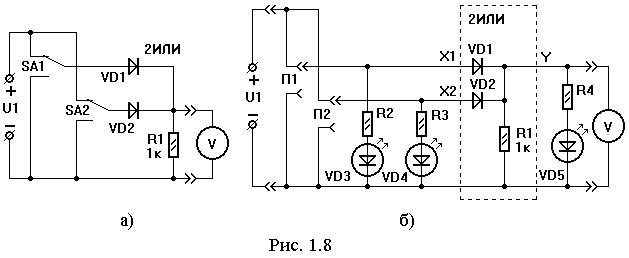
На рисунках 1.8,а и 1.8,б приведены схемы для исследования диодно-резистивного логического элемента 2ИЛИ. Для этого элемента напряжение логического нуля на выходе равно 0 В, а напряжение логической единицы равно напряжению питания минус 0,7-0,8 В.

Следующим этапом совершенствования элементной базы цифровой техники было создание логических элементов диодно-транзисторной логики.

Рассмотрим принципиальную схему логического элемента 2И-НЕ диодно-транзисторной логики (рис. 1.9,а).

Для понимания принципа работы логического элемента 2И-НЕ диодно-транзисторной логики необходимо знать, какой вид имеет зависимость тока коллектора транзистора от напряжения база-эмиттер при постоянном напряжении эмиттер- коллектор. Эта характеристика имеет примерно такой же вид, как и прямая ветвь вольтамперной характеристики полупроводникового диода. Для кремниевых транзисторов при напряжении база-эмиттер (в прямом направлении) менее 0,5 В ток в цепи коллектор-эмиттер практически равен нулю при любых допустимых напряжениях коллектор-эмиттер (транзистор закрыт, сопротивление между коллектором и эмиттером закрытого транзистора VТ1 может достигать единиц МОм). При незначительном увеличении напряжения база-эмиттер (в прямом направлении) более 0,5 В ток коллектора значительно увеличивается, говорят, что транзистор открывается.

Диоды VD1, VD2 и резистор R1 (рис. 1.9,а) образуют логический элемент 2И. Роль инвертора выполняет транзистор VT1. Если транзистор закрыт, то ток в цепи: плюс источника питания, резистор R2, коллектор-эмиттер транзистора VT1, минус источника питания не протекает и напряжение между эмиттером и коллектором транзистора будет равно напряжению на зажимах источника питания. Диоды VД3, VД4 необходимы для надежного закрытия транзистора VТ1, когда хотя бы на одном из входов элемента было напряжение логического нуля.

Если на обоих входах Х1, Х2 присутствуют сигналы логических единиц, транзистор VT1 открывается током базы, протекающим по цепи: плюс источника питания, резистор R1, диоды VD3, VD4, переход база-эмиттер транзистора VT1, минус источника. На выходе элемента будет напряжение 0,1-0,2 В, что соответствует логическому нулю.

На рисунке 1.9,б приведен вариант логического элемента 2И-НЕ на транзисторах. Инвертор на транзисторе VT1 не обеспечивает большую нагрузочную способность, поэтому в качестве инверторов применяют более сложные схемы. Сложный инвертор в микросхемах транзисторно-транзисторной логики будет рассмотрен чуть позже. Сейчас остановимся на принципе работы инверторов, схемы которых приведены на рисунке 1.10.

Рассмотрим делитель напряжения (делитель напряжения источника питания) образованного резистором R3 и цепью коллектор-эмиттер транзистора VТ1 (рис.1.10,а). Если на входе элемента логическая единица (подвижный контакт переключателя SA1 в верхнем положении), то транзистор VT1 открыт и в его коллекторной цепи протекает ток. Напряжение между коллектором и эмиттером транзистора составляет десятые доли вольта (не более 0,4 В). При логическом нуле на входе элемента транзистор закрыт и напряжение на выходе элемента равно напряжению питания, что соответствует логической единице.

На рисунках 1.10,б и 1.10,в приведены схемы инверторов с использованием полевых транзисторов. Напомним устройство и принцип действия полевых транзисторов. Существуют следующие виды полевых транзисторов: полевые транзисторы с управляющим p-n переходом, полевые транзисторы с изолированным затвором со встроенным каналом, полевые транзисторы с изолированным затвором с индуцированным каналом.

Полевые транзисторы называются также униполярными, одноканальными. Полевой транзистор в отличие от биполярного имеет большое входное сопротивление по цепи управления. Ток в выходной цепи полевого транзистора управляется напряжением, в то время как в биполярном транзисторе ток в выходной цепи транзистора управляется током во входной цепи транзистора. Таким образом, мощность управления в полевом транзисторе значительно меньше, чем в биполярном.

Полевой транзистор имеет 3 вывода: исток, сток, затвор. Исток – это вывод полевого транзистора, от которого основные носители заряда идут в канал. Сток – это вывод полевого транзистора, к которому идут основные носители заряда из канала. Затвор - это вывод полевого транзистора, на который подается управляющее напряжение относительно истока или относительно стока.

Наибольшее распространение имеют схемы включения транзистора с общим истоком, когда управляющее напряжение подается на затвор относительно истока.

В вычислительной технике в качестве электронных ключей широко используются полевые транзисторы с изолированным затвором с индуцированным каналом. Рассмотрим устройство и принцип действия полевого транзистора с изолированным затвором с индуцированным каналом n-типа (рис. 1.11). В полупроводнике p-типа сделаны два кармана с проводимостью n-типа. Знак n+ указывает на большую концентрацию электронов, что делается для уменьшения сопротивлений выводов стока и истока. Металлический затвор изолирован от кристалла полупроводника.

При напряжении затвор-исток, равном нулю, в цепи сток-исток ток не протекает при любых допустимых напряжениях сток-исток, так как образуются два p-n перехода, причем верхний подключен в обратном направлении.

Подадим на затвор относительно истока положительный потенциал. В полупроводниках p-типа имеются неосновные носители заряда (электроны). Рассмотрим движение электронов и дырок в слое полупроводника p-типа, прилежащем к затвору. Для упрощения рассмотрения соединим область p-типа с выводом истока. Под действием электрического поля, обусловленного наличием напряжения затвор – исток, дырки будут двигаться вправо, а электроны влево, т.е. в полупроводнике в приграничной к затвору области концентрация дырок уменьшается, а концентрация электронов увеличивается. При определенном напряжении затвор-исток в указанной области концентрация электронов станет больше концентрации дырок, наступит инверсия проводимости, т.е. в приграничной к затвору области появится слой полупроводника n-типа. В этом случае в цепи сток-исток протекает ток, т.к. между выводами стока и истока появился канал n-типа. Этот канал называется индуцированным (наведенным).

Для понимания принципа работы логических элементов на полевых транзисторах необходимо знать, что собой представляет стоко-затворная характеристика полевого транзистора. Стоко-затворная характеристика полевого транзистора в схеме включения с общим истоком (исток является общим для входной и выходной цепи) - это зависимость тока стока от напряжения затвор-исток при постоянном напряжении сток-исток. Эта характеристика полевого транзистора с изолированным затвором с индуцированным каналом n-типа приведена на рисунке 1.12. Особенности стоко-затворных характеристик полевых транзисторов с изолированным затвором с индуцированным каналом позволяют использовать эти транзисторы в качестве электронных ключей. Сравним основные характеристики электронного ключа на полевом транзисторе с характеристиками механического ключа. Сопротивление разомкнутого механического ключа можно считать бесконечно большим (пока не наступит электрический пробой), сопротивление ключа на полевом транзисторе порядка 10 МОм. Когда контакты механического ключа замкнуты сопротивление между контактами составляет сотые доли ома, для такого же состояния полевого транзистора сопротивление между стоком и истоком сотни Ом.

Если на входе инвертора, схема которого приведена на рисунке 1.10,б, напряжение логической единицы, то сопротивление между выводами сток и исток транзистора мало. Сопротивление резистора R1 выбирают значительно больше сопротивления между стоком и истоком открытого полевого транзистора и, следовательно, напряжение на выходе элемента будет близко к нулю вольт. При логическом нуле на входе логического элемента НЕ полевой транзистор будет закрыт, и на выходе элемента будет напряжение, примерно равное напряжению источника питания. Это обусловлено тем, что сопротивление резистора R1 выбирают во много раз меньше сопротивления между стоком и истоком закрытого транзистора.

Рассмотрим принцип работы инвертора (логического элемента НЕ) КМОП (комплиментарный, металл, окисел, полупроводник) структуры (рис. 1.10,в). Комплиментарный означает дополняющий друг друга по типу проводимости. Микросхемы КМОП имеют транзисторы как с каналом p-типа, так и с каналом n-типа. Учтем, что сопротивление между выводами сток-исток открытого транзистора - 200-300 Ом, а сопротивление между выводами сток-исток закрытого транзистора более 10 МОм.

Выберем напряжение питания 9 В. Пусть на вход Х подано напряжение логического «0», тогда транзистор VТ2 будет закрыт, а транзистор VТ1 открыт, так как потенциал затвора транзистора VТ1 относительно истока этого же транзистора равен минус 9В. На выходе элемента логическая единица.

Подадим на вход Х напряжение, соответствующее логической единице. Для рассмотренного случая это + 9 В относительно общего провода. В этом случае транзистор VТ2 будет открыт, а транзистор VТ1 – закрыт и на выходе элемента будет напряжение логического нуля.

Рассмотрим основные параметры, которыми характеризуются цифровые микросхемы.

Помехоустойчивость Uп, макс – наибольшее значение напряжения помехи на входе микросхемы, при котором еще не происходит изменения уровней ее выходного напряжения.

Напряжение логической единицы U1 – значение высокого уровня напряжения для "положительной" логики и значение низкого уровня напряжения для "отрицательной" логики.

Напряжение логического нуля U0 – значение низкого уровня напряжения для "положительной" логики и значение высокого уровня напряжения для "отрицательной" логики.

Пороговое напряжение логической единицы U1пор – наименьшее значение высокого уровня напряжения для "положительной" логики или наибольшее значение низкого уровня напряжения для "отрицательной" логики на входе микросхемы, при котором она переходит из одного устойчивого состояния в другое.

Пороговое напряжение логического нуля U0пор – наибольшее значение низкого уровня напряжения для "положительной" логики или наименьшее значение высокого уровня напряжения для "отрицательной" логики на входе микросхемы, при котором она переходит из одного устойчивого состояния в другое.

Входной ток логической единицы I1вх – измеряется при заданном значении напряжения логической единицы.

Входной ток логического нуля I0вх – измеряется при заданном значении напряжения логического нуля.

Выходной ток логической единицы I1вых – измеряется при заданном значении напряжения логической единицы.

Выходной ток логического нуля I0вых – измеряется при заданном значении напряжения логического нуля.

Ток потребления в состоянии логической единицы I1пот – значение тока, потребляемого микросхемой от источников питания при логических единицах на выходах всех элементов.

Ток потребления в состоянии логического нуля I0пот – значение тока, потребляемого микросхемой от источников питания при логических нулях на выходах всех элементов.

Средний ток потребления Iпот. ср . – значение тока, равное полусумме токов, потребляемых цифровой микросхемой от источников питания в двух устойчивых различных состояниях.

Потребляемая мощность в состоянии логической единицы Р1пот – значение мощности, потребляемой микросхемой от источника питанияпри логических единицах на выходах всех элементов.

Потребляемая мощность в состоянии логического нуля Р0пот – значение мощности, потребляемой микросхемой от источника питания при логических нулях на выходах всех элементов.

Средняя потребляемая мощность Рпот. ср. – полусумма мощностей, потребляемых микросхемой от источников питания в двух устойчивых различных состояниях.

Время перехода интегральной микросхемы из состояния логической единицы в состояние логического нуля t1,0 – интервал времени, в течение которого напряжение на выходе микросхемы переходит от напряжения логической единицы к напряжению логического нуля, измеренный на уровнях напряжения 0,1 и 0,9 от амплитуды импульса.

Время перехода интегральной микросхемы из состояния логического нуля в состояние логической единицы t0,1 – интервал времени, в течение которого напряжение на выходе микросхемы переходит от напряжения логического нуля к напряжению логической единицы, измеренный на уровнях напряжения 0,1 и 0,9 от амплитуды импульса.

Время задержки распространения сигнала при включении t1,0зд, р – интервал времени между входным и выходным импульсами при переходе напряжения на выходе микросхемы от напряжения логической единицы к напряжению логического нуля, измеренный на уровне 0,5 амплитуды.

Время задержки распространения сигнала при выключении t0,1зд, р – интервал времени между входным и выходным импульсами при переходе напряжения на выходе микросхемы от логического нуля к логической единицы, измеренный на уровне 0,5 амплитуды.

Среднее время задержки распространения сигнала tзд, р.с. – интервал времени, равный полусумме времени задержки распространения сигнала при включении и выключении цифровой микросхемы.

Коэффициент объединения по входу Коб – число входов микросхемы, по которым реализуется логическая функция.

Коэффициент разветвления по выходу Краз – число единичных нагрузок, которые можно одновременно подключить к выходу микросхемы (единичной нагрузкой является один вход основного логического элемента данной серии интегральных микросхем).

Коэффициент объединения по выходу Коб.вых – число соединяемых между собой выходов интегральной микросхемы, при котором обеспечивается реализация соответствующей логической операции.

Сопротивление нагрузки Rн – значение активного сопротивления нагрузки, подключаемой к выходу интегральной микросхемы, при котором обеспечивается заданное значение выходного напряжения (выходного тока) или заданное усиление.

Емкость нагрузки Сн – максимальное значение емкости, подключенной к выходу интегральной микросхемы, при котором обеспечиваются заданные частотные и иные параметры.

Синхронизация работы отдельных узлов ЭВМ и других устройств цифровой техники осуществляется периодическими последовательностями прямоугольных импульсов напряжения. Импульсом напряжения называют отклонение напряжения от первоначального значения в течение короткого промежутка времени. Последовательность импульсов, мгновенные значения которых повторяются через равные промежутки времени, называют периодической последовательностью импульсов. Участок импульса, на котором происходит изменение напряжения от начального уровня до конечного, называют фронтом импульса, а участок, на котором напряжение возвращается к исходному уровню, называется срезом импульса. Длительностью фронта импульса считают время нарастания напряжения от 0,1 Uм до 0,9 Uм, а длительностью среза – время изменения напряжения от 0,9 Uм до 0,1 Uм, где Uм – амплитуда импульса. Когда говорят о длительности импульса, то необходимо указывать, на каком уровне от амплитуды импульса проводились измерения: на уровне 0,1 Uм или 0,5 Uм. Частота следования импульсов – это число импульсов в одну секунду. Период следования импульсов – это минимальное время, через которое повторяются мгновенные значения напряжения. Интервал времени между окончанием одного импульса и началом следующего называется паузой. Величину, равную отношению периода следования импульсов к длительности импульса, называют скважностью импульсов. Периодическая последовательность прямоугольных импульсов при скважности 2 называется меандром. Прямоугольный импульс напряжения иногда рассматривают как совокупность двух перепадов напряжения. Перепады напряжения – это быстрые изменения напряжения между двумя уровнями. Перепад называют положительным, если напряжение изменяется от низкого уровня к высокому, и отрицательным, если напряжение изменяется от высокого уровня к низкому. Перепад напряжения, у которого длительность равна нулю, называется скачком напряжения.

На рисунке 1.13 показано, как определяется длительность фронта входного импульса tф, время перехода интегральной микросхемы из состояния логической единицы в состояние логическогонуля t1,0, время перехода интегральной микросхемы из состояния логического нуля в состояние логической единицы t0,1, время задержки распространения при включении t1,0зд, р, время задержки распространения при выключении t0,1зд, р.

 

<== предыдущая лекция | следующая лекция ==>
Exercise3 .Use direct speech | Дело государственной важности
Поделиться с друзьями:


Дата добавления: 2015-05-26; Просмотров: 2695; Нарушение авторских прав?; Мы поможем в написании вашей работы!


Нам важно ваше мнение! Был ли полезен опубликованный материал? Да | Нет



studopedia.su - Студопедия (2013 - 2026) год. Все материалы представленные на сайте исключительно с целью ознакомления читателями и не преследуют коммерческих целей или нарушение авторских прав! Последнее добавление




Генерация страницы за: 0.011 сек.