Студопедия

КАТЕГОРИИ:


Архитектура-(3434)Астрономия-(809)Биология-(7483)Биотехнологии-(1457)Военное дело-(14632)Высокие технологии-(1363)География-(913)Геология-(1438)Государство-(451)Демография-(1065)Дом-(47672)Журналистика и СМИ-(912)Изобретательство-(14524)Иностранные языки-(4268)Информатика-(17799)Искусство-(1338)История-(13644)Компьютеры-(11121)Косметика-(55)Кулинария-(373)Культура-(8427)Лингвистика-(374)Литература-(1642)Маркетинг-(23702)Математика-(16968)Машиностроение-(1700)Медицина-(12668)Менеджмент-(24684)Механика-(15423)Науковедение-(506)Образование-(11852)Охрана труда-(3308)Педагогика-(5571)Полиграфия-(1312)Политика-(7869)Право-(5454)Приборостроение-(1369)Программирование-(2801)Производство-(97182)Промышленность-(8706)Психология-(18388)Религия-(3217)Связь-(10668)Сельское хозяйство-(299)Социология-(6455)Спорт-(42831)Строительство-(4793)Торговля-(5050)Транспорт-(2929)Туризм-(1568)Физика-(3942)Философия-(17015)Финансы-(26596)Химия-(22929)Экология-(12095)Экономика-(9961)Электроника-(8441)Электротехника-(4623)Энергетика-(12629)Юриспруденция-(1492)Ядерная техника-(1748)

Допуски




Свойства профиля

Размеры

Область распространения

Эта часть ИСО 657 включает размеры горячекатаных равнополочных уголков.

2 Настоящий стандарт содержит условия данной части ИСО 657. По состоянию на время публикации данное издание являлось действующим.

Все стандарты пересматриваются, поэтому необходимо использовать стандарты наиболее позднего издания.

Страны - члены МЭК и ИСО должны обеспечиваться действующими международными стандартами.

ИСО 657-5-76. Горячекатаные стальные профили, часть 5. Равнополочные и неравнополочные уголки, предельные отклонения в метрической и дюймовой сериях.

3.1 Предпочтительные размеры выделены полужирным шрифтом.

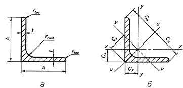
3.2 Радиусы внутреннего закругления даны для информации и приведены в таблице А.1.

3.3 Радиус закругления полок не определен, но при необходимости может быть рассчитан.

Масса, площадь поперечного сечения и справочные значения величин равнополочных уголков приведены для информации в таблице А.1 и рассчитаны при условии, что радиус закругления полок имеет 1/2 значения радиуса внутреннего закругления.

Допускаемые отклонения на размеры приведены в таблице Б.1 приложения Б.

 


Таблица А.1

 

Размер Масса, кг/м S, см2 Величины Расстояние от центра тяжести Справочные значения величин для осей
xx = y - y u - u v - v
A, мм t, мм rroot, мм Сx = С, см Сu, см Cv, см Ix = I, см4 rx = r, см zx = z, см3 Iu, см4 ru, см Iv, см4 r v, см Zv, см3
20´20´3 0,88 1,12     3,5 0,598 1,41 0,846 0,392 0,590 0,279 0,618 0,742 0,165 0,383 0,195
25´25´3 1,12 1,42     3,5 0,723 1,77 1,02 0,803 0,751 0,452 1,27 0,945 0,334 0,484 0,326
25´25´4 1,45 1,85     3,5 0,762 1,77 1,08 1,02 0,741 0,586 1,61 0,931 0,430 0,482 0,399
30´30´3 1,36 1,74       0,835 2,12 1,18 1,40 0,899 0,649 2,22 1,13 0,585 0,581 0,496
30´30´4 1,78 2,27       0,878 2,12 1,24 1,80 0,892 0,850 2,85 1,12 0,754 0,577 0,607
35´35´4 2,09 2,67       1,00 2,47 1,42 2,95 1,05 1,18 4,68 1,32 1,23 0,678 0,865
35´35´5 2,57 3,28       1,04 2,47 1,48 3,56 1,04 1,45 5,64 1,31 1,49 0,675 1,01
40´40´3 1,84 2,35       1,07 2,83 1,52 3,45 1,21 1,18 5,45 1,52 1,44 0,783 0,949
40´40´4 2,42 3,08       1,12 2,83 1,58 4,47 1,21 1,55 7,09 1,52 1,86 0,777 1,17
40´40´5 2,97 3,79       1,16 2,83 1,64 5,43 1,20 1,91 8,60 1,51 2,26 0,773 1,38
45´45´4 2,74 3,49       1,23 3,18 1,75 6,43 1,36 1,97 10,2 1,71 2,68 0,876 1,53
45´45´5 3,38 4,30       1,28 3,18 1,81 7,84 1,35 2,43 12,4 1,70 3,26 0,871 1,80
50´50´4 3,06 3,89       1,36 3,54 1,92 8,97 1,52 2,46 14,2 1,91 3,73 0,979 1,94
50´50´5 3,77 4,80       1,40 3,54 1,99 11,0 1,51 3,05 17,4 1,90 4,55 0,973 2,29
50´50´6 4,47 5,69       1,45 3,54 2,04 12,8 1,50 3,61 20,3 1,89 5,34 0,968 2,61
60´60´ 4,57 5,82       1,64 4,24 2,32 19,4 1,82 4,45 30,7 2,30 8,03 1,17 3,46
60´60´6 5,42 6,91       1,69 4,24 2,39 22,8 1,82 5,29 36,1 2,29 9,44 1,17 3,96
60´60´8 7,09 9,03       1,77 4,24 2,50 29,2 1,80 6,89 46,1 2,26 12,2 1,16 4,86
65´65´6 5,91 7,53       1,80 4,60 2,55 29,2 1,97 6,21 46,3 2,48 12,1 1,27 4,74
65´65´8 7,73 9,85       1,89 4,60 2,67 37,5 1,95 8,13 59,4 2,46 15,6 1,26 5,84
70´70´6 6,38 8,13       1,93 4,95 2,73 36,9 2,13 7,27 58,5 2,68 15,3 1,37 5,60
70´70´7 7,38 9,40       1,97 4,95 2,79 42,3 2,12 8,41 67,1 2,67 17,5 1,36 6,28
75´75´6 6,85 8,73       2,05 5,30 2,90 45,8 2,29 8,41 72,7 2,89 18,9 1,47 6,53
75´75´8 8,99 11,4       2,14 5,30 3,02 59,1 2,27 11,0 93,8 2,86 24,5 1,46 8,09
80´80´6 7,34 9,35       2,17 5,66 3,07 55,8 2,44 9,57 88,5 3,08 23,1 1,57 7,55
80´80´8 9,63 12,3       2,26 5,66 3,19 72,2 2,43 12,6   3,06 29,9 1,56 9,37
80´80´10 11,9 15,1       2,34 5,66 3,30 87,5 2,41 15,4   3,03 36,4 1,55 11,0
90´90´7 9,61 12,2       2,45 6,36 3,47 92,5 2,75 14,1   3,46 38,3 1,77 11,0
90´90´8 10,9 13,9       2,50 6,36 3,53   2,74 16,1   3,45 43,1 1,76 12,2
90´90´9 12,2 15,5       2,54 6,36 3,59   2,73 17,9   3,44 47,9 1,76 13,3
90´90´10 15,0 17,1       2,58 6,36 3,65   2,72 19,8   3,42 52,6 1,75 14,4
100´100´8 12,2 15,5       2,74 7,07 3,87   3,06 19,9   3,85 59,9 1,96 15,5
100´100´10 15,0 19,2       2,82 7,07 3,99   3,04 24,6   3,83 73,0 1,95 18,3
100´100´12 17,8 22,7       2,90 7,07 4,11   3,02 29,1   3,80 85,7 1,94 20,9
120´120´8 14,7 18,7       3,23 8,49 4,56   3,69 29,1   4,65   2,37 23,1
120´120´10 18,2 23,2       3,31 8,49 4,69   3,67 36,0   4,63   2,36 27,5
120´120´12 21,6 27,5       3,40 8,49 4,80   3,65 42,7   4,60   2,35 31,6
125´125´8 15,3 19,5       3,35 8,84 4,74   3,85 31,7   4,85   2,47 25,3
125´125´10 19,0 24,2       3,44 8,84 4,86   3,84 39,3   4,83   2,46 30,1
125´12´5´12 22,6 28,7       3,52 8,84 4,98   3,81 46,6   4,81   2,45 34,6
150´150´10 23,0 29,3       4,03 10,6 5,71   4,62 56,9   5,82   2,97 45,1
150´150´12 27,3 34,8       4,12 10,6 5,83   4,60 67,7   5,80   2,95 52,0
150´150´15 33,8 43,0       4,25 10,6 6,01   4,57 83,5   5,76   2,93 61,6
180´180´15 40,9 52,1       4,98 12,7 7,05   5,52     6,96   3,54 92,7
180´180´18 48,6 61,9       5,10 12,7 7,22   5,49     6,92   3,52  
200´200´16 48,5 61,8       5,52 14,1 7,81   6,16     7,76   3,94  
200´200´20 59,9 76,3       5,68 14,1 8,04   6,11     7,70   3,92  
200´200´24 71,1 90,6       5,84 14,1 8,26   6,06     7,64   3,90  
250´250´28           7,24 17,7 10,2   7,62     9,61   4,89  
250´250´35           7,50 17,7 10,6   7,54     9,48   4,87  
Примечания 1 Страны - члены ИСО могут включать в национальные стандарты требуемые им размеры уголков. Из приведенного в таблице сортамента на равнополочные уголки в национальный стандарт могут быть включены те размеры уголков, которые обеспечиваются на прокатных станах. 2 Площадь поперечного сечения вычисляют по формуле , где S - площадь поперечного сечения, см2; t - толщина, мм; rroot - радиус внутреннего закругления, мм; rtoc - радиус закругления полок, мм; А - ширина полки, мм. 3 При вычислении массы 1 м плотность стали принята 7,85 кг/дм3.

ПРИЛОЖЕНИЕ Б

(рекомендуемое)

 

ПРОФИЛИ СТАЛЬНЫЕ ГОРЯЧЕКАТАНЫЕ

 

Часть 5. Уголки равнополочные и неравнополочные в метрической и дюймовой сериях. Допуски

(ИСО 657-5-76)

 




Поделиться с друзьями:


Дата добавления: 2015-05-31; Просмотров: 286; Нарушение авторских прав?; Мы поможем в написании вашей работы!


Нам важно ваше мнение! Был ли полезен опубликованный материал? Да | Нет



studopedia.su - Студопедия (2013 - 2026) год. Все материалы представленные на сайте исключительно с целью ознакомления читателями и не преследуют коммерческих целей или нарушение авторских прав! Последнее добавление




Генерация страницы за: 0.011 сек.