Студопедия

КАТЕГОРИИ:


Архитектура-(3434)Астрономия-(809)Биология-(7483)Биотехнологии-(1457)Военное дело-(14632)Высокие технологии-(1363)География-(913)Геология-(1438)Государство-(451)Демография-(1065)Дом-(47672)Журналистика и СМИ-(912)Изобретательство-(14524)Иностранные языки-(4268)Информатика-(17799)Искусство-(1338)История-(13644)Компьютеры-(11121)Косметика-(55)Кулинария-(373)Культура-(8427)Лингвистика-(374)Литература-(1642)Маркетинг-(23702)Математика-(16968)Машиностроение-(1700)Медицина-(12668)Менеджмент-(24684)Механика-(15423)Науковедение-(506)Образование-(11852)Охрана труда-(3308)Педагогика-(5571)Полиграфия-(1312)Политика-(7869)Право-(5454)Приборостроение-(1369)Программирование-(2801)Производство-(97182)Промышленность-(8706)Психология-(18388)Религия-(3217)Связь-(10668)Сельское хозяйство-(299)Социология-(6455)Спорт-(42831)Строительство-(4793)Торговля-(5050)Транспорт-(2929)Туризм-(1568)Физика-(3942)Философия-(17015)Финансы-(26596)Химия-(22929)Экология-(12095)Экономика-(9961)Электроника-(8441)Электротехника-(4623)Энергетика-(12629)Юриспруденция-(1492)Ядерная техника-(1748)

Расчет подключения нагрузки к преобразователю частоты




Варианты построения схем преобразователей частоты

РАСЧЕТ ПРЕОБАЗОВАТЕЛЯ ЧАСТОТЫ

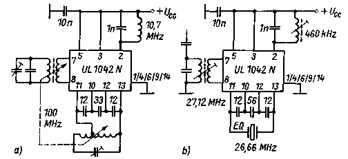
СМЕСИТЕЛИ НА МИКРОСХЕМЕ UL1042 (К174ПС1)

http://amatar.by/news-view-226.html

Микросхема UL1042 (К174ПС1) работает на частотах до 200 МГц. Она применяется в AM/FM-приемниках в качестве смесителей и демодуляторов. Микросхема работоспособна при напряжении от 4 до 15 В.


Рис.1. Смесители для УКВ-приемника (a), и приемника радиоохраны (b).


Рис.2. Высокочастотная часть для FM-приемника на 144 МГц (VT1 BF960, KF907, КП350).


Рис.3. ВЧ-каскад VCL-приемника. (Первичная обмотка трансформатора
содержит 18 витков, вторичная - 10 витков провода ПЭВ 0.25. Транзисторы - BF 256, КП303).

Elektronisches Jarbuch 1990

 

http://dvo.sut.ru/libr/rvies/i009rpru/6.htm

Преобразователь частоты может быть построен на том же активном приборе, что и УРЧ. В этом случаи его расчет анологичен расчету УРЧ с учетом того, что

параметры транзистора в преобразовательном режиме в два раза меньше соответствующих параметров транзистора в усилительном режиме при прочих равных условиях. Схема подключения нагрузки аналогична приведенной на рис. 6.1. При постороении балансной схемы нагрузка подключается в соответствии с рис.6.2

Более совершенный ПрЧ можно выполнить на ИМС К174ПС1, принципиальная схема и параметры которой при различных режимах работы приведены в прил.5. ИМС позволяет реализовать разнообразные варианты постороения ПрЧ, отличающиеся способом подключения нагрузки, видами связей с предшествующим УРЧ и с цепями гетеродита, ИМС позволяет также выполнить ПрЧ с внешними и с совмещенным гетеродином.

На рис.6.1 и 6.2 приведены варианты подключения нагрузки к выходу ПрЧ. Нагрузкой ПрЧ является ФСИ, подключаемый через согласующий контур LК, CК. При несимметричном подключении контура к выходу ИМС (рис.6.1) спектр выходного тока соответствует балансной схеме, при симметричном (рис.6.2) - кольцевой. В обоих случаях в ПрЧ обеспечивается ослабление помехи с частотой, равной промежуточной.

 

 

 

Для реализации преимуществ кольцевой схемы необходимо обеспечить высокую степень симметрии контурной катушки относительно центрального отвода. Способ подключения нагрузки определяет различие в значениях параметров y21 ПР, gВЫХ, CВЫХ ИМС (см. прил.5).

ИМС позволяет использовать симметричное (рис.6.3) и несимметричное (рис.6.4) подключение входов ИМС к выходам УРЧ и гетеродина (при работе от внешнего гетеродина). Симметричная схема предпочтительна при трансформаторных связях. При других видах связей (автотрансформаторной, внутриемкостной) лучше использовать несимметричную схему. Можно использовать симметричную схему для связи с источником сигнала и несимметричную для связи с гетеродином или наоборот.

 

 

На ИМС К174ПС1 можно выполнить ПрЧ с совмещенным гетеродином, в котором обеспечивается малое взаимное влияние цепей сигнала и гетеродина. Автогенератор выполняют на транзисторах VT3 и VT6 ИМС, к эмиттерным и базовым цепям которых подключают контур, настроенный на fГ (рис.7.9 и 7.10). Нумерация внутренних элементов ИМС на этих рисунках соответствует обозначениям на принципиальной схеме прил.5. Методика расчета автогенератора на ИМС приведена в п.7.3.

Построение ПрЧ с совмещенным гетеродином позволяет уменьшить число активных элементов в приемнике, однако схема переключения диапазонов оказывается сложнее, чем при использовании ПрЧ с отдельным гетеродином, поэтому ПрЧ с совмещенным гетеродином целесообразно применять при отсутствии коммутации в цепях гетеродина (например в блоке УКВ приемника).

В схеме рис.7.9 при трансформаторных связях контура гетеродина с транзисторами значения коэффициентов включения контура в базовую (pБ) и эмиттерную (pЭ) цепи VT3 и VT6 ИМС не зависят от частоты. Это определяет постоянство амплитуды напряжения на контуре гетеродина (Um КГ) при его перестройке в широких пределах.

В схеме рис.7.10 при емкостных связях контура гетеродина с транзисторами значения коэффициентов включения pБ и pЭ изменяются при перестройке, поэтому эта схема находит применение при KДГ£1.2...1.3. Схема с емкостными связями используется также в гетеродинах, частота которых стабилизирована кварцевым резонатором (см. п.8.3).

В схеме рис.7.10 частота контура гетеродина изменяется с помощью варикапа VD, который подключен к контуру через разделительные конденсаторы CР. Варикапная настройка может быть использована и при трансформаторных связях (рис.7.9).

 

Задачей расчета является определение параметров элементов согласующего контура (рис.6.1 и 6.2) и коэффициента его включения pФ во входную цепь ФСИ.

Исходными данными для расчета являются:

- значение промежуточной частоты приемника, fПЧ ;

- полоса пропускания ФСИ, DFФ ;

- входная проводимость ФСИ, gВХ Ф ;

- конструктивная добротность катушки СК на fПЧ, QК ;

- крутизна преобразования ИМС, y21 ПР ;

- выходная проводимость ИМС на fПЧ, gВЫХ .

Значения y21 ПР и gВЫХ должны соответствовать выбранной схеме подключения нагрузки (рис.6.1 или 6.2).

Полоса пропускания согласующего контура выбирается существенно больше, чем полоса пропускания ФСИ, чтобы избежать влияния согласующего контура на полосу пропускания тракта ПЧ. С другой стороны она не должна быть слишком большой, так как это приведет к снижению коэффициента усиления ПрЧ и к ухудшению избирательности при больших отстройках. Рекомендуется выбрать

DFКЭ = (2.5...3.5) DFФ.

Рассчитываем требуемое значение добротности эквивалентного контура

QКЭ = fПЧ / DFКЭ.

Задаемся стандартным значением емкости конденсатора контура C1. Можно выбрать C1 таким же, как в приемнике-прототипе или выбрать значение C1 в пределах от 500 до 1200 пФ при fПЧ = 465 кГц и fПЧ = 500 кГц и от 75 до 150 пФ при fПЧ = 10.7 МГц. Рассчитываем емкость CК контура с учетом емкости монтажа CМ = 2...5 пФ и выходной емкости ИМС

CК = C1 + CМ + CВЫХ

и индуктивность контура

LК = 1 / (wПЧ2 CК).

Полагая конструктивную добротность контура QК = 80...150 и убедившись, что она не менее чем в 2.5...3 раза выше значения QКЭ, вычисляем проводимости ненагруженного и нагруженного (эквивалентного) контура

gК = 1 / (wПЧ LК QК), gКЭ = 1 / (wПЧ LК QКЭ

и сопротивление шунтирующего резистора

RШ = 1/ (0.5 gКЭ - gК - gВЫХ).

Определяем коэффициент включения согласующего контура во входную цепь ФСИ, при котором обеспечивается согласование ФСИ на его входе:

.

Рассчитываем индуктивность катушки связи

LФ = LК * pФ2 / k2,

где k - коэффициент магнитной связи, зависит от типа применяемых сердечников; для броневых сердечников, используемых при fПЧ=465 кГц, он может достигать значений 0.8...0.9; для однослойных катушек с ферритовым подстроечным сердечником при fПЧ=10.7 МГц k=0.25...0.35.

Определяем коэффициент усиления преобразователя частоты:

K0 ПР = UВХ Ф / UВХ ПР = y21 ПР pФ / gКЭ

и сравниваем его со значением, которым задавались при расчете структурной схемы. Скорректировать значение K0 ПР можно изменением сопротивления RШ, а следовательно и pФ. Однако следует иметь в виду, что при этом изменяется и DFКЭ, уменьшение которой нежелательно.

На расчетных частотах диапазона рассчитываем напряжение сигнала на входе УПЧ:

UВХ УПЧ = UА0 * K0 ПРЕС (f0) * K0 ПР * K0 Ф.

Рассчитываем суммарное ослабление соседнего канала в преселекторе и ФСИ:

sСК = sСК ПРЕС + sСК ФСИ

и сравниваем с требованием ТЗ.

 




Поделиться с друзьями:


Дата добавления: 2015-06-25; Просмотров: 2392; Нарушение авторских прав?; Мы поможем в написании вашей работы!


Нам важно ваше мнение! Был ли полезен опубликованный материал? Да | Нет



studopedia.su - Студопедия (2013 - 2025) год. Все материалы представленные на сайте исключительно с целью ознакомления читателями и не преследуют коммерческих целей или нарушение авторских прав! Последнее добавление




Генерация страницы за: 0.009 сек.