Студопедия

КАТЕГОРИИ:


Архитектура-(3434)Астрономия-(809)Биология-(7483)Биотехнологии-(1457)Военное дело-(14632)Высокие технологии-(1363)География-(913)Геология-(1438)Государство-(451)Демография-(1065)Дом-(47672)Журналистика и СМИ-(912)Изобретательство-(14524)Иностранные языки-(4268)Информатика-(17799)Искусство-(1338)История-(13644)Компьютеры-(11121)Косметика-(55)Кулинария-(373)Культура-(8427)Лингвистика-(374)Литература-(1642)Маркетинг-(23702)Математика-(16968)Машиностроение-(1700)Медицина-(12668)Менеджмент-(24684)Механика-(15423)Науковедение-(506)Образование-(11852)Охрана труда-(3308)Педагогика-(5571)Полиграфия-(1312)Политика-(7869)Право-(5454)Приборостроение-(1369)Программирование-(2801)Производство-(97182)Промышленность-(8706)Психология-(18388)Религия-(3217)Связь-(10668)Сельское хозяйство-(299)Социология-(6455)Спорт-(42831)Строительство-(4793)Торговля-(5050)Транспорт-(2929)Туризм-(1568)Физика-(3942)Философия-(17015)Финансы-(26596)Химия-(22929)Экология-(12095)Экономика-(9961)Электроника-(8441)Электротехника-(4623)Энергетика-(12629)Юриспруденция-(1492)Ядерная техника-(1748)

Дифференциальные каскады




Необходимость в средствах для усиления медленно изменяющихся сигналов

(сигналы от термопар, тензодатчиков, газовых анализаторов и т.п.) определила требование к разработке устройств - усилителей постоянного тока.

Усилители постоянного тока должны иметь большой коэффициент усиления, высокое входное сопротивление, равномерную амплитудно-частотную характеристику в диапазоне частот от 0 до десятков кГц, линейную амплитудную характеристику, соответствующую уравнению Uвых = Ku · Uвх, где Ku - постоянный коэффициент усиления.

Для выполнения этих требований схема усилителя должна иметь гальванические связи (без разделительных конденсаторов) с источником сигнала и нагрузкой.

Для построения усилителей постоянного тока используют два различных подхода. Первый - с использованием модуляции и демодуляции заключается в том, что входной сигнал предварительно модулируется (преобразуется в периодический сигнал,

состоящий из прямоугольных импульсов постоянной частоты, амплитуда которых равна величине входного сигнала). Этот сигнал переменного тока далее поступает на усилитель

звуковой частоты, с выхода которого - на схему демодуляции, в которой из прямоугольных импульсов воссоздается сигнал постоянного тока.

Второй принцип построения усилителей постоянного тока основан на

использовании усилителей с непосредственными связями между каскадами. Для обеспечения условия Uвых = 0 при Uвх = 0 питание каскадов усилителя осуществляется от нескольких разнополярных источников напряжения.

Основная трудность в построении таких усилителей состоит в установлении положения рабочей точки (точки покоя) транзисторов усилителя и стабилизации этого режима при изменении температуры.

Изменение температуры приводит к изменению напряжения на p - n переходе на 2 мВ/град. В связи с этим изменяется положение рабочей точки на входной и выходной характеристиках транзистора, что приводит к изменению выходног напряжения и нарушению соотношения Uвых = Uвх.

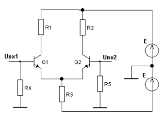
Наибольшее влияние на изменение характеристик усилителя оказывает изменение режима первого каскада усиления, который обычно и обеспечивает усиление сигнала по напряжению. Для построения первых каскадов усиления используется схема дифференциального усилительного каскада. Рассмотрим работу схемы на рисунке 46

Схема содержит два транзистора, включенных по схеме ОЭ с общим сопротивлением в цепи эмиттера. Питание каскада осуществляется от двухполярного источника +Е и -Е.

При равных сопротивлениях резисторов в коллекторных цепях транзисторов и одинаковых параметрах транзисторов коллекторные токи равны и разность напряжений на коллекторах равна 0, если равны напряжения на базах транзисторов.

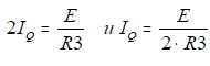
У симметричной схемы дифференциального усилителя имеются два входа. Обычно используется один выход (с коллектора транзистора), сигнал с которого, как правило, поступает в дальнейшем на каскады усилителя постоянного тока. В этом усилителе понадобятся схемы, осуществляющие сдвиг уровня, так как напряжение покоя на коллекторе Т1 составляет примерно E / 2 относительно земли. Будем считать транзисторы идентичными и коллекторный ток покоя в каждом из них равными IQ. В этом случае ток эмиттера каждого транзистора приблизительно равен IQ, а ток в общем эмиттерном резисторе R3 примерно равен 2IQ.

Поскольку база каждого транзистора соединена с землей (через резисторы R4 и R5), то из этого следует, что потенциал эмиттеров также примерно равен потенциалу земли (в действительности, конечно, на 0,6 В ниже потенциала земли), и поэтому ток в R3:

Напряжение на коллекторе каждого из транзисторов в режиме покоя равно

Если на оба входа подать равные напряжения, напряжение на эмиттере станет равным входному напряжению, изменение тока в R3 будут определяться значением входного напряжения. Изменения токов в транзисторах будут равны половине изменения тока в R3. В результате, изменения напряжений на коллекторах транзисторов составит:

Такого рода входное воздействие называется синфазным входным сигналом, а соответствующий коэффициент усиления — коэффициентом передачи синфазного сигнала. Отношение изменения на выходе каскада к изменению синфазного (одинакового на обоих входах) напряжения, выраженное в децибеллах, называется коэффициентом ослабления синфазного сигнала. Чем больше сопротивление эмиттерного резистора R3 по сравнению с коллекторной нагрузкой R1, тем меньше коэффициент передачи синфазного сигнала.

Изменение температуры вызывает одинаковые изменения на переходах база-эмиттер, что равносильно подаче на входы синфазного сигнала. Различие в параметрах транзисторов приводит к изменению выходного напряжения с изменением температуры.

Это явление называют температурным дрейфом напряжения смещения.

Общее сопротивление в эмиттерной цепи осуществляет стабилизацию режима работы при изменении температуры. В дифференциальном каскаде R3 имеет большое сопротивление, поэтому можно считать, что через резистор R3 подается стабильный ток.

Часто вместо резистора R3 используют источник стабильного тока, реализованный на транзисторах.

При подключении источника сигнала между двумя входами каскада (базами транзисторов) напряжение на каждом входе равно половине напряжения источника сигнала, а их полярность противоположна. При этом токи коллектора и напряжения на коллекторах изменятся одинаково, но в противофазе. Сумма токов эмиттеров, а следовательно и потенциал эмиттеров не изменится, тогда как напряжение между коллекторами будет равно удвоенному значению изменения напряжения на одном из них.

Поскольку потенциал эмиттеров не меняется, схему каждого плеча можно рассматривать как обычный каскад усиления по схеме с общим эмиттером. Изменение

напряжения на коллекторе такого каскада

Если источник сигнала подключается к одному из входов, а напряжение на втором входе равно нулю, изменение входного напряжения вызовет изменение тока коллектора и эмиттера транзистора. Поскольку сумма эмиттерных токов - величина постоянная, изменится ток эмиттера и коллектора второго транзистора на такую же величину, но с противоположным знаком. В реальных схемах значения резисторов R1 и R2 в цепях коллекторов и параметры транзисторов отличаются, поэтому выходное напряжение будет отлично от нуля. Для того, чтобы установить в этих условиях напряжение, равное нулю, необходимо на один из входов подать напряжение, отличное от нуля. Это напряжение называют напряжением смещения нуля.

 




Поделиться с друзьями:


Дата добавления: 2015-06-04; Просмотров: 1928; Нарушение авторских прав?; Мы поможем в написании вашей работы!


Нам важно ваше мнение! Был ли полезен опубликованный материал? Да | Нет



studopedia.su - Студопедия (2013 - 2026) год. Все материалы представленные на сайте исключительно с целью ознакомления читателями и не преследуют коммерческих целей или нарушение авторских прав! Последнее добавление




Генерация страницы за: 0.01 сек.