Студопедия

КАТЕГОРИИ:


Архитектура-(3434)Астрономия-(809)Биология-(7483)Биотехнологии-(1457)Военное дело-(14632)Высокие технологии-(1363)География-(913)Геология-(1438)Государство-(451)Демография-(1065)Дом-(47672)Журналистика и СМИ-(912)Изобретательство-(14524)Иностранные языки-(4268)Информатика-(17799)Искусство-(1338)История-(13644)Компьютеры-(11121)Косметика-(55)Кулинария-(373)Культура-(8427)Лингвистика-(374)Литература-(1642)Маркетинг-(23702)Математика-(16968)Машиностроение-(1700)Медицина-(12668)Менеджмент-(24684)Механика-(15423)Науковедение-(506)Образование-(11852)Охрана труда-(3308)Педагогика-(5571)Полиграфия-(1312)Политика-(7869)Право-(5454)Приборостроение-(1369)Программирование-(2801)Производство-(97182)Промышленность-(8706)Психология-(18388)Религия-(3217)Связь-(10668)Сельское хозяйство-(299)Социология-(6455)Спорт-(42831)Строительство-(4793)Торговля-(5050)Транспорт-(2929)Туризм-(1568)Физика-(3942)Философия-(17015)Финансы-(26596)Химия-(22929)Экология-(12095)Экономика-(9961)Электроника-(8441)Электротехника-(4623)Энергетика-(12629)Юриспруденция-(1492)Ядерная техника-(1748)

Тесты по общей электротехнике и электронике. 1. Схема удвоителя напряжения:




1. Схема удвоителя напряжения:

Путь заряда конденсатора и напряжение на нагрузке Rн при этом:

 

 

 

 

 

 

 

 

 

2. Какая из формул служит для вычисления коэффициента отрицательной обратной связи в усилителе

К – коэффициент усиления усилителя, не охваченного обратной связью

- коэффициент обратной связи

3. Определите коэффициент усиления по напряжению трехкаскадного усилителя в децибелах, если каждый каскад обеспечивает десятикратное усиление.

4. В транзисторе марки КТЗ15А, включенном по схеме с общим эмиттером, ток базы изменился на 0,1 мА. Как при этом изменится ток эмиттера, если коэффициент усиления α=0,975?

5. Какие микросхемы называют гибридными?

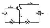
6. При включении биполярного транзистора Т по схеме с общей базой коэффициент усиления по току равен 0,95. Чему равен коэффициент усиления по току биполярного транзистора, если его включить по схеме с общим эмиттером, как показано на рис.?

 
 

 


7. Какой из перечисленных способов электрического торможения асинхронного двигателя является экономичным?

8. Какую полезную мощность на валу можно получить от трехфазного двигателя
мощностью 1кВт включенного в однофазную сеть?

9. Какое из значений величин, характерных для асинхронного двигателя с короткозамкнутым ротором общего назначения?

10. Закон Ома для магнитной цепи:

11. Второй закон Кирхгофа для магнитной цепи:

12. Три потребителя с сопротивлениями R1=R2=R3=R соединены треугольником и включены в сеть трехфазного тока. Как изменятся линейные токи, если эти потребители соединить звездой?

13.Симметричная нагрузка соединена звездой. Линейное напряжение 380В. Каково фазное напряжение?

14. Как создается тормозной момент в индуктивном счетчике активной мощности?

15. Для измерения реактивной мощности с трехфазной цепи в какую схему собирают выводы катушек напряжения варметра?

16. Какие величины измеряют параметрическим измерительным преобразователем?

17. R1 = 3 Ом, показания амперметров: А1 = 5 А, А2 = 25 А. Сопротивление резистора R2 равно:

 

18. Все резисторы имеют одинаковые сопротивления. Эквивалентное сопротивление всей цепи равно:

19. При замыкании ключа К напряжение U23 на резисторах R2 и R3 изменится следующим образом:

 
 

 

 


20. Все резисторы имеют одинаковое сопротивление R. При разомкнутом состоянии ключа К амперметр показывал 9А. После замыкания ключа амперметр покажит:

 
 

 


Общее кол-во баллов-

Кол-во полученных баллов-

Оценка-




Поделиться с друзьями:


Дата добавления: 2015-06-04; Просмотров: 1259; Нарушение авторских прав?; Мы поможем в написании вашей работы!


Нам важно ваше мнение! Был ли полезен опубликованный материал? Да | Нет



studopedia.su - Студопедия (2013 - 2026) год. Все материалы представленные на сайте исключительно с целью ознакомления читателями и не преследуют коммерческих целей или нарушение авторских прав! Последнее добавление




Генерация страницы за: 0.011 сек.