Студопедия

КАТЕГОРИИ:


Архитектура-(3434)Астрономия-(809)Биология-(7483)Биотехнологии-(1457)Военное дело-(14632)Высокие технологии-(1363)География-(913)Геология-(1438)Государство-(451)Демография-(1065)Дом-(47672)Журналистика и СМИ-(912)Изобретательство-(14524)Иностранные языки-(4268)Информатика-(17799)Искусство-(1338)История-(13644)Компьютеры-(11121)Косметика-(55)Кулинария-(373)Культура-(8427)Лингвистика-(374)Литература-(1642)Маркетинг-(23702)Математика-(16968)Машиностроение-(1700)Медицина-(12668)Менеджмент-(24684)Механика-(15423)Науковедение-(506)Образование-(11852)Охрана труда-(3308)Педагогика-(5571)Полиграфия-(1312)Политика-(7869)Право-(5454)Приборостроение-(1369)Программирование-(2801)Производство-(97182)Промышленность-(8706)Психология-(18388)Религия-(3217)Связь-(10668)Сельское хозяйство-(299)Социология-(6455)Спорт-(42831)Строительство-(4793)Торговля-(5050)Транспорт-(2929)Туризм-(1568)Физика-(3942)Философия-(17015)Финансы-(26596)Химия-(22929)Экология-(12095)Экономика-(9961)Электроника-(8441)Электротехника-(4623)Энергетика-(12629)Юриспруденция-(1492)Ядерная техника-(1748)

J.2.3 Углы рам с размыкающим моментом




B) Значительно различающиеся высоты колонны и балки

J.2.2 Углы рам с замыкающим моментом

J.2.1 Общие положения

J.2 Углы рам

(1) Прочность бетона s Rd ,max, должна быть определена согласно 6.5.2 (сжатые зоны с поперечной арматурой или без нее).

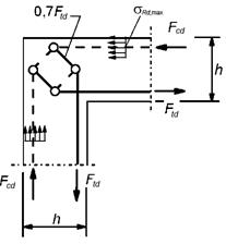
(1) При почти равных высотах колонны и балки (2/3 < h 2/ h 1 < 3/2) (см. рисунок J.2 а)) не требуется проверка хомутов или длин анкеровки в зоне примыкания колонны и балки, если вся растянутая арматура балки загнута вокруг угла.

(2) На рисунке J.2 b) показана модель «распорка и тяж» при h 2/ h 1 < 2/3 с ограниченным пределом tanq.

Примечание — Значения пределов для tanq, применяемые в конкретной стране, могут быть приведены
в национальном приложении. Рекомендуемое значение для нижнего предела — 0,4, а рекомендуемое значение для верхнего предела — 1.

(3) Длина анкеровки lbd должна быть определена для усилия D Ftd = Ftd 2Ftd 1.

(4) Арматура должна быть установлена для восприятия поперечных растягивающих усилий перпендикулярно к плоскости узла.

а) Почти равная высота колонны и балки

Рисунок J.2 — Угол рамы с замыкающим моментом. Модель и армирование

 

(1) При примерно равных высотах колонны и балки могут быть использованы модели «распорка и тяж», приведенные на рисунках J.3 a) и J.4 а). Арматура должна быть установлена в зоне угла в виде петли, или как два нахлестывающихся друг на друга U-образных стержня в комбинации с наклонными хомутами, как это показано на рисунках J.3 b) и с) и на рисунках J.4 b) и с).

(2) При больших размыкающих моментах диагональный стержень и хомуты против откалывания должны быть установлены как показано на рисунке J.4.

 

a) Модель «распорка и тяж» b) и c) Конструирование арматуры

Рисунок J.3 — Угол рамы с умеренным размыкающим моментом

(например, As / bh £ 2 %)

a) Модель «распорка и тяж» b) и c) Конструирование арматуры

Рисунок J.4 — Угол рамы с большим размыкающим моментом

(например, As / bh > 2 %)




Поделиться с друзьями:


Дата добавления: 2015-06-26; Просмотров: 552; Нарушение авторских прав?; Мы поможем в написании вашей работы!


Нам важно ваше мнение! Был ли полезен опубликованный материал? Да | Нет



studopedia.su - Студопедия (2013 - 2026) год. Все материалы представленные на сайте исключительно с целью ознакомления читателями и не преследуют коммерческих целей или нарушение авторских прав! Последнее добавление




Генерация страницы за: 0.011 сек.