Студопедия

КАТЕГОРИИ:


Архитектура-(3434)Астрономия-(809)Биология-(7483)Биотехнологии-(1457)Военное дело-(14632)Высокие технологии-(1363)География-(913)Геология-(1438)Государство-(451)Демография-(1065)Дом-(47672)Журналистика и СМИ-(912)Изобретательство-(14524)Иностранные языки-(4268)Информатика-(17799)Искусство-(1338)История-(13644)Компьютеры-(11121)Косметика-(55)Кулинария-(373)Культура-(8427)Лингвистика-(374)Литература-(1642)Маркетинг-(23702)Математика-(16968)Машиностроение-(1700)Медицина-(12668)Менеджмент-(24684)Механика-(15423)Науковедение-(506)Образование-(11852)Охрана труда-(3308)Педагогика-(5571)Полиграфия-(1312)Политика-(7869)Право-(5454)Приборостроение-(1369)Программирование-(2801)Производство-(97182)Промышленность-(8706)Психология-(18388)Религия-(3217)Связь-(10668)Сельское хозяйство-(299)Социология-(6455)Спорт-(42831)Строительство-(4793)Торговля-(5050)Транспорт-(2929)Туризм-(1568)Физика-(3942)Философия-(17015)Финансы-(26596)Химия-(22929)Экология-(12095)Экономика-(9961)Электроника-(8441)Электротехника-(4623)Энергетика-(12629)Юриспруденция-(1492)Ядерная техника-(1748)

Полупроводниковый диод

Вопрос №2 – Электроника

Перевод

Полупроводниковый диод

двухэлектродный электронный прибор на основе полупроводникового (ПП) кристалла. Понятие «П. д.» объединяет различные приборы с разными принципами действия, имеющие разнообразное назначение. Система классификации П. д. соответствует общей системе классификации полупроводниковых приборов (См. Полупроводниковые приборы). В наиболее распространённом классе электропреобразовательных П. д. различают: выпрямительные диоды, импульсные диоды, стабилитроны, диоды СВЧ (в т. ч. видеодетекторы, смесительные, параметрические, усилительные и генераторные, умножительные, переключательные). Среди оптоэлектронных П. д. выделяют фотодиоды, светоизлучающие диоды и ПП квантовые генераторы.

Наиболее многочисленны П. д., действие которых основано на использовании свойств электронно-дырочного перехода (См. Электронно-дырочный переход)(р—n -перехода). Если к р—n -переходу диода (рис. 1) приложить напряжение в прямом направлении (т. н. прямое смещение), т. е. подать на его р-область положительный потенциал, то Потенциальный барьер, соответствующий переходу, понижается и начинается интенсивная инжекция дырок из р -области в n -область и электронов из n -области в р -область — течёт большой прямой ток (рис. 2). Если приложить напряжение в обратном направлении (обратное смещение), то потенциальный барьер повышается и через р—n- переход протекает лишь очень малый ток неосновных носителей заряда (обратный ток). На рис. 3 приведена эквивалентная схема такого П. д.

На резкой несимметричности вольтамперной характеристики (ВАХ) основана работа выпрямительных (силовых) диодов. Для выпрямительных устройств и др. сильноточных электрических цепей выпускаются выпрямительные П. д., имеющие допустимый выпрямленный ток Iв до 300 а и максимальное допустимое обратное напряжение U*обр от 20—30 в до 1—2 кв. П. д. аналогичного применения для слаботочных цепей имеют Iв < 0,1 а и называются универсальными. При напряжениях, превышающих U*o6p, ток резко возрастает, и возникает необратимый (тепловой) пробой р—n -перехода, приводящий к выходу П. д. из строя. С целью повышения U*обр до нескольких десятков кв используют выпрямительные столбы (См. Выпрямительный столб), в которых несколько одинаковых выпрямительных П. д. соединены последовательно и смонтированы в общем пластмассовом корпусе. Инерционность выпрямительных диодов, обусловленная тем, что время жизни инжектированных дырок (см. Полупроводники) составляет > 10-5—10-4 сек, ограничивает частотный предел их применения (обычно областью частот 50—2000 гц).

Использование специальных технологических приёмов (главным образом легирование германия и кремния золотом) позволило снизить время переключения до 10-7 10-10 сек и создать быстродействующие импульсные П. д., используемые, наряду с диодными матрицами (См. Диодная матрица), главным образом в слаботочных сигнальных цепях ЭВМ.

При невысоких пробивных напряжениях обычно развивается не тепловой, а обратимый лавинный пробой р—n -перехода — резкое нарастание тока при почти неизменном напряжении, называется напряжением стабилизации U. На использовании такого пробоя основана работа полупроводниковых стабилитронов (См. Полупроводниковый стабилитрон). Стабилитроны общего назначения с U c т от 3—5 в до 100—150 в применяют главным образом в стабилизаторах и ограничителях постоянного и импульсного напряжения; прецизионные стабилитроны, у которых встраиванием компенсирующих элементов достигается исключительно высокая температурная стабильность U (до 1․10-5— 5․10-6 К-1), — в качестве источников эталонного и опорного напряжений.

В предпробойной области обратный ток диода подвержен очень значительным флуктуациям; это свойство р—n- перехода используют для создания генераторов шума. Инерционность развития лавинного пробоя в р—n -переходе (характеризующаяся временем 10-9—10-10 сек)обусловливает сдвиг фаз между током и напряжением в диоде, вызывая (при соответствующей схеме включения его в электрическую цепь) генерирование СВЧ колебаний. Это свойство успешно используют в лавинно-пролётных полупроводниковых диодах (См. Лавинно-пролётный полупроводниковый диод), позволяющих осуществлять генераторы с частотами до 150 Ггц.

Для детектирования и преобразования электрических сигналов в области СВЧ используют смесительные П. д. и видеодетекторы, в большинстве которых р—n -переход образуется под точечным контактом. Это обеспечивает малое значение ёмкости Св (рис. 3), а специфическое, как и у всех СВЧ диодов, конструктивное оформление обеспечивает малые значения паразитных индуктивности Lk и ёмкости Ск и возможность монтажа диода в волноводных системах.

При подаче на р—n -переход обратного смещения, не превышающего U*обр, он ведёт себя как высокодобротный конденсатор, у которого ёмкость Св зависит от величины приложенного напряжения. Это свойство используют в Варикапах, применяемых преимущественно для электронной перестройки резонансной частоты колебательных контуров, в параметрических полупроводниковых диодах (См. Параметрический полупроводниковый диод), служащих для усиления СВЧ колебаний, в варакторах и умножительных диодах, служащих для умножения частоты колебаний в диапазоне СВЧ. В этих П. д. стремятся уменьшить величину сопротивления rб (основной источник активных потерь энергии) и усилить зависимость ёмкости Св от напряжения Uo6p.

У р—n -перехода на основе очень низкоомного (вырожденного) полупроводника область, обеднённая носителями заряда, оказывается очень тонкой (Полупроводниковый диод 10-2 мкм), и для неё становится существенным туннельный механизм перехода электронов и дырок через потенциальный барьер (см. Туннельный эффект). На этом свойстве основана работа туннельного диода (См. Туннельный диод), применяемого в сверхбыстродействующих импульсных устройствах (например, Мультивибраторах, Триггерах), в усилителях и генераторах колебаний СВЧ, а также обращенного диода, применяемого в качестве детектора слабых сигналов и смесителя СВЧ колебаний. Их ВАХ (рис. 4) существенно отличаются от ВАХ других П. д. как наличием участка с «отрицательной проводимостью», ярко выраженной у туннельного диода, так и высокой проводимостью при нулевом напряжении.

К П. д. относят также ПП приборы с двумя выводами, имеющие неуправляемую четырёхслойную р—n—р—n -структуру и называют динисторами (см. Тиристор), а также приборы, использующие объёмный эффект доменной неустойчивости в ПП структурах без р—n -перехода — Ганна диоды. В П. д. используют и др. разновидности ПП структур: контакт металл — полупроводник (см. Шотки эффект, Шотки диод)и р—i—n -структуру, характеристики которых во многом сходны с характеристиками р—n -перехода. Свойство р—i—n -структуры изменять свои электрические характеристики под действием излучения используют, в частности, в Фотодиодах и детекторах ядерных излучений (См. Детекторы ядерных излучений), устроенных т. о., что фотоны или ядерные частицы могут поглощаться в активной области кристалла, непосредственно примыкающей к р—n -переходу, и изменять величину обратного тока последнего. Эффект излучательной рекомбинации (См. Рекомбинация) электронов и дырок, проявляющийся в свечении некоторых р—n -переходов при протекании через них прямого тока, используется в светоизлучающих диодах (См. Светоизлучающий диод). К П. д. могут быть отнесены также и полупроводниковые лазеры (См. Полупроводниковый лазер).

Большинство П. д. изготавливают, используя планарно-эпитаксиальную технологию (см. Планарная технология), которая позволяет одновременно получать до нескольких тысяч П. д. В качестве полупроводниковых материалов (См. Полупроводниковые материалы) для П. д. применяют главным образом Si, а также Ge, GaAs, GaP и др., в качестве контактных материалов — Au, Al, Sn, Ni, Cu. Для защиты кристалла П. д. его обычно помещают в металло-стеклянный, металло-керамический, стеклянный или пластмассовый корпус (рис. 5).

В СССР для обозначения П. д. применяют шестизначный шифр, первая буква которого характеризует используемый полупроводник, вторая — класс диода, цифры определяют порядковый номер типа, а последняя буква — его группу (например, ГД402А — германиевый универсальный диод; КС196Б — кремниевый стабилитрон).

От своих электровакуумных аналогов, например Кенотрона, газоразрядного Стабилитрона, индикатора газоразрядного (См. Индикаторы газоразрядные), П. д. отличаются значительно большими надёжностью и долговечностью, меньшими габаритами, лучшими техническими характеристиками, меньшей стоимостью и поэтому вытесняют их в большинстве областей применения.

С развитием ПП электроники совершился переход к производству наряду с дискретными П. д. диодных структур в ПП монолитных интегральных схемах (См. Интегральная схема)и функциональных устройствах, где П. д. неотделим от всей конструкции устройства.

Об исторических сведениях см. в ст. Полупроводниковая электроника.

Лит.: Полупроводниковые диоды. Параметры. Методы измерений, М., 1968; Федотов Я. А., Основы физики полупроводниковых приборов, М., 1970; Пасынков В. В., Чиркин Л. К., Шинков А. Д., Полупроводниковые приборы, М., 1973; Зи С. М., Физика полупроводниковых приборов, пер. с англ., М., 1973.

Ю. Р. Носов.

Рис. 1. Структурная схема полупроводникового диода с р — n-переходом: 1 — кристалл; 2 — выводы (токоподводы); 3 — электроды (омические контакты); 4 — плоскость р — n-перехода.

Рис. 2. Типичная вольтамперная характеристика полупроводникового диода с р — n-переходом: U — напряжение на диоде; I — ток через диод; U*oбр и I*oбр — максимальное допустимое обратное напряжение и соответствующий обратный ток; U — напряжение стабилизации.

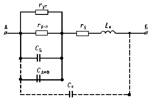
Рис. 3. Малосигнальная (для низких уровней сигнала) эквивалентная схема полупроводникового диода с р — n-переходом: rp-n — нелинейное сопротивление р — n-перехода; rб — сопротивление объёма полупроводника (базы диода); r — сопротивление поверхностных утечек; СБ — барьерная ёмкость р — n-перехода; Сдиф — диффузионная ёмкость, обусловленная накоплением подвижных зарядов в базе при прямом напряжении; Ск — ёмкость корпуса; Lк — индуктивность токоподводов; А и Б — выводы. Сплошной линией показано подключение элементов, относящихся к собственно р — n-переходу.

Рис. 4. Вольтамперные характеристики туннельного (1) и обращенного (2) диодов: U — напряжение на диоде; I — ток через диод.

Рис. 5. Полупроводниковые диоды (внешний вид): 1 — выпрямительный диод; 2 — фотодиод; 3 — СВЧ диод; 4 и 5 — диодные матрицы; 6 — импульсный диод. Корпуса диодов: 1 и 2 — металло-стеклянные; 3 и 4 — металло-керамические; 5 — пластмассовый; 6 — стеклянный.

 

<== предыдущая лекция | следующая лекция ==>
Принцип гуманизма | Архитектура информационных систем. Локальная, клиент-сервер, двух и трехуровневая архитектура
Поделиться с друзьями:


Дата добавления: 2015-06-04; Просмотров: 434; Нарушение авторских прав?; Мы поможем в написании вашей работы!


Нам важно ваше мнение! Был ли полезен опубликованный материал? Да | Нет



studopedia.su - Студопедия (2013 - 2026) год. Все материалы представленные на сайте исключительно с целью ознакомления читателями и не преследуют коммерческих целей или нарушение авторских прав! Последнее добавление




Генерация страницы за: 0.013 сек.