Студопедия

КАТЕГОРИИ:


Архитектура-(3434)Астрономия-(809)Биология-(7483)Биотехнологии-(1457)Военное дело-(14632)Высокие технологии-(1363)География-(913)Геология-(1438)Государство-(451)Демография-(1065)Дом-(47672)Журналистика и СМИ-(912)Изобретательство-(14524)Иностранные языки-(4268)Информатика-(17799)Искусство-(1338)История-(13644)Компьютеры-(11121)Косметика-(55)Кулинария-(373)Культура-(8427)Лингвистика-(374)Литература-(1642)Маркетинг-(23702)Математика-(16968)Машиностроение-(1700)Медицина-(12668)Менеджмент-(24684)Механика-(15423)Науковедение-(506)Образование-(11852)Охрана труда-(3308)Педагогика-(5571)Полиграфия-(1312)Политика-(7869)Право-(5454)Приборостроение-(1369)Программирование-(2801)Производство-(97182)Промышленность-(8706)Психология-(18388)Религия-(3217)Связь-(10668)Сельское хозяйство-(299)Социология-(6455)Спорт-(42831)Строительство-(4793)Торговля-(5050)Транспорт-(2929)Туризм-(1568)Физика-(3942)Философия-(17015)Финансы-(26596)Химия-(22929)Экология-(12095)Экономика-(9961)Электроника-(8441)Электротехника-(4623)Энергетика-(12629)Юриспруденция-(1492)Ядерная техника-(1748)

Який елемент входить до складу вакуумної установки?




Яка марка маніпулятора доїння?

Яка доїльна установка розрахована на обслуговування стада до 15 корів на невеликих фермерських господарствах?

Зі зниженням температури в’язкість молока …?

Яка доїльна установка використовується для доїння корів у молокопровід?

Яка доїльна установка комплектується паралельно-прохідними станками?

Яке стадо по поголів’ю обслуговує доїльна установка УДМ-100?

За яких умов відбувається такт відпочинку в доїльних стаканах?

Який такт відсутній у двотактному доїльному апараті?

Яку температуру має молоко, що виходить із вимені (0С)?

а) 32-33

б) 35-37 +

в) 39-40

г) 42-43

Л-1, с. 196

 

а) відпочинку +

б) ссання

в) стиску

г) правильної відповіді немає

Л-1, с. 157; Л-2, с. 315

 

 

67. Яка продуктивність очисника-охолодника молока ОМ-1 (л/год)?

а) 400

б) 500

в) 1000 +

г) 1200

Л-1, с. 199

 

а) у піддійковій камері – вакуум, міжстінковій камері – атмосферний тиск

б) в обох камерах – атмосферний тиск +

в) в обох камерах – вакуум

г) у піддійковій камері – атмосферний тиск, міжстінковій камері – вакуум

Л-1, с. 157

а) 100 голів +

б) 200-300 голів

в) 400 голів

г) 800 голів

Л-1, с. 175; Л-2, с. 335, 342

 

а) УДА-8А “Тандем”

б) УДМ-100 “Брацлавчанка”

в) УДБ-100А, ДАС-2В

г) УДС-3Б +

Л-1, с. 189

 

71. Яка доїльна установка використовуються при доїнні корів на пасовищах?

а) УДА-8А, УДА-16А

б) АДМ-8А, УДМ-100 “Брацлавчанка”

в) УДП-8 +

г)УДБ-100, ДАС-2В

Л-1, с.189

 

а) АДМ-8А +

б) ДАС-2Б

в) АД-100А

г) усі відповіді правильні

Л-1, с. 183; Л-2, с. 82

 

73. Вузли, що входять до складу доїльного апарата:

а) колектор +

б) вакуум-регулятор

в) вакуумметр

г) лічильник молока

Л-1, с.157

 

а) збільшується +

б) зменшується

в) залишається сталою

г) зменшується або залишається сталою

Л-1, с. 203

 

а) УДМ-100

б) УІД-10С +

в) УДБ-100

г) УДТ-8

Л-1, с. 191; Л-2, с. 351

 

а) УЗМ-1А

б) АДМ-24.000

в) МД-Ф-1 +

г) АДУ-1

Л-1, с. 193; Л-2, с. 349

 

77. Пульсатор доїльного апарату має такі функції:

а) видоює молоко

б) створює пульсації для масажування вимені

в) перетворює постійний вакуум у пульсуючий +

г) згладжує вакууметричний тиск

Л-1, с. 158; Л-2, с. 318

 

а) вакуумний трубопровід

б) регулятор вакууму +

в) манометр

г) колектор

Л-1, с.176

 

79. Вакуумна установка УВУ-60/45 має насос:

а) поршневий

б) відцентровий

в) ротаційний +

г) вібраційний

Л-1, с. 175; Л-2, с. 335

 

80. Очищення молока проводять за допомогою:

а) вихрового очисника

б) вібраційного очисника

в) відцентрового очисника +

г) осьового очисника

Л-1, с. 198; Л-2, с. 33

 


81. За яких умов відбувається такт ссання в доїльному стакані:

а) в обох камерах – вакуум +

б) у піддійковій камері – вакуум, міжстінковій камері – атмосферний тиск

в) в обох камерах – атмосферний тиск

г) у піддійковій камері – атмосферний тиск, міжстінковій камері –вакуум

Л-1, с. 157; Л-2, с. 316

 

82. На рисунку зображено:

 

а) пульсатор АДУ 02.00 доїльного апарата АДУ-1

б) колектор доїльного апарата АДУ-1 двотактного виконання +

в) пристрій зоотехнічного обліку молока УЗМ-1А

г) колектор доїльного апарата АДУ-1 тритактного виконання

Л-1, с. 161; Л-2, с. 321

 

83. Охолодження молока виконують за допомогою:

а) компресорних установок

б) вакуумних установок

в) пластинчастих апаратів +

г) відцентрових установок

Л-1, с. 198; Л-2, с. 353

 

84. Який з приладів (частин) доїльного апарату розподіляє вакуум в міжстінкові і підсоскові камери доїльних стаканів:

а) колектор +

б) пульсатор

в) вакуум-регулятор

г) вакуумний насос

Л-1, с. 158; Л-2, с. 318

 


85. На рисунку зображено схему:

а) установки групового доїння УІД-20

б) установки індивідуального доїння УІД-10С +

в) установки доїння на пасовищах УДП-100

г) установки доїння на майданчиках УДТ-8

Л-1, с. 191; Л-2, с. 351

 

86. Доїльні установки ДАС-2Б та УДБ-100 призначені для доїння корів у:

а) стійлах зі збиранням молока у молокопроводи

б) стійлах зі збиранням молока у відра +

в) станках стаціонарних доїльних залів у молокопровід

г) доїльних залах

Л-1, с. 180; Л-2, с. 340

 

87. Вакуумний балон виконує функцію:

а) поглиблення величини вакууму та накопичування

б) регулювання величини вакууму та відстійника

в) вирівнювання коливання вакууму в системі та захисту насоса від потрапляння вологи і бруду +

г) вирівнювання коливання вакууму в системі

Л-1, с. 155

 

88. Виконавчим елементом доїльної машини є:

а) балон

б) доїльний апарат +

в) вакуумметр

г) вакуумний насос

Л-1, с. 155; Л-2, с. 314

89. Молокозбірник АДМ-24.000 призначений для:

а) збирання молока з молокопроводів і відокремлення його від повітря +

б) збирання молока з молокопроводів


в) відокремлення молока від повітря

г) зберігання молока

Л-1, с. 178; Л-2, с. 338

 

 

90. На рисунку зображено схему:

а) пастеризатора молока П-12

б) очисника-охолодника ОМ-1

в) сепаратора СОМ-3-1000 +

г) пастеризатора молока ОПД-1М

Л-1, с. 202; Л-2, с. 358

 

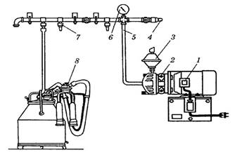
91. На рисунку зображенозагальний вигляд:

 

а) маніпулятора доїння

б) пересувної установки для доїння корів +

в) вакуумної установки

г) насосної установки

Л-1, с. 192; Л-2, с. 352

 





Поделиться с друзьями:


Дата добавления: 2015-07-02; Просмотров: 2347; Нарушение авторских прав?; Мы поможем в написании вашей работы!


Нам важно ваше мнение! Был ли полезен опубликованный материал? Да | Нет



studopedia.su - Студопедия (2013 - 2026) год. Все материалы представленные на сайте исключительно с целью ознакомления читателями и не преследуют коммерческих целей или нарушение авторских прав! Последнее добавление




Генерация страницы за: 0.013 сек.