Студопедия

КАТЕГОРИИ:


Архитектура-(3434)Астрономия-(809)Биология-(7483)Биотехнологии-(1457)Военное дело-(14632)Высокие технологии-(1363)География-(913)Геология-(1438)Государство-(451)Демография-(1065)Дом-(47672)Журналистика и СМИ-(912)Изобретательство-(14524)Иностранные языки-(4268)Информатика-(17799)Искусство-(1338)История-(13644)Компьютеры-(11121)Косметика-(55)Кулинария-(373)Культура-(8427)Лингвистика-(374)Литература-(1642)Маркетинг-(23702)Математика-(16968)Машиностроение-(1700)Медицина-(12668)Менеджмент-(24684)Механика-(15423)Науковедение-(506)Образование-(11852)Охрана труда-(3308)Педагогика-(5571)Полиграфия-(1312)Политика-(7869)Право-(5454)Приборостроение-(1369)Программирование-(2801)Производство-(97182)Промышленность-(8706)Психология-(18388)Религия-(3217)Связь-(10668)Сельское хозяйство-(299)Социология-(6455)Спорт-(42831)Строительство-(4793)Торговля-(5050)Транспорт-(2929)Туризм-(1568)Физика-(3942)Философия-(17015)Финансы-(26596)Химия-(22929)Экология-(12095)Экономика-(9961)Электроника-(8441)Электротехника-(4623)Энергетика-(12629)Юриспруденция-(1492)Ядерная техника-(1748)

Конструкции баков аккумуляторов




1. Верхнее расположение – открытые баки.

1 – слив горячей воды

2 – пароотводящий патрубок

3 – отвод горячей воды в систему горячего водоснабжения

4 – поддон

5 – опорный брус

6 – дренажный штуцер

7 – переливная воронка

8 – переливная труба

9 – водоотводящая труба для удаления конденсата из поддона

 

В открытых системах не предусматривается открытых баков.

б) нижнее размещение баков аккумуляторов.

 

Напорные баки, как правило, из Ме.

Количество Б.А. в СГВ не менее двух на 50 % рабочего объёма каждый. Баки аккумуляторы размещаются в вент. помещениях, следует предусматривать свободный проход. Н = 2,2 м.

 

1.3 – 3 Расчёт и подбор баков - аккумуляторов.

Расчёт и подбор Б.А. производят в соответствии с суточным графиком потребления г.в.

Потребление г.в. по часам суток неравномерно. Наблюдается два Max водоразбора:

- утренний 7-10 часов =

- вечерний в 2 и более раза больше вор.

- коэффициент часовой неравномерности, чем меньше потребителей, тем больше К.

 

0-2

2-4

4-6

6-8

8-10

10-12

12-16

16-18

18-20

20-22

22-24

 

Час суточный график показывает, что пик в разное время суток. На основании часового графика строят интегральный график расходуемого и выработанного тепла в системе г.в. для определения ёмкости Б.А.

Суточный график строят по среднечасовой тепловой нагрузке.

,где

; где

Выработка неравномерности в течение суток.

 

Ёмкость Б.А. определяется в зависимости от их вида.

(для открытого Б.А.(верхняя установка))

При t = const, v = var.

 

при t = var, v = const

- мах и min температура воды входящие в Б.А.

Ёмкость Б.А. со змеевиком должна быть увеличена против расчётных на 20-30 %.

 

1.3 – 4 Определение ёмкости Б.А. в разное время суток.

а) в начале суток

 

б) в середине суток

 

в) в середине суток

 

Ёмкость А будет Min, если И.Т. будет работать в Мах потреблении тепла, т.к. выражает потребление тепла и чем меньше , тем меньше , в конце суток min.

 

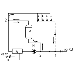
1.3 – 5 Схемы СГВ с баками – аккумуляторами.

 

t = var, v =const.

При отсутствии водоразбора вся г.в. из Б. поступает в СГВ и А, вытесняя из него х.в. сверху вниз.

Вытеснённая вода, смешиваясь с циркуляционной водой, проходит через Б. и вновь поступает в СГВ и А. ().

При водоразборе убыль воды в СГВ пополняется из х.в., а поступление г.в. в А. уменьшается на величину установившегося водоразбора.

Разрядка.

Когда разбор СГВ становится равным производительности Н и Б., давление в циркуляционном трубопроводе падает и закрывается ОК, прекращается циркуляция воды.

При мах водоразборе превышающем производительность установки давление в разводящих трубопроводах становится меньше давления в водопроводе. Тогда под давление х.в. недостающее количество г.в. будет вытесняться из Б.А. снизу вверх.

б) t = const, v = var.

 

При среднем водоразборе уровень воды баке не меняется, при ,

при увеличивается. При отсутствии водоразбора проходит только циркуляционный расход.

 

 




Поделиться с друзьями:


Дата добавления: 2015-06-27; Просмотров: 545; Нарушение авторских прав?; Мы поможем в написании вашей работы!


Нам важно ваше мнение! Был ли полезен опубликованный материал? Да | Нет



studopedia.su - Студопедия (2013 - 2025) год. Все материалы представленные на сайте исключительно с целью ознакомления читателями и не преследуют коммерческих целей или нарушение авторских прав! Последнее добавление




Генерация страницы за: 0.008 сек.