Студопедия

КАТЕГОРИИ:


Архитектура-(3434)Астрономия-(809)Биология-(7483)Биотехнологии-(1457)Военное дело-(14632)Высокие технологии-(1363)География-(913)Геология-(1438)Государство-(451)Демография-(1065)Дом-(47672)Журналистика и СМИ-(912)Изобретательство-(14524)Иностранные языки-(4268)Информатика-(17799)Искусство-(1338)История-(13644)Компьютеры-(11121)Косметика-(55)Кулинария-(373)Культура-(8427)Лингвистика-(374)Литература-(1642)Маркетинг-(23702)Математика-(16968)Машиностроение-(1700)Медицина-(12668)Менеджмент-(24684)Механика-(15423)Науковедение-(506)Образование-(11852)Охрана труда-(3308)Педагогика-(5571)Полиграфия-(1312)Политика-(7869)Право-(5454)Приборостроение-(1369)Программирование-(2801)Производство-(97182)Промышленность-(8706)Психология-(18388)Религия-(3217)Связь-(10668)Сельское хозяйство-(299)Социология-(6455)Спорт-(42831)Строительство-(4793)Торговля-(5050)Транспорт-(2929)Туризм-(1568)Физика-(3942)Философия-(17015)Финансы-(26596)Химия-(22929)Экология-(12095)Экономика-(9961)Электроника-(8441)Электротехника-(4623)Энергетика-(12629)Юриспруденция-(1492)Ядерная техника-(1748)

Принципиальные схемы




Принципиальные схемы



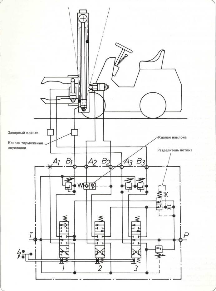
Пример управления автопогрузчика с вильчатым захватом Если слив рабочей жидкости в бак превышает подачу,

то давление уменьшается. Пружина клапана толкает Эта система выполнена в виде блока управления.

поршень в направлении закрытия клапана до тех пор,

Блок состоит из трех управляющих золотников распре- пока не восстановится равновесие.

делителей, включенных параллельно. Этот регулирующий контур компенсирует влияние веса

Распределитель 1 цилиндра хода гРУза на скорость наклона. То есть, тормозной клапан

регулирует скорость наклона независимо от груза в со-
Распределитель 2 цилиндра наклона „ _ /

ответствии с подачей рабочей жидкости.

Распределитель 3 дополнительного гидрооборудования,

к В точках подключения потребителей на распределителях

1 и 3 устанавливаются изображенные на схеме клапаны
Когда элементы управления (шестиходовые распредели- ограничения вторичного давления.

тели) находятся в исходном положении, рабочая жид-

Для включения элементов управления концы поршней
кость в гидросистеме циркулирует из точки подключе-. „

на стороне подключения А или В оснащаются вилкой ния насоса Р в точку подключения бака Т без напора.

или язычком, к которым присоединяется система тяг.

Кроме того, на них можно установить включающие ру-

Включая отдельные элементы управления (1, 2 и 3), мы коятки с рычагами.

управляем потребителями. Для включения электровыключателя, например, при

В канале Р дополнительно устанавливается разделитель включении электрического двигателя в электропогруз-

потока. Независимо от нагрузки он осуществляет дози- чиках, на управляющих золотниках можно установлить

ровку потока в направлении клапанов 2 (наклонных ци- систему тяг, с помощью которых включаются клапаны,

линдров) иЗ (дополнительное гидравлическое оборудо- приводящие в действие электродвигатель и насос,
вание) по заданной величине.

Таким образом, даже при большом подъеме поршней достигается точное регулирование скорости наклона. Редукция потока обеспечивается с помощью распредели­телей потока с минимальными потерями, поскольку давление насоса не намного выше давления потребителя.

Остаток рабочей жидкости поступает через отдельный канал (параллельное включение) в распределитель 1 (подъемный цилиндр). Если клапан 1 не включен, оста­ток рабочей жидкости сливается в бак.

Если распределитель 1 и распределитель 2 или 3 вклю­чаются одновременно, разделитель потока обеспечивает равномерную подачу рабочей жидкости в потребители, имеющие разное давление.

Когда включается только распределитель 1, вся рабочая жидкость из насоса через циркуляционный канал стекает в подъемный цилиндр. Разделитель потока в этом случае устанавливается вне контура циркуляции рабочей жид­кости.

Тормозной клапан для наклона груза (клапан наклона)

Управляющий распределитель 2 в точках подключении А2 или В2 можно оснастит встроенным тормозным кла­паном, предотвращающим нежелательное ускорение (опережение) груза при наклоне.

Поршень тормозного клапана позволяет находящейся под нагрузкой рабочей жидкости стекать в бак до тех пор, пока в приточном трубопроводе не устанавливает­ся давление, соответствующее усилию пружины тормоз­ного клапана (ок. 30 бар).

*






Поделиться с друзьями:


Дата добавления: 2015-06-27; Просмотров: 275; Нарушение авторских прав?; Мы поможем в написании вашей работы!


Нам важно ваше мнение! Был ли полезен опубликованный материал? Да | Нет



studopedia.su - Студопедия (2013 - 2026) год. Все материалы представленные на сайте исключительно с целью ознакомления читателями и не преследуют коммерческих целей или нарушение авторских прав! Последнее добавление




Генерация страницы за: 0.01 сек.