Студопедия

КАТЕГОРИИ:


Архитектура-(3434)Астрономия-(809)Биология-(7483)Биотехнологии-(1457)Военное дело-(14632)Высокие технологии-(1363)География-(913)Геология-(1438)Государство-(451)Демография-(1065)Дом-(47672)Журналистика и СМИ-(912)Изобретательство-(14524)Иностранные языки-(4268)Информатика-(17799)Искусство-(1338)История-(13644)Компьютеры-(11121)Косметика-(55)Кулинария-(373)Культура-(8427)Лингвистика-(374)Литература-(1642)Маркетинг-(23702)Математика-(16968)Машиностроение-(1700)Медицина-(12668)Менеджмент-(24684)Механика-(15423)Науковедение-(506)Образование-(11852)Охрана труда-(3308)Педагогика-(5571)Полиграфия-(1312)Политика-(7869)Право-(5454)Приборостроение-(1369)Программирование-(2801)Производство-(97182)Промышленность-(8706)Психология-(18388)Религия-(3217)Связь-(10668)Сельское хозяйство-(299)Социология-(6455)Спорт-(42831)Строительство-(4793)Торговля-(5050)Транспорт-(2929)Туризм-(1568)Физика-(3942)Философия-(17015)Финансы-(26596)Химия-(22929)Экология-(12095)Экономика-(9961)Электроника-(8441)Электротехника-(4623)Энергетика-(12629)Юриспруденция-(1492)Ядерная техника-(1748)

Состав курсового проекта




ЗАДАНИЕ К КУРСОВОМУ ПРОЕКТУ.

И.А. Черников, ассистент

 

 

Рецензент: ведущий инженер районных тепловых

сетей (РТС) г. Бреста Кузьмин В.Н.

 

© Учреждение образования

«Брестский государственный технический университет» 2004

ОГЛАВЛЕНИЕ

стр.

1. Задание к курсовому проекту.................................…….......….4

1.1. Исходные данные для выполнения курсового проекта….….4

2. Состав курсового проекта.....................……….......………..…7

3. Методические указания к выполнению курсового проекта....8

3.1. Общая часть........…………………… …………………………8

3.2. Теплотехнический расчет наружных ограждающих

конструкций.............………………......………………………..8

3.3. Проверка внутренней поверхности наружной стены на конденсацию влаги……………..………….……………..………..17

3.4. Проверка ограждающих конструкций на

воздухопроницаемость..........................……….. ……….…...17

3.5. Расчет тепловых потерь отдельными помещениями и зданием в целом. Определение потерь теплоты зданием по укрупненным измерителям.……………….………….….……...…..18

3.6. Основные принципы конструирования системы водяного отопления………………………………….…….………..…..31

3.6.1. Выбор типа отопительных приборов, размещение их в здании и присоединение к трубопроводам системы отопления………………………………………..………..………..….32

3.6.2.Определение поверхности нагрева отопительных приборов………………………………………………………….....33

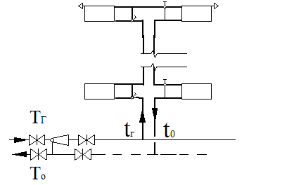
3.6.3.Тепловой пункт. Принципиальные схемы узлов присоединения системы водяного отопления здания к наружным тепловым сетям и их оборудование……………………………....43

3.6.4. Гидравлический расчет системы водяного отопления……..49

3.7 Конструирование и аэродинамический расчет естественной канальной вытяжной системы вентиляции…..………………61

3.7.1. Общие положения об устройстве естественной вытяжной канальной системы вентиляции и принцип ее работы………...61

3.7.2. Аэродинамический расчет естественной канальной вытяжной системы вентиляции…………………..……………...………...65

3.8 Приложения………………………………...……………….….69

Литература………………………………………….………..….77

 

Разработка проекта "Отопление и вентиляция жилого здания" имеет целью закрепить теоретические знания студентов, овладение приемами проектирования современных систем отопления и вентиляции.

Тема курсового проекта - отопление и вентиляция жилого здания.

Курсовой проект разрабатывается для 2-4-х этажного жилого здания.

Система центрального отопления – водяная двухтрубная или вертикальная однотрубная с искусственной циркуляцией, с верхней или нижней разводкой; параметры воды tГ = 95 105ОС; tО = 70 ОС.

Источник теплоснабжения - наружные тепловые сети от ТЭЦ, теплоноситель – перегретая вода с параметрами (ТГ и ТО, ОС).

Присоединение системы отопления здания к наружным тепловым сетям произвести в тепловом пункте, расположенном в подвале здания, по независимой схеме через водоподогреватель с циркуляционным насосом, либо по зависимой схеме со смесительной установкой (насосом на перемычке или водоструйным элеватором).

Система вентиляции - естественная канальная вытяжная.

Студенты выполняют курсовой проект по индивидуальному заданию, которое включает исходные данные для проектирования, перечень вопросов, подлежащих рассмотрению, объем графического материала с указанием чертежей и масштабов, сроки выдачи и сдачи курсового проекта. В исходных данных указываются район строительства, планы этажей и разрез здания, ориентация его главного фасада по сторонам света, характеристика наружных ограждающих конструкций здания (конструкции внутренних несущих стен и межкомнатных, межквартирных перегородок принимаются по усмотрению исполнителя в соответствии с действующими нормативами), тип системы отопления, схема узла присоединения системы отопления к тепловым сетям, температура воды в системе отопления дома (tГ и tО,ОС), в тепловых сетях (ТГ и ТО, 0С) и давление, передаваемое насосом (элеватором) в систему отопления для обеспечения циркуляции воды в ней (Р(Н)Э, кПа).

1.1. Исходные данные для выполнения курсового проекта

1. Район строительства - выбирают по табл.1

Таблица 1

Предпоследняя цифра 0,1   3,9 4,5   7,8
Район строительства (область) Брестская Витебская Гомельская Гродненская Минская Могилевская

 

 

2. Вариант конструкций ограждений здания - табл.2

Таблица 2

Последняя цифра                    
Номер варианта конструкций                    

3. Ориентация главного фасада по сторонам света - выбирают по табл.3

Таблица 3

Предпоследняя цифра                    
Ориентация С Ю В З СВ СЗ ЮВ ЮЗ СЗ Ю

4. Число этажей - табл.4

Таблица 4

Последняя цифра                    
Этажность                    

5. Вариант плана здания выбирают по табл.5

Таблица 5

Предпоследняя цифра                    
Номер варианта плана                    

6. Выбор вида системы водяного отопления - табл.6

Таблица 6

Последняя цифра шифра Вид системы отопления Схема стояков
0,1,2 Однотрубная с нижней разводкой, проточно-регули руемая с искусственной циркуляцией, П-образными стояками.
3,4 Однотрубная с верхней разводкой, проточно-регулируемая с искусственной циркуляцией.
  Двухтрубная с верхней разводкой с искусственной циркуляцией.
6,7 Однотрубная с верхней разводкой, с замыкающими участками с проходными кранами КРП на подводкам к отопительным приборам с искусственной циркуляцией.
8,9 Двухтрубная с нижней разводкой с искусственной циркуляцией.

Курсовой проект по отоплению и вентиляции жилого здания состоит из расчетно-пояснительной записки (30... 35 страниц рукописного текста) и графической части.

Расчетно-пояснительная записка включает следующие вопросы:

1. Общая часть.

2. Теплотехнический расчет наружных ограждающих конструкций здания.

3. Проверка внутренней поверхности наружной стены на конденсацию влаги.

4. Проверка ограждающих конструкций на воздухопроницаемость.

5.Расчет потерь теплоты отдельными помещениями и зданием в целом. Определение тепловых потерь здания по укрупненным измерителям.

6. Основные принципы конструирования системы отопления:

6.1. Выбор типа отопительных приборов, установка и присоединение приборов к трубопроводам системы отопления.

6.2. Определение поверхности нагрева отопительных приборов.

6.3. Тепловой пункт, расчет и подбор основного оборудования схемы узла присоединения системы отопления здания к наружным тепловым сетям.

6.4 Гидравлический расчет системы водяного отопления.

7. Конструирование и аэродинамический расчет естественной канальной вытяжной системы вентиляции.

8. Список использованной литературы.

Графическая часть (один лист формата А1) содержит:

1. Планы этажей, подвала, чердака, поперечный разрез здания по лестничной клетке (М 1:100) с нанесением элементов отопления и вентиляции.

2. Схема трубопроводов системы водяного отопления здания (МВ 1:50, МГОР - произвольный).

3. План и разрез теплового пункта (М 1:50).

4. Схема естественной вытяжной канальной системы вентиляции (М1:50).

 




Поделиться с друзьями:


Дата добавления: 2015-06-28; Просмотров: 395; Нарушение авторских прав?; Мы поможем в написании вашей работы!


Нам важно ваше мнение! Был ли полезен опубликованный материал? Да | Нет



studopedia.su - Студопедия (2013 - 2026) год. Все материалы представленные на сайте исключительно с целью ознакомления читателями и не преследуют коммерческих целей или нарушение авторских прав! Последнее добавление




Генерация страницы за: 0.012 сек.