Студопедия

КАТЕГОРИИ:


Архитектура-(3434)Астрономия-(809)Биология-(7483)Биотехнологии-(1457)Военное дело-(14632)Высокие технологии-(1363)География-(913)Геология-(1438)Государство-(451)Демография-(1065)Дом-(47672)Журналистика и СМИ-(912)Изобретательство-(14524)Иностранные языки-(4268)Информатика-(17799)Искусство-(1338)История-(13644)Компьютеры-(11121)Косметика-(55)Кулинария-(373)Культура-(8427)Лингвистика-(374)Литература-(1642)Маркетинг-(23702)Математика-(16968)Машиностроение-(1700)Медицина-(12668)Менеджмент-(24684)Механика-(15423)Науковедение-(506)Образование-(11852)Охрана труда-(3308)Педагогика-(5571)Полиграфия-(1312)Политика-(7869)Право-(5454)Приборостроение-(1369)Программирование-(2801)Производство-(97182)Промышленность-(8706)Психология-(18388)Религия-(3217)Связь-(10668)Сельское хозяйство-(299)Социология-(6455)Спорт-(42831)Строительство-(4793)Торговля-(5050)Транспорт-(2929)Туризм-(1568)Физика-(3942)Философия-(17015)Финансы-(26596)Химия-(22929)Экология-(12095)Экономика-(9961)Электроника-(8441)Электротехника-(4623)Энергетика-(12629)Юриспруденция-(1492)Ядерная техника-(1748)

Синхронды цифрлы иерархия

Синхронды цифрлы модульдер. Бұл иерархияда 155,520 Мбит/с және одан жоғары жылдамдықтармен ағындар біріктіріледі. Ағындарды біріктіру әдісі синхронды болғандықтан иерархия синхронды цифрлы иерархия аталуына ие болды (Synchronous Digital Hierarchy - SDH).

155 Мбит/с жылдамдықпен ағынды синхронды көліктік модуль (Synchronous Transport Module) STM-1 көмегімен жібереді. Қарапайым сұлбасы 6.8 суретте көрсетілген. Модуль 9 • 270 = 2430 байт фрейм немесе рамканы ұсынады. Берілетін ақпаратпен қатар (әдебиетте пайдалы жүктеме деп аталатын), 4-ші жолында пайдалы жүктеменің басталуын көрсететін белгі (Pointer, PTR) орналасқан.

 

6.8 сурет – Синхронды көліктік модуль STM-1 құрылымы

 

Көліктік модуль маршрутын анықтау үшін фреймдегі секция аталуы (Section Over Head -SOH) арналған. Төменгі 5 • 9 = 45 байт (белгіден кейінгі) ақпаратты нақтылы мультиплексорға жеткізілуі қамтамасыз етеді. Бұл мультиплексордың секциялық аталуы (MSOH) деп аталады. Жоғарғы 3 • 9 = 27 байт (белгіге дейінгі) регенератордың секциялық аталуын (RSOH) ұсынады, регенераторда бөгеуілдер әсерінен бұзылған сигналдардығ қайтадан қалпына келтірілуі қамтамасыз етіледі.

Бір беру циклы осындай тікбұрышты кестені оқуды ұсынады. Байттар сол жақтан оң жаққа қарай және жоғарыдан төменге қарай беріледі. STM-1 модульді беру цикл ұзақтылығы 125 мкс тең, яғни 8 кГц жиілікпен қайталанады Бір секундада байланыс жолына 9 • 270 • 64 Кбит/с = 155520 Кбит/с, яғни 155 Мбит/с ақпарат жіберіледі.

 

 

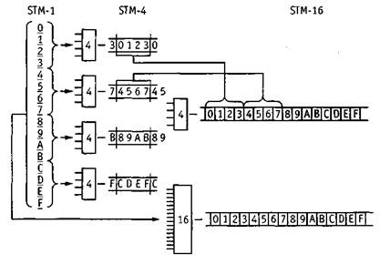
6.9 суретте STM-16 модульдің құрылуы көрсетілген. Біріншіден әр 4 STM-1 модульдері төрт кірісті мультиплексор арқылы STM-4 біріктіріледі, ода кейін төрт STM-4 - STM-16. Бұл процедураны 16 кірісіт мультиплексор көмегімен іске асыруға болады.

 

 

6.9 сурет - STM-16 синхронды көліктік модульдің

STM-1 модуль құрылуы. SDH желісінде берілетін сигналдар стандартталған контейнерлерге енгізіледі (Con­tainer - С). Ақпарат түрі контейнерлермен жасалатын операцияларға әсер етпейді.

SDH жүйесіндегі иерархиясының бірінші ағын жылдамдығы 155,520 Мбит/с тең. Қарапайым контейнер С-4 деп белгіленеді.

С-4 фреймі 9 жол мен 260 бірбайтты бағанадан құрылады. Сол жағына бір бағана қосылып – маршрутты немесе тракт аталуы (Path Over Head - РОН) – бұл контейнер виртуалды контейнерге VC-4 түрленеді.

VC-4 контейнерді STM-1 модуліне енгізу үшін белгі (PTR) қосылады, сонымен административті блок AU-4 (Administrative Unit) құрылады, оны секциялық белгісімен SOH STM-1 енгізеді (6.10 сурет).

Синхронный транспортный модуль STM-1 можно загрузить и плезиохронными потоками со скоростями 2,048 Мбит/с. Такие пото­ки формируются аппаратурой ИКМ-30, они широко распространены в современных сетях. Для первоначальной «упаковки» использует­ся контейнер С12. Цифровой сигнал размещается на определен­ных позициях этого контейнера. Путем добавления маршрутного, или транспортного, заголовка (РОН) образуется виртуальный кон­тейнер VC-12. Виртуальные контейнеры формируются и расфор­мировываются в точках окончаниях трактов.

 

 

6.10 сурет - STM-1 модуліндегі контейнерлер орналасуы

 

Бір STM-1 модулінде 63 виртуалды контейнер VC-12 орналасады. При этом поступают следующим образом. Виртуальный кон­тейнер VC-12 снабжают указателем (PTR) и образуют тем самым транспортный блок TU-12 (Tributary Unit). Теперь цифровые потоки разных транспортных блоков можно объединять в цифровой поток 155,520 Мбит/с (рисунок 6.10). Сначала три транспортных блока TU-12 путем мультиплексирования объединяют в группу транспортных бло­ков TUG-2 (Tributary Unit Group), затем семь групп TUG-2 мультиплек­сируют в группы транспортных блоков TUG-3, а три группы TUG-3 объединяют вместе и помещают в виртуальный контейнер VC-4. Да­лее путь преобразований известен.

На рисунке 6.11 показан также способ размещения в STM-1 трех пото­ков от аппаратуры плезиохронной цифровой иерархии ИКМ-480 (34,368 Мбит/с).

Плезиохронные цифровые потоки всех уровней размещаются в контейнерах С с использованием процедуры выравнивания скоро­стей (положительного, отрицательного и двухстороннего).

Наличие большого числа указателей (PTR) позволяет совершенно четко определить местонахождение в модуле STM-1 любого цифрового потока со скоростями 2,048; 34,368 и 139,264 Мбит/с. Выпускаемые про­мышленностью мультиплексоры ввода-вывода (Add/Drop Multiplexer-ADM) позволяют ответвлять и добавлять любые цифровые потоки.

 

 

Рисунок 6.11 - Ввод плезиохронных цифровых потоков в синхронный транспортный модуль STM-1

 

Важной особенностью аппаратуры SDH является то, что в тракто­вых и сетевых заголовках помимо маршрутной информации создает­ся много информации, позволяющей обеспечить наблюдение и управление всей сетью в целом, дистанционные переключения в мультиплексорах по требованию клиентов, осуществлять контроль и диагностику, своевременно обнаруживать и устранять неисправно­сти, реализовать эффективную эксплуатацию сети и сохранить высо­кое качество предоставляемых услуг.

 

В новом поколении ЦСП, получившем название синхронная цифровая иерархия (SDH -Synchronous Digital Hierarchy), приняты иные принципы мультиплек­сирования. Номиналы пропускной способности соседних уровней различаются ровно в четыре раза. В системах передачи поколения SDH введен также ряд других изменений, которые заметно улучши­ли эксплуатационные показатели транспортной сети.

Одним из важнейших свойств ЦСП считается высокая помехоус­тойчивость. При приеме цифрового сигнала, параметры которого при распространении по линии изменяются и искажаются из-за влияния помех, необходимо решить: что было передано - «ноль» или «единица». Такая ситуация обусловлена тем, что цифровой сиг­нал может иметь только два состояния. Принятие решения при прие­ме аналогового сигнала представляется более сложным. Он имеет несчетное число состояний.

С другой стороны, при формировании цифрового сигнала не­избежно возникают искажения квантования. При большом числе преобразований типа «аналог-цифра» эти искажения накаплива­ются. В результате может сложиться положение, когда преиму­щества ЦСП, связанные с высокой помехоустойчивостью, окажутся не столь существенными. Это означает, что преимущества ЦСП в полной мере раскрываются в тех случаях, когда ТфОП построена с минимальным числом преобразований типа «аналог-цифра». Необходимым условием реализации преимуществ ЦСП становится цифровая коммутация, но этого не достаточно. Следует разрабо­тать системно-сетевые решения, позволяющие разумно сочетать цифровые методы передачи и коммутации.

 

Синхронизация

 

Синхронизация деп, ақпараттарды тарату, коммутациялау және өңдеу кезіндегі кейбір маңызды процестерінің орындалу уақытын байланыс желілерінің функционалды элементтері арасындағы келістіру процедурасын айтуға болады. Применение ЦСП потребовало решить ряд новых задач, которые не возникали при использовании аналоговой техники передачи и коммутации. Эти задачи усложнились при цифровизации ТфОП. Речь идет о синхронизации. Под синхронизацией понимается про­цедура согласования между функциональными элементами сети связи времени выполнения некоторых важных процессов передачи, коммутации и обработки информации. Термин «синхронизация» ис­пользуется для описания различных процессов функционирования сети связи и ее отдельных элементов. Применительно к цифровой ТфОП целесообразно рассматривать три аспекта синхронизации:

• тактовая синхронизация;

• цикловая синхронизация;

• сетевая синхронизация.

Тактовая синхронизация основана на выделении сигнала синх­ронизации из общего потока битов. Она необходима для согласо­вания во времени работы устройств передачи и приема на уровне битов (тактовых интервалов). Цикловая синхронизация необходима для определения в общем потоке битов начала и конца блоков ин­формации, поступающей от разных источников, для правильного распределения ее на приеме. Сетевая синхронизация поддержива­ет заданные показатели долговременной точности и стабильности тактовых сигналов в разных точках сети (в том числе, при междуна­родных соединениях) с тем, чтобы обеспечивалось высокое качест­во передачи информации.

Для сетевой синхронизации используются кварцевые и атомные генераторы. Они вырабатывают эталонные сигналы с высокой точ­ностью. Например, стабильность обычного кварцевого генератора составляет 106за год. Стабильность атомных генераторов, подраз­деляемых на рубидиевые, цезиевые и водородные, существенно выше. В частности, цезиевый генератор обеспечивает стабиль­ность 1013 за год.

 

Технологии коммутации каналов

 

Коммутация, выполняемая операторами (телефонистами), в на­стоящее время используется преимущественно в различных ЦОВ, то есть в тех элементах ТфОП, которые были названы «Средствами поддержки услуг». К подобным системам можно отнести и некото­рые случаи использования УАТС, когда входящие вызовы целесо­образно принимать специально назначенным операторам. В сетях междугородной и международной телефонной связи продолжается (но в меньших объемах) использование коммутаторов, обслужива­емых операторами. Это связано с рядом причин развития ТфОП и с поддержкой дополнительных услуг некоторых видов.

Процессы установления соединений в местных телефонных сетях практически полностью автоматизированы. Используются две технологии коммутации: аналоговая и цифровая. Их основное различие показано на рисунке 6.2. Верхний фрагмент модели изобра­жает гипотетическую коммутационную станцию, которая должна соединить вход «1» с выходом «N». В нижней части модели показа­ны упрощенные способы решения этой задачи для двух технологий коммутации.

В аналоговой коммутационной станции соединение входа «1» с выходом «N» может быть представлено как процесс замыкания клю­чей K1 и K2. В результате между заранее заданными входом и выхо­дом образуется тракт обмена информацией. Для ТфОП при аналого­вой коммутации этот тракт обеспечивает прием и передачу инфор­мации в полосе пропускания канала ТЧ. Процесс связи входа «1» с выходом «N» в цифровой коммутационной станции можно описать с помощью запоминающего устройства, в котором сигнал задержи­вается на время, определяемое устройством управления. В модели предполагается, что для связи входа «1» с выходом «N» сигнал дол­жен задерживаться на время . Скорость передачи в установлен­ном соединении определяется скоростью обмена информацией по ОЦК-64 кбит/с.

 

Рисунок 6.2 - Аналоговая и цифровая коммутация в ТфОП

 

Технологические и эксплуатационные преимущества цифровой коммутации сразу стали очевидны всем участникам телекомму­никационного рынка. Задача состояла в том, чтобы выбрать оп­тимальную стратегию применения цифрового коммутационного оборудования. Для международной и междугородной телефонных сетей возможна только одна стратегия - замещение аналоговых АМТС и МЦК цифровыми станциями. Для ГТС и - отчасти - СТС та­кой подход представляется не оптимальным, а в некоторых случаях и невозможным. В частности, в ГТС с узлами невозможно обеспе­чить выполнение норм, установленных для допустимого затухания сигнала в разговорном тракте.

 

<== предыдущая лекция | следующая лекция ==>
 | Понятие о почвенном растворе
Поделиться с друзьями:


Дата добавления: 2014-01-03; Просмотров: 1807; Нарушение авторских прав?; Мы поможем в написании вашей работы!


Нам важно ваше мнение! Был ли полезен опубликованный материал? Да | Нет



studopedia.su - Студопедия (2013 - 2026) год. Все материалы представленные на сайте исключительно с целью ознакомления читателями и не преследуют коммерческих целей или нарушение авторских прав! Последнее добавление




Генерация страницы за: 0.009 сек.