Студопедия

КАТЕГОРИИ:


Архитектура-(3434)Астрономия-(809)Биология-(7483)Биотехнологии-(1457)Военное дело-(14632)Высокие технологии-(1363)География-(913)Геология-(1438)Государство-(451)Демография-(1065)Дом-(47672)Журналистика и СМИ-(912)Изобретательство-(14524)Иностранные языки-(4268)Информатика-(17799)Искусство-(1338)История-(13644)Компьютеры-(11121)Косметика-(55)Кулинария-(373)Культура-(8427)Лингвистика-(374)Литература-(1642)Маркетинг-(23702)Математика-(16968)Машиностроение-(1700)Медицина-(12668)Менеджмент-(24684)Механика-(15423)Науковедение-(506)Образование-(11852)Охрана труда-(3308)Педагогика-(5571)Полиграфия-(1312)Политика-(7869)Право-(5454)Приборостроение-(1369)Программирование-(2801)Производство-(97182)Промышленность-(8706)Психология-(18388)Религия-(3217)Связь-(10668)Сельское хозяйство-(299)Социология-(6455)Спорт-(42831)Строительство-(4793)Торговля-(5050)Транспорт-(2929)Туризм-(1568)Физика-(3942)Философия-(17015)Финансы-(26596)Химия-(22929)Экология-(12095)Экономика-(9961)Электроника-(8441)Электротехника-(4623)Энергетика-(12629)Юриспруденция-(1492)Ядерная техника-(1748)

Расчеты на прочность

Более правильно формулу для нормальных напряжений (8.17) следует записать в виде

. (9.1)  

В формуле (9.1) координата - фиксирует сечение в балке, а координата - задает положение точки на главной центральной оси поперечного сечения. При фиксированных координатах () напряжения вдоль оси постоянны.

Из формулы (9.1) следует, что самым опасным сечением в балке является сечение, в котором действует наибольший по абсолютной величине изгибающий момент (от действия расчетных нагрузок).

В опасном сечении самой опасной точкой является точка наиболее удаленная от нейтральной линии .

Условие прочности по нормальным напряжениям имеет вид

, (9.2)

где

(9.3)

- геометрическая характеристика поперечного сечения балки.

- момент сопротивления поперечного сечения балки при изгибе (момент сопротивления). Размерность момента сопротивления (м3).

Приведем примеры вычисления момента сопротивления для сечений:

прямоугольник - ;

круглое сплошное и полое сечения

; .

В случае тонкостенного трубчатого сечения ,

Результаты выводов сведены в таблицу 9.1

Таблица 9.1

Для прокатных профилей (двутавр, швеллер, уголок и др.) в таблицах сортамента приводятся моменты сопротивления как геометрические характеристики сечения.

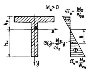
В балках из хрупкого материала с целью уменьшения наибольших растягивающих напряжений более рационально применять несимметричные сечений (рис.9.1).

Рис. 9.1 Балка с несимметричным сечением, материал хрупкий

Условие прочности по нормальным напряжениям имеет вид

, , (9.4)

где , -моменты сопротивления сечения относительно нейтральной оси Оz для нижних и верхних волокон.

Пример 9.1 Шарнирно опертая балка перекрытия с пролетом 6 м изготовляется из прокатного двутавра (рис. 9.2). Подобрать его сечение, если расчетная равномерно распределенная нагрузка q=24 кН/м, расчетное сопротивление стали R=240 МПа.

Рис. 9.2 К примеру 9.1

Наибольший изгибающий момент в середине пролета . Поэтому условие прочности по нормальным напряжениям в этом сечении (для крайних точек) будет иметь вид:

Отсюда найдем требуемый момент сопротивления сечения:

Из таблицы сортамента находим двутавр №30, для которого .

Проверяем его прочность:

 

МПа<R=240 МПа (на 5,4 %)

Ближайшее меньшее сечение двутавр №27а имеет см3 и дает перенапряжение 265 МПа>R=240 на 10,5%.

<== предыдущая лекция | следующая лекция ==>
 | Балки рационального сечения
Поделиться с друзьями:


Дата добавления: 2014-01-03; Просмотров: 530; Нарушение авторских прав?; Мы поможем в написании вашей работы!


Нам важно ваше мнение! Был ли полезен опубликованный материал? Да | Нет



studopedia.su - Студопедия (2013 - 2026) год. Все материалы представленные на сайте исключительно с целью ознакомления читателями и не преследуют коммерческих целей или нарушение авторских прав! Последнее добавление




Генерация страницы за: 0.012 сек.