Студопедия

КАТЕГОРИИ:


Архитектура-(3434)Астрономия-(809)Биология-(7483)Биотехнологии-(1457)Военное дело-(14632)Высокие технологии-(1363)География-(913)Геология-(1438)Государство-(451)Демография-(1065)Дом-(47672)Журналистика и СМИ-(912)Изобретательство-(14524)Иностранные языки-(4268)Информатика-(17799)Искусство-(1338)История-(13644)Компьютеры-(11121)Косметика-(55)Кулинария-(373)Культура-(8427)Лингвистика-(374)Литература-(1642)Маркетинг-(23702)Математика-(16968)Машиностроение-(1700)Медицина-(12668)Менеджмент-(24684)Механика-(15423)Науковедение-(506)Образование-(11852)Охрана труда-(3308)Педагогика-(5571)Полиграфия-(1312)Политика-(7869)Право-(5454)Приборостроение-(1369)Программирование-(2801)Производство-(97182)Промышленность-(8706)Психология-(18388)Религия-(3217)Связь-(10668)Сельское хозяйство-(299)Социология-(6455)Спорт-(42831)Строительство-(4793)Торговля-(5050)Транспорт-(2929)Туризм-(1568)Физика-(3942)Философия-(17015)Финансы-(26596)Химия-(22929)Экология-(12095)Экономика-(9961)Электроника-(8441)Электротехника-(4623)Энергетика-(12629)Юриспруденция-(1492)Ядерная техника-(1748)

Принципы построения




Лекция 9. Многокаскадные усилители

 

При усилении малых входных сигналов может оказаться, что одного усилительного каскада недостаточно для получения нужного коэффициента усиления. В этом случае задачу решают с помощью много­каскадных усилителей.

Многокаскадным усилителем называется усилитель, получаемый путем последовательного соеди­нения отдельных каскадов (рис. 1). В многокаскадных усилителях выходной сигнал первого и любого промежуточного каскада служит входным сигналом последующего каскада. Нагрузкой указанных каскадов является входное сопротивление последующего каскада. Входное и выходное сопротивления усилителя определяются соответственно входным и выходным каскадами.

Рис. 1. Структурная схема многокаскадного усилителя

Коэффициент усиления многокаскадного усилителя равен произведению коэффициентов усиления входящих в него каскадов:

(1)

Связь каскадов в многокаскадном усилителе может осуществляться с помощью конденсатора, трансформатора или непосредственно. В соответствии с этим различают усилители с конденсаторной, трансформаторной и непосредственной связью.

В настоящее время усилители применяются преимущественно в интегральном исполнении с непосредственной связью между каскадами. Исключение составляют узкополосные усилители радиотехнических устройств высокой частоты, где связь усилительных каскадов интегрального исполнения, а также связь источника вход­ного сигнала с входом усилителя и выхода усилителя с нагрузкой могут осуществляться через трансформатор (одна из обмоток которого образует с дополнительно вводимым конденсатором параллельный колебательный контур). Конденсаторы в усилителях интегрального исполнения могут применяться как навесные элементы для связи источника входного сигнала с входом усилителя, выхода усилителя с нагрузкой, а также для связи отдельных усилителей между собой. В качестве элемента связи конденсатор используется в усилителях звуковых частот, усилителях высокой частоты и широкополосных усилителях.

Для многокаскадных усилителей важными являются амплитудно-частотная, фазочастотная и амплитудная характеристики. На данном занятии эти показатели будут рассматриваться для усилителей, в которых в качестве элементов связи используются конденсаторы, поскольку этот случай является более общим. Рассмотрение проведем для наиболее общего случая — на примере многокаскадного усилителя с конденсаторной связью между каскадами. Материал базируется на применении в усилителях биполярных транзисторов.

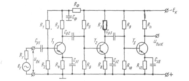
В многокаскадных усилителях с конденсаторной связью (рис. 2) нагрузкой промежуточного каскада является входная цепь после­дующего каскада. С учетом замены Rн на Rвх анализ, проведенный на ранее, действителен и для промежуточных каскадов. Число каскадов в многокаскадном усилителе определяют по выражению (1) исходя из требуемого коэффициента усиления. Каскады рассчиты­вают (выбор и обеспечение режима покоя, расчет по переменному току) в последовательности от оконечного каскада к первому. Сначала проводят расчет оконечного каскада, который обеспечивает получение требуемой мощности (тока или напряжения) сигнала на нагрузке Rн.

По коэффициенту усиления оконечного каскада определяют параметры его входного сигнала, являющиеся исходными для расчета предоконечного каскада и т. д. вплоть до первого (входного) кас­када. Расчет вначале ведут для средней частоты f0, что позволяет пренебречь влиянием конденсаторов в усилителе (их сопротивление принимают равным нулю или бесконечности для конденсаторов, стоя­щих в схеме замещения параллельно) и не учитывать зависимость параметров транзисторов от частоты. Учет свойств транзисторов и влияния конденсаторов в случае необходимости производят исходя из диапазона частот усиливаемого сигнала, чем обеспечивается требуемая полоса пропускания частот усилителя.

Рис. 2. Схема многокаскадного усилителя с конденсаторной связью

 

Наличие в схеме усилителя конденсаторов и зависимость параметров транзисторов от частоты приводят к тому, что при изменении частоты входного сигнала напряжение на выходе усилителя изме­няется как по амплитуде, так и по фазе. В соответствии с этим коэффициент усиления по напряжению характеризуется комплексной величиной, определяемой модулем коэффициента усиления || и углом фазового сдвига выходного синусоидального напряжения усилителя относительно входного.




Поделиться с друзьями:


Дата добавления: 2014-01-03; Просмотров: 1295; Нарушение авторских прав?; Мы поможем в написании вашей работы!


Нам важно ваше мнение! Был ли полезен опубликованный материал? Да | Нет



studopedia.su - Студопедия (2013 - 2026) год. Все материалы представленные на сайте исключительно с целью ознакомления читателями и не преследуют коммерческих целей или нарушение авторских прав! Последнее добавление




Генерация страницы за: 0.009 сек.