Студопедия

КАТЕГОРИИ:


Архитектура-(3434)Астрономия-(809)Биология-(7483)Биотехнологии-(1457)Военное дело-(14632)Высокие технологии-(1363)География-(913)Геология-(1438)Государство-(451)Демография-(1065)Дом-(47672)Журналистика и СМИ-(912)Изобретательство-(14524)Иностранные языки-(4268)Информатика-(17799)Искусство-(1338)История-(13644)Компьютеры-(11121)Косметика-(55)Кулинария-(373)Культура-(8427)Лингвистика-(374)Литература-(1642)Маркетинг-(23702)Математика-(16968)Машиностроение-(1700)Медицина-(12668)Менеджмент-(24684)Механика-(15423)Науковедение-(506)Образование-(11852)Охрана труда-(3308)Педагогика-(5571)Полиграфия-(1312)Политика-(7869)Право-(5454)Приборостроение-(1369)Программирование-(2801)Производство-(97182)Промышленность-(8706)Психология-(18388)Религия-(3217)Связь-(10668)Сельское хозяйство-(299)Социология-(6455)Спорт-(42831)Строительство-(4793)Торговля-(5050)Транспорт-(2929)Туризм-(1568)Физика-(3942)Философия-(17015)Финансы-(26596)Химия-(22929)Экология-(12095)Экономика-(9961)Электроника-(8441)Электротехника-(4623)Энергетика-(12629)Юриспруденция-(1492)Ядерная техника-(1748)

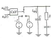
Расчет схемы прямой ЧМ

Исходные данные:

Средняя частота…

Девиация частоты…

Амплитуда ВЧ на контуре…

Емкость контура АГ…

Добротность контура АГ…Q

Глубина паразитной АМ…

Напряжение питания…E

 

1. Выбирается тип варикапа.

Желательно Сварикапа=Сколеб.контура(или одного порядка). Из справочника выписываются данные выбранного варикапа:

- емкость Св при смещении Есм.

- коэффициент перекрытия по емкости .

- Еобр- допустимое напряжение обратного смещения.

- Qв- добротность.

- Iобр- обратный ток варикапа.

2.Расчитывается относительная девиация частоты.

3.Определяется изменение емкости контура для получения заданной девиации частоты

.

4.Выбирается напряжение смещения на варикапе Есм.

Если неизвестно вольт-фарадная характеристика С(Uобр),

то лучше взять справочное значение Есм, при котором

емкость варикапа равна Св.

5.Определяется сопротивление R1, R2 делителя, задавшись током делителя

;.

6.Определяем коэффициент включения варикапа в контур.

7.Определяем постоянную составляющую емкости вносимой варикапом в контур.

8.Неоюходимое изменение емкости варикапа в процессе модуляции.

9.Емкость конденсатора связи.

10.Если крутизна вольт-фарадной характеристики неизвестна, то принимают

.

11.Амплитуда модулирующего колебания .

12.Амплитуда напряжения ВЧ на варикапе .

13.Коэффициент паразитной АМ .

Если Q не задано, то можно принять .

14.Проверка допустимости режима работы варикапа .

15.Индуктивность дросселя .

16.Емкость разделительного конденсатора.

 

Задача.

Дано: Решение:

f0=2.15 мГц 1.Выбираем варикап КВ104Г

Uw=3 В Св=128..192 пФ, при Есм=4 В

Ck=150 пФ Кс=3 Еобр=80 В

Q=200 Qв=100

Ma<3% Св=157 пФ- среднее геометрическое

E=12 В

 

2.

3.

4.Выбираем Есм= 4 В

5.

6.

7.

8.

9.Ссв=Св*р/(1-р)=39пФ

10.S=10 пФ/В

11.

12.

13.

14.

15.Lдр=400мкГн

16.Ср=10 мкФ

 

 

 

 


 

 

<== предыдущая лекция | следующая лекция ==>
Решение задач | Основные виды внутриличностного конфликта
Поделиться с друзьями:


Дата добавления: 2014-01-03; Просмотров: 328; Нарушение авторских прав?; Мы поможем в написании вашей работы!


Нам важно ваше мнение! Был ли полезен опубликованный материал? Да | Нет



studopedia.su - Студопедия (2013 - 2026) год. Все материалы представленные на сайте исключительно с целью ознакомления читателями и не преследуют коммерческих целей или нарушение авторских прав! Последнее добавление




Генерация страницы за: 0.013 сек.