Студопедия

КАТЕГОРИИ:


Архитектура-(3434)Астрономия-(809)Биология-(7483)Биотехнологии-(1457)Военное дело-(14632)Высокие технологии-(1363)География-(913)Геология-(1438)Государство-(451)Демография-(1065)Дом-(47672)Журналистика и СМИ-(912)Изобретательство-(14524)Иностранные языки-(4268)Информатика-(17799)Искусство-(1338)История-(13644)Компьютеры-(11121)Косметика-(55)Кулинария-(373)Культура-(8427)Лингвистика-(374)Литература-(1642)Маркетинг-(23702)Математика-(16968)Машиностроение-(1700)Медицина-(12668)Менеджмент-(24684)Механика-(15423)Науковедение-(506)Образование-(11852)Охрана труда-(3308)Педагогика-(5571)Полиграфия-(1312)Политика-(7869)Право-(5454)Приборостроение-(1369)Программирование-(2801)Производство-(97182)Промышленность-(8706)Психология-(18388)Религия-(3217)Связь-(10668)Сельское хозяйство-(299)Социология-(6455)Спорт-(42831)Строительство-(4793)Торговля-(5050)Транспорт-(2929)Туризм-(1568)Физика-(3942)Философия-(17015)Финансы-(26596)Химия-(22929)Экология-(12095)Экономика-(9961)Электроника-(8441)Электротехника-(4623)Энергетика-(12629)Юриспруденция-(1492)Ядерная техника-(1748)

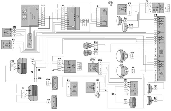
Система наружного освещения




Система наружного освещения предназначена для освещения дороги впереди автомобиля и обозначения его габаритов с целью повышения безопасности движения.

Основными элементами системы наружного освещения являются (рис. 11):

- фары (Е5, Е26);

- передние (Е31, Е33) фонари;

- задние (Е7, Е20) фонари;

- фонари освещения номерного знака (Е34, Е35);

- противотуманные фары (Е1, Е25);

- задний противотуманный фонарь Е11;

- фара-прожектор Е12;

- центральный переключатель света S7;

- комбинированный переключатель света S22;

- реле (К6, К7, К9, К10, К14);

- предохранители блоков F2 и F3 типа ПР112;

- выключатели (S8, S9, S11);

- также на автомобиль могут устанавливаться дополнительные фары.

 

Рис 11. Система наружного освещения

Фары предназначены для освещения дороги впереди автомобиля в условиях плохой видимости с целью повышения безопасности движения.

Они установлены в переднюю облицовочную панель кабины.

На автомобиле КАМАЗ устанавливается две фары 404.3711, с асимметричным светораспределением и двухнитевыми лампами А24-55+50.

Фара состоит из следующих основных элементов:

- корпус;

- оптический элемент (вкл. в себя лампу, отражатель и рассеиватель 1),

- регулировочные винты.

Рис.12. Фара 404.3711 1 – внутренний ободок; 2 – лампа; 3 – регулировочный винт; 4 – опорное кольцо; 5 – корпус; 6, 8 – соединительная колодка; 7 – провода; 9 – отражатель; 10 – рассеиватель; 11 – экран; 12 – держатель экрана; 13 – винт крепления ободка  

 

Рис. 13. Размещение фар переднюю облицовочную панель кабины

Корпус фары представляет собой металлическую штамповку и предназначен для крепления всех узлов и деталей.

Оптический элемент предназначен для формирования светового потока определенного направления.

Он крепится к опорному кольцу 4 внутренним ободком 1. Для фиксации оптического элемента в определенном положении кольцо имеет три несимметрично расположенных окна, крепление осуществляется с помощью винтов 13.

По периферии опорного кольца также предусмотрены пазы, в которые входят головки регулировочных винтов 3. Винты вворачиваются в гайки, закрепленные на корпусе, обеспечивая необходимую регулировку направления светового потока фары в горизонтальной и вертикальной плоскостях.

Отражатель предназначен для концентрации светового потока лампы.

Он увеличивает силу света лампы в нужном направлении в 200 ‑ 400 раз и тем самым обеспечивает необходимую освещенность дороги на больших расстояниях. Поверхность отражателя, штампуемого из стали, алюминируют и покрывают слоем лака (для защиты от влаги). Коэффициент отражения алюминиевого покрытия достигает 0,9. Качество отражающего слоя, так же как и точность геометрической формы отражателя, существенно влияет на характеристики светораспределения фары.

Рассеиватель предназначен для распределения светового потока в горизонтальной и вертикальной плоскостях с целью обеспечения требуемого уровня освещенности на различных участках дорожного полотна. Рассеиватель изготавливается из бесцветного стекла, на внутренней его поверхности формируются призмы и линзы.

В каждой фаре установлена двухнитевая лампа А24-55+50.

В маркировке лампы приняты следующие обозначения:

А – автомобильная;

24 – номинальное напряжение бортовой сети;

55 – мощность нити дальнего света, Вт;

50 – мощность нити ближнего света, Вт.

Нить дальнего света лампы расположена в фокусе отражателя и обеспечивает получение горизонтального пучка света с малым углом рассеивания. Этим достигается освещение дорожного полотна перед автомобилем на большом расстоянии, но приводит к ослеплению водителей встречного и попутного транспорта.

Нить ближнего света выведена из фокуса, что обеспечивает отклонение пучка света от оптической оси и направление большей его части вправо и вниз. Этим достигается освещение дорожного полотна перед автомобилем на достаточном расстоянии и безопасный встречный разъезд. Ближний свет значительно снижает ослепление участников дорожного движения при достаточном уровне освещенности дороги и правой стороны обочины.

Два передних фонаря ПФ133-АБ предназначены для обозначения габаритов автомобиля и подачи светового сигнала поворота (рис. 14). Они установлены на переднем бампере.

 

 

Рис. 14. Расположение передних фонарей на переднем бампере

Фонарь состоит из (рис. 15):

- двухцветного рассеивателя;

- двух отражателей;

- двух патронов;

- ламп (для габаритного света (А24-5) и указателя поворота (А24-21));

- корпуса;

- прокладки;

- штекерного разъема.

Рис 15. Передний фонарь ПФ133-АБ Рис. 16. Фонарь задний ФП133-АБ

Задние фонарей ФП133-АБ (рис.16, 17) – предназначены для обозначение габаритов автомобиля.

 

Рис. 17. Задние фонари на автомобиле

Состоит из:

- корпуса;

- рассеивателя;

- отражателей;

- патроны;

- ламп;

- элементов крепления и герметизации.

Особенностью заднего фонаря является то, что он используется для трех целей: для обозначения габаритов автомобиля (средняя секция, красного цвета, для сигнализации об изменении направления движения (наружная секция, оранжевого цвета 3), для сигнализации о торможении (внутренняя секция, красного цвета 1). Для габаритных огней в каждом фонаре используется одна лампа А24-5. Фонари крепятся к задней обвязке грузовой платформы на кронштейнах и включаются одновременно с передними фонарями.

Фонари освещения номерного знака ФП134-Б устанавливаются на левой стороне задней обвязки грузовой платформы, над номерным знаком. В них применяются лампы А24-5 (рис. 18).

Включение передних и задних фонарей, а также фонарей освещения номерного знака осуществляются центральным переключателем света при включении его в первое положение.

 

 

Рис. 18. Фонари освещения номерного знака

Необходимо отметить, что цепь питания фонарей разделена по бортам на два независимых участка, каждый из которых защищается собственным предохранителем. Этим обеспечивается большая надежность системы.

В первом участке путь тока следующий: "+" аккумуляторной батареи – … – блок предохранителей F – предохранитель на 60 А – вывод "30" переключателя S7 – вывод "58" переключателя S7 – вывод "7" блока предохранителей F2 – предохранитель на 8 А – разъем Х47 – разъем Х3 – фонарь передний правый Е31. От разъема двухконтактного Х3 одновременно ток подводится через разъем Х30 к фонарю заднему левому Е7 и фонарям освещения номерного знака Е34, Е35.

Во втором участке на начальном этапе путь тока аналогичный, но от вывода "7" блока предохранителей F2 ток идет следующим образом: … вывод "7" – вывод "8" – предохранитель на 8 А – фонарь передний левый Е33 – и параллельно от предохранителя через разъемы Х47, Х2 и Х30 к фонарю заднему правому Е20.

Отрицательный вывод ламп через корпус фонаря соединен с корпусом автомобиля и через него с отрицательным выводом АКБ.

Включение ближнего света также осуществляется центральным переключателем света при включении его во второе положение.

Включение дальнего света фар осуществляется комбинированным переключателем при включенном во второе положение центральном переключателе света. При этом остаются включенными передние, задние габаритные огни и фонари освещения номерного знака, а ближний свет выключается.

Комбинированный переключатель установлен на рулевой колонке под рулевым колесом. Для включения дальнего света необходимо рычаг перевести вниз вдоль рулевой колонки в положение VI.

Рис. 19. Фара противотуманная ФГ152-А   Рис. 20. Крепление противотуманной фары: 1 – противотуманная фара; 2 – регулировочная гайка; 3 – кронштейн; 4 – болт крепления противотуманной фары Противотуманные фары ФГ152-А предназначены для освещения дороги при движении автомобиля во время туманов, дождей и снегопадов (рис. 19). Противотуманная фара состоит из тех же основных частей, что и головная фара, однако отличается по форме, размерам, способу крепления и регулировки. Противотуманные фары отличаются от обычных большим углом рассеивания в горизонтальной плоскости и более четкой верхней светотеневой границей. Такое светораспределение обеспечивается соответствующим рельефом внутренней поверхности рассеивателя с вертикальными цилиндрическими линзами и экраном перед лампой. В противотуманных фарах типа ФГ152-А применяются галогенные лампы АКГ24-70. В маркировке лампы приняты следующие обозначения: А – автомобильная; К – кварцевая колба лампы; Г – галогенная лампа; 24 – номинальное напряжение бортовой сети; 70 – мощность лампы, Вт. Противотуманные фары крепятся к подножке кабины автомобиля с помощью кронштейна 3 (рис. 20).

 

На автомобиле также установлен задний противотуманный фонарь Е11 модели 2462.3716 с рассеивателем красного цвета, что позволяет в 2 раза увеличить расстояние обнаружения автомобиля в условиях тумана.

Крепится он к задней поперечине рамы слева.

При этом реле К7 срабатывает и открывает путь току через свои контакты:

Фара-прожектор 171.3711 предназначена для освещения местности вне зоны, освещаемой основными фарами (рис. 21, 22).

Рис. 21. Фара-прожектор

 

Использование ее для освещения дороги при движении автомобиля не допускается.

Фара-прожектор состоит из:

- рассеивателя;

- отражателя;

- патрона;

- лампой;

- корпусе;

- кронштейна;

- усилителя крепления кронштейна прожектора;

- рукоятки прожектора.

Фара установлена на передней левой стойке кабины в верхней ее части.

 

 

Рис. 22. Размещение фары-прожектора на автомобиле

Выключатель фары-прожектора расположен на панели выключателей и имеет два положения – нефиксированное (вниз) и фиксированное (вверх).



Поделиться с друзьями:


Дата добавления: 2014-01-03; Просмотров: 1037; Нарушение авторских прав?; Мы поможем в написании вашей работы!


Нам важно ваше мнение! Был ли полезен опубликованный материал? Да | Нет



studopedia.su - Студопедия (2013 - 2026) год. Все материалы представленные на сайте исключительно с целью ознакомления читателями и не преследуют коммерческих целей или нарушение авторских прав! Последнее добавление




Генерация страницы за: 0.011 сек.