Студопедия

КАТЕГОРИИ:


Архитектура-(3434)Астрономия-(809)Биология-(7483)Биотехнологии-(1457)Военное дело-(14632)Высокие технологии-(1363)География-(913)Геология-(1438)Государство-(451)Демография-(1065)Дом-(47672)Журналистика и СМИ-(912)Изобретательство-(14524)Иностранные языки-(4268)Информатика-(17799)Искусство-(1338)История-(13644)Компьютеры-(11121)Косметика-(55)Кулинария-(373)Культура-(8427)Лингвистика-(374)Литература-(1642)Маркетинг-(23702)Математика-(16968)Машиностроение-(1700)Медицина-(12668)Менеджмент-(24684)Механика-(15423)Науковедение-(506)Образование-(11852)Охрана труда-(3308)Педагогика-(5571)Полиграфия-(1312)Политика-(7869)Право-(5454)Приборостроение-(1369)Программирование-(2801)Производство-(97182)Промышленность-(8706)Психология-(18388)Религия-(3217)Связь-(10668)Сельское хозяйство-(299)Социология-(6455)Спорт-(42831)Строительство-(4793)Торговля-(5050)Транспорт-(2929)Туризм-(1568)Физика-(3942)Философия-(17015)Финансы-(26596)Химия-(22929)Экология-(12095)Экономика-(9961)Электроника-(8441)Электротехника-(4623)Энергетика-(12629)Юриспруденция-(1492)Ядерная техника-(1748)

Концентрирования




Получение концентрированной азотной кислоты методом

Если упаривать раствор азотной кислоты, то можно получить концентра-цию не больше 68%, так как при этой концентрации образуется азеотропная смесь. Для получения более концентрированной кислоты применяют перегон-ку разбавленной кислоты в присутствии концентрированной серной кислоты, как водоотнимающего средства.

 

 

При взаимодействии серной кислоты с водой образуются гидраты, тем-пература кипения которых выше температуры кипения концентрированной азотной кислоты.

Перегонку азотной кислоты осуществляют в тарельчатых колоннах или колоннах с насадкой, изготовленных из кислотоупорного чугуна содержащего до 18% кремния.

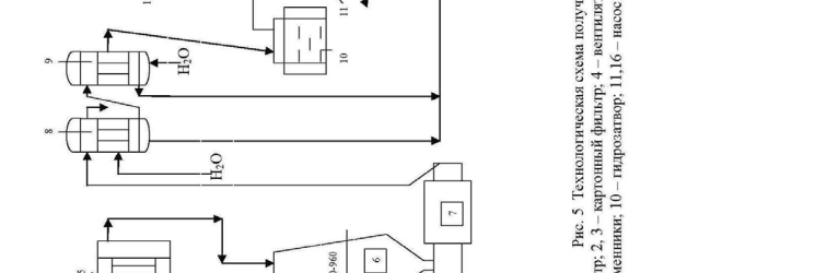
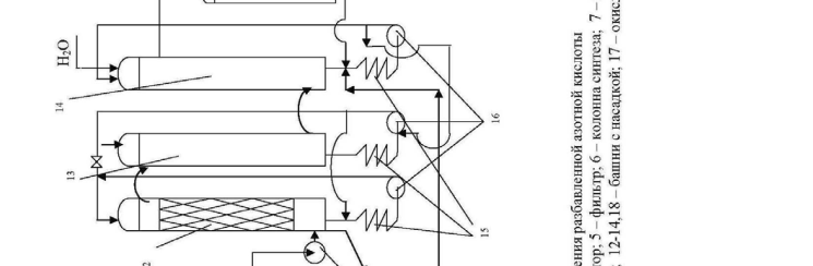
Технологическая схема получения концентрированной азотной ки-слоты методом концентрирования

Технологическая схема получения концентрированной азотной кислоты методом концентрирования представлена на рис.6.

92-94% серная кислота поступает на одну из верхних тарелок колонны 2. Несколько ниже подается разбавленная азотная кислота, часть которой пода-ется через испаритель 1, нагревание в котором осуществляется острым паром, имеющим температуру 180-200 0С, подаваемым в нижнюю часть колонны. Пары азотной кислоты с небольшим содержанием паров воды и оксидов азота, образовавшимися в результате разложения азотной кислоты, поступают из ко-лонны 2 в конденсатор 3, где азотная кислота конденсируется, а окислы азота идут на переработку или улавливание. Часть окислов азота растворяется в азотной кислоте, поэтому из конденсатора 3 азотная кислота возвращается в колонну 2, где продувается парами азотной кислоты, а затем через холодиль-ник 4 отводится на склад. Отработанная серная кислота с концентрацией 70% вытекает из нижней части колонны 2 и направляется на упаривание. Расход серной кислоты составляет 3-4 тонны на 1 тонну концентрированной азотной кислоты. Для возврата в производство ее нужно упарить до концентрации 92-94%, что связанно с большим расходом энергии и коррозией аппаратов.




Поделиться с друзьями:


Дата добавления: 2014-01-03; Просмотров: 442; Нарушение авторских прав?; Мы поможем в написании вашей работы!


Нам важно ваше мнение! Был ли полезен опубликованный материал? Да | Нет



studopedia.su - Студопедия (2013 - 2026) год. Все материалы представленные на сайте исключительно с целью ознакомления читателями и не преследуют коммерческих целей или нарушение авторских прав! Последнее добавление




Генерация страницы за: 0.011 сек.