Студопедия

КАТЕГОРИИ:


Архитектура-(3434)Астрономия-(809)Биология-(7483)Биотехнологии-(1457)Военное дело-(14632)Высокие технологии-(1363)География-(913)Геология-(1438)Государство-(451)Демография-(1065)Дом-(47672)Журналистика и СМИ-(912)Изобретательство-(14524)Иностранные языки-(4268)Информатика-(17799)Искусство-(1338)История-(13644)Компьютеры-(11121)Косметика-(55)Кулинария-(373)Культура-(8427)Лингвистика-(374)Литература-(1642)Маркетинг-(23702)Математика-(16968)Машиностроение-(1700)Медицина-(12668)Менеджмент-(24684)Механика-(15423)Науковедение-(506)Образование-(11852)Охрана труда-(3308)Педагогика-(5571)Полиграфия-(1312)Политика-(7869)Право-(5454)Приборостроение-(1369)Программирование-(2801)Производство-(97182)Промышленность-(8706)Психология-(18388)Религия-(3217)Связь-(10668)Сельское хозяйство-(299)Социология-(6455)Спорт-(42831)Строительство-(4793)Торговля-(5050)Транспорт-(2929)Туризм-(1568)Физика-(3942)Философия-(17015)Финансы-(26596)Химия-(22929)Экология-(12095)Экономика-(9961)Электроника-(8441)Электротехника-(4623)Энергетика-(12629)Юриспруденция-(1492)Ядерная техника-(1748)

Усилительный каскад на БТ с ОЭ

Анализ усилительных каскадов на БТ в режиме усиления сигнала

 

Для расчета параметров усилительного каскада по переменному току удобно использовать методику, описанную в подразд. 3.3, а БТ представлять моделью, предложенной в подразд. 3.4.1.

 

 
 

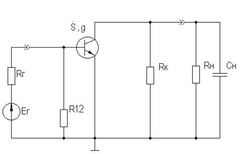
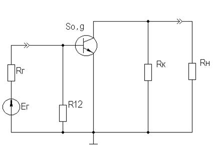
Полная электрическая схема усилительного каскада с ОЭ приведена на рис. 5.7.

Рис. 5.7. Усилительный каскад с ОЭ

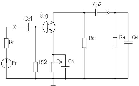
В отличие от ранее рассмотренного каскада (рис. 3.9*) здесь применена эмиттерная схема термостабилизации (), обеспечивающая лучшую стабильность режима покоя, принцип ее работы будет рассмотрен далее. Конденсатор необходим для шунтирования с целью соединения эмиттера транзистора с общим проводом на частотах сигнала (устранения обратной связи на частотах сигнала, вид и характер этой связи будет рассмотрен в соответствующем разделе).

 
 

Приведем эквивалентную схему каскада для частот сигнала (рис. 5.8).

Рис. 5.8. Схема каскада с ОЭ для частот сигнала

С целью упрощения анализа каскада выделяют на АЧХ области НЧ, СЧ и ВЧ (см. рис. 2.2), и проводят анализ отдельно для каждой частотной области.

 
 

Эквивалентная схема каскада в области СЧ приведена на рис. 5.9.

Рис. 5.9. Схема каскада с ОЭ в области СЧ

Как видно, эта схема не содержит реактивных элементов, т.к. в области СЧ влиянием на АЧХ разделительных () и блокировочных () емкостей уже можно пренебречь, а влияние инерционности БТ и еще незначительно.

Проведя анализ схемы, найдем, что

,

где ;

,

где ;

.

Эти соотношения получены в предположении, что низкочастотное значение внутренней проводимости транзистора много меньше и . Это условие (если не будет оговорено особо) будет действовать и при дальнейшем анализе усилительных каскадов на БТ. Такое допущение справедливо потому, что БТ является токовым прибором и особенно эффективен при работе на низкоомную нагрузку.

 
 

Эквивалентная схема каскада в области ВЧ приведена на рис. 5.10.

Рис. 5.10. Схема каскада с ОЭ в области ВЧ

Поведение АЧХ в этой области определяется влиянием инерционности транзистора и емкости .

Проведя анализ согласно методике подразд. 3.4, получим выражение для коэффициента передачи каскада в области ВЧ:

,

где – постоянная времени каскада в области ВЧ.

Постоянную времени каскада для удобства анализа представим так:

,

где – постоянная времени транзистора (),

;

– постоянная времени выходной цепи транзистора,

;

– постоянная времени нагрузки,

.

Входную проводимость представим в виде:

,

где – входная динамическая емкость каскада,

.

Выходная проводимость определится как

,

где – выходная емкость каскада, .

Выражения для относительного коэффициента передачи и коэффициента частотных искажений в комментариях не нуждаются:

,

,

,

,

По приведенным выражениям строится АЧХ и ФЧХ каскада в области ВЧ.

Связь коэффициента частотных искажений и выражается как

.

В n -каскадном усилителе с одинаковыми каскадами наблюдается эффект сужения полосы рабочих частот, который можно скомпенсировать увеличением верхней граничной частоты каскадов до

.

Эквивалентная схема каскада в области НЧ приведена на рис. 5.11.

Поведение АЧХ в этой области определяется влиянием разделительных () и блокировочных () емкостей.

Влияние этих емкостей на коэффициент частотных искажений в области НЧ каскада можно определить отдельно, используя принцип суперпозиции. Общий коэффициент частотных искажений в области НЧ определится как

,

 
 

где N – число цепей формирующих АЧХ в области НЧ.

Рис. 5.11. Схема каскада с ОЭ в области НЧ

Рассмотрим влияние на АЧХ каскада. Проведя анализ согласно методике раздела 3.4, получим выражение для коэффициента передачи в области НЧ:

,

где – постоянная времени разделительной цепи в области НЧ.

Постоянная времени разделительных цепей в общем случае может быть определена по формуле

,

где – эквивалентное сопротивление, стоящее слева от (обычно это выходное сопротивление предыдущего каскада или внутреннее сопротивление источника сигнала), – эквивалентное сопротивление, стоящее справа от (обычно это входное сопротивление следующего каскада или сопротивление нагрузки).

Для рассматриваемой цепи постоянная времени равна:

.

Выражения для относительного коэффициента передачи и коэффициента частотных искажений в области НЧ таковы:

,

,

,

,

и в комментариях не нуждаются. По этим выражениям оценивается влияние конкретной цепи на АЧХ и ФЧХ каскада в области НЧ.

Связь между коэффициентом частотных искажений и нижней граничной частотой выражается формулой

.

Аналогичным образом учитывается влияние других разделительных и блокировочных цепей, только для блокировочной эмиттерной цепи постоянная времени приблизительно оценивается величиной т.к. сопротивление БТ со стороны эмиттера приблизительно равно (см. подразд. 3.4.1), а влиянием в большинстве случаев можно пренебречь, т.к. обычно <<.

Результирующую АЧХ и ФЧХ каскада в области НЧ можно построить, используя уже упоминавшийся принцип суперпозиции.

В n -каскадном усилителе с одинаковыми каскадами наблюдается эффект сужения полосы рабочих частот, который в области НЧ можно скомпенсировать уменьшением нижней граничной частоты каскадов до .

 

<== предыдущая лекция | следующая лекция ==>
Основные схемы питания и термостабилизации БТ | Усилительный каскад на БТ с ОБ
Поделиться с друзьями:


Дата добавления: 2014-01-03; Просмотров: 760; Нарушение авторских прав?; Мы поможем в написании вашей работы!


Нам важно ваше мнение! Был ли полезен опубликованный материал? Да | Нет



studopedia.su - Студопедия (2013 - 2026) год. Все материалы представленные на сайте исключительно с целью ознакомления читателями и не преследуют коммерческих целей или нарушение авторских прав! Последнее добавление




Генерация страницы за: 0.013 сек.