Студопедия

КАТЕГОРИИ:


Архитектура-(3434)Астрономия-(809)Биология-(7483)Биотехнологии-(1457)Военное дело-(14632)Высокие технологии-(1363)География-(913)Геология-(1438)Государство-(451)Демография-(1065)Дом-(47672)Журналистика и СМИ-(912)Изобретательство-(14524)Иностранные языки-(4268)Информатика-(17799)Искусство-(1338)История-(13644)Компьютеры-(11121)Косметика-(55)Кулинария-(373)Культура-(8427)Лингвистика-(374)Литература-(1642)Маркетинг-(23702)Математика-(16968)Машиностроение-(1700)Медицина-(12668)Менеджмент-(24684)Механика-(15423)Науковедение-(506)Образование-(11852)Охрана труда-(3308)Педагогика-(5571)Полиграфия-(1312)Политика-(7869)Право-(5454)Приборостроение-(1369)Программирование-(2801)Производство-(97182)Промышленность-(8706)Психология-(18388)Религия-(3217)Связь-(10668)Сельское хозяйство-(299)Социология-(6455)Спорт-(42831)Строительство-(4793)Торговля-(5050)Транспорт-(2929)Туризм-(1568)Физика-(3942)Философия-(17015)Финансы-(26596)Химия-(22929)Экология-(12095)Экономика-(9961)Электроника-(8441)Электротехника-(4623)Энергетика-(12629)Юриспруденция-(1492)Ядерная техника-(1748)

Усилительный каскад на БТ с ОК

 
 

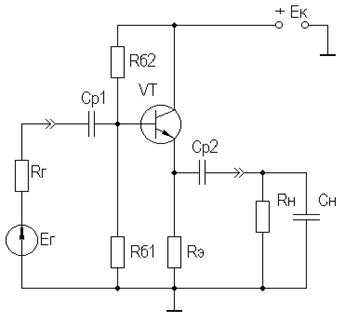
Схема каскада с ОК с эмиттерной схемой термостабилизацией приведена на рис. 5.14.

Рис. 5.14. Усилительный каскад с ОК

 
 

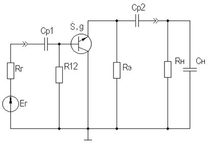
Схема для частот сигнала изображена на рис. 5.15.

Рис. 5.15. Схема каскада с ОК для частот сигнала

Каскад с ОК называют еще "повторителем напряжения" или "эмиттерным повторителем", т.к. коэффициент передачи по напряжению этого каскада меньше единицы, что вытекает из его дальнейшего анализа.

При подаче на базу положительной полуволны входного синусоидального сигнала будет увеличиваться ток коллектора и, следовательно, ток эмиттера. В результате падение напряжения на увеличится, т.е. произойдет формирование положительной полуволны выходного напряжения. Таким образом, каскад с ОК не инвертирует входной сигнал.

Напряжение сигнала, приложенное к эмиттерному переходу, является разностью между и . Чем больше и (при заданном ), тем меньше окажется напряжение, приложенное к эмиттерному переходу, что будет приводить к уменьшению тока эмиттера и, соответственно, к уменьшению , т.е. в каскаде с ОК проявляется действие ООС, причем 100%-ной.

Анализ работы усилительного каскада с ОК по входным и выходным динамическим характеристикам проводится как для ОЭ (см. поразд. 5.3).

Для расчета параметров каскада с ОК по переменному току используем методику раздела 3.3, а БТ представлять моделью предложенной в разделе 3.4.1.

 
 

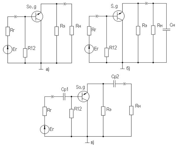
Представим каскад с ОК схемами для областей СЧ, ВЧ и НЧ (рис. 5.16 а, б, в):

Рис. 5.16. Схема каскада с ОК для СЧ, ВЧ и НЧ

Проведя анализ, получим для области СЧ:

,

где , – глубина ООС;

,

где – входное сопротивление собственно транзистора,

;

,

где – выходное сопротивление собственно транзистора,

,

т.к. и при работе каскада от низкоомного источника сигнала (при этом ) второе слагаемое оказывается существенно меньше первого. В целом

,

потому, что, как правило, .

В области ВЧ получим:

,

где – постоянная времени каскада в области ВЧ, ; t – постоянная времени БТ.

,

где , т.е. каскад с ОК имеет входную динамическую емкость меньшую, чем каскад с ОЭ;

,

т.е. модуль выходной проводимости уменьшается с ростом частоты, что позволяет сделать вывод об индуктивном характере выходной проводимости каскада с ОК на ВЧ. Количественно индуктивную составляющую выходного импеданса можно оценить следующим образом:

где m=(1,2...1,6).

Выражения для относительного коэффициента передачи и коэффициента частотных искажений и соотношения для построения АЧХ и ФЧХ каскада с ОК аналогичны приведенным в подразд. 5.3 для каскада с ОЭ.

В области НЧ получим:

,

где – постоянная времени разделительной цепи в области НЧ. Далее все так же, как для каскада с ОЭ.

 

<== предыдущая лекция | следующая лекция ==>
Усилительный каскад на БТ с ОБ | Лекция 6. Характеристики БТ при различных схемах включения
Поделиться с друзьями:


Дата добавления: 2014-01-03; Просмотров: 791; Нарушение авторских прав?; Мы поможем в написании вашей работы!


Нам важно ваше мнение! Был ли полезен опубликованный материал? Да | Нет



studopedia.su - Студопедия (2013 - 2026) год. Все материалы представленные на сайте исключительно с целью ознакомления читателями и не преследуют коммерческих целей или нарушение авторских прав! Последнее добавление




Генерация страницы за: 0.012 сек.