Студопедия

КАТЕГОРИИ:


Архитектура-(3434)Астрономия-(809)Биология-(7483)Биотехнологии-(1457)Военное дело-(14632)Высокие технологии-(1363)География-(913)Геология-(1438)Государство-(451)Демография-(1065)Дом-(47672)Журналистика и СМИ-(912)Изобретательство-(14524)Иностранные языки-(4268)Информатика-(17799)Искусство-(1338)История-(13644)Компьютеры-(11121)Косметика-(55)Кулинария-(373)Культура-(8427)Лингвистика-(374)Литература-(1642)Маркетинг-(23702)Математика-(16968)Машиностроение-(1700)Медицина-(12668)Менеджмент-(24684)Механика-(15423)Науковедение-(506)Образование-(11852)Охрана труда-(3308)Педагогика-(5571)Полиграфия-(1312)Политика-(7869)Право-(5454)Приборостроение-(1369)Программирование-(2801)Производство-(97182)Промышленность-(8706)Психология-(18388)Религия-(3217)Связь-(10668)Сельское хозяйство-(299)Социология-(6455)Спорт-(42831)Строительство-(4793)Торговля-(5050)Транспорт-(2929)Туризм-(1568)Физика-(3942)Философия-(17015)Финансы-(26596)Химия-(22929)Экология-(12095)Экономика-(9961)Электроника-(8441)Электротехника-(4623)Энергетика-(12629)Юриспруденция-(1492)Ядерная техника-(1748)

IV. Эквивалентное преобразование сопротивления

Эквивалентным называют такое преобразование части схемы, при котором токораспределение в схеме, не подвергнутое преобразованию, остаётся неизменным.

1. Последовательное соединение сопротивлений.

 

 

E I

I

 

Это соединение, при котором ток через любое сопротивление в любой момент времени одинаков.

E = IR1+ IR2+...+ IRn

Мощность, потребляемая цепью не измениться, если все сопротивления заменить их эквивалентными, равными сумме I(R1+R2+...+Rn)=IRэ

2. Параллельное соединение сопротивлений.

 

I

I I I

E R1` R2 Rn

 

По первому закону Кирхгофа: I= I1+I2+I3+...+In

Выразим токи данной цепи через параметры схемы:

E/Rэ= E/R1+ E/R2+...+E/Rn

 

Параллельное соединение сопротивлений называют такое соединение, при котором напряжение на всех сопротивлениях одинаково.

Следствие из первого з-на Кирхгофа 1/R= 1/R1+1/R2+...+1/Rn

Эквивалентная проводимость схемы с параллельными сопротивлениями равна сумме проводимости отдельных параллельных ветвей.

Gэ= G1+G2+...+Gn где G=1/R

 

Если параллельно соединены 2 сопротивления, то

Если параллельно соединены одинаковые по номиналу, то Rэ=R/2

 

 

3. Преобразование сопротивлений, соединённых треугольником в соединение звездой.

Правило эквивалентных преобразований:

I1тр=I1зв

I2тр=I2зв

I3тр=I3зв

 

Возьмём и поместим звезду в треугольник, тогда:

 

 

Обратное преобразование из звезды в треугольник:

 

 

Например:

 

Ом

Ом

Ом

 

В результате получили схему:

Ом

Ом

Ом

 

 

2,25 Ом 2,25 Ом

 

 

 

R12345=R134+R235=4,5 Ом

 

V. Расчёт простых цепей постоянного тока методом эквивалентных преобразований сопротивлений.

Старинное название – метод свёртки схемы.

1. Определяем количество узлов и ветвей в схеме k=2, m=4

2. Сворачиваем схему к одному эквивалентному сопротивлению (эквивалентному)

2.1. Находим в ветвях схемы R, соединённые последовательно, заменяем их эквивалентными и перечерчиваем схему в упрощенном варианте.

 

R35=R3+R5

 

 

2.2. Продолжаем свёртку схемы. Находим сопротивления, соединённых параллельно (имеющих пару общих узлов) заменяем их эквивалентными и вновь перечерчиваем схему в упрощённом виде.

Ом

2.3. Продолжаем свёртку схемы, заменяя последовательное и параллельное сопротивление их эквивалентами до тех пор, пока схема не придет к виду: один источник питания и одно эквивалентное сопротивление.

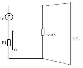
3. По закону Ома определяем ток ветви источника питания

4. Определяем направления на параллельных ветвях. UAB=I1R2345

5. По закону Ома для участка цепи определяем токи в параллельных ветвях:

 

  1. Определим мощность, потребляемую цепью. P=I2Rэ Вт
  2. Баланс мощностей

 

 

<== предыдущая лекция | следующая лекция ==>
III. Основные законы электрических цепей | Анализ сложных цепей постоянного тока
Поделиться с друзьями:


Дата добавления: 2014-01-03; Просмотров: 2826; Нарушение авторских прав?; Мы поможем в написании вашей работы!


Нам важно ваше мнение! Был ли полезен опубликованный материал? Да | Нет



studopedia.su - Студопедия (2013 - 2026) год. Все материалы представленные на сайте исключительно с целью ознакомления читателями и не преследуют коммерческих целей или нарушение авторских прав! Последнее добавление




Генерация страницы за: 0.01 сек.