Студопедия

КАТЕГОРИИ:


Архитектура-(3434)Астрономия-(809)Биология-(7483)Биотехнологии-(1457)Военное дело-(14632)Высокие технологии-(1363)География-(913)Геология-(1438)Государство-(451)Демография-(1065)Дом-(47672)Журналистика и СМИ-(912)Изобретательство-(14524)Иностранные языки-(4268)Информатика-(17799)Искусство-(1338)История-(13644)Компьютеры-(11121)Косметика-(55)Кулинария-(373)Культура-(8427)Лингвистика-(374)Литература-(1642)Маркетинг-(23702)Математика-(16968)Машиностроение-(1700)Медицина-(12668)Менеджмент-(24684)Механика-(15423)Науковедение-(506)Образование-(11852)Охрана труда-(3308)Педагогика-(5571)Полиграфия-(1312)Политика-(7869)Право-(5454)Приборостроение-(1369)Программирование-(2801)Производство-(97182)Промышленность-(8706)Психология-(18388)Религия-(3217)Связь-(10668)Сельское хозяйство-(299)Социология-(6455)Спорт-(42831)Строительство-(4793)Торговля-(5050)Транспорт-(2929)Туризм-(1568)Физика-(3942)Философия-(17015)Финансы-(26596)Химия-(22929)Экология-(12095)Экономика-(9961)Электроника-(8441)Электротехника-(4623)Энергетика-(12629)Юриспруденция-(1492)Ядерная техника-(1748)

ЭДС самоиндукции

Если по проводнику протекает переменный ток, то вокруг этого проводника он создает переменный магнитный поток, который создает переменное потокосцепление, а нон в свою очередь порождает ЭДС.

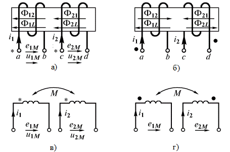
Таким образом, ЭДС каждой катушки определяется алгебраической суммой ЭДС самоиндукции и взаимной индукции. Для определения знака ЭДС взаимной индукции размечают зажимы индуктивно связанных элементов цепи. Два зажима называют одноименными, если при одинаковом направлении токов относительно этих зажимов магнитные потоки самоиндукции и взаимной индукции складыва­ются. Такие выводы обозначают на схемах одинаковыми условными значками, например, точками или звездочками (рис. 2.20 а, б). Одинаково направленные токи и (рис. 2.20 а) относительно зажимов и вызывают совпадающие по направлению потоки самоиндукции () и взаимной индукции (). Следовательно, зажимы и являются одноименными. Одноименной является и другая пара зажимов и , но условными значками обозначают только одну пару одноимен­ных выводов, например, и (рис. 2.20 а). Если токи и направ­лены неодинаково относительно одноименных зажимов (рис. 2.20 б), то имеет место встречное направление потоков самоиндукции и взаимоиндукции.

На схемах магнитопроводы, как правило, не показывают и ограничиваются только обозначением одноименных зажимов (рис. 2.20 в, г).

Одноименные зажимы можно определить опытным путем. Для этого одну из катушек включают в цепь источника постоянного тока, а к другой присоеди­няют вольтметр постоянного тока. Если в момент подключения ис­точника стрелка измерительного прибора отклоняется, то зажимы индуктивно связанных

Рис. 2.20

катушек, подключенные к положительному полюсу источника и поло­житель­ному зажиму измерительного прибора, являются одноименными.

Определим знаки ЭДС и напряжения взаимной индукции. Допустим, пер­вая катушка (рис. 2.20 а) разомкнута, а во второй протекает ток . Выберем поло­жительные направления для одинаковыми относительно одноимен­ных зажимов. ЭДС и напряжение взаимной индукции равны, но противоположны по знаку. Действительно, когда 0, потенциал зажима b больше потенциала зажима а, следовательно, 0.

По правилу Ленца знаки и всегда противоположны, поэтому

.

В комплексной форме уравннеие имеет вид

(2.50)

При встречном включении катушек (рис. 2.20 б)

. (2.51)

Из (2.50) и (2.51) видно, что вектор напряжения на взаимной индуктивности сдвинут по фазе относительно вектора тока на угол ±90°.

Сопротивление называется сопротивлением взаимной индуктивно­сти, а – комплексным сопротивлением взаимной индуктивно­сти.

Таким образом, при согласном направлении токов падение напряжения на взаимной индуктивности имеет знак «плюс», при встречном – знак «минус».

 

 

<== предыдущая лекция | следующая лекция ==>
Лекция №5. Расчёт цепей с взаимосвязанными катушками индуктивности | Рассмотрим на примере Последовательное соединение двух индуктивно связанных катушек
Поделиться с друзьями:


Дата добавления: 2014-01-03; Просмотров: 559; Нарушение авторских прав?; Мы поможем в написании вашей работы!


Нам важно ваше мнение! Был ли полезен опубликованный материал? Да | Нет



studopedia.su - Студопедия (2013 - 2026) год. Все материалы представленные на сайте исключительно с целью ознакомления читателями и не преследуют коммерческих целей или нарушение авторских прав! Последнее добавление




Генерация страницы за: 0.013 сек.