Студопедия

КАТЕГОРИИ:


Архитектура-(3434)Астрономия-(809)Биология-(7483)Биотехнологии-(1457)Военное дело-(14632)Высокие технологии-(1363)География-(913)Геология-(1438)Государство-(451)Демография-(1065)Дом-(47672)Журналистика и СМИ-(912)Изобретательство-(14524)Иностранные языки-(4268)Информатика-(17799)Искусство-(1338)История-(13644)Компьютеры-(11121)Косметика-(55)Кулинария-(373)Культура-(8427)Лингвистика-(374)Литература-(1642)Маркетинг-(23702)Математика-(16968)Машиностроение-(1700)Медицина-(12668)Менеджмент-(24684)Механика-(15423)Науковедение-(506)Образование-(11852)Охрана труда-(3308)Педагогика-(5571)Полиграфия-(1312)Политика-(7869)Право-(5454)Приборостроение-(1369)Программирование-(2801)Производство-(97182)Промышленность-(8706)Психология-(18388)Религия-(3217)Связь-(10668)Сельское хозяйство-(299)Социология-(6455)Спорт-(42831)Строительство-(4793)Торговля-(5050)Транспорт-(2929)Туризм-(1568)Физика-(3942)Философия-(17015)Финансы-(26596)Химия-(22929)Экология-(12095)Экономика-(9961)Электроника-(8441)Электротехника-(4623)Энергетика-(12629)Юриспруденция-(1492)Ядерная техника-(1748)

Тема 3. Производство электроэнергии




Большая часть представленного теоретического материала опирается на практический опыт работы в отрасли, приведены реальные показатели работы действующих объектов энергетической системы города Сургута, что приобретает наибольшую значимость для подготовки специалистов для работы на энергетических объектах Ханты-Мансийского автономного округа - Югра.

Полученные представления об энергетике найдут дальнейшее развитие в таких дисциплинах как «Оперативно-диспетчерское управление», «Электрические станции и подстанции», «Электрические системы и сети», «Релейная защита и автоматизация», «АСУ и оптимизация режимов» и другие.

В рамках этой дисциплины эскизно рассматриваются отдельные темы, которые в дальнейшем на следующих курсах обучения станут предметом изучения в нескольких больших по объёму специальных дисциплинах.

 

 

Тема 1. Энергетика и ее роль в жизнедеятельности человека

 

1.1. Современные тенденции развития энергетики.

Потребление энергии является обязательным условием существования человечества. Наличие доступной для потребления энергии всегда было необходимо для удовлетворения потребностей человека, увеличения продолжительности и улучшения условий его жизни.

История цивилизации — история изобретения все новых и новых методов преобразования энергии, освоения ее новых источников и в конечном итоге увеличения энергопотребления.

Первый скачок в росте энергопотребления произошел, когда человек научился добывать огонь и использовать его для приготовления пищи и обогрева своих жилищ. Источниками энергии в этот период служили дрова и мускульная сила человека. Следующий важный этап связан с изобретением колеса, созданием разнообразных орудий труда, развитием кузнечного производства. К XV в. средневековый человек, используя рабочий скот, энергию воды и ветра, дрова и небольшое количество угля, уже потреблял приблизительно в 10 раз больше, чем первобытный человек. Особенно заметное увеличение мирового потребления энергии произошло за последние 200 лет, прошедшие с начала индустриальной эпохи, — оно возросло в 30 раз и достигло в 2001 г. 14,3 Гт у.т/год. Человек индустриального общества потребляет в 100 раз больше энергии, чем первобытный человек, и живет в 4 раза дольше.

В современном мире энергетика является основой развития базовых отраслей промышленности, определяющих прогресс общественного производства. Во всех промышленно развитых странах темпы развития энергетики опережали темпы развития других отраслей.

В то же время энергетика — один из источников неблагоприятного воздействия на окружающую среду и человека. Она влияет на атмосферу (потребление кислорода, выбросы газов, влаги и твердых частиц), гидро­сферу (потребление воды, создание искусственных водохранилищ, сбросы загрязненных и нагретых вод, жидких отходов), биосферу (выбросы токсичных веществ) и на литосферу (потребление ископаемых топлив, изменение ландшафта).

Несмотря на отмеченные факторы отрицательного воздействия энергетики на окружающую среду, рост потребления энергии не вызывал особой тревоги у широкой общественности, так как было ясно, каким образом с технической точки зрения можно уменьшить или вообще исключить это воздействие. Так продолжалось до середины 70-х годов прошлого века, когда в руках специалистов оказались многочисленные данные, свидетельствующие о сильном антропогенном давлении на климатическую систему, что таит угрозу глобальной катастрофы при неконтролируемом росте энергопотребления. С тех пор ни одна другая научная проблема не привлекает такого пристального внимания, как проблема настоящих, а в особенности предстоящих изменений климата.

Считается, что главной причиной этого изменения является энергетика, причем под энергетикой понимается любая область человеческой деятельности, связанная с производством и потреблением энергии. Значительная (78 % в 2001 г.) часть энергетики обеспечивается потреблением энергии, освобождающейся при сжигании органического ископаемого топлива (нефти, угля и газа), что, в свою очередь, приводит к выбросу в атмосферу диоксида углерода (СО2), который обладает способностью удерживать отраженное Землей солнечное излучение. В результате накопления СО2 и других многоатомных газов, среди которых наиболее важными являются метан (СН4) и оксид азота (NO2), происходит разогрев земной атмосферы. Это явление называется парниковым эффектом.

Считается, что уменьшить это явление можно сократив эмиссию диоксида углерода за счет сокращения объемов потребляемого органического топлива. Такой упрощенный подход уже наносит реальный вред мировой экономике и может нанести смертельный удар по экономике тех стран, которые еще не достигли необходимого для завершения индустриальной стадии развития уровня потребления энергии.

 

 

1.2. Энергетика и прогресс общества.

 

На становлении развития человечества можно выделить три основные топливные эры. Первая и начальная эра – это эра Древесного топлива. Вторая эра с XVI-XIX вв. – эра Угольного топлива. С 30х годов XX столетия появляются новые источники энергии – это газ и нефть. Данный этап развития энергетики представляет собой третью эру нефти и газа. В настоящее время в основном используется углеводородное топливо (60% всего потребления энергоресурсов).

В настоящее время различают 5 технологических укладов, соответствующих разным историческим эпохам.

I технологический клад соответствует расцвету текстильной промышленности и энергетически основывается на древесном топливе, энергии водяного колеса.

II технологический уклад возник на основе парового двигателя, работающего на угле. Бурно развивается угольная промышленность, черная металлургия и машиностроение. Начинает распространяться железнодорожный транспорт. Исторически этот период характеризуется как первая промышленная революция и начало индустриализации производства и урбанизации общества.

III технологический уклад связан с развитием сталелитейного производства, проката, электроэнергетики, электротехники и неорганической химии. Распространяется автотранспорт, приводимый в движение двигателем внутреннего сгорания. Используется электрифицированный городской транспорт. В рамках данного уклада получила развитие как III топливная эра, так и электрификация экономики и общества. Началось становление сферы услуг.

IV технологический уклад связан с дальнейшей модернизацией общества, развитием нефтепереработки и нефтехимии, органической химии, цветной металлургии. Сфера услуг получила бурное развитие. Домашнее хозяйство широко оснащается бытовой техникой. Широко распространяются высококачественные металлы, сплавы, пластмассы. Появляются новые строительные технологии. Транспорт применяется автомобильный, железнодорожный, водный, авиатранспорт.

V технологический уклад предполагает революции в сферах обращения информации и управления. Развиваются телекоммуникации, компьютерные и информационные технологии, роботостроение.

 

Процесс энергообеспечения, энергетические ресурсы, энергоносители– это составляющие мощного народно-хозяйственного комплекса, а именно энергетического комплекса. По-другому, энергетику можно определить как систему процессов воспроизводства, первичной доставки, преобразования, распределения и потребления энергоресурсов. Указанные процессы представляют собой стадии единого процесса энергообеспечения экономики и общества.

 

1.3. Геополитическое распределение потребителей энергии.

 

Следует напомнить понятие условного топлива. Важнейшей характеристикой топлива является теплота сгорания, измеряемая в кДж/кг или в ккал/кг и определяющая количество тепловой энергии выделяемой при сгорании 1 кг натурального топлива. Для объективной оценки эффективности процессов выработки энергии на объектах, которые работают на разных видах топлива, вводят понятие условного топлива (у.т.), имеющего фиксированную теплоту сгорания, равную 7000 ккал/кг.

В основу классификации регионов земного шара положены две характеристики, определяющие потребность в энергии: удельное энергопотребление е на душу населения, дающее одновременно представление о степени экономического развития, и динамика изменения численности населения (годовой естественный прирост AGR) — интегральный демографический показатель, в определенной мере отражающий социальное благополучие нации. AGR представляет собой разность между рождаемостью и смертностью (без учета миграции, которая для многих стран, таких, как США, Австралия, Израиль, может искажать истинную картину).

Еще в 40—50-х годах XX в. в работах американского социолога Л.А. Уайта было показано, что потребление энергии на душу населения является важнейшим экономическим и социальным детерминантом, пол­ностью определяющим не только уровень жизни конкретной страны, но и этап исторического развития, на котором эта страна находится. Известно, что в наиболее богатых странах мира на душу населения приходится сейчас 10—14 т у.т/год (США, Канада, Норвегия), в беднейших же этот показатель едва достигает 0,3—0,4 т у.т/год (Бангладеш, Мали, Чад).

Однако, для многих стран мира значительная часть этих ресурсов расходуется исключительно на противостояние неблагоприятным природным условиям (слишком холодный или слишком жаркий климат, большие расстояния, высокие горы и т.д.) и ничего не добавляет к богатству страны.

Таким образом, природные условия, и в первую очередь климат, также составляют ресурс любого государства. Это означает, что страны, находящиеся в благоприятном климате, пользуются такими же преимуществами, как и те, которые располагают дополнительными запасами нефти, угля или газа. Отсюда следует, что любая адекватная оценка реального благосостояния страны должна включать, кроме энергетических показателей, количественную характеристику природных условий.

Период Новой истории, традиционно отсчитываемый от Великой французской революции, характеризуется быстрым и значительным ростом потребления энергии на душу населения, которое увеличилось почти в 5 раз за последние 200 лет. Это позволило решить столь грандиозные задачи, как увеличение более чем вдвое средней продолжительности жизни, сокращение почти вдвое продолжительности рабочей недели, обеспечение продуктами питания возросшего в 7 раз населения Земли и т.д.

Каждому следующему этапу Новой истории соответствовал вполне определенный уровень энергопотребления, который в этом случае приобретает значение индикатора фазы исторического развития. Современный этап исторического развития может быть охарактеризован как переходный от индустриального к постиндустриальному, в котором центр материальной деятельности общества переносится из сферы промышленности и сельского хозяйства в сферу услуг.

Тема 2. Основные положения технической термодинамики

 

2.1. Основные понятия и определения.

Термодинамика – наука, изучающая энергию и законы ее превращения из одного вида в другой.

Техническая термодинамика – раздел термодинамики, в котором рассматриваются взаимопревращения тепловой и механической энергии с помощью тел, называемых рабочими телами.

Преобразование теплоты в механическую работу происходит с помощью рабочего тела. Наиболее целесообразными рабочими телами для применения их в различных тепловых устройствах являются газы или пар. С одной стороны газ и пар легко деформируемы (легко расширяются и сжимаются) под влиянием внешних сил, с другой сторон им свойственны значительные по величине коэффициенты объемного расширения (по равнению с другими агрегатными состояниями тел).

Объектом рассмотрения технической термодинамики является термодинамическая система, которая представляет собой совокупность тел, находящихся во взаимодействии как между собой, так и с окружающей средой. Примером термодинамической системы может служить газ, расширяющийся или сжимающийся в цилиндре с движущимся поршнем.

Материальные тела, входящие в термодинамическую системы, разделяют на источники теплоты и рабочие тела, которые под воздействием источника теплоты совершают механическую работу.

 

2.2. Параметры термодинамической системы

 

Термодинамическая системы характеризуется четырьмя параметрами состояния:

1) абсолютная температура Т;

2) абсолютное давление p;

3) удельный объем ν;

4) энтропия S.

 

Рассмотрим более подробно каждый из параметров термодинамической системы.

 

1) Абсолютная температура – параметр термодинамической системы, характеризующий степень нагретости тела. Температура измеряется по абсолютной шкале в градусах Кельвина (К) и обозначают как Т, либо по стоградусной шкале в градусах Цельсия (ºC) и обозначают t. Единица деления шкалы Кельвина соответствует градусу шкалы Цельсия, поэтому связь между данными единицами можно выразить следующей формулой:

T=t+273,15

 

Во многих зарубежных странах применяют шкалу Фаренгейта. Соотношение величин будет следующим:

 

t(ºF)=9/5t(ºC)+32

 

2) Давление p - сила, действующая по нормали на единицу поверхности тела. Из определения следует и единица измерения давления – Н/м2.

Различают абсолютное и избыточной давление. Под абсолютным понимают действительное давление рабочего тела внутри сосуда. Под избыточным давлением понимают разность между абсолютным давлением в сосуде и давлением окружающей среды. Прибор, измеряющий разность этих давлений, называют манометром.

Если термодинамическая система находится под избыточным давлением, в этом случае абсолютное давление газа находится как сумма барометрического (иначе давление окружающей среды) и избыточного давлений:

 

Pабс=Pбар+Pизб

 

Если термодинамическая системы находится под разряжением (т.е. под вакуумом или отрицательным избыточным давлением), то абсолютное давление находится как разность барометрического и избыточного давлений:

Pабс=Pбар+Pвак

 

Напомним известные единицы измерения давления:

В системе Си за единицу давления принят 1 Паскаль (Па): 1Па=1Н/м2

В теплотехнических установках приборы чаще всего градуированы таким образом, что за единицу давления принята атмосфера (ат):

1ат=1кгс/см2=104кгс/м2

Поскольку 1кгс=9,8Н, то 1ат=9,80665∙104Па=0,981бар

1бар=105Па=750,06 мм рт.ст ≈10,2 м вод.ст

1 мм рт.ст=133,322Па

 

Нормальными физическими условиями принимаются такие условия, когда параметры состояния следующие: р=1ат=760 мм рт.ст; t=0 ºC

3) Объем характеризует занимаемое пространство, поэтому измеряется в м3.

Под удельным объемом ν рабочего тела понимают объем, занимаемый массой этого тела в 1 кг. Измеряется удельный объем в м3/кг.

Величина, обратная удельному объему, называется плотностью ρ рабочего тела. Измеряется плотность в кг/ м3.

 

4) Энтропия s – параметр термодинамической системы, характеризующий ее состояние.

Физический смысл энтропии. Измерить энтропию нельзя. Однако, физический смысл можно понять по следующим интерпретациям:

1. Энтропия – мера ценности теплоты: ее работоспособности и технологической эффективности.

2. Энтропия – мера потери работы вследствие необратимости реальных процессов. Чем больше необратим процесс в изолированной системе, тем больше возрастает энтропия и тем большая доля энергии не превращается в работу, рассеивается в окружающую среду.

3. Энтропия – мера беспорядка (неупорядоченности расположения и движения частиц). Возрастание беспорядка означает возрастание энтропии, рассеивание энергии. При подводе теплоты увеличивается хаотичность теплового движения частиц, энтропия возрастает. Охлаждение же системы при постоянном объеме подразумевает повышение упорядоченности, таким образом, энтропия уменьшается. Такая закономерность позволяет предположить, что при нуле абсолютной температуры тепловое движение частиц полностью прекратится и в системе установится полный порядок, энтропия станет равной 0.

 

2.3. Термодинамические процессы

 

Термодинамическим процессом называют последовательность изменения состояния рабочего тела в термодинамической системе. Основным признаком процесса является изменение хотя бы одного из параметров состояния. Исходя из рассмотренных выше параметров, различают следующие термодинамические процессы идеальных газов:

1) изохорный, протекающий при постоянном объеме;

2) изобарный, протекающий при постоянном давлении;

3) изотермический, протекающий при постоянной температуре;

4) адиабатный, при котором отсутствует теплообмен с окружающей средой;

5) политропный, удовлетворяющий уравнению

Первые четыре процесса являются частными случаями политропного процесса.

При исследовании этих процессов определяют уравнение процесса в координатах и Ts.

Для исследования термодинамических процессов вводят понятия о равновесных (обратимых) процессах.

Состояние рабочего тела, при котором давление и температура, а следовательно, и удельный объем во всех точках не изменяются без внешнего воздействия во времени, называется равновесным состоянием.

Еще одно определение термодинамического процесса можно представить следующим образом: последовательное изменение состояния рабочего тела, происходящее в результате энергетического взаимодействия рабочего тела с окружающей средой, называется термодинамическим процессом. Процесс, при осуществлении которого тело последовательно проходит непрерывный ряд состояний равновесия, называется равновесным.

Обратимым процессом называется такой термодинамический процесс, который допускает возможность протекания его через одни и те же равновесные состояния как в прямом, так и в обратном направлениях, при этом в окружающей среде изменений не остается.

В природе обратные термодинамические процессы в чистом виде не наблюдаются. Однако, их изучение данных процессов играет важную роль, поскольку многие реальные процессы, происходящие в термодинамической системе, близки в обратимым.

 

2.4. Первый закон термодинамики.

 

В соответствии с всеобщим законом сохранения и превращения энергии, энергия не исчезает и не возникает вновь, она переходит в различных физических и химических процессах из одного вида в другой.

В применении к понятиям термодинамики закон сохранения и превращения энергии носит название первого закона термодинамики. Из опытов известно, что подвод теплоты Q к какому-либо телу (аналогично и отвод теплоты) обычно связан с изменением температуры тела T и объема V.

Изменение температуры тела обусловлено изменением внутренней энергии движения молекул, которая представляет собой сумму кинетической и потенциальной энергии атомов и молекул тела. В общем случае внутренняя энергия тела складывается из поступательного, вращательного и колебательного движения молекул, потенциальной энергии сил сцепления между молекулами, внутримолекулярной, внутриатомной и внутриядерной энергии.

Обозначим U1 – количество внутренней энергии рабочего тела до начала подвода теплоты, а U2 - количество внутренней энергии после окончания подвода теплоты, тогда изменение внутренней энергии будет определяться следующим выражением: .

Изменение объема тела при нагревании (охлаждении) связано с работой, которую производят возникающие в этом процессе силы, проявляющиеся в форме давления на поверхность тела. Работа этих сил в процессе подвода теплоты Q называется внешней работой L. Из всего вышесказанного следует, что затрата теплоты Q при изменении температуры и объема тела связана с изменением внутренней энергии и совершением внешней работы L, таким образом, в соответствии с законом сохранения энергии: . Данное соотношение представляет собой аналитическое выражение первого закона термодинамики для неподвижного тела и устанавливает, что в термодинамическом процессе теплота расходуется в двух направлениях: на изменение внутренней энергии и на совершение внешней работы.

В технической термодинамике принято считать, что основной формой преобразования теплоты во внутреннюю энергию является изменение кинетической энергии движения молекул (как функции изменения температуры) и потенциальной энергии сил сцепления между молекулами (как функции изменения удельного объема):

Для идеальных газов силы сцепления между молекулами равны нулю, и как следствие, внутренняя энергия таких газов зависит только от их абсолютной температуры .

Работа расширения (сжатия) неподвижного тела проявляется в изменении объема тела V под действием давления p. Таким образом, полная работа для всей поверхности тела при изменении объема от до составит:

Работа расширения при изменении объема 1 кг газа от до будет определяться следующим образом:

Тогда уравнение первого закона термодинамики, устанавливающего связь между подведенной к телу теплотой, изменением внутренней энергии и внешней работой, при расчете на единицу массы примет вид:

2.5. Второй закон термодинамики.

Второй закон термодинамики можно выразить в следующих выражениях:

1) самопроизвольное протекание естественных процессов возникает и развивается при отсутствии равновесия между участвующей в процессе термодинамической системой и окружающей средой.

2) Процессы всегда характеризуются односторонним протеканием от более высокого потенциала к более низкому (от более высокой температуры к более низкой, от более высокого давления к более низкому).

3) Ход самопроизвольно протекающих процессов происходит в направлении, приводящем к установлению равновесия между окружающей средой и термодинамической системы. При достижении указанного равновесия, процессы прекращаются.

4) Обратное направление протекания процесса возможно лишь в том случае, когда будет затрачена энергия из внешней среды.

Общую формулировку второго закона термодинамики выразим следующим образом: для совершения определенной работы требуется как минимум два источника теплоты с разной температурой.

2.6. Понятие теплоемкости. Классификация теплоемкости.

 

Удельной теплоемкостью с называют величину, которая характеризует какое количество теплоты q требуется для изменения температуры единицы количества вещества на 1 градус:

В зависимости от способа измерения единицы количества вещества, различают следующие виды теплоемкостей: массовая с (), объемная (), мольная ().

Связь между данными величинами определяется выражением:

,

где - плотность при нормальных физических условиях.

В зависимости от характера термодинамического процесса различают следующие виды теплоемкостей: изобарная и изохорная.

,

где R – газовая постоянная.

3.1. Потребление и производство электроэнергии

Все добываемое органическое топливо перерабатывается и используется в следующих направлениях с примерной оценкой доли в общем балансе:

· промышленность – 58 %;

· транспорт – 10 %;

· сфера услуг – 12 %;

· коммунально-бытовой сектор – 11 %;

· сельское хозяйство – 9 %.

Постоянное возрастание относительных объемов топлива, которое перерабатывается в электроэнергию, объясняется рядом важных преимуществ электричества перед другими видами энергии. К ним относятся следующие свойства электроэнергии:

· экологическая чистота;

· простота преобразования в другие виды энергии (механическую, тепловую, световую и др.);

· легко транспортируется с малыми потерями;

· простой учет;

· удобна для автоматизации.

Сегодня в мире ежегодно производится более 14000 млрд. кВт·ч электроэнергии. Примерно 63 % вырабатывается на тепловых электростанциях, 19 % на ГЭС и 18 % на АЭС. На каждого жителя планеты приходится более 2000 кВт·ч электроэнергии в год. При этом в большинстве странах, в основном северных, на человека приходится более 10000 кВт·ч, в России примерно 5000 кВт·ч.

В структуре генерирующих мощностей доля ТЭС – 68 %, ГЭС –21 %, АЭС– 11 %.

Более 11 % выработанной электроэнергии расходуется на транспорт ее до потребителей, т.е. теряется при передаче. Небольшая часть вырабатываемой электроэнергии экспортируется.

Для обеспечения надежного электроснабжения потребителей 94% электростанций России объединены в единую энергосистему ЕЭС России.

 

3.2. Основное оборудование электростанций

Основное силовое электрическое оборудование электростанций не зависит от их типа и включает синхронные генераторы разной мощности и типа, силовые трансформаторы и коммутационное оборудование.

3.2.1. Синхронный генератор

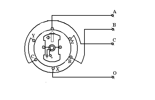
Используется для преобразования механической энергии первичного двигателя – турбины в электрическую энергию. Принцип работы синхронного генератора основан на законе электромагнитной индукции, который устанавливает, что ЕДС определяется скоростью изменения магнитного потока Ф, который пронизывает контур проводника. Синхронный генератор переменного трехфазного тока (рис. 1) состоит из неподвижного статора и вращающегося под действием турбины ротора.

Рис. 1. Принципиальная схема синхронного генератора

 

Обычно ротор выполняется в виде электромагнита, имеющего одну или несколько пар полюсов. Магнитный поток создается обмоткой возбуждения, которая питается от специального источника постоянного тока – возбудителя через контактные кольца и щетки.

В пазах статора, выполненного из листов электротехнической стали, размещаются медные стержни, соединяемые по торцам в три фазные обмотки, сдвинутые в пространстве на 120 электрических градусов. При вращении ротора в каждом стержне наводится ЭДС, пропорциональная магнитной индукции, длине стержня и скорости вращения ротора. Так как все стержни обмоток соединяются последовательно, то ЕДС на зажимах обмоток определяется суммой ЕДС каждого стержня. За один оборот ротора при одной паре полюсов происходит полный период изменения ЕДС.

Частота переменного тока f при вращении ротора со скоростью n оборотов в минуту и числе пар полюсов p определяется по формуле

f=pn /60.

Мощный синхронный генератор представляет собой сложное и громоздкое сооружение. Масса генератора мощностью 800 МВт около 480 т, а ротора 80 т. Размеры ротора ограничены условиями механической прочности. Длина его не может превышать 8–10 м, а его диаметр1,2–1,3 м при n= 3000 об/мин. Ограничен и внешний диаметр статора, который не должен превышать железнодорожного габарита.




Поделиться с друзьями:


Дата добавления: 2014-01-03; Просмотров: 793; Нарушение авторских прав?; Мы поможем в написании вашей работы!


Нам важно ваше мнение! Был ли полезен опубликованный материал? Да | Нет



studopedia.su - Студопедия (2013 - 2026) год. Все материалы представленные на сайте исключительно с целью ознакомления читателями и не преследуют коммерческих целей или нарушение авторских прав! Последнее добавление




Генерация страницы за: 0.016 сек.