Студопедия

КАТЕГОРИИ:


Архитектура-(3434)Астрономия-(809)Биология-(7483)Биотехнологии-(1457)Военное дело-(14632)Высокие технологии-(1363)География-(913)Геология-(1438)Государство-(451)Демография-(1065)Дом-(47672)Журналистика и СМИ-(912)Изобретательство-(14524)Иностранные языки-(4268)Информатика-(17799)Искусство-(1338)История-(13644)Компьютеры-(11121)Косметика-(55)Кулинария-(373)Культура-(8427)Лингвистика-(374)Литература-(1642)Маркетинг-(23702)Математика-(16968)Машиностроение-(1700)Медицина-(12668)Менеджмент-(24684)Механика-(15423)Науковедение-(506)Образование-(11852)Охрана труда-(3308)Педагогика-(5571)Полиграфия-(1312)Политика-(7869)Право-(5454)Приборостроение-(1369)Программирование-(2801)Производство-(97182)Промышленность-(8706)Психология-(18388)Религия-(3217)Связь-(10668)Сельское хозяйство-(299)Социология-(6455)Спорт-(42831)Строительство-(4793)Торговля-(5050)Транспорт-(2929)Туризм-(1568)Физика-(3942)Философия-(17015)Финансы-(26596)Химия-(22929)Экология-(12095)Экономика-(9961)Электроника-(8441)Электротехника-(4623)Энергетика-(12629)Юриспруденция-(1492)Ядерная техника-(1748)

Подготовительные работы - 2%




Подсчёт объёмов работ нулевого цикла

Определение объёмов работ и выполнение

Магнитогорск 2011

Технология и организация строительного производства

По дисциплинам

Практическая работа

БИБЛИОГРАФИЧЕСКИЙ СПИСОК

ОСНОВНАЯ ЛиТЕРАТУРА

1. Александров А.В. Сопротивление материалов /А.ВАлександров, В.Д.Потапов, Б.П.Державин – М.: Высшая школа, 2007, 560с.

2. Куриленко Е.Ю.,Огороднова Ю.В. Краткий справочник по сопротивлению материалов.—Тюмень: РИО ТюмГАСУ, 2010г., 34с.

 

ДОПОЛНИТЕЛЬНАЯ ЛиТЕРАТУРА

 

1. Дарков А.В., Шпиро Г.С. Сопротивление материалов /А.В.Дарков, Г.С. Шпиро–М.: Высшая школа, 1989, 624c.

2. Сопротивление материалов /под ред. А.Ф.Смирнова–М.: Высшая школа, 1975, 540с

3. Куриленко Е.Ю.,Позднякова Н.А. Сборник заданий для расчетно-проектировочных работ по 2-й части курса «Сопротивление материалов».—Тюмень.: РИО ТюмГАСУ, 1994г., 32с.

 

 

«Подсчёт объёмов работ»

«Технология и организация монтажа металлических и железобетонных конструкций»

для специальности 270103

«Строительство и эксплуатация зданий и сооружений»

Рассмотрено и утверждено на заседании цикловой комиссии «Строительство и эксплуатация зданий и сооружений» Председатель предметно-цикловой комиссии: Варакина Г.А. _______________ Протокол № __ от «___» _____ 2011г Составленав соответствии с Государственными требованиями и уровню подготовки выпускника по специальности 270103 «Строительство и эксплуатация зданий и сооружений»  

Составители: Варакина Г. А., Чашемова В. Д., преподаватели специальных дисциплин Многопрофильного колледжа

 

 

таблицы подсчёта объёмов работ

1.1. Срезка растительного слоя производится бульдозером на площади, большей площади

здания на 10 м с каждой стороны:

где размеры здания А = м;

В= м;

толщина срезки g - м.

Площадь срезки, м2,

S= (А+20)*(В+20) = м2

Объем срезаемого грунта, м3

Vсрезки=S*g =(A+20)(B+20)*g, м3

       
      I
      l
  А=   • / V

1.2. Погрузка чернозёма на самосвалы:

Vпогрузки= Vсрезки*kразрыхления = м3

 

1.3. Установка иглофильтров:

Осуществляется через каждые __ м по всей длиневодоотводящего коллектора, который устраивается на __ метров от оси здания с каждой стороны (ГЭСН-2001-01 «Земляные работы», техническая часть; ГЭСН-2001-04 «Скважины»).

 

 

Количество иглофильтров:

N=((А+50)*2+(В+50)*2)/3+1=, шт.

 

2. Нулевой цикл:

2.1. Разработка грунта одноковшовым экскаватором обратная лопата с гидравлической подвеской, V=___ м3 (ЕНиР, принять по объёму разрабаты-ваемого грунта, от 0,4-1 м3)

- определить вид земляного сооружения:

а) Vобщ.= V1- котлован

 

    V1    

 

 

б)Vобщ.= 2V1+2V2 – две траншеи под фундаменты крайних рядов и две – под фундаменты фахверковых колонн (однопролётное здание)

 

V1  
V2   V2
V1  

в) Vобщ.= 2V1+V2 +4V3 – две траншеи под фундаменты крайних рядов, одна – под фундаменты среднего ряда, и четыре – под фахверковые (двухпролётное здание)

 

  V1
V3     V3  
V2  
V3     V3  
V1  

 

г) Vобщ.= 2V1+V2 +4V3 + 2V3 – для двухпролётного здания с n-ым количеством фундаментов под перегородки;

 

Вычертить количество фундаментов под перегородки:

 

  V1
V3     V3  
V2  
V3     V3  
V1  

 

 

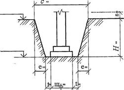
- выполнить схему поперечного сечения траншеи:

 


- выполнить схему продольного сечения траншеи:

 

где ш ф.– ширина фундамента, попавшего в разрез,

t – монтажная зона, равная 0,5-1,3 м. Принимается 1 м.,

а – ширина траншеи по низу,

в – длина траншеи по низу,

с – ширина траншеи по верху,

d – длина траншеи по верху,

Н – глубина выемки,

е – величина откоса,

е=Н*m, где m – крутизна откоса. Определяется по таблицам 1, 2, 3

 

Характеристика основных грунтов

___________________________________ таблица 1

Грунт Удельный вес, т/м3 Объем-ный вес, т/м3 Порис­тость, % Угол внутрен него трения, град.
Галька 2,65-2,80 1,8-2,0 35-50 30-40
Глина 2,60-2,75 1,7-2,0 30-60 7-20
Гравий 2,65-2,80 1,8-2,0 35-50 25-30
Иловатые грунты 2,20-2,50 1,6-1,8 30-60 15-30
Песок мелкий 2,65-2,70 1,6-1,9 30-50 22-35
Песок средний 2,65-2,68 1,6-1,9 35-50 26-35
Песок крупный 2,65-2,68 1,6-2,0 35-50 27-40
Суглинок 2,60-2,70 1,5-1,8 30-60 12-25
Суглинок пылеватый 2,60-2,70 1,5-1,7 30-60 12-25

 

Рытьё котлованов и траншей с вертикальными стенками без крепления допускается в грунтах естественной влажности при отсутствии грунтовых вод и глубине выемки не более:

- 1 м – в насыпных, песчаных и гравелистых грунтах;

- 1,25 м – в супесчаных и суглинистых грунтах;

- 1,5 м – в глинистых грунтах;

- 2 м – в особо плотных грунтах, требующих для разработки применения ломов, кирок.

Углы естественного откоса грунтов

таблица 2

Грунт Относительная влажность грунта
Сухой Влажный мокрый
Гра­дусы Отношение высоты к заложению Гра­дусы Отношение высоты к за­ложению Гра­дусы Отношение высоты к заложению
Галька   1:1,5   1:1   1:2,25
Гравий   1:1,25   1:1,25   1:1,5
Глина жирная   1:1   1:1,5   1:3,75
Грунт насыпной   1:1,5   1:1   1:2
Грунт растительный   1:1,25   1:1,5   1:2,25
Песок крупный   1:1,75   1:1,5   1:2
Песок средний   1:2   1:1,5   1:2,25
Песок мелкий   1:2,25   1:1J5   1:2,75
Суглинок легкий   1:1,25   1:1,75   1:1,75
Суглинок, глина легкая   1:0,75   1:1,25   1:1,75

 

При большей глубине, для обеспечения устойчивости земляных сооружений (насыпей, выемок), разработку производят с откосами (таблица 8), крутизна которых характеризуется отношением высоты к заложению:

 

Наибольшая допускаемая крутизна откосов котлованов и траншей, выполняемых без крепления

таблица 3

Грунты При глубине выемки, м
доЗ до 6
Насыпные, песчапые, гравелистые 1:1,25 1:1,5
Супесчаные 1:0,67 1:1
Суглинистые 1:0,67 1:0,75
Глинистые 1:0,5 1:0,67
Лессовые 1:0,5 1:0,75
Скальные разборные 1:0,1 1:0,25
Скальные плотные 1:0,1 1:0,1

 

- определить объём грунта, разрабатываемого под крайний ряд фундаментов (на разрезах указать все размеры):


Н=Нзаложенияуровня землисрезки

а= ш ф.+2t

c=а+2*е

е=Н*m

в=z+1/2 ш ф.+ 1/2 ш ф.+ 2t

где z– длина траншеи между крайними координационными осями;

d=в+2е

По формуле Н. Симсона определяем объём данного земляного сооружения:

V1=Н /6 [ab +cd +(a +c)(b +d)]

 

- определить объём грунта, разрабатываемого под средний ряд колонн (выполняется также);

- определить объём грунта, разрабатываемого под фундаменты фахверковых колонн:

Н=Нзаложенияуровня землисрезки

а= ш ф.+2t

c=а+2*е

е=Н*m

в=z – с1/2 - с2/2;

где z длина траншеи между осями;

с1, с2 – ширина раннее разработанных траншей по верху

d=в;

По формуле Н. Симсона определяем объём данного земляного сооружения:

V1=Н /6 [ab +cd +(a +c)(b +d)]


 

- определить объём грунта, разрабатываемого под фундаменты для перегородок:

Н=Нзаложенияуровня землисрезки

а= ш ф.+2t

c=а+2*е

е=Н*m

в= ш ф.+ 2t

d=в+2е

По формуле Н. Симсона определяем объём данного земляного сооружения:

V1=Н /6 [ab +cd +(a +c)(b +d)]

 

- определить объём грунта, разрабатываемого экскаватором:

Vобщ.= 2V1+V2 +4V3 + 2V3

Если земляное сооружение – котлован:

Н=Нзаложенияуровня землисрезки

а= z+1/2 ш ф.+ 1/2 ш ф.+ 2t

где z– длина котлована между крайними координационными осями;

c=а+2*е

е=Н*m

в=z+1/2 ш ф.+ 1/2 ш ф.+ 2t

где z– ширина котлована между крайними координационными осями;

d=в+2е

 

По формуле Н. Симсона определяем объём данного земляного сооружения:

V1=Н /6 [ab +cd +(a +c)(b +d)]

2.2 Ручная доборка грунта:

Выполняется толщиной t=0,1 м на площади большей площади фундамента на 0,1 м. с каждой стороны. Считается отдельно для каждого вида фундаментов.

q, g – размеры подошвы фундамента;

S1к ф =(g1+0,2)(q1+0,2)*n=

= м2

S2с ф =(g2+0,2)(q2+0,2)*n=

= м2

S3 ф =(g3+0,2)(q3+0,2)*n=

= м2

Определить общую площадь доборки:

Sобщ=S1к ф+S2с ф +S3 ф= м2

Определить объём доборки:

V= Sобщ *0.1= м3

2.3. Щебёночная подсыпка под фундаменты:

Выполняется на этой же площади S= _________ м2

Тем же объёмом V= _________ м3

2.4. Устройство монолитного фундамента:

V1= _________ м3 n1=_____ шт

V2= _________ м3 n2 =_____ шт

V3= _________ м3 n3 =_____ шт

V4= _________ м3 n4=_____ шт

Vф= V1*n1+ V2*n2+ V3*n3+ V4*n4+

2.5. Обратная засыпка грунта, м3

Vобр. зас=(Vразр.-Vфунд.-Vфунд. балок-Vбет. ст.) / kразрыхления

где kразрыхления - коэффициент разрыхления грунта

- обратная засыпка грунта вручную и уплотнение ручными трамбовками определяется как 10% от обратной засыпки и составляет:

Vобр. ручной засыпки = м3

- обратная засыпка грунта бульдозером и уплотнение прицепным катком (90%):

Vобр. засыпки бульдозером= м3

Показатели разрыхления грунтов и пород

Таблица 4

  № п/п Наименование грунта Первоначальное увеличение объёма грунта после разработки, % Остаточное разрыхление грунта, %
  Глина ломовая Глина мягкая жирная Глина сланцевая Гравийно-галечные грунты Растительный слой Лесс мягкий Лесс твёрдый Мергель Опока Песок Разборно-скальные грунты Скальные грунты Солончак и солонец мягкие Солончак и солонец твёрдые Суглинок лёгкий и лессовидный Суглинок тяжёлый Супесь Торф Чернозём и каштановый грунт Шлак   28-32 24-30 28-32 16-20 20-25 18-24 24-30 33-37 33-37 10-15 30-45 45-50 20-26 28-32 18-24 24-30 12-17 24-30 22-28 14-18 6-9 4-7 6-9 5-8 3-4 3-6 4-7 11-15 11-15 2-5 15-20 20-30 3-6 5-9 3-6 5-8 3-5 8-10 5-7 8-10

Пример: По обмеру в отвале тяжёлого суглинка, пролежавшего 1 месяц без механического уплотнения, установлен объём 1867 м3. Согласно таблице, первоначальное увеличение суглинка принято 27 % (как среднее между 24 и 30 %) Объём грунта в состоянии естественной плотности будет равен 1867*100/(100+27)=1470 м3

2.6. Установка фундаментных балок:

l1=5,05 м n= шт

l2=4,75 м n= шт

l3=4,45 м n= шт

Итого: шт.

 




Поделиться с друзьями:


Дата добавления: 2015-07-13; Просмотров: 557; Нарушение авторских прав?; Мы поможем в написании вашей работы!


Нам важно ваше мнение! Был ли полезен опубликованный материал? Да | Нет



studopedia.su - Студопедия (2013 - 2026) год. Все материалы представленные на сайте исключительно с целью ознакомления читателями и не преследуют коммерческих целей или нарушение авторских прав! Последнее добавление




Генерация страницы за: 0.012 сек.