Студопедия

КАТЕГОРИИ:


Архитектура-(3434)Астрономия-(809)Биология-(7483)Биотехнологии-(1457)Военное дело-(14632)Высокие технологии-(1363)География-(913)Геология-(1438)Государство-(451)Демография-(1065)Дом-(47672)Журналистика и СМИ-(912)Изобретательство-(14524)Иностранные языки-(4268)Информатика-(17799)Искусство-(1338)История-(13644)Компьютеры-(11121)Косметика-(55)Кулинария-(373)Культура-(8427)Лингвистика-(374)Литература-(1642)Маркетинг-(23702)Математика-(16968)Машиностроение-(1700)Медицина-(12668)Менеджмент-(24684)Механика-(15423)Науковедение-(506)Образование-(11852)Охрана труда-(3308)Педагогика-(5571)Полиграфия-(1312)Политика-(7869)Право-(5454)Приборостроение-(1369)Программирование-(2801)Производство-(97182)Промышленность-(8706)Психология-(18388)Религия-(3217)Связь-(10668)Сельское хозяйство-(299)Социология-(6455)Спорт-(42831)Строительство-(4793)Торговля-(5050)Транспорт-(2929)Туризм-(1568)Физика-(3942)Философия-(17015)Финансы-(26596)Химия-(22929)Экология-(12095)Экономика-(9961)Электроника-(8441)Электротехника-(4623)Энергетика-(12629)Юриспруденция-(1492)Ядерная техника-(1748)

Трофический статус Святого озера




Суммарная потеря давления от установки приборов учета

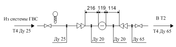
Расчет гидравлических потерь в обратном трубопроводе Т4

Суммарная потеря давления от установки приборов учета

 

Σh = hгт+ hпт+ hт32 + hд + hк = 0,0022812 · 2 + 0,0621727 + 0,0022114 + 0,0094786 = 0,0784251 м. в. ст.

 

Исходные данные:

Запорная арматура используется приварная полно проходная, устанавливается по диаметру условного прохода трубопровода и не создает гидравлических сопротивлений, поэтому в гидравлическом расчете не учитывается.

Gmax = 1,3695 т/ч = 1,38 м3/ч (40 ºС)

Скорость в трубопроводе Ду 65 V1 = G0max / S1 = (1,38 · 4) / (3,14 · 0,652 · 3600) = 0,116 м/с,

Скорость в трубопроводе Ду 25 V2 = G0max / S2 = (1,38 · 4) / (3,14 · 0,0252 · 3600) = 0,781 м/с.

Скорость в трубопроводе Ду 20 V2 = G0max / S3 = (1,38 · 4) / (3,14 · 0,020)2 · 3600) = 1,22 м/с.

 

5.2.2.1 Потери давления в переходе Ду 20 / Ду 65 (hд), Ду 25 / Ду 20 (hк)

 

Диффузор угол 30º k1 = sin 30 = 0,5, при S1 / S3 = 0,0947

ζ1 = k1 · (S1 / S3 – 1)2 = 0,5 · (0,0947 – 1)2 = 0,41

hд = ζ1 · V12 / (2 · g) = 0,41 · 0,1162 / (2 · 9,81) =0,0002789 мв. ст.

Конфузор угол30º k2 = 0,19, приS2 / S3 = 0,41, ε = 0,672

ζ2 = k2 · (1/ε – 1)2 = 0,19 · (1/0,672 – 1)2 = 0,0453

hк = ζ2 · V32 / (2 · g) = 0,0453 · 1,222 / (2·9,81) = 0,0034373 мв. ст.

 

5.2.2.2 Потери давления от гильзы термометра сопротивления F/F0 = 0,489

 

ζ3 = F/F0 / (1- F/F0)2 = 0,489 / (1-0,489)2 = 1,87

hгт = ζ3 · V12 / (2 · g) = 1,87 · 0,7812 / (2 · 9,81) = 0,0582217 м в. ст.

 

5.2.2.3 Потери давления от гильзы показывающего термометра F/F0 = 0,193

 

ζ3 = F/F0 / (1- F/F0)2 = 0,489 / (1-0,489)2 = 1,87

hпт = ζ3 · V12 / (2 · g) = 1,87 · 0,7812 / (2 · 9,81) = 0,0582217 м в. ст.

 

5.2.2.4 Потери давления в трубопроводе Ду20 (измерительный участок Lиу = 449 мм с учетом преобразователя расхода)

 

Rei = Di · V2 / ν = 0,020 · 1,22 · 1000000 / 0,659 = 37038,64

λI = 0,11 · (Rш / Di)0,25 = 0,11 · (0,5/20)0,25 = 0,0437

hт20 = λI · Lиу / Di · V32 / (2 · 9,81) = 0,0437 · 0,449 / 0,020 · 1,222 / (2 · 9,81) = 0,0745674 м в. ст.

 

 

Σh = hгт+ hпт+ hт20 + hд + hк = 0,0585517 · 2 + 0,0745674 + 0,0002789 + 0,0034373 = 0,1953856 м в. ст.

 

 

 

 

Дипломная работа по специальности 1-31 01 01

«Биология» (н.п.д.)

 

Научный руководитель

 

зав. кафедрой биологии,

кандидат с/х наук, доцент

Дина Владимировна Киселёва

 

Дипломная работа допущена к защите

заведующий кафедрой биологии

Д. В. Киселева

11 мая 2015

 

 

Могилёв

2015




Поделиться с друзьями:


Дата добавления: 2015-07-13; Просмотров: 427; Нарушение авторских прав?; Мы поможем в написании вашей работы!


Нам важно ваше мнение! Был ли полезен опубликованный материал? Да | Нет



studopedia.su - Студопедия (2013 - 2026) год. Все материалы представленные на сайте исключительно с целью ознакомления читателями и не преследуют коммерческих целей или нарушение авторских прав! Последнее добавление




Генерация страницы за: 0.013 сек.