Студопедия

КАТЕГОРИИ:


Архитектура-(3434)Астрономия-(809)Биология-(7483)Биотехнологии-(1457)Военное дело-(14632)Высокие технологии-(1363)География-(913)Геология-(1438)Государство-(451)Демография-(1065)Дом-(47672)Журналистика и СМИ-(912)Изобретательство-(14524)Иностранные языки-(4268)Информатика-(17799)Искусство-(1338)История-(13644)Компьютеры-(11121)Косметика-(55)Кулинария-(373)Культура-(8427)Лингвистика-(374)Литература-(1642)Маркетинг-(23702)Математика-(16968)Машиностроение-(1700)Медицина-(12668)Менеджмент-(24684)Механика-(15423)Науковедение-(506)Образование-(11852)Охрана труда-(3308)Педагогика-(5571)Полиграфия-(1312)Политика-(7869)Право-(5454)Приборостроение-(1369)Программирование-(2801)Производство-(97182)Промышленность-(8706)Психология-(18388)Религия-(3217)Связь-(10668)Сельское хозяйство-(299)Социология-(6455)Спорт-(42831)Строительство-(4793)Торговля-(5050)Транспорт-(2929)Туризм-(1568)Физика-(3942)Философия-(17015)Финансы-(26596)Химия-(22929)Экология-(12095)Экономика-(9961)Электроника-(8441)Электротехника-(4623)Энергетика-(12629)Юриспруденция-(1492)Ядерная техника-(1748)

Вал карданный

Муфта цепная

Колесо зубчатое

Колесо зубчатое

Червяк

Колесо зубчатое коническое

Колесо зубчатое коническое

Колесо зубчатое

Вал карданный малый

Колесо зубчатое

Колесо зубчатое

Блок шестерен

Блок шестерен

Колесо зубчатое

Колесо зубчатое

Обойма зубчатая

Колесо зубчатое

Колесо зубчатое

3 Колесо зубчатое Z=26, m=5

17 Колесо зубчатое коническое Z=20, m=8

18 Колесо зубчатое коническое Z=22, m=8

8 Насос шестеренчатый Q=139,9 л/мин, n=1500 об/мин

6 Насос шестеренчатый Q=86.2 л/мин, n=1920 об/мин


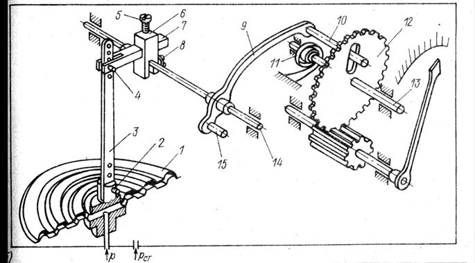
Рис. 1Схемы рычажно-зубчатой ИГ (а-конструктивная принципиальная, б-кинематическая принципиальная).

Рис. 2 Функциональная структурная схема такой РЗ ИГ

Очень часто машина и прибор имеют одинаковые принципиальные кинематические схемы.

В этих случаях, с точки зрения кинематики совершенно безразлично, исследуется ли механизм паровой машины, двигателя внутреннего сгорания, компрессора или передаточного механизма манометрического прибора – в их основе кривошипно-шатунный механизм.

Например, рассмотрим схемы построения следующих ТС.

 

Рис.3. Двигатель внутреннего сгорания

Рис. 4. Манометрический прибор:

а) конструкция, б) принципиальная кинематическая схема

Рис. 5. Манометрический прибор (конструктивная схема).

Особенность!!!

Методы кинематического анализа и синтеза этих механизмов одинаковы.

Существенные принципиальные различия в подходах возникают при проектировании и конструированииприборов и машин, их деталей и механизмов, когда необходимо обеспечить способность выдерживать силы и моменты сил при выполнении служебного назначения, силы от динамики (з-н Ньютона F = m´a) и т.п.

Эти различия и особенности определяются в первую очередь служебным назначением машин и приборов.

Машины предназначены для выполнения работы. Их функционирование связано с преобразованием энергии, с воздействием значительных нагрузок на их элементы и узлы. В Приборах – и это главное отличие от машинынет преобразования значительной энергии при выполнении своих функции. Основная функция – преобразование информации.

В механизмах приборов в отличии от мех-ов машин:

· передаются малые усилия,

· от­сутствуют большие движущиеся массы, при работе характерны нулевые скорости звеньев и, следовательно, минимальные динамиче­ские нагрузки,

· используются ограниченные диапазоны преобразования движений, неполные циклы работы механизмов.

· расчеты на прочность элементов механизмов приборов часто не проводят, размеры звеньев выбирают из конструктивных соображений с учетом требований жесткости и надежности.

Главные критерии при проектировании

машин приборов
· прочность деталей и узлов, · высокий К. П. Д., · совершенные динамические характеристики (для быстроходных систем) · качество (точность) выполнения функций преобразования энергии. ·высокая точность преобразования движений, · повышенная жесткость звеньев механизмов, · малые потери на трение, · высокая плавность перемещенияв т.ч. и при минимальных скоростях (нулевых) скоростях движения.

Функции, выполняемые передаточными механизмами.

1.) ПМ - Масштабный преобразователь.

ПМ преобразует вид движения, изменяет ве­личину и направление скорости исполни­тельного органа.

Редукторы понижают скорость и увеличивают крутящий момент.

Редукторы необхо­димы для использования энергии наиболее экономичных высокоскоростных электро­двигателей, двигателей внутрен­него в машинах.

Мультипликаторы повышают скорость выходного звена, при этом теряется крутящий момент.

Принцип работы большого числа приборов для различных физических величин заключается в том, что реакция чувствительного элемента на изменение измеряемой величины выражается в механическом перемещении.

Непосредственное измерение этих малых перемещений с высокой точностью невозможно, без переда­точного механизма (ПМ), увеличивающего эти перемещения – мультипликатора.

<== предыдущая лекция | следующая лекция ==>
ISO 3952 Kinematic diagrams — Graphical symbols | Основные этапы процесса проектирования
Поделиться с друзьями:


Дата добавления: 2014-01-04; Просмотров: 431; Нарушение авторских прав?; Мы поможем в написании вашей работы!


Нам важно ваше мнение! Был ли полезен опубликованный материал? Да | Нет



studopedia.su - Студопедия (2013 - 2026) год. Все материалы представленные на сайте исключительно с целью ознакомления читателями и не преследуют коммерческих целей или нарушение авторских прав! Последнее добавление




Генерация страницы за: 0.009 сек.