Студопедия

КАТЕГОРИИ:


Архитектура-(3434)Астрономия-(809)Биология-(7483)Биотехнологии-(1457)Военное дело-(14632)Высокие технологии-(1363)География-(913)Геология-(1438)Государство-(451)Демография-(1065)Дом-(47672)Журналистика и СМИ-(912)Изобретательство-(14524)Иностранные языки-(4268)Информатика-(17799)Искусство-(1338)История-(13644)Компьютеры-(11121)Косметика-(55)Кулинария-(373)Культура-(8427)Лингвистика-(374)Литература-(1642)Маркетинг-(23702)Математика-(16968)Машиностроение-(1700)Медицина-(12668)Менеджмент-(24684)Механика-(15423)Науковедение-(506)Образование-(11852)Охрана труда-(3308)Педагогика-(5571)Полиграфия-(1312)Политика-(7869)Право-(5454)Приборостроение-(1369)Программирование-(2801)Производство-(97182)Промышленность-(8706)Психология-(18388)Религия-(3217)Связь-(10668)Сельское хозяйство-(299)Социология-(6455)Спорт-(42831)Строительство-(4793)Торговля-(5050)Транспорт-(2929)Туризм-(1568)Физика-(3942)Философия-(17015)Финансы-(26596)Химия-(22929)Экология-(12095)Экономика-(9961)Электроника-(8441)Электротехника-(4623)Энергетика-(12629)Юриспруденция-(1492)Ядерная техника-(1748)

Бетон для железобетонных конструкций

 

Классификация бетонов. Бетон для железобетонных конструкций должен обладать необходимой прочностью, Хорошим сцеплением с арматурой, достаточной плотно­стью для защиты арматуры от коррозии. В зависимости от назначения сооружения бетон также должен удовлетворять специальным требованиям, морозостойкости, жаростойкости при длительном воздействии высоких температур, коррозионной стойкости при агрессивном воздействии среды, водонепроницаемости и др.

Бетоны классифицируют по следующим признакам: по основному назначению — конструкционные, специальные; по виду вяжущего — цементные, силикатные, шлаковые и т.д.; по виду заполнителей — плотные, пористые, на специальных заполнителях; по структуре — плотные, поризованные, ячеистые, крупнопористые.

Для удобства введены сокращенные наименования основных видов бетонов: тяжелый бетон — плотной структуры, на цементном вяжущем и плотных крупных и мелких заполнителях; легкий бетон — на цементном вя­жущем, пористом крупном и пористом или плотном мел­ком заполнителе. В качестве плотных заполнителей для тяжелого бетона применяют щебень из дробленых горных пород и природный кварцевый песок. Пористые за­полнители могут быть естественные — пемза, ракушеч­ник и т.п. или искусственные —керамзит, шлак и т.п.; Оба указанных вида бетона используют для несущих конструкций зданий и сооружений.

Существуют также специальные виды бетонов: жаро­стойкие — предназначенные для использования в конструкциях, эксплуатирующихся при 200°С; химически стойкие — используемые в условиях агрессивных сред; напрягающие (на основе напрягающего цемента) — предназначенные для создания предварительного напря­жения в конструкциях; радиационно-защитные большой массы —применяемые для биологической защиты от излучений и т.п. В последние годы распространение полу­чают бетонополимеры, представляющие собой обычные бетоны, пропитанные полимерами или мономерами с их последующим отверждением, и полимербетоны, в кото­рых в качестве вяжущего используют полимеры. Эти бе­тоны обладают повышенной прочностью, особенно на растяжение, и высокой химической стойкостью, однако имеют пока относительно высокую стоимость, низкий модуль деформаций (у полимер бетонов) и не­применимы в сооружениях с повышенной темпера­турой.

Для дорожных и аэродромных покрытий, полов пром-зданий и т. п. находят применение бетоны, дисперсно ар­мированные волокнами (стальными, синтетическими и др.). Этот вид бетона, называемый фибробетоном, обладает повышенной растяжимостью и сопротивляемо­стью ударным воздействиям.

Структура бетона. Важнейшими физико-механиче­скими свойствами бетона с точки зрения его работы в же­лезобетонных конструкциях являются прочность и деформативность, определяемые, главным образом, его структурой.

Рис. 1.1. Структура бетона и схема напряженногосостояния сжатого бетонного образца;

При затворении бетонной смеси водой начинается химическая реакция (гидратация), в результате которой образуется гель— студенистое вещество, а часть соединений выделяется в виде кристаллов. С течением време­ни гель твердеет, кристаллы объединяются в кристалли­ческий сросток, пронизывающий все тело бетона и скреп­ляющий зерна заполнителей. Таким образом, структуру бетона можно представить в виде пространственной решетки из цементного камня (включающего кристаллический сросток, гель и большое количество пор и капилляров, содержащих воздух и воду), в котором хаотично расположены зерна песка и щебня (рис. 1.1,а). Механические свойства цементного камня и заполнителей существенно отличаются друг от друга; кроме того, структура бетона изобилует дефектами, которыми помимо пор яв­ляются пустоты под зернами заполнителя, возникающие при твердении бетона.

В таком неоднородном теле нагрузка создает сложное напряженное состояние. Напряжения концентриру­ются на более твердых частицах заполнителей и в местах, ослабленных порами. При действии сжимающей на­грузки в области, примыкающей к отверстию, создаются сжимающие и растягивающие напряжения (рис. 1.1,6). Растягивающие напряжения, суммируясь, достигают зна­чительных величин, вызывая разрушение образца от раз­рыва бетона в поперечном направлении, так как проч­ность бетона при растяжении значительно ниже, чем при сжатии.

К бетону не применимы классические теории прочно­сти, поскольку они относятся к материалам с идеализи­рованными свойствами: суждение о его прочности и деформативности основывается на большом числе опытов. Сложность исследований напряженного состояния бето­на также в том, что помимо напряжений от нагрузки в те­ле бетона возникают так называемые «собственные» на­пряжения, вызванные усадкой и другими причинами.

Многие исследователи рассматривают бетон как двух­фазную среду, состоящую из твердой фазы — скелета, наделенного упругими свойствами, и жидкогазовой фа­зы, деформации которой развиваются во времени. Такая модель дает возможность объяснить многие явления, происходящие в бетоне при различных скоростях и интенсивностях приложения нагрузки.

Прочность бетона. Прочность бетона зависит от ря­да факторов, основными из которых являются: время и условия твердения, вид напряженного состояния, фор­ма и размеры образцов, длительность нагружения.

Прочность бетона нарастает с течением времени. Наиболее интенсивный ее рост происходит в начальный период твердения (28 сут. для портландцементе). В даль­нейшем нарастание прочности замедляется, но при поло­жительной температуре и влажной среде продолжается еще годы.

Твердение бетона существенно ускоряется при повышении температуры и влажности среды. С этой целью железобетонные изделия подвергаются тепловлажностной или автоклавной обработке.

Бетон имеет различную прочность при разных сило­вых воздействиях.



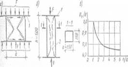
Кубиковая прочность R — временное сопротивление сжатию бетонных кубов. При осевом сжатии кубы (как и другие сжатые образцы) разрушаются вследствие раз­рыва бетона в поперечном направлении. Однако наличие сил трения, развивающихся по опорным граням (рис. 1.2, а), препятствует развитию свободных поперечных де­формаций кубов вблизи их торцов. Если устранить влия­ние сил трения (например, смазкой контактных поверх­ностей), то трещины в образце будут проходить парал­лельно сжимающей силе и сопротивление куба значительно уменьшится. Согласно ГОСТу кубы испыты­вают без смазки поверхностей. Вследствие влияния сил трения прочность кубов зависит от их размеров. Чем меньше размер куба, тем больше его прочность. Так, ес­ли прочность кубов с ребром 15 см принять за R, то ку­бы с ребром 10 см покажут прочность 1,12 R, а с ребром 20 см — 0,93 R. Поскольку реальные конструкции по фор­ме отличаются от кубов, кубиковая прочность непосред­ственно в расчетах не используется, а служит только для контроля качества бетона.

Призменная прочность Rb временное сопротивление осевому сжатию бетонных призм (рис. 1.2,6). Опыты показывают, что с увеличением высоты призмы влияний трения на прочность образца уменьшается. При h/а ≥4 оно практически исчезает, а прочность становится постоянной и равной ≈0,75R (рис. 1.2, о). Значение Яь применяют в расчетах прочности сжатых и изгибаемых элементов. Призменная прочность

0-1)1

где φb — экспериментальный коэффициент, φb = 0,77-0,001R≥0,721.

Прочность при растяжении Rbt зависит от прочности цементного камня и сцепления его с заполнителем. При осевом растяжении прочность бетона в 10...20 раз меньше прочности на сжатие. При этом с увеличением кубиковой прочности относительная прочность бетона при растяжении уменьшается.

(1.2)

Опытным путем Rbt определяют испытаниями на разрыв образцов в виде восьмерок, на раскалывание образцов в виде цилиндров или на изгиб бетонных балок.

Прочность при местном сжатии Rb,toc имеет место, когда нагрузка действует не на всю площадь элемента, а на ее часть. В этом случае загруженная часть площади обладает большей прочностью, чем Rb, ввиду того, что в работе участвует также бетон, окружающий площад­ку смятия и создающий эффект обоймы. Прочность при местном сжатии

Аioc1 — площадь смятия; Аioc2 — расчетная площадь, включающая площадку смятия и дополнительный участок, определяемый в соответствии с рис. 6.1 [1].

Прочность на срез, В реальных конструкциях срез в чистом виде обычно не встречается; ему сопутствуют продольные усилия. Значение временного сопротивления срезу Rb.sh в нормах не приводится, однако при необхо­димости может быть определено по эмпирической фор­муле

(1.4)

Прочность при повторных нагрузках (несколько миллионов циклов) под влиянием структурных изменений снижается. Это обстоятельство нужно учитывать при расчете шпал, подкрановых балок, мостов. Предел вынос­ливости (временное сопротивление при многократно по­вторных нагрузках) зависит от коэффициента асиммет­рии цикла ρbb,min / σ b,max, числа нагружений п и дол­жен быть больше напряжения, при котором в бетоне об­разуются структурные микротрещины Rb.crc.

Прочность при длительных и быстрых нагружениях. При испытании бетонных образцов в лабораторных условиях нагружение осуществляют достаточно быстро (v =20...30 Н/(см2с)). Реальные конструкции находят­ся под действием нагрузки десятки лет. В этом случае в бетоне развиваются структурные изменения и неупру­гие деформации, приводящие к снижению его прочности. Предел длительного сопротивления бетона естественного твердения осевому сжатию принимается 0,9 Rb. При нагрузках малой продолжительности (порыв ветра, удар, взрыв) бетон разрушается при больших напряжениях (1/1...1/2) Rb.

Деформативность бетона. Деформации могут быть силовые, развивающиеся под действием внешних сил, и температурно-влажностные, развивающиеся, в резуль­тате взаимодействия бетона с внешней средой.

Деформации бетона под нагрузкой. Различают си­ловые деформации при однократном кратковременном, длительном, а также многократно-повторном нагружениях.

Деформации при однократном кратковременном погружении. Наибольшее практическое значение имеют деформации при осевом сжатии. Если бетонную призму нагружать по этапам, замеряя деформации дважды: сра­зу после приложения нагрузки и через некоторое время после выдержки под нагрузкой, то на диаграмме получают ступенчатую линию (рис. 1.3, а). Полные де­формации будут складываться из упругих εe, возникаю­щих непосредственно после приложения нагрузки, и пла­стических ε Р1, развивающихся во времени. Кривая пол­ных деформаций показана на рис. 1.3 b. Из диаграммы видно, что при небольших напряжениях (σb≤0,2 Rb) бе­тон можно рассматривать как упругий материал (уча­сток 01). При 0,2 Rb≤ σb< 0,5 Rb возникают неупругие деформации, вызванные уплотнением геля (участок 1— 2). После образования микротрещин Rb,crc рост пласти­ческих деформаций становится более интенсивным (уча­сток 23), При дальнейшем увеличении нагрузки мик­ротрещины объединяются и образец разрушается —точ­ка 4 соответствует предельному сопротивлению образца Rb, и деформациям ε b,c,u. Если по мере падения сопротив­ления бетона удается в той же мере снижать нагрузку, то может быть получен нисходящий участок диаграммы;(4—5). Знать, как работает бетон на этом участке, важ­но для ряда конструкций и видов нагружения.

При разгрузке с некоторого уровня напряжений, соот­ветствующего восходящей ветви, до нуля в образце бу­дут иметь место остаточные деформации, которые со вре­менем несколько уменьшаются (примерно на 10 %). Это явление называется упругим последействием ε sp. Харак­тер диаграммы «σ—ε» бетона при растяжении аналоги­чен рассмотренному (рис. 1.3, б).

Связь между напряжениями и деформациями при не­больших напряжениях ( σb≤0,2 Rb ) устанавливается за коном Гука εb = σb / Еь, где Еь — начальный модуль упру­гости, Еь = tg а0 = σb / εb (см. рис. 1.3,6). Модуль упруго­сти зависит от марки бетона (см. табл. -2.1). При σb≤0,2 Rb зависимость «σ—ε» нелинейная, модуль в каж­дой точке диаграммы — переменный, Еь=d σ /d ε =tga и определение полных деформаций является затрудни­тельным.

Для практических расчетов было предложено выра­жать напряжения через полные деформации бетона с по­мощью упругопластического модуля деформаций Eb,pi= tg a1 (см. рис. 1.3,6).

Выразив одно и то же напряжение вбетоне через уп­ругие и полные деформации, получают

(1.5)

где v = εеb — коэффициент, характеризующий упруго пластическое состояние сжатого бетона; он изменяется от 1 (при упругой работе) до 0,45 при кратковременной нагружении; при длительном действии нагрузки v = 0.1..0.15.

При растяжении

где vt — коэффициент, характеризующий упругопластическое состояние бетона при растяжении, vt = 0,5. Модуль сдвига бетона

где v — коэффициент поперечных деформаций, для всех видов бетонов v = 0,2, при этом Gb = 0,4Eb.

Деформации при длительном действии нагрузки. При длительном действии нагрузки неупругие деформа­ции бетона с течением времени увеличиваются. Наиболь­шая интенсивность нарастания неупругих деформаций наблюдается в первые 3...4 мес.

Ползучестью называют свойство бетона увеличи­вать неупругие деформации при длительном действии постоянной нагрузки. Различают ползучесть линейную и нелинейную. Линейная ползучесть имеет место при σb<0,5Rb и обусловлена главным образом уплотнением геля. При этом происходит перераспределение под нагрузкой напряжений с гелевой структуры на цементный камень и заполнители. Увеличение деформаций ползуче­сти примерно пропорционально увеличению напряжений. При σb<0,5Rb в бетоне возникают микротрещины, ли­нейная зависимость σb— ε Р1, нарушается, наступает нели­нейная ползучесть,

Ползучесть бетона затухает во времени, так как вследствие перераспределения усилий напряжения в ге­ле снижаются, а упругость кристаллического сростка возрастает.

Опыты показывают, что независимо от того, с какой скоростью v достигнуто напряжение σb, конечные дефор­мации ползучести, соответствующие этому напряжению, будут одинаковыми (рис. 1.3, б).

Деформации ползучести увеличиваются с уменьшени­ем влажности среды, увеличением В/Ц и количества це­мента. Бетон, нагруженный в более раннем возрасте, об­ладает большей ползучестью. С повышением прочности бетона и прочности заполнителя ползучесть уменьшает­ся. У малых образцов при прочих равных условиях пол­зучесть проявляется сильнее, чем у больших.

Для аналитического описания явления ползучести предложены различные теории. Однако полученные на их основе математические зависимости сложны для исполь­зования в практических расчетах и в большинстве своем справедливы лишь для определенных условий. Поэтому на практике применяют упрощенные, линейные зависи­мости, связывающие напряжения в бетоне с деформаци­ей ползучести. Правомерность такого подхода подтверждается и тем обстоятельством, что при эксплуатацион­ных нагрузках в большинстве конструкций напряжения в сжатом бетоне σb <.0,5Rь, т.е. имеет место линейная ползучесть.

Для количественного определения деформаций ползу­чести при сжатии обычно вводят понятия меры и харак­теристики ползучести.

Мера ползучести Ct представляет собой относи­тельную деформацию ползучести в момент времени t, со­ответствующую приращению напряжения 0,1 МПа. При напряжениях в бетоне σb

(1-8)

Характеристика ползучести φt равна отношению деформаций ползучести в момент времени t k мгновен­ной деформации

(1.9)

Предельные значения Ct и φt; будут при t=∞ (Сt= = С; φt= =φ).

Предельные деформации бетона, т.е. деформации перед разрушением, зависят от многих причин и изменя­ются в значительных пределах. Для расчетов принима­ют: при осевом кратковременном сжатии εb,c,u=2*10-3, длительном εb,c,u=2,5*10-3, при изгибе и внецентренном сжатии εb,c,u=3,5*10-3, при центральном растяжении ε btu=1,5-10-4

Деформации при многократно-повторных нагруже ниях. Многократно-повторные нагружения и разгрузки бетонных образцов приводят к накапливанию неупругих деформаций. После достаточно большого количества циклов пластические деформации достигают предельного значения и бетон начинает работать упруго. Такой ха­рактер работы имеет место, когда напряжения в бетоне не превышают предела выносливости. При больших мно­гократных напряжениях неупругие деформации возрас­тают, вызывая разрушение образца.

 

Температурно-влажностные деформации бетона:

1. Деформации бетона от действия температуры. Твердение бетона сопровождается выделением теплоты, и при последующем неравномерном остываний появля­ются значительные температурные деформации. Темпе­ратурные деформации возникают также в конструкциях, подверженных атмосферным воздействиям или измене­ниям технологических температур. Особое значение име­ют температурные воздействия на бетон массивных кон­струкций (например, гидротехнических) и статически не­определимых систем большой протяженности, вызывая дополнительные усилия в элементах (см. рис. 11.4). Оп­ределение температурных деформаций бетона произво­дят по формулам сопротивления материалов, принимая средний коэффициент линейной температурной деформа­ции при — 50°С<t<+50°С равным 1*10-5 град -1.

2 Влажностные деформации бетона. Бетон, твердея в различных средах, изменяет свой объем.

Свойство бетона уменьшаться в объеме при тверде­нии в сухой среде называют усадкой, при твердении во влажной среде бетон увеличивается в объеме — происхо­дит набухание. Различают усадку обратимую — связан­ную с испарением свободной воды в цементном камне и обусловленную капиллярными явлениями (натяжением менисков в порах бетона), и необратимую, происходя­щую s результате потери химически связанной влаги на гидратацию цемента и, как следствие, уменьшения объ­ема геля.

Усадка зависит от возраста бетона: наиболее интен­сивно она протекает в первые дни, затем постепенно за­тухает. Усадка тем больше, чем больше содержание в бе­тоне цемента, воды и чем ниже влажность окружающей среды. При твердении в воде увеличивается количество свободной воды в цементном камне, что вызывает явле­ние, обратное усадке, — набухание.

Усадка повышает сцепление бетона с арматурой, вы­зывая ее обжатие, что является положительным факто­ром. Однако неравномерная усадка разных слоев бетона (у поверхности — в большей степени, во внутренних сло­ях— в меньшей) приводит к наличию «собственных» на­пряжений (внутренние слои препятствуют свободной усадке поверхностных слоев, в результате чего в послед­них возникает растяжение) и возникновение усадочных трещин, что нежелательно. Особенно существенно влия­ние усадки в массивных конструкциях.

Снижение усадки достигается подбором состава бето­на (уменьшением объема пор), увлажнением поверхно­сти в период вызревания бетона (особенно в первые дни) и т. п.

Показатели качества бетона. При проектировании бетонных и железобетонных конструкций в зависимости от их назначения и условий эксплуатации нормами уста­навливаются показатели качества бетона: классы бетона по прочности на сжатие, растяжение и марки по морозо­стойкости, водонепроницаемости и плотности. Эти харак­теристики определяют по соответствующим ГОСТам и назначают с заданной обеспеченностью (см. гл. 2).

Класс бетона по прочности на сжатие (для тяже­лых бетонов): В3,5; Б5; В7,5; BIO; BI2,5; B15; В20; Б25; ВЗО; В35; В40; В45; В55; В60 —основная характеристи­ка, устанавливаемая в результате испытаний-кубов с реб­ром 15 см после выдержки в течение 28 сут в нормаль­ных условиях (t= (20±2) 0С, W≥60 %).

Класс бетона по прочности на растяжение (Вt0,8; Вt1,2; Вt;1,6; Вt2; Вt2,4; Вt2,8; Вt3,2) устанавливают для конструкций, работающих преимущественно на растяже­ние (резервуары, водонапорные трубы).

Проектные марки по морозостойкости (F50...F500) устанавливают для конструкций, подвергающихся много­кратному замораживанию и оттаиванию (градирни, гид­ротехнические сооружения). Эта марка характеризуется количеством циклов замораживания и оттаивания, кото­рые выдерживает бетон в насыщенном водой состояний при снижении прочности не более чем на 15 %.

Марки по водонепроницаемости (W2...W12) назна­чают для конструкций, к которым предъявляются требо­вания непроницаемости, они характеризуют давление во­ды (в кгс/см2), при котором еще не наблюдается проса­чивание ее через испытываемый стандартный образец толщиной 15 см.

Марки по средней плотности (для тяжелых бетонов D230G...D2500, для мелкозернистых бетонов D1300......D2400, для легких бетонов D800...D2100) назначают для бетонов, к которым предъявляются требования теплоизо­ляции.

Марки по самонапряжению (SpO,6.,.Sp4) назнача­ют для конструкций, изготовляемых из бетона на напря­гающем цементе. К. таким конструкциям относятся же­лезобетонные трубы, покрытия дорог, аэродромов и т. п. Марки характеризуют величину предварительного на­пряжения в бетоне (МПа) на уровне центра тяжести ар­матуры.

Для железобетонных конструкций не применяют бето­ны (тяжелые) класса ниже В7,5. Оптимальные класс и марки бетона выбирают па основе технико-экономического анализа с учетом условий эксплуатации. Наиболее широко используют1, для изгибаемых элементов без пред­варительного напряжения В15...В20, для сжатых элемен­тов: колонн B25...B30, ферм, арок Е30...Е35.

Класс бетона предварительно напряженных элемен­тов назначают в зависимости от вида и класса напрягае­мой арматуры, ее диаметра и наличия анкерных уст­ройств. Например, для арматуры класса A-IV d=10......18 мм без анкеров класс бетона должен быть не ниже В15, а для арматуры A-VI — не ниже ВЗО.

Применение бетонов высоких классов, особенно в сжа­тых элементах, позволяет получить существенную эконо­мию.

Прочностные и деформативные характеристики бето­нов в зависимости от класса бетона по прочности на сжа­тие приведены в табл. 2.1.

 

§ 1.2, Арматура для железобетонных конструкций

 

Арматурой называют стержни, размещаемые в бетоне в соответствии с расчетом, конструктивными и про­изводственными требованиями. Арматуру в железобетон­ных конструкциях устанавливают для восприятия растя­гивающих напряжений или усиления сжатого бетона. В качестве арматуры применяют в основном сталь. В ря­де случаев возможно применение и других материалов, например стеклопластика, обладающего высокой прочностью,

химической стойкостью. Однако этот материал значительно дороже стали и его целесообразно приме­нять лишь в конструкциях, к которым предъявляются специальные требования коррозионной стойкости, элек­троизолирующей способности и немагнитности.

Виды арматуры. По назначению различают арма­туру рабочую, устанавливаемую по расчету, конструктив­ную и монтажную, применяемые из конструктивных и технологических соображений. Конструктивная арма­тура воспринимает не учитываемые расчетом усилия от усадки бетона, изменения температуры, равномерно рас­пределяет усилия между отдельными стержнями и т.п.; монтажная обеспечивает проектное положение рабочей арматуры, объединяет ее в каркасы и т.п. (рис. 1.4).

По способу изготовления различают арматуру горя­чекатаную (получаемую способом проката)— стержне­вую и холоднотянутую (изготовляемую путем вытяжки в холодном состоянии) — проволочную.

По профилю поверхности различают арматурные ста­ли гладкие и периодического профиля (рис. 1.5). Послед­ние обладают лучшим сцеплением с бетоном и в настоя­щее время являются основной арматурой.

По способу применения арматуру делят на напрягае­мую и ненапрягаемую.

Горячекатаная и холоднотянутая арматура называет­ся гибкой. Помимо нее в конструкциях в ряде случаев применяют жесткую (несущую) арматуру из прокатных или сварных двутавров, швеллеров, уголков и т. п.

Физико-механические свойства. Эти свойства ар­матуры зависят от химического состава, способа произ­водства и обработки. В мягких сталях содержание угле­рода составляет обычно 0,2...0,4 %. Увеличение количества углерода приводит к повышению прочности при одно­временном снижении деформативности и свариваемости. Изменение свойств сталей может быть достигнуто введением легирующих добавок. Марганец, хром повышают прочность без существенного снижения деформативности. Кремний, увеличивая прочность, ухудшает сваривае­мость.

Повышение прочности может быть достигнуто также термическим упрочнением и механической вытяжкой. При термическом упрочнении вначале осуществляют на­грев арматуры до 800...900°С и быстрое охлаждение, а затем нагрев до 300...400 °С с постепенным охлаждением, При механическом затягивании арматуры на 3...5 % вследствие структурных изменений кристалличе­ской решетки— наклепа сталь упрочняется. При повтор­ной вытяжке (нагрузке) диаграмма деформирования 4 будет отличаться от исходной (рис, 1.6), а предел теку­чести существенно повысится.

Основные механические свойства сталей характе­ризуются диаграммой «напряжения — деформации», по­лучаемой путем испытания на растяжение стандартных об­разцов. Все арматурные стали по характеру диаграмм подразделяются на (рис. 1.6): 1) стали с явно выраженной площадкой текучести (мягкие стали); 2) стали с неявно вы­раженной площадкой текуче­сти (низколегированные, тер­мически упрочненные стали); 3) стали с линейной зависи­мостью почти до раз­рыва (высокопрочная прово­лока).

Основные прочностные характеристики: для сталей вида 1 — физический предел текучести; для сталей видов 2 и 3 — условный предел теку­чести, 2, принимаемый рав­ным напряжению, при котором

остаточные деформации соста­вляют 0,2%, и условный пре­дел упругости, при котором остаточные деформации 0,02 % ■ Помимо этого характеристиками диаграмм являют­ся предел прочности (временное сопротивление) к пре­дельное удлинение при разрыве, характеризующее пластические свойства стали. Малые предельные удлинения могут дослужить причиной хрупкого обрыва арматуры под нагрузкой и разрушения конструкции; высокие плас­тические свойства сталей создают благоприятные усло­вия для работы железобетонных конструкций (перерас­пределение усилий в статически неопределимых систе­мах, при интенсивных динамических воздействиях и т. п.).

• В зависимости от типа конструкций и условий, эксплуатации наряду с основной характеристикой — диа­граммой «σ—ε» в ряде случаев необходимо учитывать другие свойства арматурных сталей: свариваемость, рео­логические свойства, динамическое уп рочнени е и т. п.

Под свариваемостью понимают способность арма­туры к надежному соединению с помощью электросвар­ки без трещин, каверн и других дефектов в зоне сварного шва. Хорошей свариваемостью обладают горячекатаные малоуглеродистые и низколегированные стали. Нельзя. сваривать термически упрочненные стали (кроме специ­альных «свариваемых») и упрочненные вытяжкой, так как при сварке утрачивается эффект упрочнения.

Реологические свойства характеризуются ползучестыо и релаксацией, Ползучесть арматурных сталей про­является лишь при больших напряжениях и высоких температурах. Более опасна релаксация—падение напря­жений во времени при неизменной длине образца (отсут­ствии деформаций). Релаксация зависит от химического состава стали, технологии изготовления, напряжения, температуры и др. Она наиболее интенсивно протекает в первые часы, но также продолжаться длительное вре­мя. Учет ее важен при расчете предварительно напряжен­ных конструкций.

Усталостное разрушение наблюдается при дейст­вии многократно повторяющейся нагрузки при понижен­ном сопротивлении и носит хрупкий характер. Прочность при многократно повторной нагрузке (предел выносливо­сти) арматуры зависит от числа повторений нагрузки п и характеристики цикла нагружения ps.

Динамическое упрочнение имеет место при дейст­вии кратковременных (t≤lc) динамических нагрузок большой интенсивности взрывных, сейсмических). Пре­вышение динамического предела текучести над ста­тическим объясняется запаздыванием пластических деформаций и зависит от химического состава стали и скорости деформации.

Классификация арматуры. Все арматурные стали разделяют на классы, объединяющие стали с одинаковы­ми прочностными и деформативными свойствами. При этом к одному классу могут относиться стали, отличаю­щиеся по химическому составу, т. е. разных марок.

Стержневая арматура обозначается буквой А и римской цифрой и бывает: горячекатаная — гладкая класса A-I; периодического профиля классов А-П, А-Ш, A-IV, AV и А-VI; термически и термомеханически упроч­ненная периодического профиля классов Ат-Ш, At-IV, At-V, At-VI и механически упрочненная класса А-Шв. Для дополнительной характеристики стержневой ар­матуры, необходимой при использовании ее в определен­ных условиях, к обозначениям классов вводятся индексы. Индекс;. «С» в обозначении термически и

термомеханически упрочненной арматуры указывает на возможность соединения стержней с помощью сварки (At-IVC); «К» — на повышенную стойкость к коррозии под напря­жением (Ат-IVK); «СК» — на возможность сварки и по­вышенную стойкость к коррозии под напряжением (Ат-VCK). Индекс «с» употребляется для арматуры, ре­комендуемой к использованию в условиях низких темпе­ратур, например класса Ас-11 из стали марки 10ГТ.

Холоднотянутая проволочная арматура обознача­ется буквой В и римской цифрой и подразделяется на обыкновенную арматурную проволоку рифленую (перио­дического профиля) класса Вр-I и гладкую класса B-1, а также высокопрочную гладкую проволоку класса В-11 и периодического профиля класса Вр-11.

Основные прочностные и деформативные характерис­тики различных арматурных сталей приведены в табл. 2.2. Сортамент стержней и проволочной арматуры дан на форзаце. Приведенные в сортаменте диаметры горяче­катаной арматурной стали' периодического профиля со­ответствуют поминальному диаметру равновеликих по площади круглых гладких стержней.

Арматурные изделия. Для ускорения производства работ ненапрягаемая гибкая арматура (отдельные стержни) объединяется в каркасы и сетки, в которых стержни в местах пересечений соединяются контактной точечной сваркой или вязкой. В отдельных случаях до­пускается применение дуговой сварки.

Сварные каркасы (рис. 1.7, а) образуются из про­дольных и поперечных стержней. Продольные рабочие стержни устраивают в один или два ряда. Приварка про­дольных стержней к поперечным с одной стороны более технологична, чем с двух.

Плоские каркасы обычно объединяются в пространст­венные, которые должны обладать достаточной жестко­стью для возможности складирования, транспортирова­ния и сохранения проектного положения в форме.

При назначении диаметров продольных и поперечных стержней необходимо учитывать условия технологии сварки во избежание пережога более тонких стержней;

Диаметры про­дольных стержней, ми... 3...10 12...16 18...20 22 25...32 36...40

Наименьшие стержней мм 3 4 5 6 8 10

Сварные сетки (ГОСТ 8478—81) выполняют из сталей классов B-I, Bp-I, A-I, А-Н, A-III.

Сварные сетки можно конструировать, предусматри­вая их последующее сгибание в одной плоскости на спе­циальных станках. Сетки бывают плоские и рулонные, с продольной и поперечной рабочей арматурой. Рулонные сетки с продольной рабочей арматурой изготовляют при диаметре продольных стержней не более 5,мм (рис. 1.7,6). При диаметре более 5 мм применяют сетки с по­перечной рабочей арматурой (рис. 1.7, в) или плоские. Максимальный диаметр поперечных стержней плоских я рулонных сеток 8 мм. Длина сетки в рулоне 50...100 м, поэтому для использования в конструкциях сетки разре­зают по месту.

Арматурные канаты и пучки. Армирование конст­рукция отдельными высокопрочными проволоками (вследствие их большого числа) трудоемко и часто при­водит к излишнему развитию сечений элементов, В связи с этим проволоку укрупняют в канаты и пучки. Канаты (рис. 1.7, г) обычно изготовляют из 7 или 19 проволок одного диаметра (обозначение К-7 или К-19), навивая на центральную прямолинейную проволоку остальные

Рис. 1.8. Соединения арматуры

в один или несколько слоев. Диаметр проволок канатов К-7 от 2 до 5 мм. Расчетные характеристики канатов приведены в табл. 2.2. Пучки состоят из параллельных высокопрочных проволок (14, 18, 24 шт.) или канатов (рис1.7, д). Пучки могут иметь по концам анкеры, а по длине обматываются мягкой проволокой.

Соединения арматуры [6]. Для соединения арма­турных стержней по длине в заводских условиях реко­мендуется применять контактную стыковую сварку (рис. 1,8, а) на специальных сварочных машинах. Для соеди­нения встык при монтаже используют дуговую сварку. При этот в случае свариваемых стержней d^20 мм при­меняют дуговую ванную сварку в инвентарных (медных) формах (рис. 1.8, б). При d<20 мм дуговую сварку осу­ществляют с накладками с четырьмя фланговыми швами "(рис. 1.8,в). Допускается также сварка односторонними удлиненными швами (рис. 1.8, г). Стык рабочих стерж­ней внахлестку без сварки применяют при мм (рис. 1,8,6) в тех местах, где прочность арматуры ис­пользуется не полностью, Стыки внахлестку не допускаются в растянутых элементах. В местах стыка обязатель­но устанавливают дополнительные хомуты. Во всех слу­чаях стыки следует делать вразбежку подлине элемента. Стыки внахлестку сварных сеток в рабочем направ­лении, так же как и стержней, должны иметь длину пере­пуска 1>1ап, определяемую по формуле (1.12). Длину нахлестки сетки в направлении распределительной арма­туры принимают 50..100 мм в зависимости от диаметра.

Я Применение арматуры в железобетонных конст­рукциях. Выбор класса арматурных сталей производят в зависимости от типа конструкции, наличия предвари­тельного напряжения, условий возведения и эксплуата­ции здания.

В качестве ненапрягаемой рабочей арматуры приме­няют в основном" сталь класса А-Ш и проволоку класса Bp-I (B-I) в сетках и каркасах. Арматуру классов А-II и A-I допускают в качестве поперечной арматуры, а в ка­честве продольной — только при соответствующем обос­новании (например, если прочность стали А-Ш не может быть полностью использована из-за чрезмерного раскры­тия трещин и прогибов). Стержневую арматуру класса A-IV и выше применяют в качестве продольной армату­ры только в вязаных каркасах.

В качестве напрягаемой рабочей арматуры при нор­мальных условиях эксплуатации и длине железобетон­ных элементов до 12 м используют преимущественно ста­ли классов Ат-VI и At-V, а также В-П, Вр-П, К.-7, К-19, A-IV, A-V, A-VI, А-Шв, для элементов длиной более 12 м — главным образом арматурные канаты, пучки, про­волоку классов В-П, Вр-П, а также свариваемую арма­туру A-VI, A-V, A-IV и А-Ш в.

 

§ 1.3. Железобетон

 

Сцепление арматуры с бетоном. Сцепление арма­туры с бетоном является одним из фундаментальных свойств железобетона, которое обеспечивает его сущест­вование как строительного материала. Сцепление обеспе­чивается: склеиванием геля с арматурой; трением, вы­званным давлением от усадки бетона; зацеплением за бетон выступов и неровностей на поверхности арматуры. Выявление влияния каждого из этих факторов затрудни­тельно и не имеет практического значения, так как они действуют совместно. Однако наибольшую роль в обеспе­чении сцепления (70...80 %) играет зацепление за бетон выступов и неровностей па поверхности арматуры (рис. 1.9, а).

При выдергивании стержня из бетона (рис. 1.9,6) усилия с арматуры на бетон передаются через касатель­ные напряжения сцепления Tbd, которые распределяются вдоль стержня неравномерно. Наибольшие их значения действуют на некотором расстоянии от торца эле­мента и не зависят от длины заделки стержня в бетоне

с) S)

1ап. Для оценки сцепления используют средние напряже­ния на длине заделки

(1.10)

Из формулы (1.11) видно, что длина заделки, при ко­торой обеспечивается сцепление (зона анкеровки), дол­жна быть тем больше, чем выше прочность арматуры и диаметр стержня, и может быть уменьшена при увели­чении Для уменьшения 1аn (в целях экономии ме­талла) следует ограничивать диаметр растянутой арма­туры, повышать класс бетона и применять арматуру пе­риодического профиля.

Нормами проектирования значение сцепления не ус­танавливается, но даются рекомендации по конструированию, которые обеспечивают надежное сцепление арма­туры с бетоном.

Анкеровка арматуры в бетоне. Анкеровка — это закрепление концов арматуры внутри бетона или на его поверхности, способное воспринять определенное усилие. Анкеровка может осуществляться либо силами сцепле­ния, либо специальными анкерными устройствами на концевых участках, либо теми и другими совместно.

Анкеровка арматуры периодического профиля обеспе­чивается силами сцепления. Анкерные устройства из концах такой арматуры применяют в редких случаях. Для гладкой круглой арматуры, наоборот, сцепление не­достаточно, и устройство крюков па концах стержней или приварка поперечных стержней на концевых участках, как правило, обязательны,

Ненапрягаемую арматуру периодического профиля заводят за нормальное к продольной оси элемента сече­ние, в котором она учитывается с полным расчетным сопротивлением, на длину зоны анкеровки...

Усадка бетона в железобетонных конструкциях.

Стальная арматура вследствие сцепления ее с бетоном является внутренней связью, препятствующей свободной усадке бетона при твердении на воздухе и свободному набуханию бетона при твердении в воде.

Стесненная деформация усадки бетона в железобе­тонном элементе приводит к возникновению начальных Напряжений: растягивающих в бетоне, сжимающих в ар­матуре. При достаточно высоком содержании арматуры в бетоне элемента могут возникнуть усадочные тре­щины.

Усадке бетона в статически неопределимых железобе­тонных конструкциях препятствуют лишние связи. В та­ких системах усадка рассматривается как внешнее воз­действие (подобное температурному), вызывающее по­явление усилии в элементах (см. рис. 11.4). Средняя деформация усадки равна 15-Ю"5, что равносильно по­нижению температуры па 15 °С (так как коэффициент линейной температурной деформации аы^1-10~5). Это позволяет заменить расчет на действие усадки расчетом на температурное воздействие. Отрицательное влияние усадки в этом случае может быть снижено путем устрой­ства деформационных швов, которые обычно совмещают с Температурными и называют температурно-усадочными.

В предварительно напряженных элементах усадка бе­тона также оказывает отрицательное влияние, приводя к уменьшению предварительного напряжения в арма­туре.

В Ползучесть бетона в железобетонных конструкци­ях. Арматура в железобетонных конструкциях, являясь, как и при усадке, внутренней связью, препятствует сво­бодной деформации ползучести в бетоне. Вследствие сцепления арматуры с бетоном при продолжительном действии нагрузки ползучесть приводит к перераспреде­лению напряжений между арматурой с бетоном. С тече­нием времени напряжения в бетоне уменьшаются, в ар­матуре элементов без предварительного напряжения возрастают. Этот процесс происходит непрерывно, пока деформации ползучести не достигнут своего предельного значения.

В зависимости от вида железобетонных конструкций и напряженного состояния ползучесть может оказывать положительное или отрицательное влияние па их работу. В коротких центрально сжатых элементах ползучесть оказывает положительное влияние, обеспечивая более полное использование прочностных свойств арматуры, В гибких сжатых элементах ползучесть вызывает увели­чение начальных эксцентриситетов и снижение несущей способности. В изгибаемых элементах ползучесть приво­дит к увеличению прогибов, в предварительно напряжен­ных железобетонных конструкциях — к потерям предва­рительного напряжения. В статически неопределимых системах ползучесть играет положительную роль, смяг­чая концентрацию напряжений и вызывая перераспреде­ление усилий.

Коррозия железобетона и меры защиты от нее. Для обеспечения долговечности железобетонных конст­рукций необходимо принимать меры против развития коррозии бетона и арматуры. Коррозия бетона зависит от его прочности и плотности, свойств цемента и агрессив­ности среды, Коррозия арматуры вызывается недостаточ­ным содержанием цемента или наличием в нем вредных Добавок, чрезмерным раскрытием трещин, недостаточной толщиной защитного слоя. Коррозия арматуры может

возникать независимо от коррозии бетона. Для уменьше­ния коррозии ограничивают агрессивность среды в про­цессе эксплуатации (отвод агрессивных вод, улучшение вентиляции помещений), применяют плотные бетоны на сульфатостойких и других специальных вяжущих, устра­ивают па поверхности бетона защитные покрытия, защит­ный слой необходимой трещины, ограничивают раскры­тие трещин и т. д. При систематическом действии агрес­сивной среды производят расчет конструкций на это воздействие (см. § 15.5).

В Защитный слой бетона. В железобетонных конст­рукциях арматуру следует располагать на некотором расстоянии от их наружной поверхности, чтобы вокруг нее образовался защитный слой. Защитный слой обеспе­чивает совместную работу арматуры с бетоном на стади­ях изготовления, монтажа и эксплуатации конструкций, а также защиту арматуры от коррозии, высоких темпе­ратур и других воздействий.

При назначении толщины защитного слоя учитывают вид и размеры конструкции, условия эксплуатации, диа­метр и назначение арматуры (рабочая, распределитель­ная) [П. Так, для продольной рабочей арматуры толщи­на защитного слоя должна быть не менее диаметра стержня и не менее: в плитах и стенках толщиной ft<£ X100 мм— 10 мм; толщиной /г^ 100 мм, а также балкар и ребрах с А<;250мм—15мм; в балках и ребрах h^' ^250 мм и в колоннах — 20 мм; в блоках сборных фунда­ментов— 30 мм; для нижней арматуры монолитных фун­даментов: при наличии бетонной подготовки —35 мм, при ее отсутствии — 70 мм. Для поперечной и распределитель­ной арматуры защитный слой должен быть при h< <250 мм — не менее 10 мм и при ft>250 мм —не менее 15 мм. Расстояние от концов продольной ненапрягаемой арматуры до торцов элементов должно быть 10...20 мм. Для конструкций, эксплуатируемых в агрессивных сре­дах, при повышенной температуре или влажности тол­щина защитного слоя увеличивается на 10...20 мм.

Толщина защитного слоя бетона у концов предвари­тельно напряженных элементов на длине зоны передачи напряжений (см. § 3.3) должна составлять для армату­ры классов A-IV, А-Ш в и канатов не менее Ы и для ар­матуры классов A-V, А-VI — не менее 3 d. Кроме того, эта величина на указанном участке должна быть для стержневой арматуры — не менее 40 мм и для канатов — не менее 20 мм,

 

Раздел II. КАМЕННЫЕ И АРМОКАМЕННЫЕ КОНСТРУКЦИИ

Глава 18. Общие сведения. Материалы для каменных и армокаменных конструкций

<== предыдущая лекция | следующая лекция ==>
Этапы проведения системного анализа | Конструкций и материалы для их возведения
Поделиться с друзьями:


Дата добавления: 2014-01-04; Просмотров: 10864; Нарушение авторских прав?; Мы поможем в написании вашей работы!


Нам важно ваше мнение! Был ли полезен опубликованный материал? Да | Нет



studopedia.su - Студопедия (2013 - 2026) год. Все материалы представленные на сайте исключительно с целью ознакомления читателями и не преследуют коммерческих целей или нарушение авторских прав! Последнее добавление




Генерация страницы за: 0.013 сек.