Студопедия

КАТЕГОРИИ:


Архитектура-(3434)Астрономия-(809)Биология-(7483)Биотехнологии-(1457)Военное дело-(14632)Высокие технологии-(1363)География-(913)Геология-(1438)Государство-(451)Демография-(1065)Дом-(47672)Журналистика и СМИ-(912)Изобретательство-(14524)Иностранные языки-(4268)Информатика-(17799)Искусство-(1338)История-(13644)Компьютеры-(11121)Косметика-(55)Кулинария-(373)Культура-(8427)Лингвистика-(374)Литература-(1642)Маркетинг-(23702)Математика-(16968)Машиностроение-(1700)Медицина-(12668)Менеджмент-(24684)Механика-(15423)Науковедение-(506)Образование-(11852)Охрана труда-(3308)Педагогика-(5571)Полиграфия-(1312)Политика-(7869)Право-(5454)Приборостроение-(1369)Программирование-(2801)Производство-(97182)Промышленность-(8706)Психология-(18388)Религия-(3217)Связь-(10668)Сельское хозяйство-(299)Социология-(6455)Спорт-(42831)Строительство-(4793)Торговля-(5050)Транспорт-(2929)Туризм-(1568)Физика-(3942)Философия-(17015)Финансы-(26596)Химия-(22929)Экология-(12095)Экономика-(9961)Электроника-(8441)Электротехника-(4623)Энергетика-(12629)Юриспруденция-(1492)Ядерная техника-(1748)

Дифференциальная защита

Назначение и принцип действия дифференциальной защиты. В качестве основной быстродействующей РЗ трансформаторов от КЗ между фазами, однофазных КЗ на землю и от замыканий витков одной фазы широкое распространение получила дифференциальная РЗ (рис. 8). При внешнем КЗ и нагрузке токи II и III направлены в одну сторону (рис.8,а) и находятся в определенном соотношении, равном коэффициенту трансформации защищаемого трансформатора: II / III = Кт.

 

При внешнем КЗ защита не должна действовать, при КЗ в трансформаторе - должна работать. С учетом этого и выполняется схема защиты. Трансформаторы тока ТА1 и ТАII, питающие схему, устанавливаются с обеих сторон защищаемого трансформатора. Их вторичные обмотки соединяются разноименными полярностями так, чтобы при внешнем КЗ и нагрузке вторичные токи IIв и IIIв были направлены в контуре соединительных проводов последовательно (циркулировали по ним). Дифференциальное реле КА включается параллельно вторичным обмоткам трансформаторов тока. При таком соединении в случае внешнего КЗ и при токе нагрузки вторичные токи IIв и IIIв замыкаются на обмотке реле КА и направлены в ней встречно, поэтому ток в реле равен разности вторичных токов:

При КЗ в защищаемом трансформаторе вторичные токи IIв и IIIв проходят по обмотке реле в данном направлении (рис.8,б), в результате чего ток в реле равен их сумме: Iр = IIв+ IIIв.

Если Iр > Iс.р, то реле срабатывает и отключает трансформатор.

Для того чтобы дифференциальная РЗ не работала при нагрузке и внешних КЗ, необходимо уравновесить вторичные токи в плечах РЗ так, чтобы ток в реле, равный их разности, отсутствовал: Iр = IIв- IIIв = 0.

Для этого необходимо, чтобы токи совпадали по модулю и по фазе, т.е. IIв= IIIв.

Особенности ДЗ трансформаторов и АТ. В дифференциальной РЗ ЛЭП и генераторов первичные токи в начале и в конце защищаемого участка одинаковы, поэтому для выполнения условия селективности (Iр = IIв - IIIв= 0) достаточно иметь равенство коэффициентов трансформации ТТ. иное положение имеет место в дифференциальной РЗ трансформаторов. Первичные токи обмоток трансформатора не равны по значению и в общем случае не совпадают по фазе.

В режиме нагрузки и внешнего КЗ ток трансформатора на стороне низшего напряжения III всегда больше тока на стороне низшего напряжения II. их соотношение определяется коэффициентом трансформации силового трансформатора согласно (II / III = Кт).

В трансформаторе с соединением обмоток Y/D и D/Y токи II и III различаются не только по значению, но и по фазе. Угол сдвига фаз зависит от группы соединения обмоток трансформатора. При наиболее распространенной, одиннадцатой группе линейный ток на стороне D опережает линейный ток со стороны Y на 30 ° (рис.9,а). в трансформаторах с соединением обмоток Y/Y токи II и IIIсовпадают по фазе (рис.9,б).

Таким образом, для выполнения условия селективности необходимы специальные меры по выравниванию вторичных токов IIв = III и III = III /КIII по значению, а при разных схемам соединения обмоток (Y/D и D/Y) - и по фазе с тем, чтобы поступающие токи в реле были равны.

Компенсация сдвига токов IIв и IIIв по фазе осуществляется соединением в А вторичных обмоток ТТ, установленных на стороне У силового трансформатора (рис.10). Соединение

в Δ обмоток ТТ должно соответствовать соединению в Δ обмотки силового трансформа тора. ТТ, расположенные на стороне Δ силового трансформатора, соединяются в Y.

На рис.10 изображены векторные диаграммы первичных и вторичных токов в ТТ и силовом транс форматоре показаны на диаграмме совпадающими по фазе. Из диаграммы следует, что токи IАВ(2), IВС(2), IСА(2) в линейных проводах ТТ, соединенных в Δ, сдвигаются относительно соответствующих фазных токов во вторичной и первичной обмоток ТТ на угол 30 °. Токи в проводах второй группы ТТ IAB(2), IBC(2), ICA(2) совпадают по фазе со своими первичными токами и поэтому сдвинуты по отношению к первичному току У силового трансформатора, так же как и токи IАВ(2), IВС(2), IСА(2), на угол 30 °. В результате этого токи, поступающие в реле, совпадают по фазе.

Соединение одной из групп ТТ в Δ обеспечивает компенсацию сдвига фаз между вторичными и первичными токами силового трансформатора не только при симметричной нагрузке и трехфазных КЗ, но и при любом несимметричном повреждении или нагрузочном режиме.

Справедливость этого положения наиболее просто доказывается с помощью метода симметричных составляющих. Токи прямой и обратной последовательности симметричны, и поэтому токораспределение их в системе РЗ полностью соответствует токораспределению их при трехфазном КЗ. Следовательно, соединение одной из групп ТТ в Δ, а другой - в Y обеспечивает компенсацию сдвига фаз первичных токов прямой и обратной последовательностей.

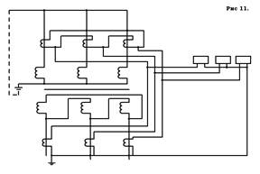
Токи НП появляются при КЗ на землю и могут замыкаться только через обмотку транс форматора, соединенную в звезду, при условии, что ее нулевая точка заземлена. Проходя по этой обмотке, токи НП трансформируются в фазы обмотки, соединенные в Δ (рис.11). В контуре Δ токи НП каждой фазы циркулируют, не выходя за его пределы. Это означает, что в дифференциальной РЗ трансформаторов с соединением обмоток Y/Δ токи НП протекают только по ТТ, установленным со стороны звезды силового трансформатора, что может вызвать неправильную работу РЗ. Эта опасность устраняется тем, что на стороне Y силового трансформатора ТТ соединяется в треугольник (рис.11). Токи при внешнем однофазном КЗ токи НП, трансформируясь на вторичную сторону ТТ, замыкаются в контуре Δ, не попадая в реле.

Для компенсации сдвига фаз токов силовых трансформаторов, соединенных по схеме Y/А или Δ/Y, необходимо ТТ на стороне Y соединить в Δ, а на стороне Δ - в Y.

Выравнивание величин вторичных токов в плечах дифференциальной РЗ достигается подбором коэффициентов трансформации КII и КIII выбираются так, чтобы вторичные токи в плечах РЗ были равны при нагрузке и внешних КЗ. При соединении обмоток силового трансформатора по схеме Y/Y условие имеет вид: II /КII = III /КIII. Отсюда

КII/KIII = III/II-Кт,

где Кт - коэффициент трансформации силового трансформатора.

При соединении обмоток силового трансформатора по схеме Y/Δ ток в плече, питающемся от ТТ, включенных в Δ, равен (II /КII)√3, в плече, питающемся от ТТ, соединенных в звезду: III /КIII. С учетом этого уравнение имеет вид:

(II /КII)√3 = III /КIII; КII /КIII = III /(II√3) = Кт/√3.

Задаваясь одним из коэффициентов трансформации ТТ, например КIII, можно найти, пользуясь выражениями, расчетное значение второго КII, обеспечивающее равенство вторичных токов в плечах РЗ. Найденных таким образом коэффициент КП, как правило, получается нестандартным. Поэтому используется стандартные ТТ с ближайшим к расчетному значению коэффициентом трансформации, а компенсация оставшегося неравенства осуществляется с помощью выравнивающих автотрансформаторов АТL или трансформаторе ТL. В первом случае (рис.12,а) в одном из плеч РЗ устанавливается АТL. Для выравнивания токов в плечах РЗ коэффициент трансформации автотрансформатора Ка подбирается так, чтобы его вторичный ток IIIа в был равен току IIIв противоположном плече РЗ: IIIа =IIIв /Ка - IIв. Отсюда

Ка =IIIв / IIIа = IIIв / IIв.

 

Во втором случае (рис 12,б) применяется выравнивающий трансформатор ТL, который состоит из трех первичных обмоток. Обмотки wy1 и wy2 (уравнительные) включаются в плечи РЗ, а обмотка wд (рабочая, называемая также дифференциальной) - по дифференциальной схеме на разность токов IIв - IIIв. число витков уравнительных обмоток подбирается так, чтобы геометрическая сумма магнитодвижущих сил всех трех обмоток в условиях сквозного тока была равна нулю:

IIв wy1-IIIв wy2 +(IIв-IIIв) wд =0

При выполнении этого условия результирующая МДС и магнитный поток Фрез в магнитопроводе ТL отсутствует, поэтому ток в дифференциальном реле Iр = 0. В рассмотренной схеме неравенство токов плеч компенсируется

магнитным способом. Этот способ компенсации удобно сочетается с дифференциальным реле, включаемым через быстронасыщающийся трансформатор (БНТ).

 

<== предыдущая лекция | следующая лекция ==>
Защита от сверх токов пр. внешних КЗ. Защита от перегрузки. Токовая отсечка | Газовая защита
Поделиться с друзьями:


Дата добавления: 2014-01-04; Просмотров: 853; Нарушение авторских прав?; Мы поможем в написании вашей работы!


Нам важно ваше мнение! Был ли полезен опубликованный материал? Да | Нет



studopedia.su - Студопедия (2013 - 2025) год. Все материалы представленные на сайте исключительно с целью ознакомления читателями и не преследуют коммерческих целей или нарушение авторских прав! Последнее добавление




Генерация страницы за: 0.009 сек.