Студопедия

КАТЕГОРИИ:


Архитектура-(3434)Астрономия-(809)Биология-(7483)Биотехнологии-(1457)Военное дело-(14632)Высокие технологии-(1363)География-(913)Геология-(1438)Государство-(451)Демография-(1065)Дом-(47672)Журналистика и СМИ-(912)Изобретательство-(14524)Иностранные языки-(4268)Информатика-(17799)Искусство-(1338)История-(13644)Компьютеры-(11121)Косметика-(55)Кулинария-(373)Культура-(8427)Лингвистика-(374)Литература-(1642)Маркетинг-(23702)Математика-(16968)Машиностроение-(1700)Медицина-(12668)Менеджмент-(24684)Механика-(15423)Науковедение-(506)Образование-(11852)Охрана труда-(3308)Педагогика-(5571)Полиграфия-(1312)Политика-(7869)Право-(5454)Приборостроение-(1369)Программирование-(2801)Производство-(97182)Промышленность-(8706)Психология-(18388)Религия-(3217)Связь-(10668)Сельское хозяйство-(299)Социология-(6455)Спорт-(42831)Строительство-(4793)Торговля-(5050)Транспорт-(2929)Туризм-(1568)Физика-(3942)Философия-(17015)Финансы-(26596)Химия-(22929)Экология-(12095)Экономика-(9961)Электроника-(8441)Электротехника-(4623)Энергетика-(12629)Юриспруденция-(1492)Ядерная техника-(1748)

Прямая перегонка нефти




 

Технологические установки перегонки нефти предназначены для разделения нефти на фракции и последующей переработки или исполь­зования их как компонентов товарных нефтепродуктов. Они составляют основу всех НПЗ.

Процессы перегонки нефти осуществляют на так называемых атмо­сферных трубчатых (AT) и вакуумных трубчатых (ВТ) или атмосферно-вакуумных трубчатых (АВТ) установках.

На установках AT осуществляют неглубокую перегонку нефти с по­лучением топливных (бензиновых, керосиновых, дизельных) фракций и мазута. Установки ВТ предназначены для перегонки мазута. Получаемые на них газойлевые, масляные фракции и гудрон используют в качестве сы­рья процессов последующей (вторичной) переработки их с получением топлив, смазочных масел, кокса, битумов и других нефтепродуктов.

Современные процессы перегонки нефти являются комбинирован­ными с процессами обезвоживания и обессоливания, вторичной перегонки и стабилизации бензиновой фракции: ЭЛОУ - AT, ЭЛОУ - АВТ, ЭЛОУ -АВТ - вторичная перегонка и так далее.

Диапазон мощностей отечественных установок перегонки нефти ши­рок - от 0,5 до 8 млн. тонн нефти в год.

Преимущества установок большой единичной мощности очевидны: высокая производительность труда и низкие капитальные и эксплуатаци­онные затраты, по сравнению с установками малой производительности.

Еще более существенные экономические преимущества достигаются при комбинировании AT и АВТ (или ЭЛОУ - AT и ЭЛОУ - АВТ) с дру­гими техническими процессами, такими, как газофракционирование, гид­роочистка топливных и газойлевых фракций, каталитический риформинг, каталитический крекинг, очистка масляных фракций и т. д,

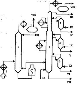
Блок атмосферной перегонки нефти, высокопроизводительной, наи­более распространенной в нашей стране установки ЭЛОУ - АВТ - 6 функ­ционирует по схеме двукратного испарения и двукратной ректификации (рис. 9.1).

Обезвоженная и обессоленная на ЭЛОУ нефть дополнительно подог­ревается в теплообменниках и поступает на разделение в колонну частич­ного отбензинивания 1. Уходящие с верха этой колонны углеводородный газ и легкий бензин конденсируются, охлаждаются и поступают в емкость орошения. Отбензиненная нефть с низа колонны 1 подается в трубчатую печь 4, где нагревается до требуемой температуры и поступает в атмо­сферную колонну 2. Часть отбензиненной нефти из печи 4 возвраща­ется в низ колонны 1 в качестве горячей струи.

Рис 9.1. Прин­ципиальная схема блока атмосферной перегонки нефти установки ЭЛОУ -АВТ- 6:

1 - отбензнивающая колонна, 2 - атмосфер­ная колонна, 3 - отпар­ные колонны, 4 - атмос­ферная печь, I - нефть с ЭЛОУ, II - легкий бензин, III - тяжелый бензин, IV - фракция 180 -220οС, V- фракция 220 - 280°С, VI -фракция 280 - 350°С, VII - мазут, VIII - газ, IX -водяной пар

 

С верха колонны 2 отбирается тяжелый бензин, а сбоку через отпарные ко­лонны 3 выводятся топливные фракции 180-220 (230), 220 (230) - 280 и 280 - 350°С. В нижние части атмосферной и отпарных колонн подается пере­гретый водяной пар для отпарки легкокипящих фракций. С низа атмо­сферной колонны выводится мазут, который направляется на блок вакуум­ной перегонки.

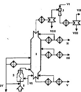
Принципиальная схема блока вакуумной перегонки мазута установки ЭЛОУ - АВТ - 6 приведена на рис. 9.2.

Мазут прокачивается параллельными потоками через печь 2 в ваку­умную колонну 1. Смесь нефтяных и водяных паров, газы разложения с верха вакуумной колонны поступают в вакуумсоздающую систему. После конденсации и охлаждения в конденсаторе - холодильнике она разделяется в газосепараторе на газовую и жидкую фазы. Газы отсасываются трехсту­пенчатым пароэжекторным вакуумным насосом 3, а конденсаты поступа­ют в отстойник для отделения нефтепродукта от водного конденсата. Верхним боковым погоном вакуумной колонны отбирают фракцию легко­го вакуумного газойля (соляр).

Вторым боковым погоном отбирают широкую газойлевую (масля­ную) фракцию. Часть ее после охлаждения используется как среднее цир­куляционное орошение вакуумной колонны.

С низа вакуумной колонны отбирается гудрон и после охлаждения направляется на дальнейшую переработку. Часть гудрона после

Рис 9.2. Принципиальная схема блока вакуумной перегонки
мазута установки.

ЭЛОУ - АВТ - 6: 1 - вакуумная колон­на; 2 - вакуумная печь; 3 - пароэжекторный вакуумный на­сос; I - мазут из AT; II - легкий вакуумный газойль; III - вакуум­ный газойль; IV -затемненная фракция; V - гудрон; VI - водя­ной пар; VII - газы разложения; VIII конденсат (вода и нефтепродукт).

 

охлаждения в теплообменнике возвращается в низ колонны в качестве квенчинга. В низ вакуумной колонны и змеевик печи подается водяной пар.

Нефтепродукты, получаемые на атмосферно-вакуумных установках -бензиновые, лигроиновые, керосиновые, газойлевые и масляные дистил­ляты, - очищают от сернистых и кислородных соединений и после добав­ления присадок, улучшающих их качество, используют как топлива и сма­зочные масла. Бензины прямой перегонки содержат главным образом па­рафиновые и нафтеновые углеводороды и характеризуются низкими окта­новыми числами в пределах 50-70; бензины с более высоким октановым числом получают путем крекинга.




Поделиться с друзьями:


Дата добавления: 2013-12-11; Просмотров: 1996; Нарушение авторских прав?; Мы поможем в написании вашей работы!


Нам важно ваше мнение! Был ли полезен опубликованный материал? Да | Нет



studopedia.su - Студопедия (2013 - 2026) год. Все материалы представленные на сайте исключительно с целью ознакомления читателями и не преследуют коммерческих целей или нарушение авторских прав! Последнее добавление




Генерация страницы за: 0.012 сек.