Студопедия

КАТЕГОРИИ:


Архитектура-(3434)Астрономия-(809)Биология-(7483)Биотехнологии-(1457)Военное дело-(14632)Высокие технологии-(1363)География-(913)Геология-(1438)Государство-(451)Демография-(1065)Дом-(47672)Журналистика и СМИ-(912)Изобретательство-(14524)Иностранные языки-(4268)Информатика-(17799)Искусство-(1338)История-(13644)Компьютеры-(11121)Косметика-(55)Кулинария-(373)Культура-(8427)Лингвистика-(374)Литература-(1642)Маркетинг-(23702)Математика-(16968)Машиностроение-(1700)Медицина-(12668)Менеджмент-(24684)Механика-(15423)Науковедение-(506)Образование-(11852)Охрана труда-(3308)Педагогика-(5571)Полиграфия-(1312)Политика-(7869)Право-(5454)Приборостроение-(1369)Программирование-(2801)Производство-(97182)Промышленность-(8706)Психология-(18388)Религия-(3217)Связь-(10668)Сельское хозяйство-(299)Социология-(6455)Спорт-(42831)Строительство-(4793)Торговля-(5050)Транспорт-(2929)Туризм-(1568)Физика-(3942)Философия-(17015)Финансы-(26596)Химия-(22929)Экология-(12095)Экономика-(9961)Электроника-(8441)Электротехника-(4623)Энергетика-(12629)Юриспруденция-(1492)Ядерная техника-(1748)

Контроллер последовательного синхронного приема




Контроллер последовательной синхронной передачи, схема, алгоритм, подпрограмма.

Синхронные последовательные интерфейсы

Последовательная передача данных

Лекция (5.10.2011)

Для реализации последовательного обмена информацией контроллер должени обеспечить выполнение двух дополнительных функций:

1. Преобразование формата передаваемой информации, а именно при выводе информации из ПК на средство диагностирования (СД). Параллельный формат преобразовать в последовательный, при вводе из СД в ПК обратное преобразование последовательный в параллельный.

2. Реализация требуемого способа обмена: синхронный или асинхронный.

Для реализации синхронной передачи межу ПК и СД и наоборот вводят отдельную линию, по которой передают синхроимпульсы. Передача осуществляется непрерывно (бит за битом), при этом на контроллер возлагается дополнительная функция подсчета кол-ва переданных импульсов. Аналогичную функцию должен реализовывать и контроллер СД.

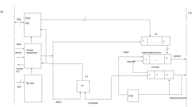
Блок-схема контроллера в отличие от параллельного способа обмена кроме регистра А1 и А2 содержит сдвиговый регистр, генератор тактовых импульсов и 3х разрядный счетчик.

Назначение блоков:

Регистр данных А1 – 8разрядный, адресуемый. Служит для буферизации данных до загрузки в сдвиговый регистр.

Запись в А1 осуществляется следующим образом. Процессор опрашивает старший разряд в цикле (флаг готовности – наличие 1 в регистре А2) – готовность контроллер принять очередной байт. Для этого содержимое регистра А2 передается по старшему разряду линии ШД в логику управления. Логика управления формирует сигнал готовность СД.

Подпрограмма (под вопросом)

M1 TST, @#A2

BPL M1

MOV R1, @#A1

Преобразование из параллельного формата в последовательный производится в сдвиговом регистре. Управляет сдвиговым регистром - ГТИ. Выход ГТИ в сдвиговый регистр, а дальше в СД. Кроме того ГТИ поступает в счетчик. Из регистра поступает младший разряд передаваемого байта.

Процесс передачи битов продолжается и одновременно каждый бит сопровождается синхроимпульсом, который использует СД для выделения байт. Кол-во переданных бит в линию подсчитывается счетчиком. Как только будет передано 8 бит, счетчик срабатывает, переводит А2 в 1 и сигналом на входе «загрузка» переписывает А1 в сдвиговый регистр, очередной тактовый импульс сбрасывает счетчик, формирует синхроимпульс, загружает 0.

Особенности работы:

Последовательная синхронная передача отдельных битов в линию связи осуществляется без какого-либо перерыва, поэтому следующий байт данных А1 должен быть загружен за время, не превышающее время передачи 8 бит.

При записи байта данных в А1, А2 обнуляется – сброс. Это указывает на то, что в линию связи передается байт данных из сдвигового регистра, а следующий байт уже записан в А1. После этого процессор переходит в режим проверки флага готовности.

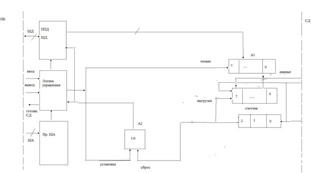
Контроллер последовательного синхронного приема данных из СД состоит из тех же блоков, кроме ГТИ.

Подпрограмма: (под вопросом)

M1 TST, @#A2

BPL M1

MOV А1, @#R1

Алгоритм:

Процессор циклически опрашивает состояние регистра А2. В цикле «ввод» на ША выставляется адрес А2 и с помощью логики управления считывает состояние А2.

Если А2=1 переход М1, если А2=0, то старший разряд ШД положит. Процессор считывает данные с А1.




Поделиться с друзьями:


Дата добавления: 2013-12-12; Просмотров: 2186; Нарушение авторских прав?; Мы поможем в написании вашей работы!


Нам важно ваше мнение! Был ли полезен опубликованный материал? Да | Нет



studopedia.su - Студопедия (2013 - 2026) год. Все материалы представленные на сайте исключительно с целью ознакомления читателями и не преследуют коммерческих целей или нарушение авторских прав! Последнее добавление




Генерация страницы за: 0.009 сек.