Студопедия

КАТЕГОРИИ:


Архитектура-(3434)Астрономия-(809)Биология-(7483)Биотехнологии-(1457)Военное дело-(14632)Высокие технологии-(1363)География-(913)Геология-(1438)Государство-(451)Демография-(1065)Дом-(47672)Журналистика и СМИ-(912)Изобретательство-(14524)Иностранные языки-(4268)Информатика-(17799)Искусство-(1338)История-(13644)Компьютеры-(11121)Косметика-(55)Кулинария-(373)Культура-(8427)Лингвистика-(374)Литература-(1642)Маркетинг-(23702)Математика-(16968)Машиностроение-(1700)Медицина-(12668)Менеджмент-(24684)Механика-(15423)Науковедение-(506)Образование-(11852)Охрана труда-(3308)Педагогика-(5571)Полиграфия-(1312)Политика-(7869)Право-(5454)Приборостроение-(1369)Программирование-(2801)Производство-(97182)Промышленность-(8706)Психология-(18388)Религия-(3217)Связь-(10668)Сельское хозяйство-(299)Социология-(6455)Спорт-(42831)Строительство-(4793)Торговля-(5050)Транспорт-(2929)Туризм-(1568)Физика-(3942)Философия-(17015)Финансы-(26596)Химия-(22929)Экология-(12095)Экономика-(9961)Электроника-(8441)Электротехника-(4623)Энергетика-(12629)Юриспруденция-(1492)Ядерная техника-(1748)

Топология сети RS-485

Аппаратная реализация RS485 на примере преобразователя RS232-RS485 АС3 Овен.

Реализация приемопередатчиков(драйверов) RS-485.

Многие фирмы изготовляют приемопередатчики RS485. Называют их обычно конверторы RS232 - RS485 или преобразователи RS232-RS485. Для реализации этих приборов выпускается специальные микросхемы. Роль этих микросхем сводится к преобразованию уровней сигналов RS232C к уровню сигналов RS485 (TTL/CMOS) и обратно, а также обеспечение работы полудуплексного режима.

По способу переключения в режим передачи различают приборы:

  1. Переключающиеся с помощью отдельного сигнала. Для перехода в режим передачи необходимо выставить активный сигнал на отдельном входе. Обычно это сигнал RST (СОМ порта). Эти приемопередатчики сейчас редко встречаются. Но, тем не менее, они иногда не заменимы. Допустим нужно прослушивать обмен данными между контроллерами промышленного оборудования. При этом, ваш приёмопередатчик не должен переходить в режим передачи, чтобы не создать коллизию в данной сети. Использование приёмопередатчика с автоматическим переключением здесь не допустимо. Пример такого конвертера Овен АС3.
  2. С автоматическим переключением и без проверки состояния линии. Наиболее распространённые конверторы, которые переключаются автоматически при появлении на их входе информационного сигнала. При этом они не контролируют занятость линии связи. Эти конверторы требуют осторожного применения из-за высокой вероятности возникновения коллизий. Пример конвертора Овен АС3М.
  3. С автоматическим переключением и с проверкой состояния линии. Наиболее продвинутые конверторы, которые могут передавать данные в сеть только при условии, что сеть не занята другими приёмопередатчиками и на входе имеется информационный сигнал.

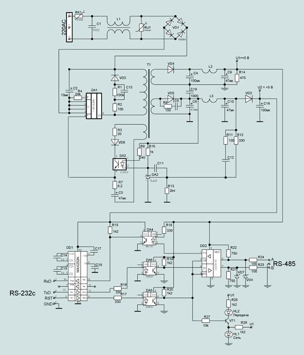
Рис.4 Принципиальная схема АС3 Овен.

На рис.4 представлена принципиальная схема преобразователя АС3 Овен. Этот преобразователь имеет отдельный сигнал для включения режима передачи данных. В качестве управляющего сигнала используется выходной сигнал СОМ порта RST. Если RST=1 (+12В) преобразователь передает данные с TD(Сом порта) в сеть RS485, если RST=0 (-12 В), то данные принимаются из сети RS-485 на вход RD (СОМ порта). Преобразователь работает от промышленной сети переменного тока напряжением 220 вольт. Блок питания преобразователя выполнен по импульсной схеме на базе микросхемы ТОР232N (DA1). Блок питания выдает два независимых напряжения +5В. Для приёма и преобразования полярных сигналов RS232 (±12 В) в однополярные сигналы TTL/CMOS уровня (+5 В) используется микросхема MAX232N (DD1).

Данная микросхема интересна тем, что она питается от однополярного напряжения +5 В и имеет встроенные источники напряжения, которые необходимы для работы с полярными сигналами ±12 В. Для правильной работы встроенных источников напряжения к микросхеме MAX232N подключают внешние конденсаторы С14,С15,С17,С18. Кроме этого микросхема имеет по два преобразователя уровней сигналов RS-232C к TTL/CMOS в обоих направлениях.

Назначение сигналов:
RST -для переключения преобразователя в режим передачи/приёма
TD -передача данных из RS232 в RS485
RD -приём данных в RS232 из RS485

Далее сигналы RS232 преобразованные к уровню TTL/CMOS подаются на оптопары 6N137, которые осуществляют гальваническую развязку сигналов RS232 и RS485. Для передачи/приёма данных на стороне интерфейса RS485 используется микросхема DS75176 (многоточечный трансивер RS485). Данная микросхема запитана от отдельного источника напряжением +5 В. Микросхема представляет собой усилитель сигналов TTL/COMOS уровня с переключением направления передачи. Выходы DS75176 подключаются к контактам А и В через сопротивления 100 Ом, что обеспечивает ток короткого замыкания А-В в 250мА. Мощность сигнала RS485 примерно в 10 раз превышает мощность сигналов RS232. Эта микросхема усиливает сигнал до нужной мощности и обеспечивает полудуплексный режим работы.

Сеть RS-485 строится по последовательной шиной(bus) схеме, т.е. приборы в сети соединяются последовательно симметричными кабелями. Концы линий связи при этом должны быть нагружены согласующими резисторами- "терминаторами"(terminator), величина которых должна быть равна волновому сопротивлению кабеля связи.

Терминаторы выполняют следующие функции:

  • Уменьшают отражение сигнала от конца линии связи;
  • Обеспечивают достаточный ток через всю линию связи, что необходимо для подавления синфазной помехи с помощью кабеля типа "витая пара".

Рекомендовано использовать промышленный кабель Belden3106A для прокладки сетей RS485. Данный кабель имеет волновое сопротивление 120 Ом и двойной экран витой пары. Кабель Belden3106A содержит 4 провода. Оранжевый и белый провод представляют собой симметричную экранированную витую пару. Синий провод кабеля используется для соединения нулевого потенциала источников питания приборов в сети и называется "общий"(Common). Провод без изоляции используется для заземления оплетки кабеля и называется "дренажный" (Drain). В сегменте сети дренажный провод заземляется через сопротивление на шасси прибора, с одного из концов сегмента, чтобы не допустить протекания блуждающих токов через оплетку кабеля, при разном потенциале земли в удалённых точках.

Обычно сопротивления терминаторов и защитного заземления находится внутри прибора. Необходимо правильно подключить их с помощью перемычек или переключателей. В технической документации фирмы изготовителя приборов необходимо найти описание этих подключений.

Рис.5 Топология сети RS485

Если расстояние сегмента сети превышает 1200 м или количество драйверов в сегменте более 32 штук, нужно использовать повторитель (repeater), для создания следующего сегмента сети. При этом каждый сегмент сети должен быть подключен к терминаторам. Сегментом сети при этом считается кабель между крайним прибором и повторителем или между двумя повторителями.

Стандарт RS-485 не определяет, какой тип симметричного кабеля нужно использовать, но де-факто используют кабель типа "витая пара" с волновым сопротивлением 120 Ом.

Рис.6 Промышленный кабель Belden 3106A для сетей RS485

Например, на рис.7 показаны рекомендации фирмы Allen Bradley по подключению кабеля Belden3106A к приборам 1747-AIC (Link Coupler) использующихся для соединения контроллеров SLC в сеть DH-485.

На рис.7 показаны соединения кабеля с промежуточными приборами сегмента сети. Для первого прибора в сегменте сети DH-485 необходимо установить перемычку 5-6 (она подключает терминатор 120 Ом, который находится внутри прибора 1747-AIC) и перемычку 1-2 (подключает дренажный провод к шасси прибора через внутреннее сопротивление). Для последнего прибора в сегменте сети нужно установить только перемычку 5-6 (подключить терминатор)

Рис.7 Схема подключения 1747-AIC (Allen Bradley)

При использовании других симметричных кабелей, в особенности, когда не известно их волновое сопротивление, величину терминаторов подбирают опытным путем. Для этого необходимо установить осциллограф в середину сегмента сети. Контролируя форму прямоугольных импульсов передаваемых одним из драйверов можно сделать вывод о необходимости корректировки величины сопротивления терминатора.

Рис.8 Несогласованная сеть RS-485 (без терминатора) и ее итоговая форма сигнала (слева) по сравнению с сигналом, полученным на правильно согласованной сети (справа)

Рис.9 Терминатор установлен в середине сегмента сети RS-485

Рис.10 Прибор подключен длинным отводом (3 м) к сегменту сети RS-485

Более подробно об этом можете прочитать в статье Maxim's Application Note 373 январь 2001 года

Для анализа качества согласования линии связи применяют тестовые функции. Обычно такая функция встроена в конкретный прибор или программу. Во время тестирования передатчик посылает в сеть заданную последовательность символов, а приемник на другом конце линии анализирует правильность приема этой известной ему последовательности символов. Сеть тестируется определенное количество времени, после чего по количеству ошибок делается вывод о качестве связи

<== предыдущая лекция | следующая лекция ==>
Основные принципы реализации протоколов верхнего уровня (типа MODBUS) | Недостатки RS485
Поделиться с друзьями:


Дата добавления: 2013-12-12; Просмотров: 3747; Нарушение авторских прав?; Мы поможем в написании вашей работы!


Нам важно ваше мнение! Был ли полезен опубликованный материал? Да | Нет



studopedia.su - Студопедия (2013 - 2025) год. Все материалы представленные на сайте исключительно с целью ознакомления читателями и не преследуют коммерческих целей или нарушение авторских прав! Последнее добавление




Генерация страницы за: 0.013 сек.