Студопедия

КАТЕГОРИИ:


Архитектура-(3434)Астрономия-(809)Биология-(7483)Биотехнологии-(1457)Военное дело-(14632)Высокие технологии-(1363)География-(913)Геология-(1438)Государство-(451)Демография-(1065)Дом-(47672)Журналистика и СМИ-(912)Изобретательство-(14524)Иностранные языки-(4268)Информатика-(17799)Искусство-(1338)История-(13644)Компьютеры-(11121)Косметика-(55)Кулинария-(373)Культура-(8427)Лингвистика-(374)Литература-(1642)Маркетинг-(23702)Математика-(16968)Машиностроение-(1700)Медицина-(12668)Менеджмент-(24684)Механика-(15423)Науковедение-(506)Образование-(11852)Охрана труда-(3308)Педагогика-(5571)Полиграфия-(1312)Политика-(7869)Право-(5454)Приборостроение-(1369)Программирование-(2801)Производство-(97182)Промышленность-(8706)Психология-(18388)Религия-(3217)Связь-(10668)Сельское хозяйство-(299)Социология-(6455)Спорт-(42831)Строительство-(4793)Торговля-(5050)Транспорт-(2929)Туризм-(1568)Физика-(3942)Философия-(17015)Финансы-(26596)Химия-(22929)Экология-(12095)Экономика-(9961)Электроника-(8441)Электротехника-(4623)Энергетика-(12629)Юриспруденция-(1492)Ядерная техника-(1748)

Цветовая маркировка проводов линий электропитания автомобиля

Контакты

Падение напряжения на контактах в процессе работы может изменяться в широких пределах. Это объясняется спецификой работы электрооборудования автомобиля. От работы контактов зависит надежная работа системы электрооборудования автомобиля.

Поверхность материала контактов никогда не бывает идеально гладкой. Поэтому при замыкании контактов они соприкасаются одной, двумя, или тремя точками. Под действием давления поверхность деформируется, и в контакт входят новые точки. Деформация контактов зависит от свойств материала контактов. Площадь контактов зависит от давления на контактах. Исходя, из перечисленных факторов переходное сопротивление контактов определяется, по формуле

Rк = ρ√πσ/2√P

где ρ (ро) – удельное сопротивление материала контакта; σ (сигма) сопртивление смятию контактного материала (для меди σ = 5200 H/см2); P – давление на контактах. Из формулы видно, что сопротивление зависит от материала и от контактного давления.

Требования к контактам: материа должен иметь высокую электропроводность, теплопроводность, механическую прочность.

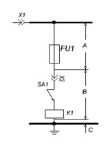
В принципиальной электрической схеме автомобиля в каждой отдельной цепи различают три участка:

 

 

Рис.2.4. Схема подключения цепи

 

F-предохранитель; К- обмотка реле; SA- контакты реле; Uc- напряжение сети.

 

· А – участок, соединяющий коммутационный прибор или предохранитель F с линией питания. Цветовая маркировка осуществляется по цвету провода той или иной линии питания;

· В – участок, состоящий из нескольких проводов, разделенных контактами, обмотками реле, предохранителями. Цветовая маркировка этого участка осуществляется по следующим образом, участки цепи, разделенные контактами, обмотками реле, резисторами, предохранителями, должны иметь расцветку отличную от участка А, участки, проходящие через разъемные и неразъемные контактные соединения и являющиеся продолжением одной цепи, должны иметь одну расцветку;

С – участок, соединяющий изделие Е с корпусом автомобиля. Цвет проводов должен быть одинаковым для всей системы,

 

 

<== предыдущая лекция | следующая лекция ==>
Растет электрической цепи автомобиля | Параметры ИЭП
Поделиться с друзьями:


Дата добавления: 2013-12-12; Просмотров: 793; Нарушение авторских прав?; Мы поможем в написании вашей работы!


Нам важно ваше мнение! Был ли полезен опубликованный материал? Да | Нет



studopedia.su - Студопедия (2013 - 2026) год. Все материалы представленные на сайте исключительно с целью ознакомления читателями и не преследуют коммерческих целей или нарушение авторских прав! Последнее добавление




Генерация страницы за: 0.011 сек.