Студопедия

КАТЕГОРИИ:


Архитектура-(3434)Астрономия-(809)Биология-(7483)Биотехнологии-(1457)Военное дело-(14632)Высокие технологии-(1363)География-(913)Геология-(1438)Государство-(451)Демография-(1065)Дом-(47672)Журналистика и СМИ-(912)Изобретательство-(14524)Иностранные языки-(4268)Информатика-(17799)Искусство-(1338)История-(13644)Компьютеры-(11121)Косметика-(55)Кулинария-(373)Культура-(8427)Лингвистика-(374)Литература-(1642)Маркетинг-(23702)Математика-(16968)Машиностроение-(1700)Медицина-(12668)Менеджмент-(24684)Механика-(15423)Науковедение-(506)Образование-(11852)Охрана труда-(3308)Педагогика-(5571)Полиграфия-(1312)Политика-(7869)Право-(5454)Приборостроение-(1369)Программирование-(2801)Производство-(97182)Промышленность-(8706)Психология-(18388)Религия-(3217)Связь-(10668)Сельское хозяйство-(299)Социология-(6455)Спорт-(42831)Строительство-(4793)Торговля-(5050)Транспорт-(2929)Туризм-(1568)Физика-(3942)Философия-(17015)Финансы-(26596)Химия-(22929)Экология-(12095)Экономика-(9961)Электроника-(8441)Электротехника-(4623)Энергетика-(12629)Юриспруденция-(1492)Ядерная техника-(1748)

Управляемые выпрямители на тиристорах

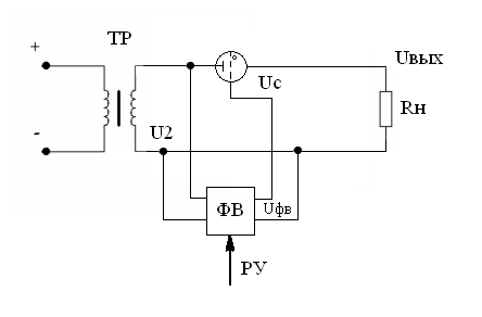
Управляемый выпрямитель на тиратроне

Управляемые выпрямители

 

Управляемые выпрямители обладают способностью регулировать напряжение на выходе при неизменной величине напряжения . В настоящее время для управляемых выпрямителей широко используются тиристоры. Такие выпрямители имеют высокие энергетические показатели, в отличие от управляемых ВУ с ЛАТРами или ВУ с переменными сопротивлениями.

Для иллюстрации принципа применения управляемых вентилей рассмотрим

 

Тиратрон пропускает ток от «+» к «-» («зажигается») только, если на сетке будет положительный потенциал. Далее он ведет себя как вентиль. ФВ – фазовращатель, который позволяет менять фазу от 0 до π.

В случае, если ФВ создаст сдвиг α между анодом и сеткой, то ток через тиратрон начнет протекать с задержкой на величину α (когда на аноде и сетке «+»), поэтому величина постоянной составляющей выпрямленного тока нагрузки будет меньше, чем при неуправляемых вентилях. Если α = 0, то картина будет такой, как у неуправляемых вентилей, а если , то I0 стремится к нулю.

Недостатком данной схемы является большая пульсация, для устранения которой необходимо ставить более сложные фильтры.

 

 

Существует три способа управления тиристором:

 

1) постоянным током;

2) переменным током;

3) импульсным сигналом.

 

<== предыдущая лекция | следующая лекция ==>
Особенности работы выпрямительной схемы на АБ (работа на противо ЭДС) | Импульсные стабилизаторы
Поделиться с друзьями:


Дата добавления: 2013-12-12; Просмотров: 578; Нарушение авторских прав?; Мы поможем в написании вашей работы!


Нам важно ваше мнение! Был ли полезен опубликованный материал? Да | Нет



studopedia.su - Студопедия (2013 - 2026) год. Все материалы представленные на сайте исключительно с целью ознакомления читателями и не преследуют коммерческих целей или нарушение авторских прав! Последнее добавление




Генерация страницы за: 0.011 сек.