Студопедия

КАТЕГОРИИ:


Архитектура-(3434)Астрономия-(809)Биология-(7483)Биотехнологии-(1457)Военное дело-(14632)Высокие технологии-(1363)География-(913)Геология-(1438)Государство-(451)Демография-(1065)Дом-(47672)Журналистика и СМИ-(912)Изобретательство-(14524)Иностранные языки-(4268)Информатика-(17799)Искусство-(1338)История-(13644)Компьютеры-(11121)Косметика-(55)Кулинария-(373)Культура-(8427)Лингвистика-(374)Литература-(1642)Маркетинг-(23702)Математика-(16968)Машиностроение-(1700)Медицина-(12668)Менеджмент-(24684)Механика-(15423)Науковедение-(506)Образование-(11852)Охрана труда-(3308)Педагогика-(5571)Полиграфия-(1312)Политика-(7869)Право-(5454)Приборостроение-(1369)Программирование-(2801)Производство-(97182)Промышленность-(8706)Психология-(18388)Религия-(3217)Связь-(10668)Сельское хозяйство-(299)Социология-(6455)Спорт-(42831)Строительство-(4793)Торговля-(5050)Транспорт-(2929)Туризм-(1568)Физика-(3942)Философия-(17015)Финансы-(26596)Химия-(22929)Экология-(12095)Экономика-(9961)Электроника-(8441)Электротехника-(4623)Энергетика-(12629)Юриспруденция-(1492)Ядерная техника-(1748)

Оборудование лесопильного производства




Основные технологические решения лесопиления

Лекция 7

Основные положения теории раскроя пиловочного сырья

Лекция 6

 

 

 

 

Структурная схема лесопильного производства представлена на рис. 2, описание технологического процесса на участках (переделах) производства, как правило осуществляется на основании принятых структурных схем последовательности выполняемых операций (рис.3-4).

Рис. 2. Структура лесопильного производства

 

 

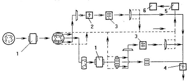
Рис. 3. Структурная схема рамного потока по производству

обрезных пиломатериалов

1 – двухэтажные лесопильные рамы 1-го и 2-го ряда; 2 – торцовочный станок; 3 – обрезной станок; 4 – торцовочное устройство проходного типа; 5 – рубительная машина; 6 – устройство для сортировки щепы.

 

 

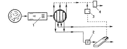
Рис. 4. Структурная схема потока на базе фрезернопильного агрегата

1 – фрезернопильный агрегат; 2 – торцовочный станок; 3 – рубительная машина; 4 – установка для сортировки щепы.

 

Классификация бревнопильного оборудования (слайд № 0)

 

 

 

 

Критерии оценки выбора оборудования исходя из опыта производственной деятельности

 

Критерии оценки   Весомость оценки
Соответствие предлагаемой технологии и характеристикам доминирующего сырья Очень важно
Расход сырья (выход продукции) Очень важно
Расход электроэнергии Важно
Расход тепла Важно
Трудозатраты (потребность в персонале) Важно
Время, требуемое для перехода на альтернативную спецификацию пиломатериала Очень важно
Защита от технологических сбоев Очень важно
Возможность производить специфицированный товар на тех же мощностях, что и стандартную продукцию Очень важно
Эксплуатационные расходы на производство единицы стандартной продукции Очень важно
Затраты на содержание и ремонт оборудования Важно
Удельные капитальные вложения на условную единицу продукции Очень важно
Льготные условия платежей по контракту Очень важно
Организация обучения и переподготовки персонала на территории РФ Очень важно
Возможность сертификации производства и продукции Очень важно
Возможность увеличения мощности предприятия без реконструкции Важно

 




Поделиться с друзьями:


Дата добавления: 2013-12-11; Просмотров: 896; Нарушение авторских прав?; Мы поможем в написании вашей работы!


Нам важно ваше мнение! Был ли полезен опубликованный материал? Да | Нет



studopedia.su - Студопедия (2013 - 2026) год. Все материалы представленные на сайте исключительно с целью ознакомления читателями и не преследуют коммерческих целей или нарушение авторских прав! Последнее добавление




Генерация страницы за: 0.011 сек.