Студопедия

КАТЕГОРИИ:


Архитектура-(3434)Астрономия-(809)Биология-(7483)Биотехнологии-(1457)Военное дело-(14632)Высокие технологии-(1363)География-(913)Геология-(1438)Государство-(451)Демография-(1065)Дом-(47672)Журналистика и СМИ-(912)Изобретательство-(14524)Иностранные языки-(4268)Информатика-(17799)Искусство-(1338)История-(13644)Компьютеры-(11121)Косметика-(55)Кулинария-(373)Культура-(8427)Лингвистика-(374)Литература-(1642)Маркетинг-(23702)Математика-(16968)Машиностроение-(1700)Медицина-(12668)Менеджмент-(24684)Механика-(15423)Науковедение-(506)Образование-(11852)Охрана труда-(3308)Педагогика-(5571)Полиграфия-(1312)Политика-(7869)Право-(5454)Приборостроение-(1369)Программирование-(2801)Производство-(97182)Промышленность-(8706)Психология-(18388)Религия-(3217)Связь-(10668)Сельское хозяйство-(299)Социология-(6455)Спорт-(42831)Строительство-(4793)Торговля-(5050)Транспорт-(2929)Туризм-(1568)Физика-(3942)Философия-(17015)Финансы-(26596)Химия-(22929)Экология-(12095)Экономика-(9961)Электроника-(8441)Электротехника-(4623)Энергетика-(12629)Юриспруденция-(1492)Ядерная техника-(1748)

Компараторы

Компараторы - это пороговый элемент, у которого изменяется скачкообразно из одного состояния в другое в зависимости от соотношения входных сигналов.

Это по сути граничный элемент между аналоговыми и импульсными (цифровыми) схемами.

Компараторы можно выполнять на основе операционных усилителей (с навесными элементами), но существуют отдельные интегральные микросхемы компараторов.

Быстродействие интегральных компараторов выше.

Например, S54 CA3 - интегральный компаратор,

СА- селектор амплитудный, различает входные сигналы.

Компаратор - аналог реле.

Операционный усилитель усиливает разность сигналов двух видов: одно опорное, другое - входное:

,

В

При не изменится;

При изменится скачком до -13В.

При , но это очень неустойчивое состояние.

Построим эпюры:

При .

Меняя знак и подавая его на разные входы операционного усилителя, можно менять знак в исходном состоянии и при срабатывании. При этом , при котором происходит «срабатывание» компаратора (изменение от +13В до -13В) можно назвать , а , при котором происходит обратный процесс «возврат» - . Для обычного компаратора и.

Компаратор может служить преобразователем Sin или .

В ряде случаев такой компаратор использовать сложно, так как:

может быть таким как на рисунке, будет так называемый «дребезг». Чтобы этого избежать, вводят ПОС. Компаратор с ПОС называется компаратор со смещенной характеристикой или «триггер Шмитта».

Определим в режиме покоя:

 

решали методом суперпозиции (наложения);

При - компаратор не сработает,

При и компаратор изменит свое состояние и станет .

 

станет равно следующему выражению:

так как исчезнет «дребезг» контакта.

Теперь будем уменьшать . При исходном компаратор не переключится, так как

. Переключение будет при меньшем .

 

Изобразим передаточную характеристику:

Чем > глубина ПОС, т.е. , тем шире петля характеристики.

 

Задачи на контрольную работу:

Задача №1

Дано:

В

В

кОм

кОм

мкФ

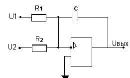
Дана схема:


В

Решение:

 

Гц

Нарисуем эпюры входных и выходных сигналов:

 

 

Задача № 2

Дано:

В

кОм

кОм

мкФ

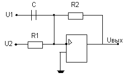
Дана схема:

Решение:

Гц с

 

 

n          
200*T*n 0.4 0.8 1.2 1.6  

 

Построим эпюры входных и выходных сигналов:

 

 

<== предыдущая лекция | следующая лекция ==>
Лекция 11. UВЫХ.ОУ.MAX = (0.9 ÷ 0.95) × EП = (0.9 ÷ 0.95) × 15 = 13.5 ÷ 14.25 В | Импульсные устройства
Поделиться с друзьями:


Дата добавления: 2013-12-11; Просмотров: 347; Нарушение авторских прав?; Мы поможем в написании вашей работы!


Нам важно ваше мнение! Был ли полезен опубликованный материал? Да | Нет



studopedia.su - Студопедия (2013 - 2025) год. Все материалы представленные на сайте исключительно с целью ознакомления читателями и не преследуют коммерческих целей или нарушение авторских прав! Последнее добавление




Генерация страницы за: 0.01 сек.