Студопедия

КАТЕГОРИИ:


Архитектура-(3434)Астрономия-(809)Биология-(7483)Биотехнологии-(1457)Военное дело-(14632)Высокие технологии-(1363)География-(913)Геология-(1438)Государство-(451)Демография-(1065)Дом-(47672)Журналистика и СМИ-(912)Изобретательство-(14524)Иностранные языки-(4268)Информатика-(17799)Искусство-(1338)История-(13644)Компьютеры-(11121)Косметика-(55)Кулинария-(373)Культура-(8427)Лингвистика-(374)Литература-(1642)Маркетинг-(23702)Математика-(16968)Машиностроение-(1700)Медицина-(12668)Менеджмент-(24684)Механика-(15423)Науковедение-(506)Образование-(11852)Охрана труда-(3308)Педагогика-(5571)Полиграфия-(1312)Политика-(7869)Право-(5454)Приборостроение-(1369)Программирование-(2801)Производство-(97182)Промышленность-(8706)Психология-(18388)Религия-(3217)Связь-(10668)Сельское хозяйство-(299)Социология-(6455)Спорт-(42831)Строительство-(4793)Торговля-(5050)Транспорт-(2929)Туризм-(1568)Физика-(3942)Философия-(17015)Финансы-(26596)Химия-(22929)Экология-(12095)Экономика-(9961)Электроника-(8441)Электротехника-(4623)Энергетика-(12629)Юриспруденция-(1492)Ядерная техника-(1748)

Полную звезду




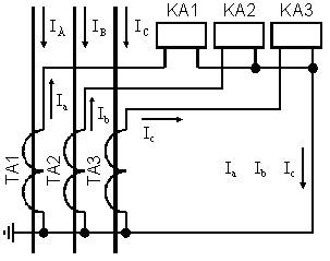
Схема соединения трансформаторов тока и обмоток реле в

Трансформаторы тока устанавливаются во всех фазах. Вторичные обмотки трансформаторов тока и обмотки реле соединяются в звезду и их нулевые точки связываются одним проводом, называемым нулевым. В нулевую точку объединяются одноименные зажимы обмоток трансформаторов тока. Схема соединения приведена на рис. 9.

 

Рис. 9. Схема соединения трансформаторов тока и обмоток реле в полную звезду

При нормальном режиме и трехфазном КЗ в реле КА1–КА3 проходят вторичные токи трансформаторов тока одноименных фаз, а в нулевом проводе их геометрическая сумма, которая при симметричных режимах равна нулю:

,

где , , .

Коэффициент схемы .

При двухфазном КЗ, например фаз А и В, первичный ток КЗ проходит только в двух поврежденных фазах и соответственно в реле, подключенных к трансформаторам тока поврежденных фаз. Ток в неповрежденной фазе отсутствует.

При двухфазном КЗ на землю ток проходит в двух реле, включенных на поврежденные фазы (например, В и С). В нулевом проводе проходит геометрическая сумма этих токов, всегда отличная от нуля.

Коэффициент схемы .

При однофазном КЗ первичный ток КЗ проходит только по одной поврежденной фазе. Соответствующий ему вторичный ток проходит также только через одно реле и замыкается по нулевому проводу.

Коэффициент схемы .

Ток в нулевом проводе равен сумме фазных токов

 




Поделиться с друзьями:


Дата добавления: 2013-12-13; Просмотров: 293; Нарушение авторских прав?; Мы поможем в написании вашей работы!


Нам важно ваше мнение! Был ли полезен опубликованный материал? Да | Нет



studopedia.su - Студопедия (2013 - 2026) год. Все материалы представленные на сайте исключительно с целью ознакомления читателями и не преследуют коммерческих целей или нарушение авторских прав! Последнее добавление




Генерация страницы за: 0.008 сек.