Студопедия

КАТЕГОРИИ:


Архитектура-(3434)Астрономия-(809)Биология-(7483)Биотехнологии-(1457)Военное дело-(14632)Высокие технологии-(1363)География-(913)Геология-(1438)Государство-(451)Демография-(1065)Дом-(47672)Журналистика и СМИ-(912)Изобретательство-(14524)Иностранные языки-(4268)Информатика-(17799)Искусство-(1338)История-(13644)Компьютеры-(11121)Косметика-(55)Кулинария-(373)Культура-(8427)Лингвистика-(374)Литература-(1642)Маркетинг-(23702)Математика-(16968)Машиностроение-(1700)Медицина-(12668)Менеджмент-(24684)Механика-(15423)Науковедение-(506)Образование-(11852)Охрана труда-(3308)Педагогика-(5571)Полиграфия-(1312)Политика-(7869)Право-(5454)Приборостроение-(1369)Программирование-(2801)Производство-(97182)Промышленность-(8706)Психология-(18388)Религия-(3217)Связь-(10668)Сельское хозяйство-(299)Социология-(6455)Спорт-(42831)Строительство-(4793)Торговля-(5050)Транспорт-(2929)Туризм-(1568)Физика-(3942)Философия-(17015)Финансы-(26596)Химия-(22929)Экология-(12095)Экономика-(9961)Электроника-(8441)Электротехника-(4623)Энергетика-(12629)Юриспруденция-(1492)Ядерная техника-(1748)

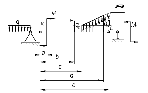
Розглянемо балку на двох опорах




Будемо вважати, що нам відомий, відтак: . Запишемо вираз для згинального моменту в довільному перерізі (V)-ї ділянки.

Тоді на ділянці IV вираз для моменту буде такий:

.

Необхідно пам'ятати, що ; і т.д., завжди повинні бути більші нуля, тобто додатні. А згинальний момент і поперечна сила , що співпадають з початком осей координат, отримали назву стичних початкових параметрів.

Маючи співвідношення для згинального моменту в довільній точці балки, запишемо для нього ДР пружної лінії на V і IV ділянках:

Проінтегрувавши обидві частини один раз – маємо:

Інтегруючи другий раз не розкриваючи дужок будемо мати:

Аналогічно зробимо для четвертої ділянки:

Проінтегрувавши двічі будемо мати:

Враховуючи правило спряження ділянок і задавшись, що , тобто для кінця IV і початку V ділянок будемо мати, що , звідки . Точно так із двох інших рівнянь для і відповідно . Проводячи аналогічно для других ділянок будемо мати:

Величину цих констант і визначимо із рівнянь для кутів повороту і прогинів на початковій ділянці. Так для першої ділянки будемо мати:

А при маємо:

Таким чином довільні константи і дорівнюють відповідно куту повороту і прогину на початку відрахування, тобто в точці перетину осей координат. Прогин і кут повороту отримали назву геометричні початкові параметри.

Підставимо тепер знайдені нами значення констант в рівняння для прогинів і кутів повороту в загальному випадку навантаження, будемо мати:

В отримані рівняння підставляють тільки ті навантаження, які знаходяться зліва від перерізу, що розглядається. Знаки доданків, що входять в рівняння, визначаються знаком відповідного силового фактору.

Таким чином, визначення переміщень по методу початкових параметрів зводиться в першу чергу до визначення величин початкових параметрів (, , , ). Статичні початкові параметри і знаходяться із умови рівноваги балки. А геометричні початкові параметри і визначаються із умов закріплення балки.

При вирішенні задач по цьому методу, початок системи осей координат, як вже відзначалося, розміщують в крайній лівій точці балки, що розглядається.

 




Поделиться с друзьями:


Дата добавления: 2014-01-04; Просмотров: 310; Нарушение авторских прав?; Мы поможем в написании вашей работы!


Нам важно ваше мнение! Был ли полезен опубликованный материал? Да | Нет



studopedia.su - Студопедия (2013 - 2026) год. Все материалы представленные на сайте исключительно с целью ознакомления читателями и не преследуют коммерческих целей или нарушение авторских прав! Последнее добавление




Генерация страницы за: 0.008 сек.