Студопедия

КАТЕГОРИИ:


Архитектура-(3434)Астрономия-(809)Биология-(7483)Биотехнологии-(1457)Военное дело-(14632)Высокие технологии-(1363)География-(913)Геология-(1438)Государство-(451)Демография-(1065)Дом-(47672)Журналистика и СМИ-(912)Изобретательство-(14524)Иностранные языки-(4268)Информатика-(17799)Искусство-(1338)История-(13644)Компьютеры-(11121)Косметика-(55)Кулинария-(373)Культура-(8427)Лингвистика-(374)Литература-(1642)Маркетинг-(23702)Математика-(16968)Машиностроение-(1700)Медицина-(12668)Менеджмент-(24684)Механика-(15423)Науковедение-(506)Образование-(11852)Охрана труда-(3308)Педагогика-(5571)Полиграфия-(1312)Политика-(7869)Право-(5454)Приборостроение-(1369)Программирование-(2801)Производство-(97182)Промышленность-(8706)Психология-(18388)Религия-(3217)Связь-(10668)Сельское хозяйство-(299)Социология-(6455)Спорт-(42831)Строительство-(4793)Торговля-(5050)Транспорт-(2929)Туризм-(1568)Физика-(3942)Философия-(17015)Финансы-(26596)Химия-(22929)Экология-(12095)Экономика-(9961)Электроника-(8441)Электротехника-(4623)Энергетика-(12629)Юриспруденция-(1492)Ядерная техника-(1748)

Двухлучевая безаккумуляторная система электропитания




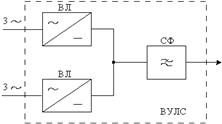
Структурная схема двухлучевой безаккумуляторной системы приведена на рис. 3.4.8.

 

Рис. 3.4.8

 

Электропитание осуществляется от двух или большего четного числа стабилизированных ВУ.

Электроснабжение каждого луча осуществляется от своего независимого источника энер­гии. ВЛ загружены не более, чем на 50% от номинальной мощ­ности . При отключении луча и до замены его резервным питание аппара­туры осуществляется от оставшегося луча, загрузка которого удваивается. Ав­томатическая установка ВУЛС-3 состоит из двух выпря­мителей типа ВЛ или ВУЛ и общего шкафа фильтров СФ. ВЛ или ВУЛ аналогичны ВУК за исключе­нием схем автоматики, сигнализации и защиты. ВУЛС-3 устанавливают в аппа­рат­ных предприятиях связи.

Применение двухлучевой системы основано на условии, что не произой­дет одновремен­ного отключения или посадки напряжения более чем на 40% номинального значения по обеим питающим линиям, идущим от независимых внешних источников.

При этом возможны следующие режимы работы:

1. нормальный, при котором потребители получают электропитание че­рез выпрямители, одновременно получающих электроэнергию от двух неза­висимых источников;

2. режим, при котором один из независимых источников отключен или выпрямители обоих лучей через устройства АВР подключены к одному ис­правному источнику;

3. режим, при котором через АВР подключена собственная подстан­ция (ДУ) и заменяет не­зависимый источник;

4. режим, при котором выпрямители обоих лучей подключены к собст­венной подстан­ции;

5. режим питания от одного выпрямителя при неисправности другого.

При питании от внешней сети и собственной подстанции (режим 3) на питаемой аппара­туре могут появиться пульсации с частотой биений , которые не подавляются фильтрами выпрямителей. Поэтому требуется обяза­тельная автоматическая синхронизация агрегатов электростанции с внешним источником.

Замещение отключившегося источника собственной электростанцией и обратный переход на восстановленный внешний источник могут вызвать пере­ходный процесс, который следует учитывать при подключении к ЭПУ аппара­туры связи.

Достоинства: меньшая стоимость ТРС, так как распределение энергии осуществляется по переменному току; отсутствие кислотных аккумуляторных батарей, что упрощает эксплуа­тацию СЭП.

Недостатки: худшее качество электроэнергии в переходных режимах.

Эта система применяются для электроприемников особой группы на крупных МТС и УАК в условиях большого потребления электроэнергии.

4. СЭП с отделенной от нагрузки резервной АБL изображена на рис. 3.4.9.

Резервная АБ отделяется от нагрузки при нормальной работе тиристором. АБ подзаряжа­ется от ЗВ.

 

Рис. 3.4.9

 

В аварийном режиме тиристор подключает АБ к нагрузке. Послеаварий­ный заряд АБ осу­ществляется при ее отключении от нагрузки, поэтому не тре­буется регулировать . Но пределы изменения велики, поэтому схема при­меняется для АТС I и II поколений неболь­шой емкости (ЭПУ с P<2 кВт).

Пределы изменения можно уменьшить, если ввести ВДК. Причем ВДК может подклю­чаться к нагрузке как в аварийном режиме (ненагруженный ВДК), так и постоянно (системы off-line и on-line).

Рассмотрим систему on-line (с нагруженным ВДК), которая обеспечивает лучшее качество электроэнергии по сравнению с off-line (рис. 3.4.10).

 

Рис. 3.4.10

 

В схеме с нагруженным ВДК в нормальном режиме VS1 и VS2 закрыты, АБ отделена от нагрузки VS2 и заряжается от ЗВ, при этом .

В аварийном режиме АБ подключается к нагрузке через открывшийся VS1, VS2 закрыт, . Послеаварийный заряд АБ от ЗВ осуществля­ется при закрытых VS1 и VS2. При изменении от 48,5 до 62,5 В . VS2 подключает АБ в переходных режимах, при неисправном ВДК.

Недостатком систем с отделенной от нагрузки резервной АБ является то, что она предъяв­ляет более жесткие требования к динамическим характеристи­кам ВУ, так как АБ не может выполнять функции сглаживающего фильтра.

Другим недостатком является большее потребление электроэнергии.

Достоинство - более высокое качество электроэнергии по сравнению с другими систе­мами электропитания.




Поделиться с друзьями:


Дата добавления: 2014-01-04; Просмотров: 1407; Нарушение авторских прав?; Мы поможем в написании вашей работы!


Нам важно ваше мнение! Был ли полезен опубликованный материал? Да | Нет



studopedia.su - Студопедия (2013 - 2026) год. Все материалы представленные на сайте исключительно с целью ознакомления читателями и не преследуют коммерческих целей или нарушение авторских прав! Последнее добавление




Генерация страницы за: 0.01 сек.