Студопедия

КАТЕГОРИИ:


Архитектура-(3434)Астрономия-(809)Биология-(7483)Биотехнологии-(1457)Военное дело-(14632)Высокие технологии-(1363)География-(913)Геология-(1438)Государство-(451)Демография-(1065)Дом-(47672)Журналистика и СМИ-(912)Изобретательство-(14524)Иностранные языки-(4268)Информатика-(17799)Искусство-(1338)История-(13644)Компьютеры-(11121)Косметика-(55)Кулинария-(373)Культура-(8427)Лингвистика-(374)Литература-(1642)Маркетинг-(23702)Математика-(16968)Машиностроение-(1700)Медицина-(12668)Менеджмент-(24684)Механика-(15423)Науковедение-(506)Образование-(11852)Охрана труда-(3308)Педагогика-(5571)Полиграфия-(1312)Политика-(7869)Право-(5454)Приборостроение-(1369)Программирование-(2801)Производство-(97182)Промышленность-(8706)Психология-(18388)Религия-(3217)Связь-(10668)Сельское хозяйство-(299)Социология-(6455)Спорт-(42831)Строительство-(4793)Торговля-(5050)Транспорт-(2929)Туризм-(1568)Физика-(3942)Философия-(17015)Финансы-(26596)Химия-(22929)Экология-(12095)Экономика-(9961)Электроника-(8441)Электротехника-(4623)Энергетика-(12629)Юриспруденция-(1492)Ядерная техника-(1748)

Мероприятия по уменьшению потребления реактивной мощности на промышленных предприятиях




Уменьшение потребления реактивной мощности промышленного предприятия можно достигнуть лишь при правильном сочетании различных способов, которые должны быть технически и экономически обоснованы.

Мероприятия по уменьшению потребления реактивной мощности можно разделить на следующие группы:

· снижение потребления реактивной мощности приемниками электроэнергии без применения компенсирующих устройств;

· применение компенсирующих устройств.

Мероприятия первой группы должны рассматриваться в первую очередь, поскольку для их осуществления не требуется значительных капитальных затрат. К ним относятся:

· повышение загрузки технологических агрегатов; упорядочение технологического процесса; повышение загрузки и коэффициента загрузки электродвигателей. Эти мероприятия приводят к улучшению энергетического режима оборудования;

· понижение напряжения у асинхронных двигателей, загруженных не выше, чем на 45%, путем переключения схемы обмоток с «треугольника» (D) на «звезду» (U). При этом вращающий момент и активная мощность электродвигателя уменьшаются в 3 раза, загрузка двигателя и его коэффициент мощности повышаются, а потребление реактивной мощности снижается. Такое переключение возможно при напряжении обмотки двигателя 660/380 В и напряжении сети 380 В;

· установка ограничителей холостого хода асинхронных электродвигателей и сварочных трансформаторов;

· отключение цеховых трансформаторов (например, в ночное время), с переводом нагрузки на другие трансформаторы;

· замена на менее мощные систематически недогруженных трансформаторов (менее чем на 40% номинальной мощности);

· замена систематически недогруженных асинхронных двигателей (менее чем на 45%) на двигатели меньшей мощности;

· замена изношенных асинхронных двигателей синхронными (вместо потребляемой QАД появляется генерируемая -QСД), когда это возможно по условиям технологического процесса. Для вновь устанавливаемых механизмов, не требующих регулирования скорости и работающих в продолжительном режиме (насосы, компрессоры, вентиляторы), рекомендуется применять синхронные двигатели.

· повышение качества ремонта двигателей.

Мероприятия второй группы предусматривают установку специальных компенсирующих (КУ) в соответствующих точках (в местах потребления) системы электроснабжения предприятия для выработки реактивной мощности.

Компенсация реактивной мощности – это установка компенсирующих устройств, благодаря которым увеличивается пропускная способность сети, уменьшаются потери мощности и электроэнергии в сети, и улучшается режим напряжения сети.

Технико-экономические условия компенсации реактивной мощности – это условия, при которых обеспечиваются наилучшие показатели работы СЭС. Эти условия определяющие:

· за счет компенсации происходит снижение полной мощности и тока; увеличивается пропускная способность линий и трансформаторов; при проектировании можно снизить сечение проводов и мощности трансформаторов:

,

 

.

 

· За счет компенсации происходит снижение потерь активной и реактивной мощностей

, ,

 

, .

 

· Снижаются потери электроэнергии

 

.

 

· Снижаются потери напряжения

 

, .

 

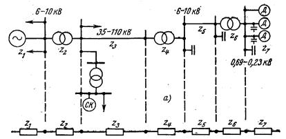
На рисунке 8.2 приведена схема, поясняющая принцип и значение вопроса о компенсации реактивной мощности. На рисунке показаны схемы электроснабжения промышленного предприятия со схемой замещения, векторные диаграммы и возможные места включения компенсирующих устройств. Как видно из диаграммы, угол φ возрастает по мере удаления от шин электропотребителя и приближения к шинам генераторного напряжения электростанции, что указывает на то, что все участки электропередачи очень сильно загружены реактивной мощностью. Передача реактивной мощности в начале передачи больше, чем в конце, что приводит к повышенным токовым нагрузкам сети и, как следствие, к увеличению затрат на ее сооружение, повышенным потерям и ухудшению качества электроэнергии. Установка компенсирующих устройств в узлах разных участков сети снижает токовые нагрузки на данных участках.

б)

а - схема питания; б - схема замещения; в - векторные диаграммы, характеризующие угол между током и напряжением в различных точках системы электроснабжения до и после компенсации реактивной мощности; значения векторов токов и напряжений взяты условно; ---- - векторы токов до компенсации; - векторы токов после компенсации

Рисунок 8.2 – Эквивалентная схема системы электроснабжения (а), ее схема замещения (б) и векторные диаграммы (в)

 

Следовательно, вследствие неэкономичности передачи реактивной мощности потребителям компенсирующие устройства необходимо устанавливать непосредственно в распределительных сетях. Они обеспечивают регулирование их мощности в соответствии с изменяющейся нагрузкой сети.

Применение устройств, компенсирующих реактивную мощность, несколько удорожает эксплуатацию электрических установок. Кроме того, в них создаются некоторые дополнительные потери активной мощности ΔРкомп, которые, однако, значительно меньше потерь ΔР.




Поделиться с друзьями:


Дата добавления: 2014-01-04; Просмотров: 5845; Нарушение авторских прав?; Мы поможем в написании вашей работы!


Нам важно ваше мнение! Был ли полезен опубликованный материал? Да | Нет



studopedia.su - Студопедия (2013 - 2026) год. Все материалы представленные на сайте исключительно с целью ознакомления читателями и не преследуют коммерческих целей или нарушение авторских прав! Последнее добавление




Генерация страницы за: 0.012 сек.