Студопедия

КАТЕГОРИИ:


Архитектура-(3434)Астрономия-(809)Биология-(7483)Биотехнологии-(1457)Военное дело-(14632)Высокие технологии-(1363)География-(913)Геология-(1438)Государство-(451)Демография-(1065)Дом-(47672)Журналистика и СМИ-(912)Изобретательство-(14524)Иностранные языки-(4268)Информатика-(17799)Искусство-(1338)История-(13644)Компьютеры-(11121)Косметика-(55)Кулинария-(373)Культура-(8427)Лингвистика-(374)Литература-(1642)Маркетинг-(23702)Математика-(16968)Машиностроение-(1700)Медицина-(12668)Менеджмент-(24684)Механика-(15423)Науковедение-(506)Образование-(11852)Охрана труда-(3308)Педагогика-(5571)Полиграфия-(1312)Политика-(7869)Право-(5454)Приборостроение-(1369)Программирование-(2801)Производство-(97182)Промышленность-(8706)Психология-(18388)Религия-(3217)Связь-(10668)Сельское хозяйство-(299)Социология-(6455)Спорт-(42831)Строительство-(4793)Торговля-(5050)Транспорт-(2929)Туризм-(1568)Физика-(3942)Философия-(17015)Финансы-(26596)Химия-(22929)Экология-(12095)Экономика-(9961)Электроника-(8441)Электротехника-(4623)Энергетика-(12629)Юриспруденция-(1492)Ядерная техника-(1748)

Конструкторською базою називається сполучення поверхонь, ліній або точок, що визначають положення деталі в складаній одиниці або виробі

База – поверхня, лінія, або точка, що визначають положення деталі в механізмі при його конструюванні, виготовленні, вимірюванні та при складанні механізму.

ПРОСТАВЛЯННЯ РОЗМІРІВ, МАРКИ МАТЕРІАЛІВ

Перед нанесенням розмірів треба ще раз уважно вивчити ГОСТ 2.307-68, про нанесення розмірів та граничних відхилів на креслениках.

Проставляючи розміри, необхідно враховувати вимоги конструкції, технологію оброблення деталі й можливості контролювання. Тому перед нанесенням розмірів необхідно вибирати поверхні або лінії деталі, від яких будемо здійснювати обмір деталі при її оброблюванні на верстатах. Ці поверхні називаються базами.

Базами для відліку розмірів можуть слугувати встановлювані, напрямні, опорні і торцеві поверхні деталі, її вісі симетрії.

Деталь може мати декілька конструкторських баз. Кожен розмір деталі повинен бути задано від тієї конструкторської бази, з якою вони зв’язані у виробі (рис. 286).

За ГОСТ 2.307-68 розміри, що визначають положення спряжених поверхонь, зазначають, як правило, від конструкторських баз.

Технологічною базою називається сполучення поверхонь, ліній і точок, відносно яких витримують розміри при оброблюванні деталі. Від технологічних баз указують вільні не спряжені розміри.

Вільний розмір оброблювальної поверхні, наприклад, площини торця приливу (рис.7.10) може бути заданим від будь-якої поверхні, що не оброблюється (див. розмір с на рис. 7.10).

Базовою поверхнею може бути (рис.7.10 і 7.11) площина, від якої починається оброблення (опорна, напрямна або торцева площина); базовою лінією – вісь симетрії, вісь отвору (схована база) або будь-які дві взаємно перпендикулярні прямі, наприклад, кромки деталей; базовою точкою – центр будь-якої плоскої обертальної деталі з криволінійними обрисами, наприклад, кулачок.

Рисунок 7.10 – Приклад виконання конструкторської та технічної бази

Рисунок 7.11 – Базова поверхня

На рис.7.12, а наведено приклад нанесення розмірів від лівого торця деталі, який одночасно є конструкторською і технологічною базою. На кресленику нанесені розміри внутрішніх циліндричних поверхонь, послідовність оброблення яких така: спочатку просвердлюють наскрізний отвір найменшого діаметра D, а потім виконують декілька розточувань (до діаметра D1 на глибину с, до діаметра D2 на глибину с1 і до діаметра D3 на глибину с 2); далі виконують внутрішню виточку шириною с3 на відстані с1 від торця (виточка зазвичай виконується розточеним різцем із ріжучою кромкою шириною с3, паралельною до осі деталі. Ось чому на кресленику вказують розмір с3).

Рисунок 7.12 -Приклад нанесення розмірів від лівого торця деталі

Таке нанесення розмірів відповідає послідовності оброблення внутрішньої поверхні деталі й контролю її розмірів. При цьому не має потреби виконувати будь-які додаткові розрахунки розмірів. На рис.7.12, б показано неправильне нанесення розмірів. При виготовленні деталі розміри k1, k 2, k3 використовувати без розрахунку неможливо.

Крім вищезазначених правил, які потрібно використовувати при виконанні ескізів і робочих креслеників, існують деякі особливості постановки розмірів.

Під час оброблення виробу робітник читає розмірні числа, що нанесені на кресленику, і оброблює виріб. При цьому, як правило, недопускається будь-яких підрахунків розмірів, вимірювання масштабною лінійкою розмірів, яких не вистачає за кресленику. Тому розміри накресленику повинні бути нанесенні конструктором не тільки з урахуванням роботи деталі у виробі, а й з урахуванням технологічного процесу її виготовлення.

Розміри на ескізах і робочих креслениках деталей можуть бути нанесенні різними способами. Так, наприклад, на рис.7.13показано три варіанти проставляння розмірів на деталі.

Рисунок 7.13 -Варіанти проставляння розмірів на деталі

У всіх трьох випадках розміри цілком визначають лінійні параметри деталі у двох взаємно перпендикулярних направленнях. Але з точки зору взаємозамінності й технологічності виготовлення деталей ці варіанти далеко нерівноцінні.

Задача конструктора в тому, щоб із трьох можливих варіантів вибрати такий, який при найменший точності виготовлення забезпечив би при збірці потрібні функції деталі.

На машинобудівних креслениках використовуються три способи нанесення розмірів – координатний, ланцюговий та комбінований.

Координатний спосібнанесення розмірів від бази. Спосіб є переважаючим в практичній діяльності. Цей спосіб нанесення розмірів використанона рис.7.12, а, де розміри є координатами, що визначають положення елемента деталі відносно вибраної бази.

Ланцюговий спосіб – послідовне розміщення розмірів ланцюгом. При цьому відмічають габаритний розмір, а заключний розмір ланцюга опускають. Цей розмір можна нанести коли він є довідковий. Використовується цей спосіб при великих габаритних розмірах деталі, коли вимірювати великі довжини не можливо, а також у тих випадках, коли вимагається витримати точні розміри сходин валу. У цьому випадку розміри наносять послідовно, як ланки замкненого ланцюга (рис. 7.14, а).

Рисунок 7.14 – Ланцюговий спосіб проставляння розмірів

Комбінований спосібоб’єднання ланцюгового та координатного способів. Приклад комбінованого способу нанесення розмірів показано на рис.7.14, б. Якщо деталь має оброблені на верстатах поверхні і не оброблені, то на кресленику наносять дві групи розмірів.

Рисунок 7.15 – Нанесення розмірів наскрізних і глухих отворів

Розміри наскрізних і глухих отворів потрібно наносити на зображенні з розтином, як показано на рис. 7.15, а. Якщо розтини на кресленику відсутні, то розміри отворів проставляють на інших зображеннях на поличках-виносок (рис.7.15, б).

Розміри фаски (зрізаного конуса) наносять на зображеннях, як показано на рис. 7.16,а (див. розмір 2х45°, де 2 мм – висота зрізаного конуса і 45° - кут нахилу твірної до прямої, що паралельна осі конуса).

а б

Рисунок 7.16 – Нанесення розмірів на фаску

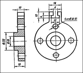
При нанесенні розмірів елементів, розташованих рівномірно по колу (наприклад, отворів), замість кутових розмірів, що визначають взаємне розташування елементів, вказують тільки кількість (рис.7.17).

При позначенні діаметра кола незалежно від того, зображено коло повністю або частково, розмірні лінії допускається проводити з обривом, при цьому обрив розмірної лінії виконують за центром кола (рис. 7.18, а і б).

Рисунок 7.17 -Нанесення розмірів Рисунок 7.18 – Позначення елементів, розташованих діаметра кола

рівномірно по колу


<== предыдущая лекция | следующая лекция ==>
Ескіз – кресленик, виконаний без дотримання масштабу і призначений для разового використання (ДСТУ 3321:2003) | Поетапне виконання кришки
Поделиться с друзьями:


Дата добавления: 2014-01-04; Просмотров: 735; Нарушение авторских прав?; Мы поможем в написании вашей работы!


Нам важно ваше мнение! Был ли полезен опубликованный материал? Да | Нет



studopedia.su - Студопедия (2013 - 2025) год. Все материалы представленные на сайте исключительно с целью ознакомления читателями и не преследуют коммерческих целей или нарушение авторских прав! Последнее добавление




Генерация страницы за: 0.008 сек.