Студопедия

КАТЕГОРИИ:


Архитектура-(3434)Астрономия-(809)Биология-(7483)Биотехнологии-(1457)Военное дело-(14632)Высокие технологии-(1363)География-(913)Геология-(1438)Государство-(451)Демография-(1065)Дом-(47672)Журналистика и СМИ-(912)Изобретательство-(14524)Иностранные языки-(4268)Информатика-(17799)Искусство-(1338)История-(13644)Компьютеры-(11121)Косметика-(55)Кулинария-(373)Культура-(8427)Лингвистика-(374)Литература-(1642)Маркетинг-(23702)Математика-(16968)Машиностроение-(1700)Медицина-(12668)Менеджмент-(24684)Механика-(15423)Науковедение-(506)Образование-(11852)Охрана труда-(3308)Педагогика-(5571)Полиграфия-(1312)Политика-(7869)Право-(5454)Приборостроение-(1369)Программирование-(2801)Производство-(97182)Промышленность-(8706)Психология-(18388)Религия-(3217)Связь-(10668)Сельское хозяйство-(299)Социология-(6455)Спорт-(42831)Строительство-(4793)Торговля-(5050)Транспорт-(2929)Туризм-(1568)Физика-(3942)Философия-(17015)Финансы-(26596)Химия-(22929)Экология-(12095)Экономика-(9961)Электроника-(8441)Электротехника-(4623)Энергетика-(12629)Юриспруденция-(1492)Ядерная техника-(1748)

Триггеры

 

Это последовательностные элементы с двумя устойчивыми выходными состояниями (0 или 1), предназначенное для записи и хранения информации. Триггеры относятся к цифровым автоматам. Цифровые автоматы состоят из комбинационных схем. Триггеры входят в состав счетчиков электрических импульсов, регистров, запоминающих устройств.

Асинхронный RS-триггер. set - установка и reset - сброс

В асинхронных триггерах состояние на выходе изменяется в момент поступления сигналов на информационные входы.

В зависимости от логической структуры различают RS-триггеры с прямыми и инверсными входами.

 

Асинхронный RS-триггер с прямыми входами

 

 

 
 

 


 

    хранение информации
     
     
    запрещенное состояние

 

Для триггера с прямыми входами

Q=1 при S=1 и R=0;

Q=0 при S=0 и R=1;

Q равно предыдущему значению Q при S=0 и R=0;

При R=S=1 состояние триггера будет неопределенным, так как во время действия информационных сигналов логические уровни на выходах триггера будут одинаковы, а после окончания их действия триггер может равновероятно принять любое из устойчивых состояний. Такая комбинация является запрещенной и может вывести триггер из строя).

 

Асинхронный RS-триггер с инверсными входами

 

 

 
 

 


    запрещенное состояние
     
     
    хранение информации

 

 

Для триггера с инверсными входами

Q=1 при S=0 и R=1;

Q=0 при S=1 и R=0;

Q равно предыдущему значению Q при S=1 и R=1;

При R=S=0 состояние триггера будет неопределенным.

 

 

Синхронный RS-триггер.

 

В синхронных триггерах для передачи сигнала с информационных входов на выход требуется специальный синхронизирующий импульс.

Синхронные триггеры подразделяются на триггеры со статическим управлением и триггеры с динамическим управлением. В триггерах с динамическим управлением передача сигналов с информационных входов на выходы осуществляется либо по фронту синхронизирующего импульса, либо по спаду синхронизирующего импульса.

 

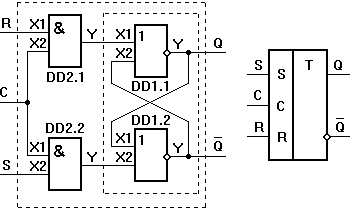
Синхронный RS-триггер с прямыми входами со статическим управлением.

 

 

 
 

 

 


      хранение информации
      хранение информации
      хранение информации
      хранение информации
      хранение информации
       
       
      запрещенное состояние

 

При С=0 на входах R, S асинхронного триггера на элементах DD1.1 и DD1.2 действуют сигналы логического нуля, поэтому при любых комбинациях сигналов на входах R, S синхронного RS-триггера состояние триггера не меняется.

При С=1 рассмотренный синхронный RS-триггер работает точно так же, как рассмотренный чуть раньше асинхронный RS-триггер с прямыми входами. Статический вход не теряет своего управляющего действия, пока на нем присутствует тактовый (синхро) импульс

 

 

Синхронный RS-триггер с инверсными входами с динамическим управлением.

 

Динамический синхровход воздействует на состояние выходов триггера в момент своего появления (передним фронтом) или окончания (задним фронтом).

 

 

Состояние триггера не меняется при изменении сигналов на входах S и R при С=0 и при С=1 (если триггер уже переключился по фронту синхронизирующего импульса).

Состояние триггера изменится только на фронте синхронизирующего импульса С.

 

<== предыдущая лекция | следующая лекция ==>
Дешифратор | D-триггер со статическим управлением
Поделиться с друзьями:


Дата добавления: 2014-01-04; Просмотров: 433; Нарушение авторских прав?; Мы поможем в написании вашей работы!


Нам важно ваше мнение! Был ли полезен опубликованный материал? Да | Нет



studopedia.su - Студопедия (2013 - 2026) год. Все материалы представленные на сайте исключительно с целью ознакомления читателями и не преследуют коммерческих целей или нарушение авторских прав! Последнее добавление




Генерация страницы за: 0.011 сек.