Студопедия

КАТЕГОРИИ:


Архитектура-(3434)Астрономия-(809)Биология-(7483)Биотехнологии-(1457)Военное дело-(14632)Высокие технологии-(1363)География-(913)Геология-(1438)Государство-(451)Демография-(1065)Дом-(47672)Журналистика и СМИ-(912)Изобретательство-(14524)Иностранные языки-(4268)Информатика-(17799)Искусство-(1338)История-(13644)Компьютеры-(11121)Косметика-(55)Кулинария-(373)Культура-(8427)Лингвистика-(374)Литература-(1642)Маркетинг-(23702)Математика-(16968)Машиностроение-(1700)Медицина-(12668)Менеджмент-(24684)Механика-(15423)Науковедение-(506)Образование-(11852)Охрана труда-(3308)Педагогика-(5571)Полиграфия-(1312)Политика-(7869)Право-(5454)Приборостроение-(1369)Программирование-(2801)Производство-(97182)Промышленность-(8706)Психология-(18388)Религия-(3217)Связь-(10668)Сельское хозяйство-(299)Социология-(6455)Спорт-(42831)Строительство-(4793)Торговля-(5050)Транспорт-(2929)Туризм-(1568)Физика-(3942)Философия-(17015)Финансы-(26596)Химия-(22929)Экология-(12095)Экономика-(9961)Электроника-(8441)Электротехника-(4623)Энергетика-(12629)Юриспруденция-(1492)Ядерная техника-(1748)

Электрически короткие ЛП




При анализе электрических процессов короткую ЛП моделируют эк­вивалентной схемой, состоящей из емкости и индуктивности ЛП, либо толь­ко емкости, сосредоточенными в од­ной точке, а не распределенными по всей длине линии. При этом пренеб­регают активным сопротивлением линии из-за малого его значения. На рис. 5.3, а показаны модули 1 и 2, электрически соединяемые короткой ЛП. Модуль 1, формирующий сигнал, представляется источником напряже­ния U с последовательно включенным сопротивлением R1. Модуль 2 являет­ся приемником сигнала и моделиру­ется сопротивлением R2. Величины сопротивлений R1 и R2 цифровых схем зависят от состояния 0 или 1, в кото­ром эти схемы находятся.

 

 

Рис53. Электрически короткая линия передачи (а), индуктивно-емкостная (б) и емкостная (в) расчетные схемы

Эквивалентную схему короткой линии (см. рис. 5.3, б) совместно с сопротивлением R1 (полагаем, что R2 велико) представим резонансным кон­туром, в котором могут возникнуть колебания, действующие как помехи. Частота этих колебаний будет


В результате колебательного процесса изменяющееся напряжение может несколько раз пересечь порог срабатывания интегральной схемы (модуля 2 на рис. 5.3), что приведет к многократному изменению ее логиче­ского состояния.

Если колебания в ЛП прекратятся за минимальное время дли­тельности фронта передаваемого по линии сигнала, то они не окажут влияния на работоспособность аппаратуры. Условие отсутствия колеба­ний в линии выполняется при L < СR12 / 4. В этом случае индуктивностью линии можно пренебречь и рассматривать ЛП в виде емкостной схемы замещения (см. рис. 5.3, в).

Реакция ЛП на синусоидальный входной сигнал проявляется в умень­шении амплитуды выходного напряжения и изменении разности фаз между входным и выходным напряжением. Это приводит к зависимости напряже­ния на выходе линии от частоты входного сигнала.

В общем случае сигналы на входе и выходе ЛП могут существенно отличаться. Если ЛП нагружается на пороговые схемы, то при подаче на вход ЛП прямоугольного импульса амплитудой U время срабатывания схе­мы задерживается на величину

где τ = R1C — постоянная времени; Unop — пороговое напряжение логиче­ского элемента.

Если длительность импульса много больше τ, то ЛП передаст им­пульс практически без искажений. В противном случае линия передачи будет себя вести подобно интегрирующей RC-цепи. Поэтому импульс мо­жет исчезнуть, если его амплитуда не достигнет порогового напряжения логического элемента.

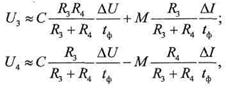
Перекрестные помехи обусловлены электрическим, магнитным и электромагнитным взаимодействием расположенных по соседству ЛП (рис. 5.4). Требования микроминиатюризации и, следовательно, увеличения плотности упаковки проводников ставят перед конструктором важную зада­чу уменьшения помех до уровней, не влияющих на точную и надежную ра­боту аппаратуры.

 

 

Рис. 5.4. Перекрестные помехи в ко­ротких линиях передачи: а — электрическая схема; б — расчетная схема

Помехи на входе U3 и выходе U4 пассивной линии передачи ЛП2 от па­раллельно расположенной активной ЛГИ, по которой передается сигнал (см.

рис. 5.4, а), при [CR3RJ(R3 + R4)] < < tф /2,5 можно представить в виде:

где R1, R3 и R2, R4 — соответственно выходные и входные сопротивления модулей; С, М — емкость и взаимная индуктивность между ЛП.

При выводе этих уравнений принято условие слабой взаимосвязи между линиями, что предполагает од­ностороннее влияние активной линии на пассивную и исключает обратное влияние. Распределенные параметры взаимной индуктивности и емкости линий заменены сосредоточенными, сопротивления утечки между линиями и сопротивления проводов не учитываются. Модуль 1 моделируется генера­тором напряжения U с Rx = 0 (I = U/(R1+R2)). Принятые допущения пра­вомерны для большинства практических случаев.

На рис. 5.4 модули, формирующие сигнал, расположены слева, при­емные модули — справа. На входе приемного модуля 4 возникает помеха U4, равная разности двух составляющих — емкостной и индуктивной. Если токи формирующих элементов имеют противоположное направление, а приемным элементом является модуль 3, то на его входе окажется напряже­ние помехи, равное сумме емкостной и индуктивной помех.


Для импульсных сигналов с линейными фронтами приведенные выше выражения можно записать в следующем виде:


 

Рис. 5.5. Передаточная характери­стика

 

где ∆U, ∆I, tф — перепады напряже­ния, тока и длительность фронта им­пульса соответственно.

Помеха на входе и выходе пас­сивной линии включает емкостную и индуктивную составляющие, пропор­циональные емкости С и взаимной ин­дуктивности М. Анализ приведенных выражений позволяет сделать вывод, что емкостная составляющая возраста­ет с ростом скорости изменения напря­жения на выходе модуля 1 и величин сопротивлений на концах пассивной линии, индуктивная помеха — с ростом скорости изменения ∆I, уменьшением суммы R3 + R4 и увеличением числа нагрузок на выходе активной линии.

Свойство переключательных схем не реагировать на помехи и функ­ционировать при воздействии помех обеспечивается их помехоустойчиво­стью, которая определяется из передаточной характеристики (рис. 5.5).

Статическая помехоустойчивость — максимальная амплитуда по­мехи для напряжения высокого U1ПОМ и низкого U0ПОМ уровней, определяется из уравнений:

где U1ПОР,U0ПОР — пороговые входные напряжения для логических уровней 1 и О,

при которых происходит переход в область неопределенного состояния логи­ческой схемы; U1,U0 — выходные напряжения логических уровней 1 и 0.

Точки А и В, а соответственно и напряжения U1ПОР,U0ПОР и U1,U0, на­ходятся на перегибах передаточной характеристики. Параметры статической помехоустойчивости микросхем приводятся в технических условиях.

Однако для нормального функционирования цифровых устройств не­обходимо гарантировать устойчивость их не только к статическим, но и ди­намическим помехам, когда учитывается не только амплитуда, но и дли­тельность и форма импульса помехи.

Если вычисленное значение помехи превысит допустимую величину, то принимаются меры по уменьшению паразитных значений М и С. Снизить значение паразитной емкости между ЛП можно уменьшением длины совме­стного параллельного расположения проводов на минимально возможном расстоянии друг от друга, увеличением зазора между ними, укладыванием проводов, передающих различные по уровням сигналы, в отдельные жгуты, приближением ЛП к земле (земля выполняет функцию экрана), введением экранированных проводов, использованием коаксиальных кабелей. Напри­мер, заземление оплетки коаксиального кабеля позволит целиком избавить­ся от емкостной помехи.

Ослабить взаимную индуктивность можно за счет разнесения ЛП воз­можно дальше друг от друга, уменьшением площадей контуров, образуемых проводами, по которым протекают прямые и обратные токи ЛП, использо­ванием экранированных проводов, свитых пар, коаксиальных кабелей.




Поделиться с друзьями:


Дата добавления: 2014-01-04; Просмотров: 1186; Нарушение авторских прав?; Мы поможем в написании вашей работы!


Нам важно ваше мнение! Был ли полезен опубликованный материал? Да | Нет



studopedia.su - Студопедия (2013 - 2026) год. Все материалы представленные на сайте исключительно с целью ознакомления читателями и не преследуют коммерческих целей или нарушение авторских прав! Последнее добавление




Генерация страницы за: 0.013 сек.