Студопедия

КАТЕГОРИИ:


Архитектура-(3434)Астрономия-(809)Биология-(7483)Биотехнологии-(1457)Военное дело-(14632)Высокие технологии-(1363)География-(913)Геология-(1438)Государство-(451)Демография-(1065)Дом-(47672)Журналистика и СМИ-(912)Изобретательство-(14524)Иностранные языки-(4268)Информатика-(17799)Искусство-(1338)История-(13644)Компьютеры-(11121)Косметика-(55)Кулинария-(373)Культура-(8427)Лингвистика-(374)Литература-(1642)Маркетинг-(23702)Математика-(16968)Машиностроение-(1700)Медицина-(12668)Менеджмент-(24684)Механика-(15423)Науковедение-(506)Образование-(11852)Охрана труда-(3308)Педагогика-(5571)Полиграфия-(1312)Политика-(7869)Право-(5454)Приборостроение-(1369)Программирование-(2801)Производство-(97182)Промышленность-(8706)Психология-(18388)Религия-(3217)Связь-(10668)Сельское хозяйство-(299)Социология-(6455)Спорт-(42831)Строительство-(4793)Торговля-(5050)Транспорт-(2929)Туризм-(1568)Физика-(3942)Философия-(17015)Финансы-(26596)Химия-(22929)Экология-(12095)Экономика-(9961)Электроника-(8441)Электротехника-(4623)Энергетика-(12629)Юриспруденция-(1492)Ядерная техника-(1748)

Обобщенный закон Гука для случая объемного напряженного состояния




 

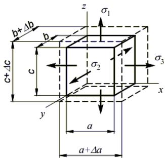
Рассмотрим элементарный объем линейно-упругого изотропного тела, находящийся в условиях объемного напряженного состояния, причем касательные напряжения на его гранях отсутствуют:

 

Таким образом, координатные грани элементарного объема являются главными площадками, координатные оси x, y, zглавными осями, нормальные напряжения, действующие на главных площадках – главными напряжениями и, соответственно, линейные относительные деформации в направлении главных осей – главными деформациями .

 

По направлению осей x, y, z возникают абсолютные деформации D a, D b, D c.

Величина главной относительной деформации в направлении оси z: .

Напряжение σ 1 приводит к увеличению D c, и по закону Гука

 

.

 

Напряжения σ 2 и σ 3 работают на увеличение D a и D b и вызывают уменьшение D c, то есть, используя закон Гука и коэффициент поперечной деформации,

 

, .

 

Применяя принцип суперпозиции, находим

 

.

 

Расписывая аналогичным образом главные деформации и , окончательно получим:

 

,

.

 

Полученные зависимости представляют собой обобщенный закон Гука в главной системе координат.

Проводя такие же рассуждения для элементарного объема, грани которого не являются главными площадками, получим обобщенный закон Гука в произвольной системе координат:

 

,

.

 




Поделиться с друзьями:


Дата добавления: 2014-01-05; Просмотров: 489; Нарушение авторских прав?; Мы поможем в написании вашей работы!


Нам важно ваше мнение! Был ли полезен опубликованный материал? Да | Нет



studopedia.su - Студопедия (2013 - 2025) год. Все материалы представленные на сайте исключительно с целью ознакомления читателями и не преследуют коммерческих целей или нарушение авторских прав! Последнее добавление




Генерация страницы за: 0.011 сек.